Запчасти Case IH 1670 (9F-10) - STRAW CHOPPER GEAR HOUSING (19) - STRAW SPREADER & CHOPPER

Схема запчастей Case IH 1670 - (9F-10) - STRAW CHOPPER GEAR HOUSING (19) - STRAW SPREADER & CHOPPER
18
30
12
18
23
1
5
19
16
26
21
10
17
17
28
9
24
2
3
16
6
11
14
15
8
19
25
13
20
27
29
7
15
4
FIT
1:1
100%

Артикул

Название

Примечание

Количество

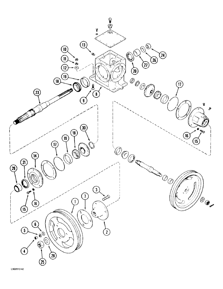
1

181271C1

PULLEY

- drive, 15 inch O.D.

1шт.

2

181211C1

HUB

- drive pulley

1шт.

3

566206R2

BOLT,5/8" - 18 x 2.38", Class 8

- hub

3шт.

4

429-1110

NUT,5/8"-18, G8

3шт.

5

492-21062

LOCK WASHER,5/8"

3шт.

6

396-21066

WASHER,16.66mm ID x 33.33mm OD x 4.27mm Thk

3шт.

7

181363C1

SHIM

- 0.060 inch

1шт.

8

181278C1

BEARING HOUSING

HOUSING - jackshaft gear

1шт.

9

433-828

CARRIAGE BOLT,Sq Nk, 1/2" - 13 x 1 3/4", Gr 5

BOLT - carriage, 1/2 NC x 1-3/4 inch

6шт.

10

425-108

NUT,1/2" - 13, Gr 5

NUT, , Hex 1/2"-13, G5

6шт.

11

80679

LOCK WASHER,1/20.507 CST ZND

WASHER, LOCK, 1/2"

6шт.

12

396-41053

WASHER,13.49mm ID x 31.75mm OD x 5.05mm Thk

- flat, 17/32 x 1-1/4 x 3/16 inch, hardened

6шт.

13

221-841

PLUG

- hex socket 1/4 inch PT (Replaces plug 444619)

2шт.

14

181274C1

BEARING HOUSING,79.375 mm ID x 177.8 mm OD x 38.1 mm

HUB - jackshaft bearing

1шт.

15

413-620

BOLT,Hex, 3/8" - 16 x 1-1/4", Gr 5

- hex, 3/8 NC x 1-1/4 inch

10шт.

16

492-11038

LOCK WASHER,3/8"

10шт.

17

238-5250

O-RING,0.139" Thk x 4.984" ID, -250, Cl 5, 75 Duro

-250, 70 Duro, 4.984" ID x .139 Thk

2шт.

18

298029R91

BEARING ASSY,47.63mm ID x 22.23mm W

BEARING - tapered roller

2шт.

19

ST874A

TAPERED BEARING,90.03mm OD x 16mm W

CUP - tapered roller bearing

2шт.

20

181287C1

SEAL,47.65mm ID x 79.5mm OD x 9.53mm Thk

- jackshaft hub, front

1шт.

21

181288C1

SEAL,60.33mm ID x 79.5mm OD x 9.53mm Thk

- jackshaft hub, rear

1шт.

23

184394C1

SHAFT

- three splined, separator drive

1шт.

24

232-41316

NUT,1"-8, GC

NUT, LOCK, 1"-8, GC

1шт.

25

231-41120

NUT,1 1/4"-7, GB

NUT - hex self-locking, 1-1/4 inch NC (Replaces nut 27821R1)

1шт.

26

496-21106

WASHER,1 1/16" x 2" x .209", HDN

- flat, 1-1/16 x 2 x 13/64 inch, Hardened

1шт.

27

181290C1

SPACER

- jackshaft

1шт.

28

396-31131

WASHER,1 3/8" x 2 1/2" x 1/4", HDN

- flat, 1-3/8 x 2-1/2 x 1/4 inch, hardened

1шт.

29

181269C1

SPACER

BUSHING - jackshaft, rear

1шт.

30

181255C1

SNAP RING

RING - retaining, 0.102 inch

1шт.

30

181256C1

RING, SNAP

RING - retaining, 0.105 inch

1шт.

30

181257C1

RING, SNAP

RING - retaining, 0.108 inch

1шт.

30

181258C1

RING, SNAP

RING - retaining, 0.111 inch

1шт.

30

181259C1

RING, SNAP

RING - retaining, 0.114 inch

1шт.

30

181260C1

RING, SNAP

RING - retaining, 0.117 inch

1шт.

30

181261C1

RING, SNAP

RING - retaining, 0.120 inch

1шт.

30

181262C1

RING, SNAP

RING - retaining, 0.123 inch

1шт.

30

181263C1

RING, SNAP

RING - retaining, 0.126 inch

1шт.

30

181264C1

RING, SNAP

RING - retaining, 0.129 inch

1шт.

30

181265C1

RING, SNAP

RING - retaining, 0.132 inch

1шт.

30

181266C1

RING, SNAP

RING - retaining, 0.135 inch

1шт.

Выбрано товаров: 40