Запчасти Case IH 1670 (9F-12) - STRAW CHOPPER GEAR HOUSING, (CONT) (19) - STRAW SPREADER & CHOPPER

Схема запчастей Case IH 1670 - (9F-12) - STRAW CHOPPER GEAR HOUSING, (CONT) (19) - STRAW SPREADER & CHOPPER
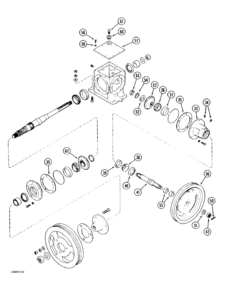
41
52
51
55
61
58
36
37
35
60
62
42
57
40
39
53
56
35
54
34
50
38
62
59
33
FIT
1:1
100%

Артикул

Название

Примечание

Количество

33

191245C2

HUB

- chopper drive, continued from 9F-10

1шт.

34

444614

PLUG,Hex Hd, 1/8"-27, Brass

- hex, 1/8 inch PT, chopper drive hub

1шт.

35

195484C2

SHIM KIT

KIT - shim, rear housing, Includes shims

2шт.

NSS

NOT SOLD SEPARAT

SHIM - 0.005 inch

4шт.

NSS

NOT SOLD SEPARAT

SHIM - 0.007 inch

4шт.

NSS

NOT SOLD SEPARAT

SHIM - 0.020 inch

2шт.

36

ST2071

TAPERED BEARING,34.92mm ID x 23.81mm W

BEARING - tapered roller, hub inner

1шт.

37

17498D

TAPERED BEARING," ID x 76.2125 mm OD x 23.9135 mm

CUP - tapered roller bearing, hub inner

1шт.

38

618023R91

BEARING ASSY,34.93mm ID x 18.2mm W

BEARING - tapered roller, 1-3/8 inch ID, hub outer

1шт.

39

618024R1

BEARING CUP,65.113mm OD x 13.97mm W

- Tapered roller, Hub outer

1шт.

40

192527C1

OIL SEAL,44.45mm ID x 69.95mm OD x 7.92mm Thk

- chopper drive shaft oil

1шт.

41

181195C1

SHAFT

- chopper drive

1шт.

42

425-1314

SLOTTED NUT,7/8"-14, G5

NUT - hex, slotted, 7/8 inch NF

1шт.

50

432-828

COTTER PIN,1/8" x 1 3/4"

PIN, SPLIT (COTTER), 1/8" x 1 3/4"

1шт.

51

496-21094

WASHER,23.82mm ID x 44.45mm OD x 4.85mm Thk

1шт.

52

396-11119

WASHER,30.18mm ID x 57.15mm OD x 3.4mm Thk

- flat, 1-3/16 x 2-1/4 x 9/64 inch, hardened

1шт.

53

131-1056

BEARING LOCK NUT,Bearing, 1.1811" Bore

NUT - bearing lock, TN-O6

1шт.

54

55-2006

BEARING WASHER,Type TW-106

WASHER, LOCK, , Bearing lock (Replaces washer 181268C1) Type TW-106

1шт.

55

181156C1

SPACER

- drive shaft

2шт.

56

1315264C1

PULLEY

- chopper drive, 7 and 14 inch O.D.

1шт.

57

181281C1

COVER

- gear housing

1шт.

58

413-512

BOLT,Hex, 5/16" - 18 x 3/4", Gr 5

- hex, 5/16 NC x 3/4 inch

10шт.

59

492-11031

LOCK WASHER,5/16"

WASHER, LOCK, 5/16"

10шт.

60

115224

ADAPTER

- pipe, 3/4 to 3/8 inch (Replaces adapter 144041)

1шт.

61

219-436

BREATHER,3/8" - 18 NPT, Short, W/ Washer

- straight, 3/8 PT x 1-1/2 inch (Replaces fitting 91916R91)

1шт.

62

188814C1

BEVEL GEAR

GEAR ASSEMBLY - matched set, drive and driven, Includes 23 and 24 tooth gear

1шт.

NSS

NOT SOLD SEPARAT

GEAR - 24 tooth (Order 188814C1)

1шт.

NSS

NOT SOLD SEPARAT

GEAR - 23 tooth (Order 188814C1)

1шт.

Выбрано товаров: 28