Запчасти Case IH 1670 (2-32) - OIL FILTER AND COOLER, 6TA-830 ENGINE, PRIOR TO ENGINE S/N 44500128 (01) - ENGINE

Схема запчастей Case IH 1670 - (2-32) - OIL FILTER AND COOLER, 6TA-830 ENGINE, PRIOR TO ENGINE S/N 44500128 (01) - ENGINE
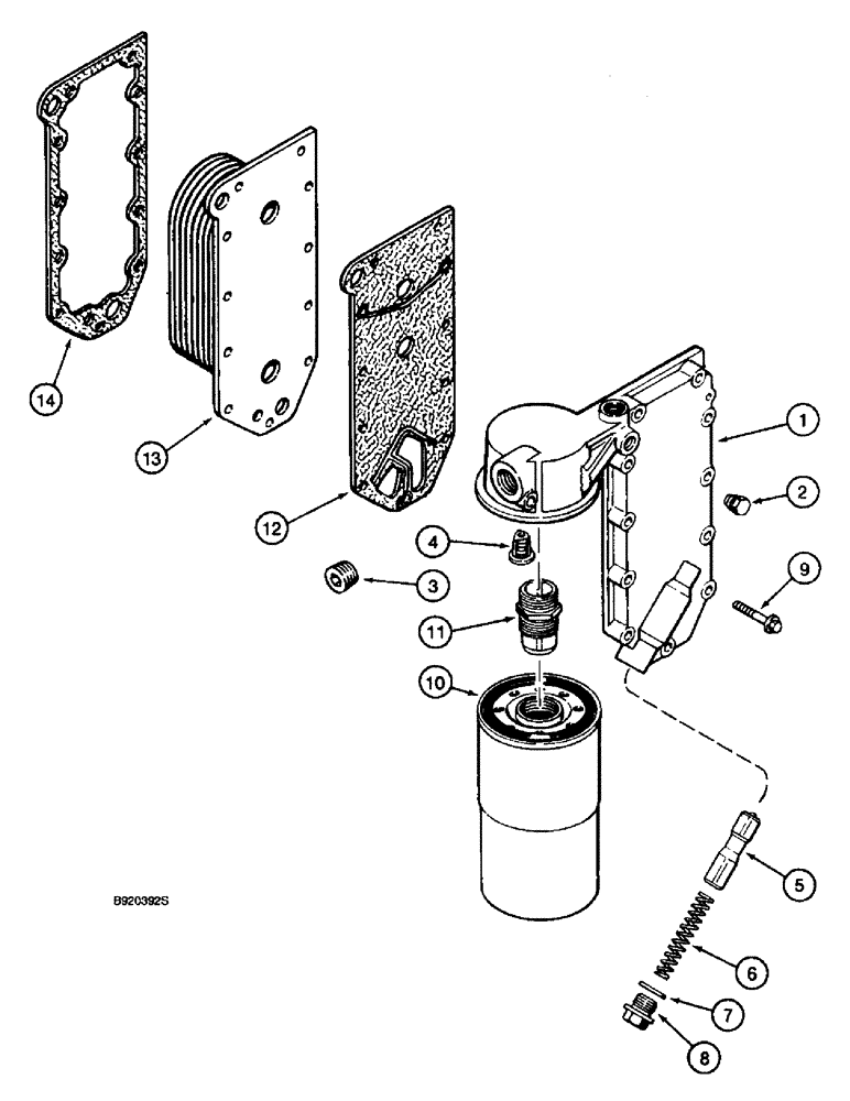
7
2
1
11
13
6
5
8
9
4
12
10
14
3
FIT
1:1
100%

Артикул

Название

Примечание

Количество

1

J907831

HEAD

- filter and cooler

1шт.

2

J906619

PLUG,1/8" - 27

- hex, 1/8 inch PT

1шт.

3

A77505

PLUG

- hex socket, 3/4 inch PT

1шт.

4

J902338

VALVE, PRESSURE RELI

VALVE - relief, pressure

1шт.

5

A77540

PLUNGER

- regulator

1шт.

6

A77541

SPRING

- compression

1шт.

7

J901798

SEALING WASHER

WASHER - sealing

1шт.

8

J906299

PLUG

- regulator, Includes: Ref. 9

1шт.

9

845-8045

BOLT,Hvy Hex, M8 x 45mm, Cl 8.8

- heavy hex flange, 8 - 1.25 x 45 mm, 8.8

11шт.

10

A77537

ENGINE OIL FILTER

FILTER - oil

1шт.

11

A77542

ADAPTER

- filter

1шт.

12

J914308

GASKET

- filter head

1шт.

13

J918175

CORE, RADIATOR

CORE - oil cooler

1шт.

14

J918174

GASKET,0.71mm Thk

- cooler core

1шт.

Выбрано товаров: 14