Запчасти Case IH 1670 (6-02) - POWER TAKEOFF DRIVE (03) - POWER TRAIN

Схема запчастей Case IH 1670 - (6-02) - POWER TAKEOFF DRIVE (03) - POWER TRAIN
3
34
26
36
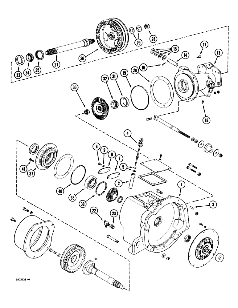
1
23
13
39
27
38
35
22
8
30
9
2
37
4
16
7
17
18
40
14
6
15
31
19
41
28
29
32
5
33
FIT
1:1
100%

Артикул

Название

Примечание

Количество

1

184433C3

HOUSING

ASSEMBLY- power takeoff drive (Replaces housing assembly 184433C2), Includes: Ref. 2 and 3

1шт.

2

188072C1

TUBE,25.4 mm OD, 127 mm Length

- dipstick, oil

1шт.

3

1330136C1

DOWEL

PIN - dowel, locating

2шт.

4

188073C91

DIPSTICK

GAUGE ASSEMBLY - oil level, Includes: Ref. 5

1шт.

5

238-5210

O-RING,0.139" Thk x 0.734" ID, -210, Cl 5, 75 Duro

2шт.

6

185056C1

COVER

- bolt access hole

1шт.

7

185057C2

GASKET,0.91mm Thk

- access cover

1шт.

8

413-68

BOLT,Hex, 3/8" - 16 x 1/2", Gr 5

2шт.

9

492-11038

LOCK WASHER,3/8"

2шт.

13

1329747C1

HOUSING

ASSEMBLY - separator drive, Includes: Ref. 14

1шт.

14

195439C2

PIN,25.29mm OD x 101.6mm L

- clutch housing

1шт.

15

495-81073

WASHER,1-1/32" x 1-3/4" x .060" Thk

- flat, 1-1/32 x 1-3/4 x 1/16 inch

4шт.

16

432-1624

COTTER PIN,1/4" x 1 1/2"

Pin, Split (Cotter), 1/4" x 1-1/2"

1шт.

17

426-620

BOLT,Hex, 3/8" - 16 x 1-1/4", Gr 8

6шт.

18

50057K

PLUG

- separator and power takeoff housing

2шт.

19

188279C1

O-RING,0.139" Thk x 7.984" ID, -266, Cl 6, 90 Duro

- 8 ID x 1/8 inch wide

1шт.

22

301803R1

SHUT-OFF VALVE

VALVE - oil drain shutoff

1шт.

23

221-89

REDUCER,Hex, 1/2" x 3/8" NPT

- pipe, 1/2 male x 3/8 inch female

1шт.

188195C1

SHIM KIT

KIT - shim, Includes: Ref. 26

1шт.

26

NSS

NOT SOLD SEPARAT

SHIM - separator housing, 0.005 inch

1шт.

26

NSS

NOT SOLD SEPARAT

SHIM - separator housing, 0.007 inch

1шт.

26

NSS

NOT SOLD SEPARAT

SHIM - separator housing, 0.010 inch

1шт.

26

NSS

NOT SOLD SEPARAT

SHIM - separator housing, 0.030 inch

1шт.

27

1329745C1

SHAFT

- pulley, separator drive

1шт.

28

18521R1

LOCK NUT,1"-14, G8

NUT - hex, self-locking, 1 inch NF

1шт.

29

396-31106

WASHER,1.06" ID x 2" OD x 0.22" Thk

- flat, 1-1/16 x 2 x 7/32 inch, hardened

2шт.

30

194737C1

LOCK NUT

- hex, special, 1 inch NF

1шт.

31

130503H

BEARING CUP

CUP - tapered roller bearing (Replaces cup ST987)

1шт.

32

300426R91

BEARING ASSY,45.618 mm ID x 25.4 mm

BEARING - tapered roller, 1-25/32 inch ID

1шт.

33

376463C1

BEARING CUP

CUP - tapered roller bearing, 3-15/64 inch O.D.

1шт.

34

533729R91

ROLLER BEARING,1.968" ID x 3.2283" OD x 0.8465"

- tapered roller

1шт.

35

194051C1

SEAL,63.42mm ID x 82.8mm OD x 11mm Thk

- oil

1шт.

36

191461C1

PULLEY,110mm OD

- drive, 11 inch O.D.

1шт.

37

192817C2

FLANGE,92.02 mm ID x 241.249 mm OD x 54.61 mm

HUB - drive shaft bearing housing

1шт.

38

ST297

BEARING, BALL

BEARING - ball, 4-23/32 inch O.D.

1шт.

39

100-22475

SNAP RING,4.78", Int, #475

Ring, Snap, 4.78", Int, #475

1шт.

40

238-8260

O-RING,0.139" Thk x 6.48" ID, -260, Cl 8, 90 Duro

1шт.

41

426-620

BOLT,Hex, 3/8" - 16 x 1-1/4", Gr 8

4шт.

Выбрано товаров: 38