Запчасти Case IH 1670 (6-04) - POWER TAKEOFF DRIVE, (CONT) (03) - POWER TRAIN

Схема запчастей Case IH 1670 - (6-04) - POWER TAKEOFF DRIVE, (CONT) (03) - POWER TRAIN
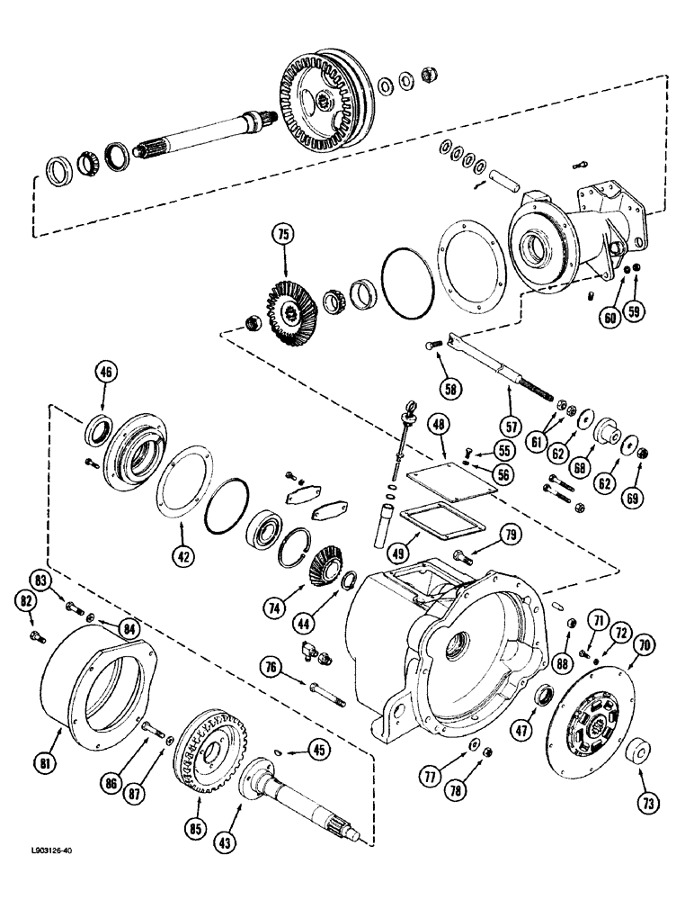
55
87
73
88
79
45
58
43
77
68
62
61
81
71
86
46
57
74
59
70
60
48
76
75
82
44
49
47
56
85
78
69
62
83
72
84
42
FIT
1:1
100%

Артикул

Название

Примечание

Количество

188196C1

SHIM KIT

KIT - shim, continued from 6-02

1шт.

42

NSS

NOT SOLD SEPARAT

SHIM - bearing hub, 0.030 inch

1шт.

42

NSS

NOT SOLD SEPARAT

SHIM - bearing hub, 0.010 inch

1шт.

42

NSS

NOT SOLD SEPARAT

SHIM - bearing hub, 0.007 inch

1шт.

42

NSS

NOT SOLD SEPARAT

SHIM - bearing hub, 0.005 inch

1шт.

43

192816C2

SHAFT

- drive (Replaces shaft 192816C1)

1шт.

44

100-12200

SNAP RING,#200, Ext

Ring, Snap, #200, Ext

1шт.

45

126-176

WOODRUFF KEY,#128, 5/16" x 2-1/8", HT

5/16" x 2 1/8", HT (Replaces key 57388D)

1шт.

46

173133C91

OIL SEAL,64.26mm ID x 92.15mm OD x 11mm Thk

- shaft, 3-5/8 inch O.D.

1шт.

47

173559C92

SEAL,45.59mm ID x 66.73mm OD x 11mm Thk

- drive shaft, 2-5/8 inch O.D. (Replaces seal 173559C91)

1шт.

48

192275C1

COVER

- housing

1шт.

49

191830C2

GASKET

- PTO cover

1шт.

55

413-612

BOLT,Hex, 3/8" - 16 x 3/4", Gr 5

4шт.

56

492-11038

LOCK WASHER,3/8"

4шт.

57

1315648C1

ROD

- snubber

1шт.

58

413-824

BOLT,Hex, 1/2" - 13 x 1-1/2", Gr 5

1шт.

59

425-108

NUT,1/2" - 13, Gr 5

NUT, , Hex 1/2"-13, G5

1шт.

60

80679

LOCK WASHER,1/20.507 CST ZND

WASHER, LOCK, 1/2"

1шт.

61

425-1510

JAM NUT,Jam, 5/8"-18, G5

- hex, jam, 5/8 inch NF

2шт.

62

107813R1

WASHER

- flat, 21/32 x 2-1/2 x 11/64 inch

2шт.

68

194915C2

ISOLATOR,13.72mm ID x 45.97mm OD x 50.04mm L

INSULATOR - engine snubber

1шт.

69

232-46110

LOCK NUT,5/8"-11, GC

NUT - hex prevailing torque, 5/8 inch - 18 NF

1шт.

70

184429C2

CLUTCH DISC,352.4mm OD

PLATE - drive (Replaces drive plate 184429C1)

1шт.

184429C2R

REMAN-CLUTCH DISC

1670 (S/N JJC0080540 & AFTER) (8/90-)

1шт.

184429C2C

CORE-CLUTCH DISC

Return Number

1шт.

71

326-612

BOLT,Hex, 3/8" - 16 x 3/4", Gr 8

8шт.

72

392-21038

LOCK WASHER,3/8"

3/8"

8шт.

73

1324896C2

BUSHING,29.99mm ID x 71.98mm OD x 27mm L

- power takeoff flywheel (Replaces bushing 1324896C1)

1шт.

192801C1

GEAR-SET

KIT - gear, separator drive, 43 and 28 teeth, matched set, Includes: Ref. 74 and 75

1шт.

74

NSS

NOT SOLD SEPARAT

GEAR - drive shaft, 28 teeth

1шт.

75

NSS

NOT SOLD SEPARAT

GEAR - separator drive shaft, 43 tooth

1шт.

76

413-1064

BOLT,Hex, 5/8" - 11 x 4", Gr 5

- hex, 5/8 NC x 4 inch

4шт.

76

413-1028

BOLT,Hex, 5/8" - 11 x 1-3/4", Gr 5

- hex, 5/8 NC x 1-3/4 inch

2шт.

77

495-81029

WASHER,0.66" ID x 2" OD x 0.12" Thk

- flat, 21/32 x 2 x 7/64 inch

6шт.

78

425-1010

NUT,5/8"-11, G5

4шт.

79

413-656

BOLT,Hex, 3/8" - 16 x 3-1/2", Gr 5

- hex, 3/8 NC x 3-1/2 inch

1шт.

79

413-648

BOLT,Hex, 3/8" - 16 x 3", Gr 5

1шт.

81

1303141C2

HOUSING

- hydrostatic pump

1шт.

82

413-820

BOLT,Hex, 1/2" - 13 x 1-1/4", Gr 5

- hex, 1/2 NC x 1-1/4 inch

3шт.

83

413-828

BOLT,Hex, 1/2" - 13 x 1-3/4", Gr 5

2шт.

84

283856C1

WASHER

- flat, 17/32 x 1 x 3/16 inch

2шт.

85

196481C1

PULLEY

- auxiliary pump drive

1шт.

86

426-840

BOLT,Hex, 1/2" - 13 x 2-1/2", Gr 8

- hex, 1/2 NC x 2-1/2 inch, grade 8

3шт.

87

495-11053

WASHER,1/2", SAE

(17/32" x 1-1/16" x 3/32") 1/2", SAE

3шт.

88

425-106

NUT,3/8"-16, Cl 5

2шт.

Выбрано товаров: 45