Запчасти Case IH 1670 (6-20) - HYDROSTATIC PUMP, (CONT) (03) - POWER TRAIN

Схема запчастей Case IH 1670 - (6-20) - HYDROSTATIC PUMP, (CONT) (03) - POWER TRAIN
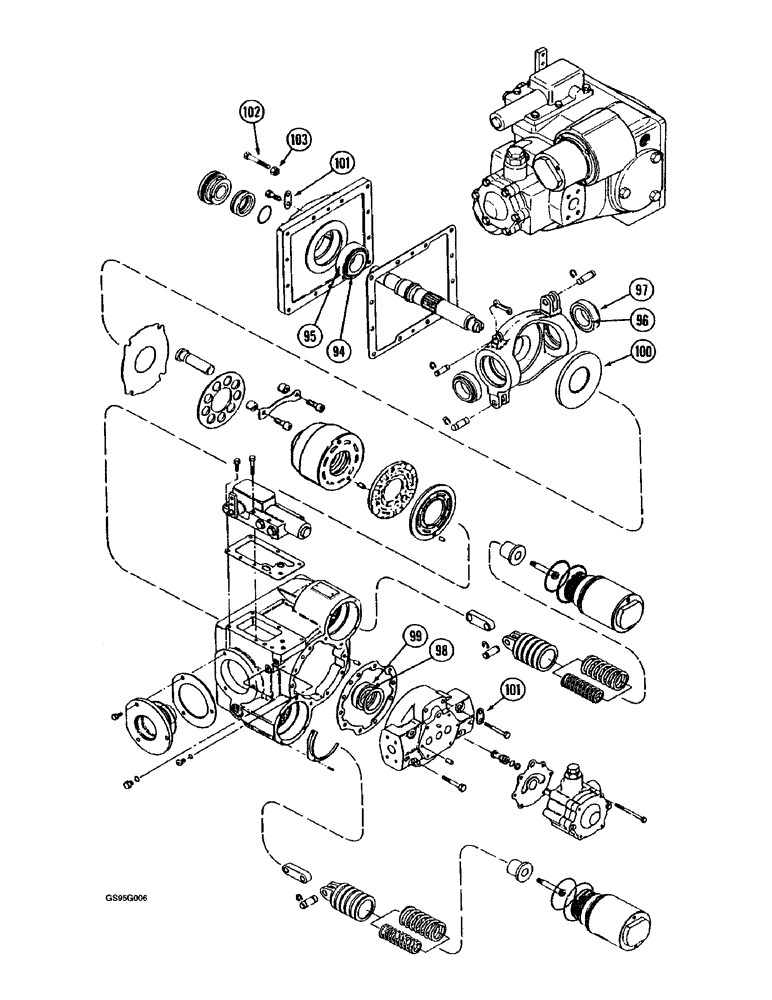
101
94
95
100
101
99
97
103
96
102
98
FIT
1:1
100%

Артикул

Название

Примечание

Количество

REF

INSTRUCTION

PUMP ASSEMBLY - hydrostatic, continued from 6-18, Includes: Ref. 94 - 99, 2 - 38 on Fig. 6-16 and 41 - 93 on Fig. 6-18

1шт.

94

56694H

BEARING ASSY,50.8mm ID x 30.3mm W

BEARING - tapered roller, input shaft

1шт.

95

ST863

BEARING CUP,93.22mm OD x 23.81mm W

CUP - tapered roller bearing, input shaft

1шт.

96

399933C91

ROLLER BEARING,45.24mm ID x 19.81mm W

BEARING - tapered roller (Replaces bearing 400987C1)

2шт.

97

399934C1

BEARING CUP,73.43mm OD x 15.75mm W

CUP - tapered roller bearing, 2-57/64 inch O.D.

2шт.

98

400983R91

ROLLER BEARING,1.18775" ID x 2.5317" OD x 0.8478"

BEARING - tapered roller, 1-3/16 inch ID

1шт.

99

530741R1

BEARING CUP

CUP - tapered roller bearing, 2-17/32 inch O.D.

1шт.

100

80369C1

PLATE

- thrust

1шт.

101

NSS

NOT SOLD SEPARAT

STRAP - shipping (Shown for reference only)

2шт.

102

413-836

BOLT,Hex, 1/2" - 13 x 2-1/4", Gr 5

- hex, 1/2 NC x 2-1/4 inch

4шт.

102

413-832

BOLT,Hex, 1/2" - 13 x 2", Gr 5

- hex flange, 1/2 inch NC

4шт.

103

1319701C1

FLANGE NUT,1/2" - 13, Gr 8

- hex flange, 1/2 inch NC

4шт.

Выбрано товаров: 12