Запчасти Case IH 1670 (6-26) - HYDROSTATIC MOTOR (03) - POWER TRAIN

Схема запчастей Case IH 1670 - (6-26) - HYDROSTATIC MOTOR (03) - POWER TRAIN
33
22
21
24
25
31
33
14
16
37
15
14
30
2
10
12
38
34
15
14
14
1
39
13
11
26
36
27
19
27
32
23
FIT
1:1
100%

Артикул

Название

Примечание

Количество

1346324C1

MOTOR

ASSEMBLY - hydrostatic, new, Includes: Ref. 1 - 39, 43 - 52 on Fig. 6-28 and 61 - 85 on fig. 6-30

1шт.

1976871C1

MOTOR, ELECTRIC

MOTOR ASSEMBLY - Hydrostatic

1шт.

1976872C1

REMAN-HYDROSTAT MOTO

Remanufactured, HYDRAULIC MOTOR, N.A. Only

1шт.

1976873C1

CORE-HYDROSTAT MOTOR

Return Number, N.A. Only

1шт.

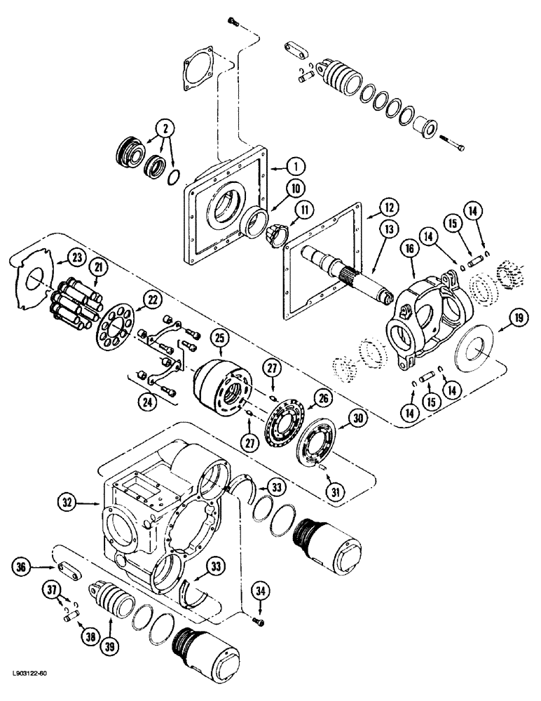
1

NSS

NOT SOLD SEPARAT

FLANGE - mounting

1шт.

2

1346205C1

SEAL KIT

SEAL - shaft, three-piece

1шт.

10

ST863

BEARING CUP,93.22mm OD x 23.81mm W

CUP - tapered roller bearing

1шт.

11

56694H

BEARING ASSY,50.8mm ID x 30.3mm W

BEARING - tapered roller, input shaft

1шт.

12

142399C1

GASKET

- mounting flange

1шт.

13

1980137C1

SHAFT

- input

1шт.

14

28145R1

SNAP RING,#56, Ext

Ring, Snap, , servo linkage pin #56, Ext

4шт.

15

140766C1

PIN,14.22mm OD x 39.12mm L

- pivot, servo linkage

2шт.

16

1980174C1

HOUSING

PLATE - swash, variable

1шт.

1980175C1

KIT

- rotating, cylinder, Includes: Ref. 21 - 27

1шт.

21

NSS

NOT SOLD SEPARAT

PISTON - cylinder block

9шт.

22

NSS

NOT SOLD SEPARAT

PLATE - retainer

1шт.

23

NSS

NOT SOLD SEPARAT

PLATE - retainer, clear

1шт.

24

NSS

NOT SOLD SEPARAT

KIT - hold down

1шт.

25

NSS

NOT SOLD SEPARAT

BARREL - cylinder

1шт.

26

NSS

NOT SOLD SEPARAT

PLATE - bearing

1шт.

27

140754C1

PIN

- dowel, 5/16 x 5/8 inch

2шт.

30

1980139C1

PLATE

- valve

1шт.

31

140754C1

PIN

- dowel, 5/16 x 5/8 inch

1шт.

32

NSS

NOT SOLD SEPARAT

HOUSING - motor

1шт.

33

142408C1

RETAINER

- servo

2шт.

34

461-3086

HEX SOC SCREW,#8 - 32 x 3/8"

BOLT - hex socket, No. 8 NC x 3/8 inch

6шт.

145309C1

PISTON

ASSEMBLY - servo, Includes: Ref. 36 - 39

1шт.

36

NSS

NOT SOLD SEPARAT

LINK - piston servo

1шт.

37

NSS

NOT SOLD SEPARAT

RING - retaining

2шт.

38

NSS

NOT SOLD SEPARAT

PIN - link

1шт.

39

NSS

NOT SOLD SEPARAT

PISTON - servo

1шт.

Выбрано товаров: 31