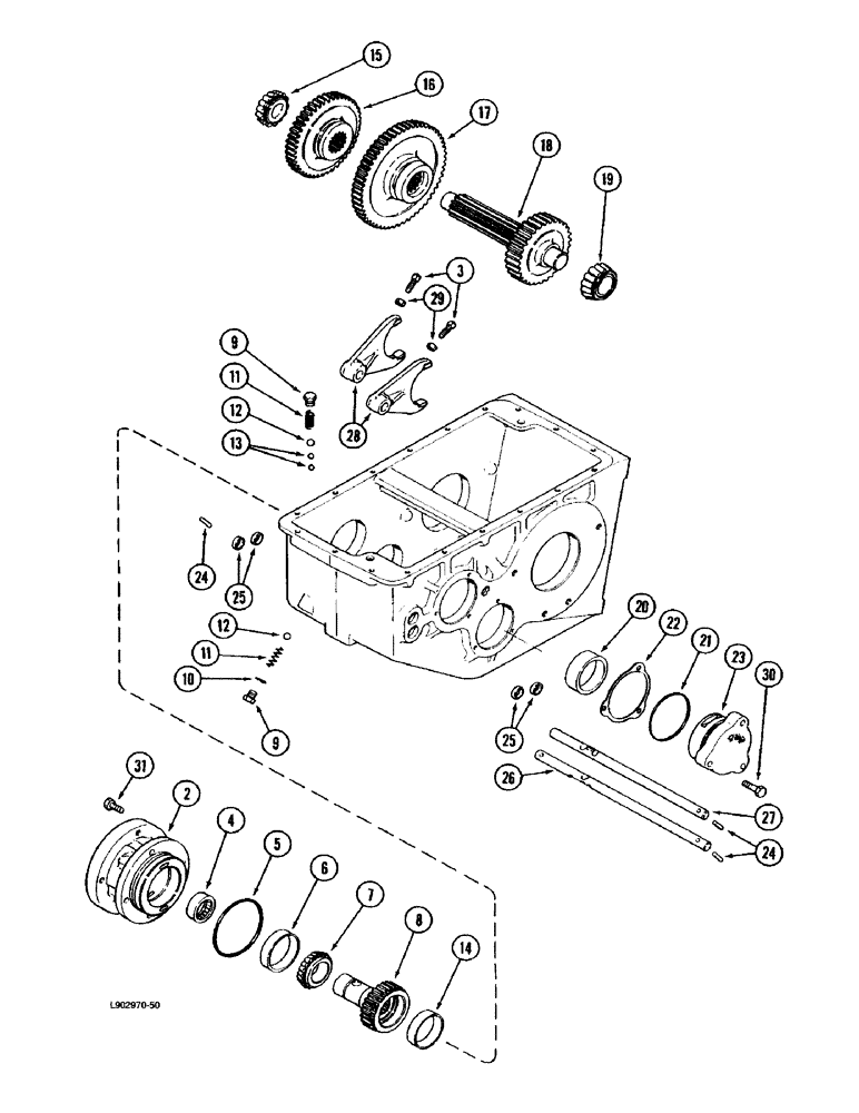
Запчасти Case IH 1670 (6-42) - TRANSMISSION INPUT SHAFT, GEARS AND SHIFTER RAILS (03) - POWER TRAIN

Схема запчастей Case IH 1670 - (6-42) - TRANSMISSION INPUT SHAFT, GEARS AND SHIFTER RAILS (03) - POWER TRAIN
20
27
2
8
26
11
7
25
17
3
24
21
23
29
16
5
9
13
10
19
22
24
18
6
4
25
12
30
31
15
12
14
28
11
9
FIT
1:1
100%

Артикул

Название

Примечание

Количество

1

401873R2

HOUSING

- transmission, see figure 6-38

1шт.

2

180944C1

HOUSING ASSY.

HOUSING - input shaft

1шт.

3

573985R1

SET SCREW,Sq Hd, 3/8"-24 x 1"

SCREW - set, 3/8 NF x 1 inch

2шт.

4

R21491

NEEDLE BEARING,1.75" ID x 2.125" OD x 0.75"

BEARING - needle, 1-3/4 inch ID

1шт.

5

238-5348

O-RING,0.21" Thk x 4.35" ID, -348, Cl 5, 75 Duro

1шт.

6

130503H

BEARING CUP

CUP - tapered roller bearing (Replaces cup ST987)

1шт.

7

300426R91

BEARING ASSY,45.618 mm ID x 25.4 mm

BEARING - tapered roller, 1-25/32 inch ID

1шт.

8

401890R1

SHAFT

- gear, input pinion, 26 teeth

1шт.

9

76349

PLUG,9/16" - 18 ORB

(Replaces plug 9410358), Incl. Ref. 10 Hex Hd, 9/16"-18 ORB

2шт.

11

64600C1

SPRING

- shifter detent

2шт.

12

211-1016

BALL,12.7mm OD, Gr 24

- shifter detent, chrome alloy steel, 1/2 inch, grade 24 (Replaces steel ball 17016R1)

2шт.

13

211-1014

BALL,7/16" Dia

- shifter detent, chrome alloy steel, 7/16 inch, grade 24 (Replaces steel ball 17014R1)

2шт.

14

50213V

BEARING CUP

CUP - tapered roller bearing, 2-3/4 inch O.D.

1шт.

15

50212VA

ROLLER BEARING,33.35mm ID x 24.01mm W

BEARING - tapered roller, 1-5/16 inch ID

1шт.

16

530700R1

GEAR

- second and third sliding, 26 and 46 teeth

1шт.

17

401889R1

GEAR

- first sliding, 58 teeth

1шт.

18

130753C3

GEAR

SHAFT - gear change

1шт.

19

290099C91

TAPERED BEARING,39.69mm ID x 22.1mm W

BEARING - tapered roller, 2-7/8 inch O.D., right-hand

1шт.

20

290100C1

BEARING CUP,73.05mm OD x 17.78mm W

CUP - tapered roller bearing, 1-9/16 inch ID, right-hand

1шт.

21

238-5240

O-RING,0.139" Thk x 3.734" ID, -240, Cl 5, 75 Duro

1шт.

22

401883R1

SHIM

- 0.003 inch thick

1шт.

22

401884R1

SHIM

- 0.005 inch thick

1шт.

22

401885R1

SHIM

- 0.007 inch thick

1шт.

22

184195C1

SHIM

- 0.030 inch thick

1шт.

23

130791C1

BEARING CAP,65.5 mm ID x 101.51 mm OD x 58.7 mm

- bearing retainer

1шт.

24

38-31624

ROLL PIN,1/4" x 1 1/2", Coiled

PIN, ROLL, 1/4" x 1 1/2", Coiled

1шт.

25

G10450

OIL SEAL,19.05mm ID x 31.85mm OD x 6.35mm Thk

- shifter rail oil

4шт.

26

121658C4

SHAFT

- second and third gear shifter

1шт.

27

121659C2

SHAFT

- first gear shifter

1шт.

28

401897R2

FORK

- gear shifter

1шт.

29

86585245

SPECIAL NUT,JAM, 5/8" - 18

- hex, jam, 3/8 inch NF

2шт.

30

413-622

BOLT,Hex, 3/8" - 16 x 1-3/8", Gr 5

- hex, 3/8 NC x 1-3/8 inch

3шт.

31

413-616

BOLT,Hex, 3/8" - 16 x 1", Gr 5

- hex, 3/8 NC x 1 inch

4шт.

10

237-6006

O-RING,0.078" Thk x 0.468" ID, -906, Cl 6, 90 Duro

6-1, 90 Duro, .468" ID x .078" Thk

1шт.

Выбрано товаров: 34