Запчасти Case IH 1670 (6-46) - FINAL DRIVE (03) - POWER TRAIN

Схема запчастей Case IH 1670 - (6-46) - FINAL DRIVE (03) - POWER TRAIN
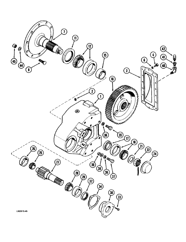
6
7
28
24
36
25
35
29
4
44
45
30
3
38
15
37
40
17
32
34
2
12
27
16
8
18
21
26
39
33
22
11
42
41
36
1
FIT
1:1
100%

Артикул

Название

Примечание

Количество

1315500C93

DRIVE ASSY.

DRIVE ASSEMBLY - final, no longer available (Use components), Includes: Ref. 1 - 34

2шт.

1

86851C2

HOUSING

- final drive

1шт.

2

217-442

PLUG,3/4" - 14

- hex socket, 3/4 inch PT

3шт.

3

86839C2

COVER

- housing

1шт.

4

326-824

BOLT,Hex, 1/2" - 13 x 1-1/2", Gr 8

12шт.

4

326-620

BOLT,Hex, 3/8" - 16 x 1-1/4", Gr 8

6шт.

6

396-21053

WASHER,17/32" x 1 1/16" x .134"

Hardened 17/32" x 1 1/16" x .134"

12шт.

6

396-21041

WASHER,10.31mm ID x 20.63mm OD x 2.26mm Thk

- flat, 13/32 x 13/16 x 3/32 inch, hardened

6шт.

7

1315484C91

SHAFT

ASSEMBLY - drive, Includes: Ref. 8

1шт.

8

565130R3

BOLT,3/4" - 16 x 2 5/8", Class 8

- wheel

10шт.

11

401905R91

OIL SEAL,98.93mm ID x 152.58mm OD x 15.88mm Thk

- oil, outer bearing

1шт.

12

283445C91

BEARING ASSY,85.03mm ID x 150.09mm OD x 44.4.5mm W

- two-piece, includes bearing and cup

1шт.

15

130809C1

SPACER

- gear

1шт.

16

130885C1

GEAR

- drive, 66 teeth

1шт.

17

130808C1

SPACER

- gear

1шт.

18

66116R91

BEARING ASSY,66.67mm ID x 112.71mm OD x 30.16mm W

- two-piece, includes bearing and cup

1шт.

21

403896R1

WASHER

WASHER - final drive

1шт.

22

147030R1

SLOTTED NUT

- hex, slotted, special

1шт.

23

432-840

COTTER PIN,1/8" x 2 1/2"

1/8" x 2 1/2"

1шт.

24

403895R1

COVER

CAP - main shaft

1шт.

25

401911R91

BEARING ASSY,44.45mm ID x 31.75mm W

BEARING - tapered roller, 1-3/4 inch ID

1шт.

26

61012R1

BEARING, CUP,93.66mm OD x 25.4mm W

CUP - tapered roller bearing, 3-11/16 inch O.D.

1шт.

27

184104C1

SHAFT

- pinion, 13 tooth

1шт.

28

196454C91

BEARING ASSY,57.15mm ID x 30.96mm W

BEARING - tapered roller, 2-1/4 inch ID

1шт.

29

360325R1

BEARING, CUP,104.775 mm OD x 23.812 mm

CUP - tapered roller bearing, 4-1/8 inch ID

1шт.

30

1979870C1

CAGE

- inner bearing (Replaces cage 94649C2)

1шт.

32

401914R91

OIL SEAL,54.28mm ID x 85.22mm OD x 11.13mm Thk

- cage (Replaces seal 196452C1)

1шт.

33

326-628

BOLT,Hex, 3/8" - 16 x 1-3/4", Gr 8

- hex, 3/8 NC x 1-3/4 inch, grade 8

3шт.

34

86895C1

SHIM,117.4mm ID x 136.2mm OD x 0.08mm Thk

- 0.003 inch thick, pinion inner bearing

1шт.

34

86896C1

SHIM,117.4mm ID x 136.2mm OD x 0.13mm Thk

- 0.005 inch thick, pinion inner bearing

1шт.

34

86897C1

SHIM,117.4mm ID x 136.2mm OD x 0.18mm Thk

- 0.007 inch thick, pinion inner bearing

1шт.

34

86898C1

SHIM,117.4mm ID x 136.2mm OD x 0.76mm Thk

- 0.030 inch thick, pinion inner bearing

1шт.

35

426-1232

BOLT,Hex, 3/4" - 10 x 2", Gr 8

10шт.

36

492-11075

LOCK WASHER,3/4"

(Replaces washer 24771R1) 3/4"

14шт.

37

426-1236

BOLT,Hex, 3/4" - 10 x 2-1/4", Gr 8

- hex, 3/4 NC x 2-1/4 inch, grade 8

4шт.

38

496-11081

WASHER,13/16" x 1 1/2" x .134", HDN

Flat 13/16" x 1 1/2" x .134", HDN

4шт.

39

163909C1

BUSHING,19.15mm ID x 28.57mm OD x 12.7mm L

- tapered

4шт.

40

141621

ELBOW,90 Degree, 3/4" NPT Street

- 90 degree, 3/4 male x 3/4 PT female

1шт.

41

221-90

REDUCER,3/4" NPT x 1/8" NPT

- pipe, 3/4 male x 1/8 inch female

1шт.

42

219-434

BREATHER,1/8" - 27 NPT, Short, W/ Washer

VALVE - vent, includes felt washer, 1/8 PT x 1 inch (Replaces fitting 61991R91)

2шт.

44

396-31081

WASHER,20.63mm ID x 38.1mm OD x 5.56mm Thk

20шт.

45

429-1112

NUT,3/4"-16, G5

- hex, 3/4 inch NF, grade 8

20шт.

Выбрано товаров: 42