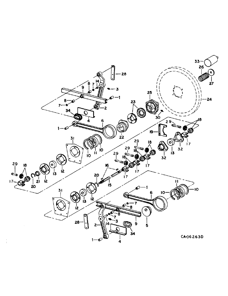
Запчасти Case IH 1482 (23-03) - AUGER BED, SHOE AND SHOE SIEVE, SHAKER SHAFT AND AUGER DRIVE Grain Pan, Shoe & Shoe Sieve

Схема запчастей Case IH 1482 - (23-03) - AUGER BED, SHOE AND SHOE SIEVE, SHAKER SHAFT AND AUGER DRIVE Grain Pan, Shoe & Shoe Sieve
8
13
4
29
12
7
20
17
1
16
6
12
21
10
34
10
29
12
1
24
11
33
18
28
1
13
2
7
23
29
2
7
32
3
19
5
17
8
14
8
17
22
29
8
10
14
18
13
20
26
3
4
10
1
7
34
25
29
12
15
17
18
18
17
9
28
31
31
6
27
30
11
32
9
18
FIT
1:1
100%

Артикул

Название

Примечание

Количество

1

186597C1

BUSHING,16mm ID x 38.23mm OD x 44.7mm L

chaffer drive hanger arm

1шт.

2

1321374C91

LEVER ASSY.

LEVER ASSY, chaffer drive hanger, Replaces 186667C91 by also ordering plug, 1302644C2, Includes: Ref. 1 & 14

1шт.

22228R1

BOLT,Hex, 5/8" - 11 x 3 1/2", Gr 8

5/8 x 3-1/2 type 8

1шт.

21217R1

BOLT,Hex, 5/8" - 11 x 4 1/2", Gr 8

5/8 x 4-1/2 type 8

1шт.

9412231

NUT

5/8 phc p/t lock type 8

1шт.

608701R1

WASHER

.656 x 1.250 x .054

1шт.

3

87569

LUBE NIPPLE,45 Degree, 1/4" NPT x 4/5" L, Drive

FITTING, 1/4 25 deg self-tap lub

2шт.

4

186684C1

SUPPORT

seal chaffer rail

2шт.

18763R1

BOLT,Hex, 5/16" - 18 x 1/2", Gr 2

5/16 x 1/2 type 1

1шт.

80681

LOCK WASHER,5/16"

WASHER, LOCK, 5/16"

1шт.

134238R1

WASHER

.344 x 1.000 x .054

1шт.

5

183053C2

ECCENTRIC

CAM, shaker shaft pitman drive LH

1шт.

6

186738C91

PITMAN

ASSY, shaker shaft, Includes: Ref. 1

2шт.

7

372756R91

OIL SEAL,20.45mm ID x 28.68mm OD x 3.17mm Thk

front hanger support bearing

4шт.

8

551139R91

BEARING, NEEDLE

BEARING, front hanger support

4шт.

9

186651C91

SUPPORT ASSY.

SUPPORT ASSY, front hanger, Includes: Ref. 7 & 8

2шт.

180173

BOLT,Hex, 1/2" - 13 x 1", Gr 5

1шт.

487374R1

BEARING LOCK NUT,Flg, USR, 1/2"-13

1/2 flange lock

1шт.

202107C1

BOLT,Hex Serr Flg, 5/16" - 18 x 3/4"

5/16 x 3/4 znp hex-hd flange lock

1шт.

938017R1

FLANGE NUT,Flg, USR, 5/16"-18

5/16 flange lock

1шт.

10

892775C1

SNAP RING,#475, 5.070", Int

RING, shaker shaft pitman bearing snap, Replaces 630508C1

4шт.

11

193132C91

BALL BEARING,82.55mm ID x 120.65mm OD x 25.4mm W

BEARING, shaker shaft pitman

2шт.

12

181383C1

FLANGED BEARING,72.01mm ID x 122.24mm OD

RETAINER, shaker shaft bearing

4шт.

477-73816

SERRATED SCREW,Sl Truss Hd, 3/8" x 1"

3/8 x 1 slt-truss-hd

1шт.

482256R1

BEARING LOCK NUT,Flg, USR, 3/8"-16

3/8 flange lock

1шт.

13

156816C91

BEARING HOUSING,28.6mm Hex x 72mm OD x 25mm W

BEARING, shaker shaft

3шт.

14

186740C1

PIN,22.25mm OD x 147.32mm L

SHAFT, hanger arm

2шт.

137258

COTTER PIN

3/16" x 1 3/4"

1шт.

21714R1

WASHER

.906 x 1.500 x .105

1шт.

21761R1

WASHER

.906 x 1.500 x .054

1шт.

15

194176C1

SHAFT

shaker

1шт.

9413971

LOCK NUT,3/4"-10, GB

NUT, 3/4 cad p/t lock type 5

1шт.

426897

JAM NUT,Jam, 3/4"-10, G5

3/4 jam type 5

1шт.

23245R1

WASHER

.781 x 1.750 x .164

1шт.

22482R1

WASHER

1.406 x 2.250 x .105

1шт.

16

124553

WOODRUFF KEY,#15, 1/4" x 1", HT

2шт.

17

225265R1

CLAMP

auger bed gear

5шт.

180183

BOLT,Hex, 1/2" - 13 x 2 1/4", Gr 5

1/2 x 2-1/4 type 5

1шт.

9413967

LOCK NUT,1/2"-13, GB

NUT, 1/2 cad p/t lock type 5

1шт.

18

185411C1

GEAR-SET

GEAR SET, auger drive bevel, 14T, Matched set, Serial Range: -10000

5шт.

18

1300639C1

GEAR-SET

GEAR SET, auger drive bevel, 14T, Matched set, Start Serial: 10001

5шт.

482256R1

BEARING LOCK NUT,Flg, USR, 3/8"-16

3/8 flange lock

1шт.

576482R1

LOCK PIN,5/16" x 2", Slotted

1шт.

477-73816

SERRATED SCREW,Sl Truss Hd, 3/8" x 1"

3/8 x 1 slt-truss-hd

1шт.

19

186589C1

SUPPORT

auger drive center bearing

1шт.

482256R1

BEARING LOCK NUT,Flg, USR, 3/8"-16

3/8 flange lock

1шт.

477-73816

SERRATED SCREW,Sl Truss Hd, 3/8" x 1"

3/8 x 1 slt-truss-hd

1шт.

20

575186R1

SNAP RING

RING, shaker shaft pitman

2шт.

21

935856R1

BUSHING

shaker shaft pitman

1шт.

22

191429C2

CAM

shaker shaft pitman drive RH

1шт.

23

B12170

RATCHET,Clutch Slip, 94.49mm

shaker shaft drive slip clutch

2шт.

24

PULLEY, shaker shaft driven, Refer to group 20 under belt drive - RH side

1шт.

25

186508C1

HUB

shaker shaft drive slip clutch, Serial Range: -5500

1шт.

25

1303136C1

HUB

slip clutch, Start Serial: 5501

1шт.

26

19302K

SPRING

shaker shaft drive slip clutch

1шт.

27

167521H1

SPRING WASHER

slip clutch retainer

1шт.

28

186752C1

BAR

pitman stabilizer

2шт.

180179

BOLT,Hex, 1/2" - 13 x 1 3/4", Gr 5

1/2 x 1-3/4 type 5

1шт.

120378

NUT,Hex, 1/2" - 13, Gr 5

NUT, 1/2"-13, G5

1шт.

120384

WASHER,1/2"

LOCK, 1/2"

1шт.

29

AUGER ASSY, Refer to this group under auger bed

5шт.

30

87414

LUBE NIPPLE,1/4" - 28

FITTING, 1/4 self-tap lub

1шт.

31

1302221C1

PLATE

shaker shaft

2шт.

477-73812

SERRATED SCREW,Truss HD, 3/8" - 16 x 3/4"

3/8 x 3/4 znp slt-truss-hd

1шт.

120377

NUT,3/8" - 16, Gr 5

1шт.

120382

LOCK WASHER,Helical Spring, 3/8"

WASHER, LOCK, 3/8"

1шт.

32

180955C1

FLANGED BEARING,0.375"

FLANGE, center bearing

2шт.

482256R1

BEARING LOCK NUT,Flg, USR, 3/8"-16

3/8 flange lock

1шт.

477-73812

SERRATED SCREW,Truss HD, 3/8" - 16 x 3/4"

3/8 x 3/4 znp slt-truss-hd

1шт.

33

182544C1

SHIELD

INSULATOR, shaker spring

1шт.

34

1302644C2

SEAL

PLUG, chaffer rail front pivot

2шт.

Выбрано товаров: 71