Запчасти Case IH 1482 (20-01) - SEPARATOR, SEPARATOR SIDES Separation

Схема запчастей Case IH 1482 - (20-01) - SEPARATOR, SEPARATOR SIDES Separation
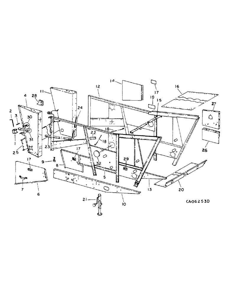
12
17
22
7
29
26
17
13
16
14
9
25
18
4
27
30
21
28
31
23
19
24
2
10
17
15
18
8
5
20
3
11
6
32
FIT
1:1
100%

Артикул

Название

Примечание

Количество

1

193834C1

BLOCK

feeder pivot

2шт.

2

192533C2

ROD

feeder pivot block

2шт.

3

486830R1

COTTER PIN

PIN, quick attachable cot.

2шт.

4

189392C4

POST ASSY, LH front, Serial Range: -10914

1шт.

4

1313960C2

POST

ASSY, LH front, Start Serial: 10915

1шт.

454998

BOLT,Hex, 1/2" - 13 x 1", Gr 8

1/2 x 1 type 8

1шт.

20534R1

BOLT,Hex, 1/2" - 13 x 1 3/4", Gr 8

1/2 x 1-3/4 type 8

1шт.

20739R1

BOLT,Hex, 5/8" - 11 x 1 1/4", Gr 8

5/8 x 1-1/4 type 8

1шт.

195312C1

FLANGE NUT,Flg, USR, 1/2"-13, G8

1/2 phc flange lock type 8

1шт.

195313C1

FLANGE NUT,Flg, USR, 5/8"-12

5/8 phc flange lock type 8

1шт.

169256C2

WASHER,16.28mm ID x 31.8mm OD x 3.05mm Thk

.641 x 1.25 x .120 gauge

1шт.

25556R1

WASHER,21/32" x 1 1/2" x .188", HDN

.656 x 1.500 x .188 hdn

1шт.

5

187357C1

SIDE ASSY.

SIDE ASSY, separator LH, Serial Range: -5500

1шт.

5

1319063C92

PANEL

SIDE ASSY, separator LH, Includes: Ref. 29, Start Serial: 5501

1шт.

20739R1

BOLT,Hex, 5/8" - 11 x 1 1/4", Gr 8

5/8 x 1-1/4 type 8

1шт.

195313C1

FLANGE NUT,Flg, USR, 5/8"-12

5/8 phc flange lock type 8

1шт.

454998

BOLT,Hex, 1/2" - 13 x 1", Gr 8

1/2 x 1 type 8

1шт.

195312C1

FLANGE NUT,Flg, USR, 1/2"-13, G8

1/2 phc flange lock type 8

1шт.

6

182524C91

DOOR

ASSY, separator LH front, Includes: Ref. 17

1шт.

7

160338C1

HANDLE, separator side and front door

3шт.

938017R1

FLANGE NUT,Flg, USR, 5/16"-18

5/16 flange lock

1шт.

477-73108

SERRATED SCREW,Sl Truss Hd, 5/16" - 18 x 1/2"

5/16 x 1/2 slt-truss-hd

1шт.

8

183020C91

DOOR

separator LH side, Includes: Ref. 17

1шт.

9

167800C1

CLIP

door retainer

14шт.

174097C1

FLANGE NUT,Flg, USR, #10-24

10-24 c-z flange lock

1шт.

159920

SCREW,Cross Pan Hd, #10 - 24 x 1/2"

1шт.

10

189345C1

SUPPORT

separator LH side main

1шт.

11

189555C2

POST

ASSY, RH front

1шт.

454998

BOLT,Hex, 1/2" - 13 x 1", Gr 8

1/2 x 1 type 8

1шт.

20739R1

BOLT,Hex, 5/8" - 11 x 1 1/4", Gr 8

5/8 x 1-1/4 type 8

1шт.

195312C1

FLANGE NUT,Flg, USR, 1/2"-13, G8

1/2 phc flange lock type 8

1шт.

195313C1

FLANGE NUT,Flg, USR, 5/8"-12

5/8 phc flange lock type 8

1шт.

169256C2

WASHER,16.28mm ID x 31.8mm OD x 3.05mm Thk

.641 x 1.25 x .120 gage znd

1шт.

25556R1

WASHER,21/32" x 1 1/2" x .188", HDN

.656 x 1.500 x .188 phc hdn

1шт.

12

181955C91

SIDE ASSY, separator RH, Includes: Ref. 19, Serial Range: -5500

1шт.

12

1305865C1

SIDE ASSY.

SIDE ASSY, separator RH, Start Serial: 5501

1шт.

20739R1

BOLT,Hex, 5/8" - 11 x 1 1/4", Gr 8

5/8 x 1-1/4 type 8

1шт.

482256R1

BEARING LOCK NUT,Flg, USR, 3/8"-16

3/8 flange lock

1шт.

195313C1

FLANGE NUT,Flg, USR, 5/8"-12

5/8 phc flange lock type 8

1шт.

454998

BOLT,Hex, 1/2" - 13 x 1", Gr 8

1/2 x 1 type 8

1шт.

195312C1

FLANGE NUT,Flg, USR, 1/2"-13, G8

1/2 phc flange lock type 8

1шт.

432366

HOLE PLUG BUTTON,1 3/8"

PLUG, 1-3/8 button

1шт.

477-73812

SERRATED SCREW,Truss HD, 3/8" - 16 x 3/4"

3/8 x 3/4 znp slt-truss-hd

1шт.

13

189346C1

SUPPORT

separator RH side main

1шт.

14

182526C91

DOOR

ASSY, separator RH front, Includes: Ref. 17

1шт.

15

195317C1

SUPPORT

SUPPPORT ASSY, deck

1шт.

482256R1

BEARING LOCK NUT,Flg, USR, 3/8"-16

3/8 flange lock

1шт.

477-73812

SERRATED SCREW,Truss HD, 3/8" - 16 x 3/4"

3/8 x 3/4 znp slt-truss-hd

1шт.

16

192605C1

SUPPORT

PLATE, deck

1шт.

17

179749C2

PRODUCT GRAPHIC

danger

3шт.

18

187345C1

ROD

auger bed tie

2шт.

9413967

LOCK NUT,1/2"-13, GB

NUT, 1/2 cad p/t lock type 5

1шт.

NLS

NO LONGER SERVICED

.531 x 1.062 x .074

1шт.

19

185442C1

DECAL

PRODUCT GRAPHIC, caution

1шт.

20

189422C1

SUPPORT

rear frame

1шт.

454998

BOLT,Hex, 1/2" - 13 x 1", Gr 8

1/2 x 1 type 8

1шт.

195312C1

FLANGE NUT,Flg, USR, 1/2"-13, G8

1/2 phc flange lock type 8

1шт.

21

179809C2

HOIST

ASSY, lifting jack

1шт.

22

182310C1

BAR

auger bed backup, Serial Range: -40000

1шт.

487374R1

BEARING LOCK NUT,Flg, USR, 1/2"-13

1/2 flange lock

1шт.

174985C1

BOLT,Hex Serr, 1/2" - 13 x 1"

SCREW, 1/2-13 x 1.0 hex flange

1шт.

23

187334C1

ANGLE

LH front post brace

1шт.

487374R1

BEARING LOCK NUT,Flg, USR, 1/2"-13

1/2 flange lock

1шт.

174985C1

BOLT,Hex Serr, 1/2" - 13 x 1"

SCREW, 1/2-13 x 1.0 hex flange

1шт.

24

187335C1

ANGLE

RH front post brace

1шт.

487374R1

BEARING LOCK NUT,Flg, USR, 1/2"-13

1/2 flange lock

1шт.

174985C1

BOLT,Hex Serr, 1/2" - 13 x 1"

SCREW, 1/2-13 x 1.0 hex flange

1шт.

25

187337C2

CHANNEL

front cross

1шт.

482256R1

BEARING LOCK NUT,Flg, USR, 3/8"-16

3/8 flange lock

1шт.

477-73816

SERRATED SCREW,Sl Truss Hd, 3/8" x 1"

3/8 x 1 slt-truss-hd

1шт.

26

181085C2

DOOR

separator, Start Serial: 5501

2шт.

938017R1

FLANGE NUT,Flg, USR, 5/16"-18

5/16 flange lock

1шт.

135270

SERRATED SCREW,5/16" - 18 x 3/4"

5/16 x 3/4 znp slt-truss-hd

1шт.

27

181061C2

SUPPORT

ASSY, beater LH, Start Serial: 5501

1шт.

180122

BOLT,Hex, 3/8" - 16 x 1", Gr 5

3/8 x 1 type 5

1шт.

120377

NUT,3/8" - 16, Gr 5

1шт.

120382

LOCK WASHER,Helical Spring, 3/8"

WASHER, LOCK, 3/8"

1шт.

120394

WASHER,3/8", SAE

WASHER, .406 x .812 x .051

1шт.

27

181062C2

SUPPORT

ASSY, beater RH, Start Serial: 5501

1шт.

180122

BOLT,Hex, 3/8" - 16 x 1", Gr 5

3/8 x 1 type 5

1шт.

180126

BOLT,Hex, 3/8" - 16 x 1 1/2", Gr 5

3/8 x 1-1/2 type 5

1шт.

120377

NUT,3/8" - 16, Gr 5

1шт.

120382

LOCK WASHER,Helical Spring, 3/8"

WASHER, LOCK, 3/8"

1шт.

120394

WASHER,3/8", SAE

WASHER, .406 x .812 x .051

1шт.

28

1307797C1

WEDGE

SUPPORT, LH feeder pivot wedge

1шт.

28414R1

BOLT,Short NK, 3/4" -10 x 2", G5

3/4 x 2 crg type 5

1шт.

280954

NUT,3/4"-10, G5

1шт.

87340

LOCK WASHER,Helical Spring, 0.759" ID, CST, ZND

WASHER, LOCK, 3/4"

1шт.

131017

WASHER

.812 x 1.469 x .108

1шт.

29

184544C1

PRODUCT GRAPHIC

caution

1шт.

30

185719C1

BRACKET

eye bolt

1шт.

31

583529R1

PIN

1шт.

32

406391C1

PLUG,1"

1 inch, Used when machine is not equipped with rotor sensor harness

1шт.

Выбрано товаров: 93