Запчасти Case IH 1482 (20-17) - SEPARATOR, STRAW CHOPPER DRIVE Separation

Схема запчастей Case IH 1482 - (20-17) - SEPARATOR, STRAW CHOPPER DRIVE Separation
24
14
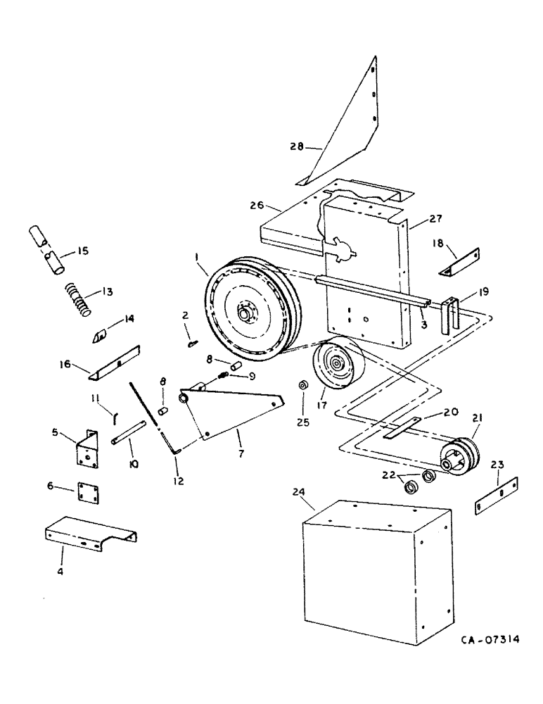
4
1
13
19
26
23
17
12
2
28
25
16
20
22
21
6
10
7
11
8
15
27
18
5
3
8
FIT
1:1
100%

Артикул

Название

Примечание

Количество

1

181854C1

PULLEY

ASSY, double drive, 17 in. OD, 431.8 mm OD

1шт.

2

Q1497

KEY,Gib, 3/8" Sq x 2"

3/8 x 2 gib

1шт.

3

181717C1

BELT,16.00 mm W x 6645.82 mm L, 2 Ribs

V-BELT , Drive, OC 16.00 mm W x 6645.82 mm L, 2 Ribs

1шт.

4

1305979C1

CHANNEL

idler support

1шт.

482256R1

BEARING LOCK NUT,Flg, USR, 3/8"-16

3/8 flange lock

1шт.

477-73816

SERRATED SCREW,Sl Truss Hd, 3/8" x 1"

3/8 x 1 slt-truss-hd

1шт.

5

181664C1

SUPPORT

idler

1шт.

482256R1

BEARING LOCK NUT,Flg, USR, 3/8"-16

3/8 flange lock

1шт.

477-73816

SERRATED SCREW,Sl Truss Hd, 3/8" x 1"

3/8 x 1 slt-truss-hd

1шт.

6

1305978C1

PLATE

BAR, idler support

1шт.

482256R1

BEARING LOCK NUT,Flg, USR, 3/8"-16

3/8 flange support

1шт.

477-73816

SERRATED SCREW,Sl Truss Hd, 3/8" x 1"

3/8 x 1 slt-truss-hd

1шт.

7

181619C91

PIVOT

SUPPORT ASSY, idler, Includes: Ref. 8

1шт.

8

556448R1

BUSHING,19.07mm ID x 22.23mm OD x 25.4mm L

pivot tube

2шт.

9

87414

LUBE NIPPLE,1/4" - 28

FITTING, 1/4-28 self tap str

1шт.

10

181667C1

STUD

PIN, idler pivot

1шт.

217973

COTTER PIN,1/4" x 1 1/4"

Pin, Split (Cotter), 1/4" x 1-1/4"

1шт.

21753R1

WASHER

.781 x 1.500 x .054 znd

1шт.

11

55074C1

PIN

STOP

1шт.

12

191531C2

ROD

1шт.

120378

NUT,Hex, 1/2" - 13, Gr 5

NUT, 1/2"-13, G5

1шт.

18481R1

COTTER PIN,3/16" x 1"

PIN, SPLIT (COTTER), 3/16" x 1"

1шт.

460908R1

WASHER

.531 x 1.500 x .105

1шт.

22042R1

WASHER

.531 x 2.000 x .105

1шт.

13

186745C1

SPRING

1шт.

14

194652C1

PIVOT

1шт.

15

1305898C2

SPACER

1.28 x 1.50 x 10.00

1шт.

16

181665C1

ANGLE

idler spring

1шт.

482256R1

BEARING LOCK NUT,Flg, USR, 3/8"-16

3/8 flange lock

1шт.

477-73816

SERRATED SCREW,Sl Truss Hd, 3/8" x 1"

3/8 x 1 slt-truss-hd

1шт.

17

187388C91

PULLEY

ASSY, idler, 8 in. OD, 203.2 mm OD

1шт.

413-1052

BOLT,Hex, 5/8" - 11 x 3-1/4", Gr 5

5/8 x 3-1/4 type 5

1шт.

124589

BALL STUD,Hex, 5/8" - 11 x 2", Gr 5

5/8 type 5

1шт.

492-11062

BEARING WASHER,5/8"

WASHER, LOCK, 5/8"

1шт.

NLS

NO LONGER SERVICED

.656 x 1.312 x .074

1шт.

18

1305973C1

ANGLE

belt guide support

1шт.

19

1305984C1

GUIDE

CHANNEL, belt guide

1шт.

482256R1

BEARING LOCK NUT,Flg, USR, 3/8"-16

3/8 flange lock

1шт.

477-73812

SERRATED SCREW,Truss HD, 3/8" - 16 x 3/4"

3/8 x 3/4 znp slt-truss-hd

1шт.

20

1305986C1

STRAP

BAR, guard

1шт.

21

181663C1

PULLEY

driven, 5.62 in. OD 142.7 mm OD

1шт.

21779R1

WASHER

1.344 x 2.000 x .105

1шт.

25558R1

WASHER,1 3/8" x 2 1/2" x 1/4", HDN

1.375 x 2.500 x .250 phc hdn

1шт.

22

298274R1

BUSHING

spacer

2шт.

23071R1

WASHER

.906 x 2.000 x .164

1шт.

427646

SLOTTED NUT,7/8"-14, G5

NUT, 7/8-NF slt type 5

1шт.

137204

COTTER PIN,1/8" x 1 1/2"

PIN, SPLIT (COTTER), 1/8" x 1 1/2"

1шт.

23

1305980C1

STRAP

BAR, drive shield

5шт.

24

1305981C1

SHIELD

ASSY, drive

1шт.

482256R1

BEARING LOCK NUT,Flg, USR, 3/8"-16

3/8 flange lock

1шт.

477-73816

SERRATED SCREW,Sl Truss Hd, 3/8" x 1"

3/8 x 1 slt-truss-hd

1шт.

25

165011C1

SPACER

pulley

1шт.

26

181660C1

SUPPORT

jackshaft, For use w/ straw chopper

1шт.

180179

BOLT,Hex, 1/2" - 13 x 1 3/4", Gr 5

1/2 x 1-3/4 type 5

1шт.

487374R1

BEARING LOCK NUT,Flg, USR, 1/2"-13

1/2 flange lock

1шт.

27

1305977C1

SUPPORT

inner, For use w/ straw chopper

1шт.

455000

BOLT,Hex, 1/2" - 13 x 1 1/4", Gr 8

1/2 x 1-1/4 type 8

1шт.

195312C1

FLANGE NUT,Flg, USR, 1/2"-13, G8

1/2 phc flange lock type 8

1шт.

28

181666C1

BRACE

SUPPORT, unloader shaft, For use w/ straw chopper

1шт.

482256R1

BEARING LOCK NUT,Flg, USR, 3/8"-16

3/8 flange lock

1шт.

477-73816

SERRATED SCREW,Sl Truss Hd, 3/8" x 1"

3/8 x 1 slt-truss-hd

1шт.

Выбрано товаров: 61