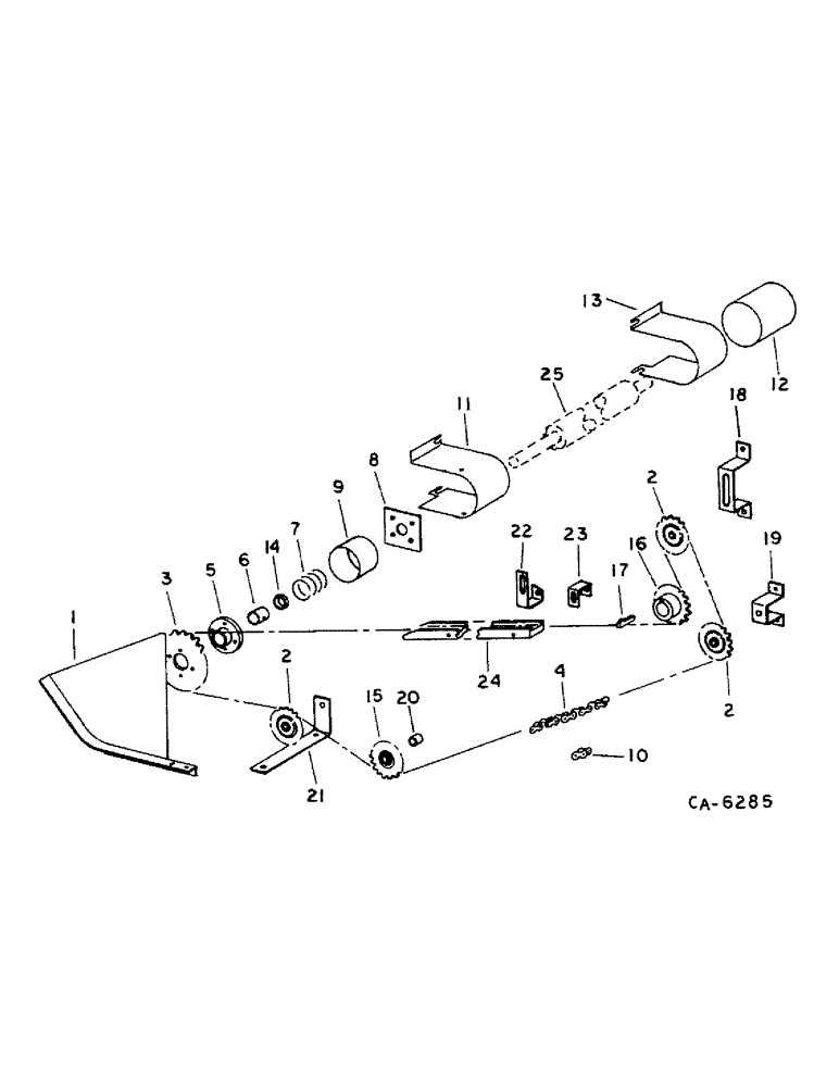
Запчасти Case IH 1482 (33-33) - FEEDER, WINDROW PICKUP LEFT HAND DRIVE (13) - FEEDER

Схема запчастей Case IH 1482 - (33-33) - FEEDER, WINDROW PICKUP LEFT HAND DRIVE (13) - FEEDER
20
9
6
18
1
2
2
13
14
15
4
19
24
21
22
17
16
2
10
5
12
8
7
23
3
11
25
FIT
1:1
100%

Артикул

Название

Примечание

Количество

1

177723C2

GUARD

SHIELD ASSY, lower

1шт.

482256R1

BEARING LOCK NUT,Flg, USR, 3/8"-16

3/8 flange lock

1шт.

477-73816

SERRATED SCREW,Sl Truss Hd, 3/8" x 1"

3/8 x 1 slt-truss-hd

1шт.

2

565442R91

SPROCKET

idler bearing, 17T

3шт.

180181

BOLT,Hex, 1/2" - 13 x 2", Gr 5

1/2 x 2 type 5

1шт.

18476R1

BOLT,Hex, 1/2"-13 x 2 1/2", G2

1/2 x 2-1/2 type 1

1шт.

120378

NUT,Hex, 1/2" - 13, Gr 5

NUT, 1/2"-13, G5

1шт.

120384

WASHER,1/2"

LOCK, 1/2"

1шт.

NLS

NO LONGER SERVICED

.531 x 1.062 x .074

1шт.

3

162252C1

SPROCKET ASSY.

SPROCKET, driven, 30T

1шт.

4

CHAIN ASSY, drive, Use 191 links from 10 ft roll marked 1791D, 2 connecting links 1310D, 2 offset links 1315D and 1 roller links 1309D

1шт.

1309D

LINK

#50 single pitch roller

1шт.

1310D

LINK

#50 single pitch connecting

2шт.

1315D

LINK

#50 single pitch offset

2шт.

5

181608C91

RATCHET

W/ BUSHING, clutch, Includes: Ref. 6

1шт.

616387R1

PIN,3/8" x 2", Coiled

1шт.

6

157560C1

BUSHING

ratchet

1шт.

7

473238R1

SPRING

compression

1шт.

21214R1

WASHER

1.156 x 2.000 x .105

1шт.

8

181610C2

DISC

DISK, clutch

1шт.

18477R1

CARRIAGE BOLT,Sq Nk, 5/16" - 18 x 3 1/2", Gr 2

BOLT, 5/16 x 3-1/2 crg type 1

1шт.

120376

NUT,5/16"-18, G5

1шт.

80681

LOCK WASHER,5/16"

WASHER, LOCK, 5/16"

1шт.

23225R1

HEADED PIN,3/8" x 2"

PIN, HEADED, 3/8" x 2"

1шт.

648002

KNIFE

1/8" x 3/4"

1шт.

21716R1

WASHER

1.156 x 1.750 x .054

1шт.

9

181611C1

SPACER

clutch bolt

1шт.

10

1309D

LINK

roller

1шт.

10

1310D

LINK

connecting

1шт.

10

1315D

LINK

offset

1шт.

11

187082C2

GUARD

SHIELD, LH drive inner

1шт.

938016R1

FLANGE NUT,Flg, USR, 1/4"-20

1/4 flange lock

1шт.

937059R1

SCREW,Serr, M10 x 70mm, Cl 10.9

1/4-20 x 1/2 slt-truss-hd

1шт.

12

176960C1

GUARD

SHIELD, RH drive outer

1шт.

935735R1

WING NUT

1/4 wing

1шт.

937059R1

SCREW,Serr, M10 x 70mm, Cl 10.9

1/4-20 x 1/2 slt-truss-hd

1шт.

13

176959C2

GUARD

SHIELD, RH drive inner

1шт.

938016R1

FLANGE NUT,Flg, USR, 1/4"-20

1/4 flange lock

1шт.

937059R1

SCREW,Serr, M10 x 70mm, Cl 10.9

1/4-20 x 1/2 slt-truss-hd

1шт.

14

181612C1

SPACER

1.15 x 1.31 x .20

1шт.

15

594706R91

SPROCKET ASSY.,15T

SPROCKET, idler, 15T

1шт.

426-1040

BOLT,Hex, 5/8" - 11 x 2-1/2", Gr 8

5/8 x 2-1/2 type 5

1шт.

174763C1

FLANGE NUT,Flg, USR, 5/8"-12

5/8 flange lock

1шт.

131016

WASHER

.656 x 1.312 x .074

1шт.

16

189166C1

SPROCKET ASSY.

SPROCKET ASSY, drive, 18T

1шт.

17

Q1497

KEY,Gib, 3/8" Sq x 2"

3/8 x 2 gib-hd

1шт.

18

189167C1

SUPPORT

idler

1шт.

487374R1

BEARING LOCK NUT,Flg, USR, 1/2"-13

1/2 flange lock

1шт.

174985C1

BOLT,Hex Serr, 1/2" - 13 x 1"

SCREW, 1/2-13 x 1.0 hex flange

1шт.

19

185760C1

SUPPORT

idler

1шт.

482256R1

BEARING LOCK NUT,Flg, USR, 3/8"-16

3/8 flange lock

1шт.

477-73816

SERRATED SCREW,Sl Truss Hd, 3/8" x 1"

3/8 x 1 slt-truss-hd

1шт.

20

576015R1

SPACER,7/8" Tube x 11/16"

.657 x .875 x .688

1шт.

21

185566C1

SUPPORT

front idler

1шт.

180173

BOLT,Hex, 1/2" - 13 x 1", Gr 5

1шт.

487374R1

BEARING LOCK NUT,Flg, USR, 1/2"-13

1/2 flange lock

1шт.

22

185764C1

SUPPORT

front guide

1шт.

23

185763C1

SUPPORT

rear guide

1шт.

24

185761C1

BOARD

drive chain guide

1шт.

180087

SPRING

5/16 x 2 type 5

1шт.

938017R1

FLANGE NUT,Flg, USR, 5/16"-18

5/16 flange lock

1шт.

120394

WASHER,3/8", SAE

WASHER, .406 x .812 x .051

1шт.

25

ROLLER ASSY, upper belt, Refer to this group under windrow pickup basic

1шт.

Выбрано товаров: 63