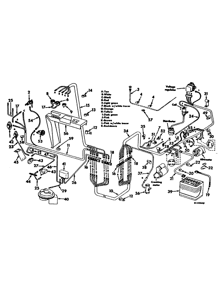
Запчасти Case IH 403 (247) - ELECTRICAL SYSTEM, WIRING DIAGRAM, COMBINE S/N 941 AND ABOVE, C-282 ENGINE (55) - ELECTRICAL SYSTEMS

Схема запчастей Case IH 403 - (247) - ELECTRICAL SYSTEM, WIRING DIAGRAM, COMBINE S/N 941 AND ABOVE, C-282 ENGINE (55) - ELECTRICAL SYSTEMS
59
42
52
20
34
18
7
33
14
32
48
36
4
18
46
21
26
23
31
28
4
54
12
9
12
25
43
30
53
38
19
13
24
37
44
10
39
45
11
50
49
16
55
3
27
2
15
35
41
40
58
5
17
29
8
25
12
47
17
22
56
43
51
6
16
57
FIT
1:1
100%

Артикул

Название

Примечание

Количество

1

366317R92

IGNITION SWITCH

SWITCH ASSY, push button starting

1шт.

120611

NUT,#10 - 32

no. 10-32 sq mach screw

2шт.

100751

SCREW,Slotted Rd Hd, #8-32 x 1/2"

8-32 x 1/2 slt-rd-hd mach

2шт.

132903

ADAPTER

SCREW, 10-32 x 7/16 C-Z slt-rd-hd mach

2шт.

120217

LOCK WASHER,#10

WASHER, LOCK, #10

2шт.

615226R1

WASHER

1-1/32 x 1-1/2 x 22 ga

2шт.

2

365522R92

SWITCH

ASSY, ignition, key type

1шт.

365502R1

NUT

switch mounting

1шт.

112871

SCREW, 6-32 x 5/16 slt-rd-hd mach

2шт.

NLS

NO LONGER SERVICED

LOCK, Int Tooth, 13/16"

1шт.

118872

DECAL

WASHER, no. 6 light lock

2шт.

3

174488C1

CABLE

ASSY, choke

1шт.

4

362127R1

CLIP

choke cable

2шт.

5

665016R91

TEMPERATURE SENDER

UNIT ASSY, water temperature sending

1шт.

221-89

REDUCER,Hex, 1/2" x 3/8" NPT

BUSHING, 1/2 x 3/8 reducer

1шт.

6

939262R91

GAUGE ASSY.

GAUGE ASSY, water temperature

1шт.

7

665014R91

SENDER UNIT

UNIT ASSY, oil pressure sending

1шт.

8

939263R91

GAUGE ASSY.

GAUGE ASSY, oil pressure

1шт.

9

154818C91

GAUGE ASSY.

GAUGE ASSY, charge indicator, Optional with 264431R91

1шт.

9

264431R91

AMMETER

GAUGE ASSY, charge indicator, Optional with 154818C91

1шт.

10

154829C91

HARNESS ASSY, cable, Serial no. 1322 and below

1шт.

10

161289C91

HARNESS ASSY, cable, Serial no. 1323 and above

1шт.

11

154828C91

HARNESS ASSY, starter and starter switch cable, Serial no. 1322 and below

1шт.

11

161291C91

HARNESS ASSY, starter and starter switch cable, Serial no. 1323 and above

1шт.

12

362120R1

CLAMP,9.53mm ID, 10.32mm Bolt Hole, P Type

CLIP, cable harness

10шт.

12

370383R1

CLIP

cable harness

1шт.

12

362123R1

CLIP

cable harness

1шт.

13

140582

CLAMP

CLIP, cable harness

1шт.

14

140571

CLIP

cable harness

1шт.

15

154855C91

HARNESS ASSY, instrument gauge cable

1шт.

16

565481R91

BAR

BLOCK ASSY, four terminal junction

2шт.

100779

BOLT,Rd Hd, #12 - 24 x 3/4"

SCREW, 12-24 x 3/4 slt-rd-hd mach

4шт.

103102

NUT, 12-24 sq mach screw

4шт.

106498

LOCK WASHER,#12

Washer, Lock, #12

4шт.

17

565553R91

CABLE ASSY, switch and cable

2шт.

18

155219C91

BLOCK ASSY, three terminal junction

2шт.

100779

BOLT,Rd Hd, #12 - 24 x 3/4"

SCREW, 12-24 x 3/4 slt-rd-hd mach

4шт.

NLS

NO LONGER SERVICED

NUT, 12-24 sq mach screw

4шт.

106498

LOCK WASHER,#12

Washer, Lock, #12

4шт.

19

629029R92

NEG BATTERY CABLE

CABLE ASSY, Serial Range: battery-ground

1шт.

179856

BOLT,Hex, 7/16" - 14 x 3/4", Gr 5

SCREW, 7/16-14 x 3/4 hex-hd cap

1шт.

103322

LOCK WASHER,7/16"

WASHER, LOCK, 7/16"

1шт.

61252H

WASHER

15/32 x 3/4 x 11 ga

1шт.

20

140571

CLIP

closed

1шт.

17411R1

BOLT,Hex, 5/16"-18 X 3/4", G2

5/16-18 x 3/4 hex-hd

1шт.

9635082

NUT,5/16" - 18, Gr 5

5/16-18 hex.

1шт.

103320

LOCK WASHER,5/16"

WASHER, LOCK, 5/16"

1шт.

21

632106R91

CABLE

ASSY, battery to cranking motor

1шт.

22

362120R1

CLAMP,9.53mm ID, 10.32mm Bolt Hole, P Type

CLIP, battery cable

1шт.

17404R1

BOLT,Hex, 5/16" - 18 x 1/2", Gr 2

5/16 x 1/2 hex-hd mach

1шт.

9635082

NUT,5/16" - 18, Gr 5

5/16 hex.

1шт.

103320

LOCK WASHER,5/16"

WASHER, LOCK, 5/16"

1шт.

23

936696R91

CABLE ASSY, micro switch to horn button switch, For propulsion drive

1шт.

23

618228R91

CABLE ASSY, micro switch to horn button switch, For hydrostatic drive

1шт.

24

CABLE ASSY, coil to distributor primary, Refer to Eng-2 parts catalog

1шт.

25

654353R91

CABLE ASSY, micro switch or horn button, Serial Range: switch-ground

2шт.

26

936139R91

CABLE ASSY, Serial Range: ignition-relay

1шт.

27

939718R91

CABLE ASSY, micro switch to micro switch, For propulsion drive

1шт.

27

631761R91

CABLE ASSY, micro switch to micro switch, For hydrostatic drive

1шт.

28

358986R1

CABLE CLIP

CLIP, main cable harness, on crankcase RH, upper tapped hole

1шт.

29

936140R91

CABLE ASSY, Serial Range: relay-horn

1шт.

30

362120R1

CLAMP,9.53mm ID, 10.32mm Bolt Hole, P Type

CLIP, cable harness, on governor housing upper RH, tapped hole

1шт.

31

370383R1

CLIP

cable harness, on LH, water outlet housing screw

1шт.

32

385006R91

CABLE ASSY, Serial Range: alternator-ground

1шт.

33

384559R1

CLIP

cable harness, On crankcase pan 6th from rear RH, side mounting bolt

1шт.

34

401137R1

HARNESS

ASSY, main cable, will work for 393836R91

1шт.

35

370535R1

CLIP

main cable harness, on valve push rod cover rear lower mounting bolt

1шт.

179879

BOLT,Hex, 1/2" - 13 x 3/4", Gr 5

1шт.

103323

LOCK WASHER,1/2"

WASHER, LOCK, 1/2"

1шт.

36

PUMP ASSY, fuel, Bendix, See list of parts under details of fuel pump

1шт.

37

632095R91

CABLE ASSY, fuel pump

1шт.

38

362127R1

CLIP

fuel pump cable

1шт.

39

395587R91

BATTERY, Prestolite 24H-A8Z 12 volt

1шт.

40

166166R91

HORN

ASSY, parking brake warning

1шт.

41

241120R91

RELAY

ASSY, parking brake warning horn

1шт.

42

366317R92

IGNITION SWITCH

SWITCH ASSY, push button horn

1шт.

43

936694R91

SWITCH

ASSY, warning horn

2шт.

13719

SCREW, 6-32 x 1 C-Z slt-rd-hd mach

4шт.

134530

NUT,Hex, #6 - 32

Machine screw #6-32

4шт.

131044

LOCK WASHER

Lock, #6

4шт.

44

495525R1

SPRING

micro switch actuating

1шт.

45

939631R1

BRACKET, parking brake warning horn switch, For propulsion drive

1шт.

45

168002C1

BRACKET, parking brake warning horn switch, For hydrostatic drive

1шт.

14986R1

BOLT, 5/16-18 x 1/2 short sq-nk crg

2шт.

9635082

NUT,5/16" - 18, Gr 5

5/16-18 hex.

2шт.

103320

LOCK WASHER,5/16"

WASHER, LOCK, 5/16"

2шт.

46

939717R91

CABLE ASSY, Serial Range: relay-switch

1шт.

47

362127R1

CLIP

relay to switch cable

1шт.

48

399470R1

BOOT

INSULATOR, terminal boot cover

1шт.

49

384559R1

CLIP

cable harness, on pump lower RH, mounting bolt

1шт.

50

384559R1

CLIP

cable harness, on crankcase oil pan 3rd from rear RH, side mounting bolt

1шт.

51

365584R1

CLIP

cable harness, on valve cover rear mounting bolt

1шт.

52

365584R1

CLIP

cable harness, on valve cover center mounting bolt

1шт.

53

389871R91

GAUGE

ASSY, air cleaner restriction

1шт.

54

161293C91

CABLE ASSY, air cleaner restriction gauge

1шт.

55

389682R91

SWITCH

electric air cleaner

1шт.

56

SHROUD, See unit listed under operators lever shroud

1шт.

57

140577

CLAMP, choke cable

1шт.

58

164788C1

CLIP, switch cable harness

1шт.

59

164789C1

CLIP, switch cable harness

1шт.

936719R91

PACKAGE ASSY, parking brake warning horn, Consists of

1шт.

936694R91

SWITCH

ASSY, warning horn

2шт.

132719

SCREW, 6-32 x 1 C-Z slt-rd-hd mach

4шт.

134530

NUT,Hex, #6 - 32

Machine screw #6-32

4шт.

492-11006

LOCK WASHER,#6

Lock, #6

4шт.

495525R1

SPRING

warning horn switch

1шт.

936695R1

BRACKET, warning horn switch mounting

1шт.

14986R1

BOLT, 5/16-18 short sq-nk crg

2шт.

9635082

NUT,5/16" - 18, Gr 5

5/16-18 hex.

2шт.

103320

LOCK WASHER,5/16"

WASHER, LOCK, 5/16"

2шт.

939717R91

CABLE ASSY, Serial Range: relay-switch

1шт.

362127R1

CLIP

relay to switch cable

1шт.

939718R91

CABLE ASSY, micro switch to switch

1шт.

654353R91

CABLE ASSY, micro switch to ground

1шт.

936696R91

CABLE ASSY, micro switch to horn button

1шт.

Выбрано товаров: 0