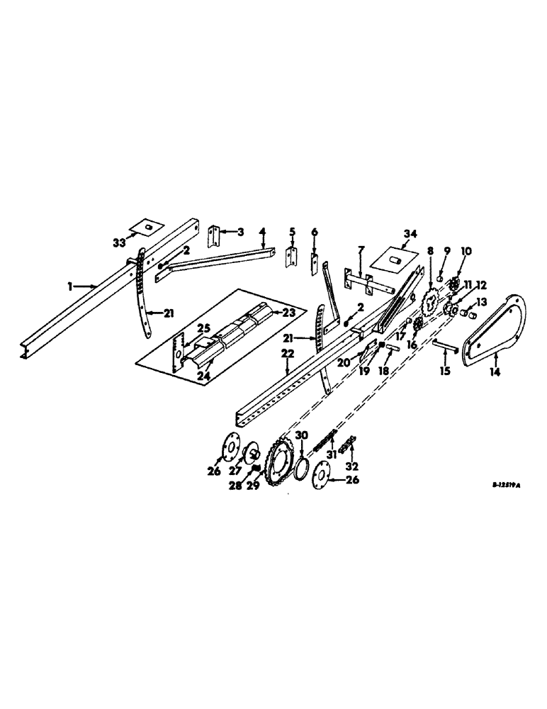
Запчасти Case IH 403 (026) - REEL SUPPORT ARMS AND MECHANICAL DRIVE, REEL DRIVE SHIELD ATTACHMENT (58) - ATTACHMENTS/HEADERS

Схема запчастей Case IH 403 - (026) - REEL SUPPORT ARMS AND MECHANICAL DRIVE, REEL DRIVE SHIELD ATTACHMENT (58) - ATTACHMENTS/HEADERS
7
16
6
20
2
21
31
11
21
9
34
13
2
5
26
3
27
4
24
17
30
1
8
14
33
15
23
18
32
28
26
22
25
12
19
29
10
FIT
1:1
100%

Артикул

Название

Примечание

Количество

1

936013R91

CHANNEL W/BRACKET AND PAD, reel RH

1шт.

2

M76945

SPACER, reel arm bracket

4шт.

3

564865R1

BRACKET, reel arm anchor, RH

1шт.

3/8 X 1 CRG BOLT W/NUT

1шт.

3/8 X 1-1/4 CRG BOLT W/NUT

1шт.

1/2 X 1 DLD MACH BOLT

1шт.

425-128

SLOTTED NUT,1/2"-13, G5

1/2 SLT NUT

1шт.

1/8 X 1 COTTER PIN

1шт.

3/8 LOCK WASHER

2шт.

4

936009R91

BRACE W/REINFORCEMENT, reel arm

2шт.

1/2 X 1 DLD MACH BOLT

2шт.

1/2 X 1-1/2 MACH BOLT W/NUT

2шт.

1/2 X 2-1/4 MACH BOLT W/NUT

1шт.

425-128

SLOTTED NUT,1/2"-13, G5

1/2 SLT NUT

2шт.

1/8 X 1 COTTER PIN

2шт.

1/2 LOCK WASHER

3шт.

17/32 X 1 X 16 GA WASHER

1шт.

5

564937R1

PIVOT, reel arm bearing, RH

1шт.

5/16 X 3/4 CRG BOLT W/NUT

2шт.

5/16 LOCK WASHER

2шт.

6

564936R1

PIVOT, reel arm bearing, LH

1шт.

5/16 X 1 CRG BOLT

2шт.

5/16 HEX. NUT

2шт.

5/16 LOCK WASHER

2шт.

7

564848R91

SHAFT W/BRACKET, reel arm pivot

1шт.

3/8 X 3/4 CRG BOLT W/NUT

2шт.

3/16 X 1-1/4 COTTER PIN

1шт.

3/8 LOCK WASHER

2шт.

1-1/32 X 1-3/4 X 16 GA WASHER

8шт.

8

569018R2

SPROCKET ASSY.

SPROCKET, idler driven, 16-T, slow speed

1шт.

8

569019R2

DRIVE SPROCKET

SPROCKET, idler driven, 14-T, intermediate speed

1шт.

8

569020R2

SPROCKET ASSY.

SPROCKET, idler driven, 12-T, fast speed, for use with grain

1шт.

8

588771R2

SPROCKET ASSY.

SPROCKET, idler driven, 19-T, special

1шт.

9

567991R1

SPACER

reel idler sprocket

1шт.

10

564989R91

DRIVE SPROCKET

SPROCKET ASSY, reel drive chain idler, 9-T

1шт.

11

219-8

LUBE NIPPLE,1/4" - 28 NPTF

FITTING, 1/4 straight lubrication

1шт.

12

571440R11

SPROCKET ASSY.

SPROCKET W/BUSHING ASSY, reel drive idler, 8-T, includes ref no. 13

1шт.

3/8 X 1-1/4 CRG BOLT W/NUT

3шт.

3/8 LOCK WASHER

3шт.

13

559154R1

BUSHING,25.45mm ID x 28.6mm OD x 25.4mm L

reel drive idler sporcket

2шт.

14

564931R1

SHIELD, reel drive, serial no. 1322 and below

1шт.

5/16 X 1/2 MACH BOLT W/NUT

1шт.

5/16 X 3/4 MACH BOLT W/NUT

1шт.

5/16 LOCKWASHER

2шт.

11/32 X 3/4 X 16 GA WASHER

1шт.

15

564946R1

BRACKET, drive shield, serial no. 1322 and below

1шт.

16

564989R91

DRIVE SPROCKET

SPROCKET ASSY, reel drive tightener, 9-T

1шт.

17

569665R1

SPACER

reel tightener sprocket

1шт.

18

654441R1

PIN, reel adjusting latch

2шт.

1/8 X 1 COTTER PIN

2шт.

17/32 X 1 X 16 GA WASHER

2шт.

17/32 X 1 X 11 GA WASHER

2шт.

19

T7761/2

SPRING, reel arm adjusting latch

2шт.

20

564861R1

LEVER, reel adjusting latch

2шт.

118004H

5/16 - 24NF X 1-3/4 CAP SCREW

2шт.

5/16 - 24NF NUT

4шт.

21

564933R1

SECTOR, reel adjusting

2шт.

5/16 X 3/4 CRG BOLT W/NUT

6шт.

5/16 LOCK WASHER

6шт.

22

936007R92

CHANNEL W/BRACKET AND PAD, reel, LH, Not for use with hydraulic reel drive

1шт.

22

935657R91

CHANNEL W/BRACKET AND PAD, reel, LH, For use with hydraulic reel drive

1шт.

23

569599R91

SHIELD W/GUIDE AND SUPPORT, reel drive rear, reel drive shield att

1шт.

24

569596R91

SHIELD W/GUIDE AND SUPPORT, reel drive front, reel drive shield att

1шт.

3/8 X 1 CRG BOLT W/NUT

2шт.

3/8 LOCK WASHER

2шт.

13/32 X 1 X 16 GA WASHER

2шт.

25

632622R1

PLATE, reel drive shield front support, reel drive shield att

1шт.

3/8 X 3/4 MACH BOLT W/NUT

2шт.

3/8 LOCK WASHER

2шт.

26

569436R1

PLATE

friction clutch clamp

2шт.

5/16 X 2 MACH BOLT W/NUT

3шт.

5/16 LOCK WASHER

3шт.

11/32 X 1 X 16 GA WASHER

3шт.

27

633173R1

HUB

friction clutch

1шт.

7/16 X 2-3/4 CD-PLTD MACH BOLT W/NUT

2шт.

7/16 CD-PLTD LOCK WASHER

2шт.

28

568243R1

SPRING

friction clutch

3шт.

29

570032R1

SPROCKET ASSY.

SPROCKET, reel shaft, 29-T, also see hydraulic reel drive chain reduction unit for add. reel driven sprockets

1шт.

30

570029R1

BAND

friction clutch

1шт.

31

CHAIN, reel drive roller, Use 109 links of 1-1/4 extended pitch stock roller chain, agricultural, from a 10-ft. roll marked 569089R91, 1 connecting link 456980R91 and 2 offset connecting links 456929R91

1шт.

31

456979R91

CHAIN LINK

LINK, reel drive chain roller, 1-1/4 extended pitch agricultural, special

1шт.

31

456980R91

CHAIN LINK

LINK, reel drive chain connecting, 1-1/4 extended pitch agricultural, special

1шт.

32

CHAIN, reel drive extension roller, For use with pickup reels, Use 19 links from a 10-ft roll marked 569089R91, 1 connecting link 456980R91 and 2 offset connecting links 456929R91

1шт.

33

568217R1

BUSHING,3/4" Tube x 1 1/4"

reel RH arm pivot

1шт.

34

516316R1

SPACER

reel LH arm channel, For use with machines equipped with hydraulic reel drive chain reduction

1шт.

Выбрано товаров: 85