Запчасти Case IH 403 (114) - SEPARATOR AND PROPULSION JACKSHAFT DRIVE (72) - SEPARATION

Схема запчастей Case IH 403 - (114) - SEPARATOR AND PROPULSION JACKSHAFT DRIVE (72) - SEPARATION
94
96
40
41
32
47
46
36
38
7
78
44
77
34
85
81
75
69
72
89
23
16
33
7
55
5
99
66
68
53
98
22
73
100
51
49
30
10
95
51
42
2
66
13
17
86
58
17
93
14
31
64
24
57
56
79
6
64
74
60
88
61
97
87
71
27
90
67
19
82
8
63
45
15
68
91
54
6
92
83
59
25
26
9
11
29
3
39
1
76
56
5
80
18
62
37
73
21
9
50
48
84
28
4
16
43
20
35
8
65
96
52
11
70
FIT
1:1
100%

Артикул

Название

Примечание

Количество

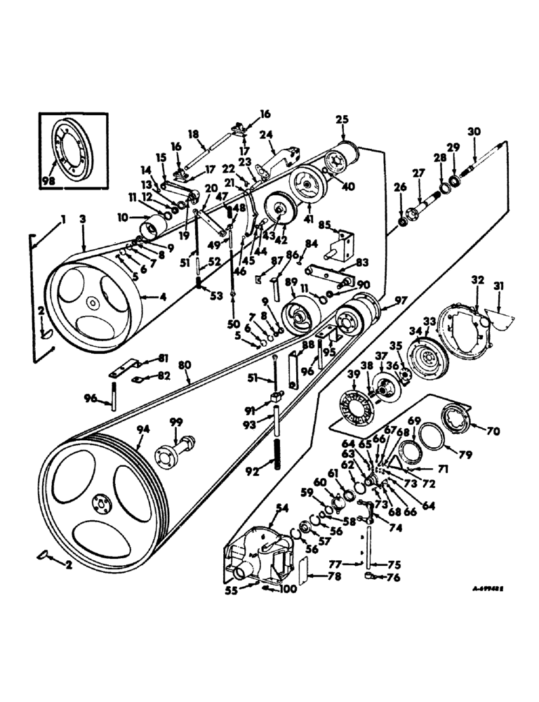
1

NOT USED

1шт.

2

935904R1

KEY, 3/8 x 3-3/4 square parallel, Serial no., Serial Range: 501-640

1шт.

2

117998

WOODRUFF KEY,#G, 3/8" x 1 1/2", HT

KEY, 3/8 x 1-1/2 Woodruff, For use w/159263C1 pulley

1шт.

2

218216

WOODRUFF KEY,#V, 1/2" x 2 3/4", HT

KEY, 1/2 x 2-3/4 Woodruff, For use w/166044C1 pulley

1шт.

3

629820R1

BELT,5.00" W x 163.35" L

Separator drive, S/N 1322 and below 5.00" W x 163.35" L

1шт.

4

631183R1

PULLEY

separator driven, Order service package 936715R91, Serial no., Serial Range: 501-640

1шт.

4

936715R91

PACKAGE

ASSY, cylinder bearter and separator drive pulley, Serial no. 640 and below, Consists of

1шт.

.

163553C11

SHAFT ASSY, cylinder beater

1шт.

.

936436R1

PULLEY, separator driven

1шт.

.

117998

WOODRUFF KEY,#G, 3/8" x 1 1/2", HT

KEY, 3/8 x 1-1/2 Woodruff

1шт.

.

163446C1

KEY

3/8 x 2-1/2 straight

1шт.

.

629724R11

COLLAR

COLLAR W/SET SCREW ASSY

1шт.

.

102592

SET SCREW,Hex Skt, 3/8" - 16 x 3/8"

3/8 X 3/8 SET SCREW

1шт.

.

936727R1

WASHER,26.16mm ID x 56.9mm OD x 6.35mm Thk

1-1/32 X 2-1/4 X 1/4 WASHER

2шт.

.

632471R1

1-1/32 X 2 X 22 GA WASHER

4шт.

4

936436R1

PULLEY, separator driven, Serial no., Serial Range: 641-1322

1шт.

5

219-8

LUBE NIPPLE,1/4" - 28 NPTF

FITTING, 1/4 straight lubrication

1шт.

6

589951R1

PLUG

CAP, separator drive tightener pulley grease

1шт.

7

564405R1

RING, SNAP

SNAP RING, sep drive tgtnr pulley

2шт.

8

651815R91

BEARING ASSY,7.508" ID x 17.82" OD x 6"

CONE, roller bearing

1шт.

8

651815R91GV

BEARING CONE

Value, Cone Bearing

1шт.

9

651814R1

BEARING CUP

CUP, roller bering

1шт.

10

568955R1

PULLEY, separator drive belt tightener, Serial no. 1322 and below

1шт.

11

651817R1

BEARING CUP

CUP, roller bearing

1шт.

12

651818R91

ROLLER BEARING,31.77 mm ID x 16.08 mm

CONE, roller bearing, Serial no. 1322 and below

1шт.

13

564403R91

SEAL

OIL SEAL, separator drive belt tightener pulley, Serial no. 1322 and below

1шт.

14

631530R1

RING, SNAP

SNAP RING, separator drive belt tightener support pivot shaft, Serial no. 1322 and below

1шт.

15

627846R1

ARM, separator drive belt tightener pulley, Serial no. 1322 and below

1шт.

.

219-8

LUBE NIPPLE,1/4" - 28 NPTF

1/4 STRAIGHT LUBRICATION FITTING

1шт.

.

3/16 X 1 COTTER PIN

1шт.

.

M6091/2

PIN

1/2 X 1-3/4 DLD PIN

1шт.

.

455183R1

LOCK PIN,5/16" x 2 1/2", Slotted

Pin, 5/16" x 2 1/2", Slotted

1шт.

16

634826R1

CLAMP, separator drive tightener support pivot shaft, Serial no. 1322 and below

2шт.

.

3/8 X 1-1/2 MACH BOLT W/NUT

4шт.

.

3/8 LOCK WASHER

4шт.

.

13/32 X 3/4 X 16 GA WASHER

4шт.

.

617939R1

PIN,5/16" x 1 1/2", Coiled

1шт.

.

560172R1

BOLT,Hex, 3/8" - 24 x 1 1/2", Gr 8

3/8 X 1-1/2 CAP SCREW

2шт.

.

3/8-24UNF NUT

2шт.

.

115549

LOCK WASHER,Int Tooth, 3/8"

WASHER, LOCK, Int Tooth, 3/8"

2шт.

17

628291R1

SHIM, separator drive tightener support pivot shaft clamp, Serial no. 1322 and below

8шт.

18

631441R1

SHAFT, separator drive belt tightener support pivot, Serial no. 1322 and below

1шт.

.

1-1/32 X 1-1/2 X 16 GA WASHER

4шт.

19

629815R1

SHAFT

separator drive belt tightener pulley, Serial no. 1322 and below

1шт.

.

1/8 X 1-1/4 COTTER PIN

1шт.

.

102649

SLOTTED NUT,5/8"-18, G5

NUT, 5/8"-18, G5

1шт.

.

551177R1

WASHER

21/32 X 1-1/4 X 16 GA WASHER

2шт.

20

569456R91

BRACKET

W/SUPPORT, propulsion jackshaft drive belt tightener adjusting

1шт.

21

564765R1

ARM

propulsion jackshaft drive belt tightener

1шт.

.

3/16 X 1-1/4 COTTER PIN

1шт.

.

M6091/2

PIN

1/2 X 1-3/4 DLD PIN

1шт.

22

16964R91

FITTING

1/4 90 deg elbow lubrication

1шт.

23

628292R1

SHAFT

propulsion jackshaft drive bel tightener arm pivot

1шт.

.

1/8 X 1-1/2 COTTER PIN

1шт.

.

102894

SET SCREW

3/8 X 3/4 CUP-PT SET SCREW

1шт.

.

1-1/32 X 1-1/2 X 16 GA WASHER

5шт.

24

627548R1

SUPPORT, propulsion jackshaft belt tightener

1шт.

.

7/16 X 1-1/4 MACH BOLT

4шт.

.

7/16 X 3 MACH BOLT

2шт.

.

7/16 NUT

2шт.

.

7/16 LOCK WASHER

6шт.

.

15/32 X 1 X 11 GA WASHER

4шт.

25

634673R1

PULLEY, separator drive, Serial no. 1322 and below

1шт.

.

5/16 X 1-1/2 CAP SCREW

6шт.

.

5/16 LOCK WASHER

6шт.

26

658135R91

BEARING

ball

1шт.

27

629836R1

TUBE

separator drive

1шт.

28

631713R91

OIL SEAL

OIL SEAL, clutch housing

1шт.

29

631306R91

ROLLER BEARING,1.9685" ID x 3.5433" OD x 0.7874"

ball

1шт.

30

629838R1

SHAFT

propulsion drive

1шт.

.

1/8 X 1-3/4 COTTER PIN

1шт.

.

427645

SLOTTED NUT,7/8"-14, G5

7/8 SLT NUT

1шт.

.

615196R1

WASHER

29/32 X 1-3/4 X 11 GA WASHER

1шт.

31

SEAL, adapter housing dust, Refer to Eng-2 or Eng-5 parts catalog

1шт.

32

ADAPTER, clutch housing, Refer to Eng-2 or Eng-5 parts catalog

1шт.

33

GEAR, flywheel ring, Refer to Eng-2 or Eng-5 parts catalog

1шт.

34

FLYWHEEL ASSY, Refer to Eng-2 or Eng-5 parts catalog

1шт.

35

FLANGE, drive shaft, Refer to Eng-2 or Eng-5 parts catalog

1шт.

36

BOLT, flywheel to crankshaft, Refer to Eng-2 or Eng-5 parts catalog

1шт.

.

161165R91

CLUTCH ASSY, includes ref. no. 37, 38, 39, 59 through 73 and 79

1шт.

.

3/8 X 3/4 CAP SCREW

8шт.

.

3/8 LOCK WASHER

8шт.

37

633705R1

HOUSING

BODY, clutch, Serial no. 940 and below

1шт.

37

161166C1

CLUTCH ASSEMBLY

BODY, clutch, Serial no. 941 and above

1шт.

38

266704R1

VALVE SPRING

SPRING, separator

3шт.

39

633709R91

PLATE

AND FACING ASSY, drive, Serial no. 940 and below

1шт.

39

154759R91

PLATE AND FACING ASSY, drive, Serial no. 941 and above

1шт.

40

659380R1

SNAP RING,#137, Ext

Ring, Snap, , propulsion drive shaft #137, Ext

1шт.

41

628310R1

SHEAVE, propulsion jackshaft drive

1шт.

42

572809R11

SHEAVE ASSY, propulsion jackshaft drive belt tightener

1шт.

43

564729R1

HUB, propulsion jackshaft drive belt tightener sheave

1шт.

.

3/8 X 1 MACH BOLT W/NUT

3шт.

.

3/8 LOCK WASHER

3шт.

44

ST634

BEARING ASSY

BEARING, ball

1шт.

45

559203R1

SNAP RING,#118, 1.260", Int, Spiral

propulsion jackshaft drive belt tightener sheave hub

1шт.

46

432482

PLUG,5/8"

5/8 button

1шт.

47

VC682

VALVE SPRING

SPRING, propulsion jackshaft drive belt tightener drawbolt

1шт.

48

564731R1

TRUNNION

propulsion jackshaft drive belt tightener adjusting bolt

1шт.

.

3/16 X 1-1/4 COTTER PIN

1шт.

49

569199R1

SPACER

SLEEVE, propulsion jackshaft drive belt tightener adjusting drawbolt

1шт.

50

585455R1

BOLT

DRAWBOLT, propulsion jackshaft drive belt tightener adjuster

1шт.

.

1/2 C-Z NUT

3шт.

.

115551

LOCK WASHER,Int Tooth, 1/2"

WASHER, LOCK, Int Tooth, 1/2"

1шт.

.

17/32 X 1 X 11 GA WASHER

1шт.

51

164770C1

DRAWBOLT, separator drive tightener pulley

1шт.

.

1/2 C-Z NUT

3шт.

.

115551

LOCK WASHER,Int Tooth, 1/2"

WASHER, LOCK, Int Tooth, 1/2"

1шт.

.

578274R1

WASHER

21/32 X 1 X 11 GA WASHER

2шт.

52

569199R1

SPACER

SLEEVE, separator drive belt tightener adjusting drawbolt, Serial no. 1322 and below

1шт.

53

41184D

SPRING, separator drive tightener pulley drawbolt, Serial no. 1322 and below

1шт.

54

629834R1

HOUSING, clutch

1шт.

159851C1

DOWEL, clutch housing

2шт.

.

1/4 X 1-3/4 CAP SCREW

4шт.

.

1/2 X 1-1/2 CAP SCREW

4шт.

.

1/4 LOCK WASHER

4шт.

.

1/2 LOCK WASHER

4шт.

55

219-31

LUBE NIPPLE,30 Degree Elbow, 1/8" - 27 NPTF

FITTING, 1/8 90-deg lubrication

1шт.

55

109461

LUBE NIPPLE,1/8"-27 x .66 lg

NIPPLE, LUBE, 1/8"-27 x .66 lg

1шт.

55

332040

LUBE NIPPLE,90 Degree, 1/8" NPT x .84" lg

FITTING, 1/8 30-deg lubrication

1шт.

56

163648C1

SNAP RING,#334, 3.590", Int

clutch housing

2шт.

57

113568R91

BALL BEARING,1.7712" ID x 3.35" OD x 0.75"

BEARING, ball

1шт.

58

631255R1

SNAP RING,#177, Ext

Ring, Snap, , separator drive shaft bearing #177, Ext

1шт.

59

29780D

RING

SNAP RING, external

1шт.

60

633708R1

BEARING

CARRIER, bearing, Serial no. 940 and below

1шт.

60

155471C1

BEARING CARRIER

CARRIER, brg, Serial no. 941 and above

1шт.

61

633704R91

BEARING ASSY,2.3622" ID x 3.7402" OD x 0.7087"

ball

1шт.

62

304780R1

RING, SNAP

SNAP RING, internal

1шт.

63

633707R11

SLEEVE

W/BUSHING ASSY, release, Serial no. 940 and below

1шт.

63

161167C11

SLEEVE

W/BUSHING ASSY, release, Serial no. 941 and above, Includes ref nos 60, 61 and 62

1шт.

64

266698R1

RING

retaining

6шт.

65

266696R1

DRAG LINK

LINK, connecting

6шт.

66

255395R1

RING

retaining

3шт.

67

268866R1

LEVER

3шт.

68

266694R1

AXLE PIN

PIN, clevis

3шт.

69

347871R1

NUT

adjusting

1шт.

70

268958R91

PLATE ASSY.

PLATE, pressure, Includes ref no. 71

1шт.

71

319531R1

STOP

LOCK, adjusting

1шт.

.

19559R1

1/4 X 3/8 CAP SCREW

1шт.

.

115547

LOCK WASHER,Int Tooth, 1/4"

WASHER, LOCK, Int Tooth, 1/4"

1шт.

72

268865R91

VALVE SPRING

SPRING ASSY, lever

1шт.

73

266697R1

AXLE PIN

PIN, clevis

6шт.

74

266664R91

CLEVIS COUPLING

YOKE, clutch

1шт.

75

629839R1

SHAFT, clutch pivot, Serial no. 1322 and below

1шт.

.

103409

PIN, SPLIT (COTTER),3/16" x 1 1/2"

2шт.

.

Q3481

WASHER

1-1/32 x 1-1/2 x 16 ga

6шт.

.

Q162

WASHER

1-5/32 x 1-3/4 x 16 ga

4шт.

75

159945C1

SHAFT

clutch pivot, Serial no. 1323 and above

1шт.

.

103409

PIN, SPLIT (COTTER),3/16" x 1 1/2"

1шт.

.

Q3481

WASHER

1-1/32 x 1-1/2 x 16 ga

7шт.

76

629905R91

ARM

W/HUB, separator clutch pivot

1шт.

.

1/4 X 1-1/2 COTTER PIN

1шт.

.

576483R1

LOCK PIN,5/16" x 1 1/2", Slotted

Pin, 5/16" x 1 1/2", Slotted

1шт.

77

113782

KEY

1/4 x 1 Woodruff

3шт.

78

629845R1

COVER, clutch housing

1шт.

.

5/16 X 1/2 CAP SCREW

2шт.

.

5/16 LOCK WASHER

2шт.

79

347872R1

LARGE PLATE

RING, adjusting plate

1шт.

80

159267C1

V-BELT,2.25" W x 174.99" L, 3 Ribs

Separator Drive, Serial No. 1323 and Above 2.25" W x 174.99" L, 3 Ribs

1шт.

81

161110C1

SUPPORT, separator drive belt guide, front, Serial no. 1323 and above

1шт.

82

569038R1

STRIP, separator drive belt guide, Serial no. 1323 and above

1шт.

.

18764R1

HARDWARE,Hex, 5/16"-18 x 3/4", G2

BOLT, 5/16 x 3/4 C-Z hex-hd mach

1шт.

.

120376

NUT,5/16"-18, G5

1шт.

.

80681

LOCK WASHER,5/16"

WASHER, LOCK, 5/16"

1шт.

83

159268C91

LEVER ASSY, separator drive belt tightener pulley, Serial no. 1323 and above

1шт.

.

606546R1

JAM NUT

5/8 C-Z hex-jam

1шт.

.

Q5035

WASHER

17/32 x 1 x 16 ga

4шт.

.

432-1216

COTTER PIN,3/16" x 1"

Pin, Split (Cotter), 3/16" x 1"

1шт.

84

219-8

LUBE NIPPLE,1/4" - 28 NPTF

FITTING, 1/4-28 str-lub

1шт.

85

159274C91

CHANNEL ASSY, separator drive belt idler pulley pivot, Serial no. 1323 and above

1шт.

.

17428R1

BOLT,Hex, 1/2"-13 x 1", G2, Full Thd

1/2 x 1 hex-hd mach

2шт.

.

17473R1

BOLT,Hex, 1/2" - 13 x 1 1/2", Gr 2

1/2 x 1-1/2 hex-hd mach

2шт.

.

102637

NUT,1/2"-13, G5

4шт.

.

103323

LOCK WASHER,1/2"

WASHER, LOCK, 1/2"

4шт.

.

16038R1

WASHER

17/32 x 1 x 11 ga

4шт.

86

161417C1

SHIM, separator drive idler pivot channel, Serial no. 1323 and above

4шт.

.

432-1624

COTTER PIN,1/4" x 1 1/2"

Pin, Split (Cotter), 1/4" x 1 1/2"

1шт.

.

Q5036

WASHER

1-1/32 x 1-3/4 x 16 ga

4шт.

87

151278C1

SHIM, separator drive belt idler pulley pivot channel, Serial no. 1323 and above

4шт.

87

158791C1

SHIM, separator drive belt idler pulley pivot channel

3шт.

88

159271C91

ANGLE ASSY, separator drive belt idler pulley trunnion, Serial no. 1323 and above

1шт.

89

606555R1

PULLEY, separator drive belt idler, Serial no. 1323 and above

1шт.

90

602957R91

BEARING ASSY,31.75mm ID x 59.13mm OD x 16mm W

ASSY, separator drive belt, idler pulley cone, Serial no. 1323 and above

1шт.

91

564731R1

TRUNNION

separator drive belt idler pulley draw bolt, Serial no. 1323 and above

1шт.

.

432-1216

COTTER PIN,3/16" x 1"

Pin, Split (Cotter), 3/16" x 1"

1шт.

.

350515R1

WASHER

21/32 x 1 x 16 ga

3шт.

92

523267R1

SPRING

separator drive tightener pulley draw bolt, Serial no. 1323 and above

1шт.

93

159273C1

TUBE,.531" ID, .625" OD, 6.6" Length

separator drive belt idler pulley draw bolt spring, Serial no. 1323 and above

1шт.

94

159263C1

PULLEY, separator driven, with 3/8 in keyway

1шт.

94

166044C1

PULLEY, separator driven, with 1/2 in. keyway

1шт.

95

159280C1

SUPPORT, separator drive belt guide, Serial no. 1323 and above

1шт.

.

17475R1

BOLT, 5/8 x 1-1/2 hex-hd mach

1шт.

.

102637

NUT,1/2"-13, G5

5/8 hex.

1шт.

.

103325

LOCK WASHER,5/8"

WASHER, LOCK, 5/8"

1шт.

.

575810R1

WASHER

21/32 x 1-1/2 x 11 ga

1шт.

96

633221R1

STUD, separator drive belt guide support, Serial no. 1323 and above

4шт.

.

114505

JAM NUT,Jam, 1/2"-13, G5

8шт.

.

103323

LOCK WASHER,1/2"

WASHER, LOCK, 1/2"

8шт.

97

159266C1

PULLEY, separator drive, Serial no. 1323 and above

1шт.

98

NOT USED

1шт.

99

NOT USED THIS APPLICATION

1шт.

100

586983R1

ADAPTER, 1/8 PTF elbow

1шт.

Выбрано товаров: 201