Запчасти Case IH 403 (185) - HYDRAULIC REEL DRIVE CHAIN REDUCTION (88) - ACCESSORIES

Схема запчастей Case IH 403 - (185) - HYDRAULIC REEL DRIVE CHAIN REDUCTION (88) - ACCESSORIES
72
46
25
16
14
4
26
4
8
24
66
65
23
37
3
69
55
5
33
63
46
64
57
5
38
13
39
7
39
25
5
4
52
47
2
1
71
54
51
5
5
25
40
43
56
49
50
50
35
34
25
29
60
5
50
25
32
58
15
4
12
30
21
50
70
40
17
45
5
68
25
25
41
24
4
19
5
42
26
53
6
31
61
50
59
4
9
10
28
67
11
20
36
27
25
22
62
44
4
18
FIT
1:1
100%

Артикул

Название

Примечание

Количество

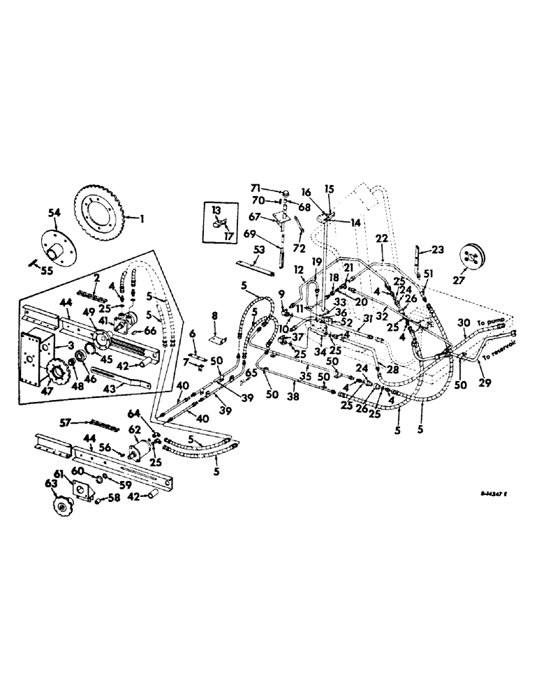
1

150866C1

SPROCKET, reel driven, 20-T, Serial no. 1523 and below

1шт.

1

164666C1

SPROCKET, reel driven, 44-T, Serial no. 1524 and above

1шт.

1

935676R1

SPROCKET, reel driven, 35-T, For use with Harrison pickup reel

1шт.

18474R1

BOLT,Hex, 5/16" - 18 x 1", Gr 2

5/16 x 1 C-Z hex-hd

6шт.

120376

NUT,5/16"-18, G5

6шт.

80681

LOCK WASHER,5/16"

WASHER, LOCK, 5/16"

6шт.

2

CHAIN, reel drive roller, Use 65 links of 1-1/2 extended pitch roller chain from a 10-ft roll marked 569090R91, 5 connecting links 587368R91, one offset connecting link 567008R91 and 4 roller links 567006R91, Serial no. 1523 and below

1шт.

3

935939R91

BRACKET W/BAR, reel drive motor mounting, Serial no. 1523 and below

1шт.

1/2 X 1-1/2 C-Z MACH BOLT W/NUT

4шт.

5/8 X 1-3/4 C-Z MACH BOLT W/NUT

2шт.

5/16 X 5/8 ROLL PIN

2шт.

1/2 C-Z LOCK WASHER

4шт.

5/8 C-Z LOCK WASHER

2шт.

551177R1

WASHER

21/32 X 1-1/4 X 16 GA WASHER

4шт.

4

587578R1

CONNECTOR, ELEC

CONNECTOR, 7/16

7шт.

5

481352R1

HYD CONNECTOR,3/4"-16, 37 Degree x 7/8"-14, O-Ring

CONNECTOR, 7/16

7шт.

6

935665R1

STRIP, hydraulic tube clip holder on platform

2шт.

5/16 X 3/4 C-Z MACH BOLT W/NUT

2шт.

5/16 C-Z LOCK WASHER

2шт.

7

935670R1

ANGLE, hydraulic tube clip holder on platform

2шт.

5/16 X 3/4 C-Z CRG BOLT W/NUT

2шт.

5/16 C-Z LOCK WASHER

2шт.

8

935669R1

BRACKET, hydraulic tube clip holder on feeder

1шт.

5/16 X 3/4 C-Z MACH BOLT W/NUT

1шт.

5/16 C-Z LOCK WASHER

1шт.

9

9410977

ELBOW,90 Degree, 3/4"-16, 37 Degree x 3/4"-16, O-Ring

3/4

1шт.

10

570828R1

O-RING,0.087" Thk x 0.644" ID, -908, Cl 6, 90 Duro

1шт.

11

634767R92

MOUNTING W/INDICATOR ASSY, control handle, Serial no. 805 and below

1шт.

11

939671R91

MOUNTING ASSY, reel drive control handle, Serial no., Serial Range: 806-1672

1шт.

5/16 X 1/2 C-Z CRG BOLT W/NUT

1шт.

5/16 X 1 C-Z CRG BOLT W/NUT

2шт.

5/16 C-Z LOCK WASHER

3шт.

12

935644R11

PIPE ASSY, reel drive flow divider to feeder hose, Serial no. 805 and below

1шт.

12

939679R91

TUBE ASSY, reel drive flow divider to feeder hose, Serial no. 806 and above

1шт.

13

935671R1

BRACKET, control handle mounting, Serial no. 805 and below

1шт.

1/4 C-Z NUT

1шт.

1/4 X 1-1/4 C-Z CAP SCREW

1шт.

1/4 C-Z LOCK WASHER

1шт.

14

634765R92

ARM W/HANDLE ASSY, control valve, Serial no. 805 and below

1шт.

14

939708R91

HANDLE ASSY, control valve, Serial no., Serial Range: 806-1672

1шт.

15

634976R1

GRIP, flow control valve handle, white, Serial no. 805 and below

1шт.

15

939928R1

GRIP, control valve handle, black, Serial no., Serial Range: 806-1672

1шт.

16

634980R1

STOP, flow control valve handle

1шт.

1/4 C-Z NUT

1шт.

1/4 C-Z LOCK WASHER

1шт.

17

634824R1

U-BOLT, control to rail support, Serial no. 805 and below

1шт.

1/4 NUT

2шт.

1/4 LOCK WASHER

2шт.

18

9403528

TUBE NUT,37 Degree, 3/4"-16, Type B

NUT, 3/4

1шт.

19

935639R11

PIPE ASSY, relief valve return, Serial no. 805 and below

1шт.

19

939678R91

TUBE ASSY, relief valve return, Serial no. 806 and above

1шт.

20

9403400

REDUCER,37 Degree, 1/2" x 3/8" Tube

9/16

1шт.

21

9402982

TEE,3/4"-16, 37 Degree

3/4

1шт.

22

935645R11

PIPE ASSY, reel drive to tee return, Serial no. 805 and below

1шт.

22

939677R91

PIPE ASSY, reel drive to tee return, Serial no. 806 and above

1шт.

23

935642R1

BRACKET, hydraulic tube clip holder on operators deck

1шт.

24

395149R1

QUICK MALE COUPLING

COUPLING ASSY, self sealing male

2шт.

25

364885R1

O-RING,0.097" Thk x 0.755" ID, -910, Cl 6, 90 Duro

8шт.

26

395150R91

COUPLING, QUICK, FEM

COUPLING ASSY, self sealing female

2шт.

27

935675R2

PULLEY, platform lift pump

1шт.

28

935640R11

PIPE ASSY, pump to flow divider hose pressure, Serial no. 805 and below

1шт.

28

939673R91

PIPE ASSY, reel drive flow divider hose pressure, Serial no. 806 and above

1шт.

29

935673R11

PIPE ASSY, platform lift front return

1шт.

30

573900R91

HOSE ASSY, reel drive flow divider, Serial no. 805 and below

1шт.

30

574230R91

HOSE ASSY.

HOSE ASSY, reel drive flow divider, Serial no. 806 and above

1шт.

31

935646R11

PIPE ASSY, flow divider to valve pressure, Serial no. 805 and below

1шт.

31

939674R91

PIPE ASSY, reel drive flow divider to valve pressure, Serial no. 806 and above

1шт.

32

935641R11

PIPE ASSY, reel drive return to platform lift return, Serial no. 805 and below

1шт.

32

939680R91

PIPE ASSY, reel drive return to platform lift return, Serial no. 806 and above

1шт.

33

634781R1

BRACKET, reel drive flow divider support, Serial no. 805 and below

1шт.

33

939681R1

BRACKET, reel drive flow divider support, Serial no., Serial Range: 806-1672

1шт.

1/4 NUT

2шт.

1/4 X 2-1/4 CAP SCREW

2шт.

1/4 LOCK WASHER

2шт.

34

634743R91

DIVIDER ASSY, flow, Serial no. 1672 and below, For components see list of parts under details of flow divider

1шт.

34

165361R91

DIVIDER ASSY, flow, Serial no. 1673 and above, For components see list of parts under details of flow divider

1шт.

35

935663R11

PIPE ASSY, feeder LH

1шт.

36

634762R1

COLLAR, control valve, Serial no. 1672 and below

1шт.

1/8 X 1-1/4 COTTER PIN

1шт.

1/4 X 1 ROLL PIN

1шт.

37

9410978

ELBOW,90 Degree, 7/8"-14, 37 Degree x 7/8"-14, O-Ring

7/8

1шт.

38

935664R11

PIPE ASSY, feeder RH

1шт.

39

935643R11

PIPE ASSY, reel drive, Serial Range: motor-platform

2шт.

40

935666R11

PIPE

ASSY, platform to motor, 18-ft platform

2шт.

41

634733R91

HYDRAULIC MOTOR

MOTOR ASSY, hydraulic reel drive, For serial no. 1523 and below, components of hydraulic motor

1шт.

3/8 X 3/4 CAP SCREW

4шт.

3/8 LOCK WASHER

4шт.

42

516316R1

SPACER

reel arm LH channel

1шт.

43

935667R1

BRACKET, reel drive motor support, Serial no. 1523 and below

1шт.

44

935657R91

ARM W/HUB, reel LH

1шт.

45

27073H

SNAP RING, reel drive sprocket, Serial no. 1523 and below

1шт.

46

658200R91

BEARING

reel drive sprocket, Serial no. 1523 and below

1шт.

47

935677R1

SPROCKET, reel drive, 14-T, Serial no. 1523 and below

1шт.

3/8 X 1-1/2 MACH BOLT W/NUT

6шт.

3/8 LOCK WASHER

6шт.

48

935668R1

HUB, reel drive sprocket bearing, Serial no. 1523 and below

1шт.

49

935674R1

HUB, reel drive sprocket, Serial no. 1523 and below

1шт.

7/8 X 2-3/4 MACH BOLT W/NUT

1шт.

7/8 LOCK WASHER

1шт.

619373R1

WASHER

29/32 X 2 X 7 GA WASHER

2шт.

50

587501R2

CLAMP

CLIP, hydraulic tube

9шт.

5/16 X 1 CRG BOLT W/NUT

7шт.

5/16 LOCK WASHER

7шт.

552897R1

SELF-TAP SCREW,1/4" - 20 x 1/2"

1/4 X 1/2 WASHER FACED SELF TAPPING SCREW

1шт.

51

567895R2

CLIP, hydraulic tube

1шт.

5/16 X 1 CRG BOLT W/NUT

1шт.

5/16 LOCK WASHER

1шт.

52

277889R1

CLIP, hydraulic tube

1шт.

53

939688R1

ANGLE, control support, Serial no. 806 and above

1шт.

54

164318C91

HUB ASSY, reel driven sprocket, For use with Harrison pickup reel

1шт.

184364

SCREW, 3/8 x 1 sq-hd cup point

2шт.

124829

JAM NUT,Hex, 3/8" - 16, Gr 5

2шт.

55

586879R1

KEY

5/16 x 2 sq parallel, For use with Harrison pickup reel

1шт.

56

126-124

WOODRUFF KEY,#15, 1/4" x 1", HT

KEY, 1/4 x 1 Woodruff, Serial no. 1524 and above

1шт.

57

CHAIN ASSY, reel drive, Use 123 links from 10-ft roll marked 611362R91 2 connecting links 574532R91, 1 offset link 612612R91 and 1 roller link 612611R91, Serial no. 1524 and above

1шт.

57

CHAIN ASSY, reel drive extension, Use 11 link sections from 10-ft roll marked 611362R91, 2 connecting links 574532R91 and 4 offset links 612612R91, Serial no. 1524 and above

1шт.

58

164824C1

SPACER, reel drive motor support, Serial no., Serial Range: 1524-1672

2шт.

59

878304C1

O-RING, Serial no. 1524 to 1672 -242, Cl 8, 3.984" ID x .139" Thk

2шт.

60

168639C91

SEAL

dust, Serial no., Serial Range: 1524-1672

1шт.

61

173829C1

SUPPORT

ASSY, reel drive motro, Serial no. 1524 and above

1шт.

62

173828C91

MOTOR, HYDRAULIC

MOTOR ASSY, hydraulic reel drive, Serial no. 1524 and above, some combines had 160455C91 motor which is replaced by 173828C91 and requires 173829C1 support and two 936450R91 elbows

1шт.

120377

NUT,3/8" - 16, Gr 5

2шт.

180126

BOLT,Hex, 3/8" - 16 x 1 1/2", Gr 5

SCREW, 3/8 x 1-1/2 C-Z hex-hd cpa

2шт.

120382

LOCK WASHER,Helical Spring, 3/8"

WASHER, LOCK, 3/8"

2шт.

63

160985C1

SPROCKET, reel drive, 11-T, Serial no. 1524 and above

1шт.

22223R1

SCREW,Hex Soc, 1/4"-20 x 1/2"

1/4 x 1/2 C-Z hex-soc-hd

1шт.

64

574874R91

ELBOW

5/8 x 1/2 tube, For use w/160455C91 motor assy

2шт.

64

936450R91

ELBOW,90 Degree, 3/4"-16, 37 Degree x 7/8"-14, O-Ring

7/8-14 90 deg tube, For use w/173828C91 motor assy

2шт.

65

169195C1

ANGLE, tube clip

1шт.

66

153865C1

KEY, 3/16 x 1 Woodruff

1шт.

67

172045C91

SUPPORT ASSY, flow divider, Serial no. 1673 and above

1шт.

68

401838R1

BUSHING

reel speed control, Serial no. 1673 and above

1шт.

26897R1

BOLT, 5/16 x 3/4 znd sq-nk crg

3шт.

120376

NUT,5/16"-18, G5

3шт.

80681

LOCK WASHER,5/16"

WASHER, LOCK, 5/16"

3шт.

69

172042C1

ROD ASSY, reel speed control, Serial no. 1673 and above

1шт.

469668R1

WASHER

13/32 x 3/4 x 16 ga C-Z

2шт.

70

7422T

SPRING

reel drive control friction, Serial no. 1673 and above

1шт.

53055D

CLEVIS PIN,1/4" x 1"

PIN, 1/4 x 1 rod end

1шт.

120392

WASHER,1/4", SAE

9/32 x 5/8 x 16 ga C-Z

1шт.

121223

COTTER PIN,1/16" x 3/4"

PIN, SPLIT (COTTER), 1/16" x 3/4"

1шт.

71

172041C1

KNOB, reel drive control, Serial no. 1673 and above

1шт.

22683R1

SCREW, 1/4 x 3/4 slt-hdls set

1шт.

72

172754C1

STRAP, flow divider brace, Serial no. 1673 and above

1шт.

174397C1

REPAIR KIT

KIT ASSY, hyd reel drive motor, For motor 173828C91

1шт.

Выбрано товаров: 145