Запчасти Case IH 403 (102) - PROPULSION VARIABLE SPEED AND JACKSHAFT AND DRIVE (16) - TRACTION VARIATOR

Схема запчастей Case IH 403 - (102) - PROPULSION VARIABLE SPEED AND JACKSHAFT AND DRIVE (16) - TRACTION VARIATOR
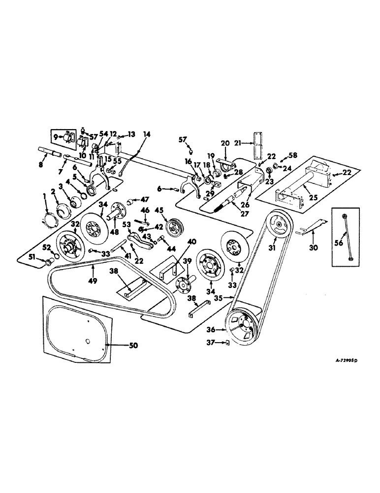
34
26
9
38
37
19
45
56
41
7
17
38
11
25
22
28
24
6
49
36
35
58
43
48
55
57
16
8
50
32
32
6
22
30
10
33
5
13
52
46
18
12
20
23
53
42
44
54
40
33
29
51
15
39
2
1
57
3
4
27
14
34
21
22
47
31
FIT
1:1
100%

Артикул

Название

Примечание

Количество

1

565367R1

SHOE, propulsion variable speed adjusting outer

2шт.

441013R1

LOCK PIN,1/4" x 2 1/2", Slotted

Pin, 1/4" x 2 1/2", Slotted

4шт.

2

565366R1

OIL SEAL

RING, propulsion variable speed adjusting outer

2шт.

3

564797R1

OIL SEAL

RING, proplusion variable speed pulley adjusting inner

2шт.

103877

PLUG

1/8 SQ-HD PIPE PLUG

2шт.

4

565371R1

WASHER

proplusion pulley adjusting ring felt

2шт.

5

559302R91

BALL BEARING,2.7559" ID x 4.3307" OD x 0.7874"

ball

2шт.

6

565345R1

SHAFT

propulsion pulley adjusting arm pivot

4шт.

7

NOT USED

1шт.

8

628607R11

SHAFT, w/auger, propulsion pulley outer pivot

1шт.

1/2 X 2-3/4 CAP SCREW

1шт.

1/2 NUT

1шт.

1/2 LOCK WASHER

1шт.

243

1-17/32 X 2 X 16 GA WASHER

8шт.

126A

WASHER

1-17/32 X 2 X 11 GA WASHER

1шт.

9

628314R91

BRACKET W/BUSHING ASSY, propulsion post, Includes ref. no. 11

1шт.

3/8 X 1 CRG BOLT W/NUT

4шт.

3/8 LOCK WASHER

4шт.

10

NOT USED

1шт.

11

565357R1

BUSHING, Serial no. 805 and below

1шт.

11

936744R1

BUSHING,47.66mm ID x 50.83mm OD x 19.05mm L

Serial no. 806 and above

1шт.

12

628608R92

LEVER W/BALL AND BUSHING ASSY, propulsion pulley support, Includes ref. nos. 16, 54 and lever 936602R91, Serial no., Serial Range: 501-640

1шт.

12

936602R91

LEVER W/BUSHING ASSY, propulsion, Includes ref. no. 16, Serial no. 641 and above

1шт.

432-1216

COTTER PIN,3/16" x 1"

Pin, Split (Cotter), 3/16" x 1"

1шт.

Q1396

AXLE PIN,1/2" x 1 5/8"

PIN, 1/2 x 1-5/8 std-hd-dld

1шт.

243

WASHER, 1-17/32 x 2 x 16 ga

2шт.

565665R1

WASHER, 1-29/32 x 2-1/2 x 16 ga

6шт.

13

565415R1

BOLT,1/2" - 20 x 8"

propulsion pulley adjusting arm connecting

1шт.

1/2-20UNF C-Z NUT

2шт.

14

588542R1

BRACE, propulsion pulley outer pivot shaft

1шт.

5/8 NUT

2шт.

5/8 X 1-3/4 CAP SCREW

1шт.

5/8 LOCK WASHER

1шт.

615131R1

WASHER

21/32 X 1 X 22 GA WASHER

3шт.

10620P

WASHER

21/32 X 1-1/2 X 16 GA WASHER

3шт.

15

565410R91

ARM W/BUSHING ASSY, proplusion pulley adjusting pivot, Includes ref no. 55

1шт.

16

565414R1

BUSHING

For use with lever assy 627549R91 and 628608R91

2шт.

16

936743R1

BUSHING, For use with lever assy 936601R91 and 936602R91, Serial no., Serial Range: 501-640

2шт.

16

936743R1

BUSHING, For use with lever assy 936601R91 and 936602R91, Serial no. 641 and above

2шт.

17

631705R91

SEAL

ASSY, propulsion jackshaft, LH, bearing

1шт.

18

574964R1

RING, SNAP

SNAP RING

1шт.

19

631992R91

BALL BEARING,1.6255" ID x 85 mm OD x 1.6875"

ball

1шт.

20

NOT USED

1шт.

21

NOT USED

1шт.

22

109461

LUBE NIPPLE,1/8"-27 x .66 lg

NIPPLE, LUBE, 1/8"-27 x .66 lg

3шт.

23

632034R91

BALL BEARING,30 mm ID x 62 mm OD x 24 mm

ball

1шт.

24

632033R91

OIL SEAL

OIL SEAL

1шт.

25

633214R91

SUPPORT W/BRACKET, proplusion jackshaft, side leveling

1шт.

25

167742C1

SUPPORT ASSY, ball pivot, full leveling

1шт.

126121

LUBE NIPPLE,1/8"-27 NPT x 1.36" lg

1/8 X 1-1/4 LONG STRAIGHT LUBRICATION FITTING

1шт.

26

NOT USED

1шт.

27

654048R11

JACKSHAFT ASSY, propulsion

1шт.

425-138

SLOTTED NUT,1/2"-20, G8

NUT, SLOTTED, 1/2"-20, G8

1шт.

425-1516

JAM NUT,Jam, 1"-14, G5

1-1/4 JAM NUT

1шт.

3/32 X 1-1/4 COTTER PIN

1шт.

550610R1

WASHER

17/32 X 1-1/2 X 16 GA WASHER

1шт.

615231R1

WASHER

1-1/32 X 2-1/4 X 11 GA WASHER

1шт.

551768R1

1-21/32 X 2-1/2 X 16 GA WASHER

3шт.

28

332040

LUBE NIPPLE,90 Degree, 1/8" NPT x .84" lg

FITTING, 1/8 90 deg. elbow lubrication

1шт.

29

587803R1

SUPPORT, propulsion pulley pivot shaft, Serial no. 805 and below

1шт.

29

936749R1

SUPPORT, propulsion pulley pivot shaft, Serial no. 806 and above

1шт.

30

588573R91

GUIDE W/BRACKET, jackshaft drive belt

1шт.

31

628310R1

PULLEY, propulsion jackshaft drive

1шт.

32

633353R11

PULLEY

ASSY, propulsion drive, adjustable half

2шт.

33

633433R1

BEARING

BUSHING

6шт.

34

633352R11

PULLEY

W/BUSHING, propulsion drive, Includes ref. no. 33

2шт.

35

937930R1

V-BELT

Propulsion jackshaft drive

1шт.

36

633355R1

PULLEY, propulsion jackshaft driven

1шт.

37

633349R1

LOCKING PLATE

KEEPER, propulsion jackshaft lock nut

1шт.

38

628416R1

SUPPORT, propulsion variable speed shield lower, Serial no. 805 and below

2шт.

3/8 X 1 MACH BOLT W/NUT

2шт.

3/8 LOCK WASHER

2шт.

39

633351R1

SLEEVE

propulsion variable speed rear

1шт.

5/8 X 3-1/4 MACH BOLT W/NUT

3шт.

5/8 LOCK WASHER

3шт.

40

628415R1

SUPPORT, propulsion variable speed shield upper, Serial no. 805 and below

1шт.

41

629520R1

SHAFT

propulsion belt tightener pivot

1шт.

1/4 X 1-1/2 COTTER PIN

1шт.

616252R1

LOCK PIN,3/8" x 2 1/8", Slotted

Pin, 3/8" x 2 1/8", Slotted

1шт.

1-1/32 X 1-3/4 X 16 GA WASHER

10шт.

42

629521R1

SPRING

propulsion belt tightener

1шт.

43

559203R1

SNAP RING,#118, 1.260", Int, Spiral

1шт.

44

ST634

BEARING ASSY

BEARING, proplusion belt tightener

1шт.

45

569963R1

PULLEY

propulsion drive belt tightener spring

1шт.

46

559017R1

BOLT,Eye, 1/2" - 13 x 4 1/8", Full Thd

propulsion belt tightener spring

1шт.

1/2 C-Z NUT

2шт.

17/32 X 1 X 16 GA WASHER

2шт.

47

633435R1

BUSHING

SPACER, propulsion sheave hub

1шт.

48

633350R1

HUB

SLEEVE, proplusion variable speed drive pulley front

1шт.

5/8 X 2 CAP SCREW

3шт.

5/8 LOCK WASHER

3шт.

49

935952R1

BELT

propulsion drive

1шт.

50

628413R11

SHIELD W/WIRE ASSY, propulsion variable speed pulley, Serial no. 805 and below

1шт.

3/8 X 1 MACH BOLT W/NUT

2шт.

1/2 X 1 MACH BOLT W/NUT

1шт.

3/8 LOCK WASHER

2шт.

1/2 LOCK WASHER

1шт.

51

574257R1

STOP

propulsion pulley propulsion shaft

1шт.

52

290028R1

O-RING

4шт.

53

629519R1

ARM, propulsion drive belt tightener

1шт.

432482

PLUG,5/8"

5/8 BUTTON PLUG

1шт.

54

936612R1

BALL, propulsion lever, Serial no. 640 and below

1шт.

1/2-20UNF NUT

1шт.

1/2 LOCK WASHER

1шт.

55

565414R1

BUSHING

2шт.

56

NOT USED

1шт.

57

219-8

LUBE NIPPLE,1/4" - 28 NPTF

FITTING, 1/4 str-lub

2шт.

Выбрано товаров: 107