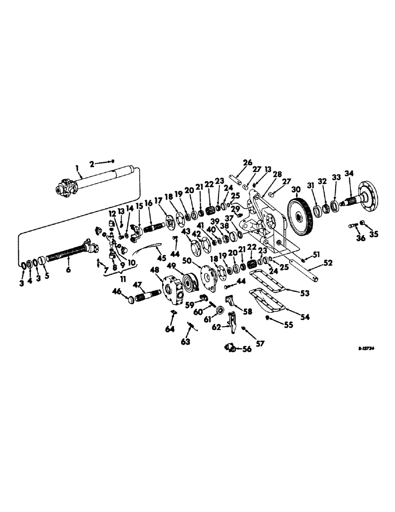
Запчасти Case IH 403 (037) - FINAL DRIVE AND HYDRAULIC WHEEL BRAKES (25) - FRONT AXLE SYSTEM

Схема запчастей Case IH 403 - (037) - FINAL DRIVE AND HYDRAULIC WHEEL BRAKES (25) - FRONT AXLE SYSTEM
30
23
14
17
28
20
55
41
42
4
59
56
2
53
21
44
13
26
19
31
13
16
24
51
39
38
12
6
52
44
60
22
46
22
19
3
40
23
36
57
21
25
5
7
8
25
20
27
35
47
1
33
32
34
15
43
24
18
3
45
58
48
29
50
9
49
62
61
37
18
10
54
11
64
63
27
FIT
1:1
100%

Артикул

Название

Примечание

Количество

574404R91

KNUCKLE ASSY, main wheel drive, Includes ref nos 1 thru 11 & 15, mechanics

2шт.

654732R91

KNUCKLE JOINT

KNUCKLE ASSY, main wheel drive, Includes ref nos 1, 3, 4, 5, 8, 9 10, 11 & 15, Rockwell standard

2шт.

1

574405R91

TUBE AND YOKE ASSY, Includes ref nos 3, 4 and 5, mechanics

1шт.

1

935878R91

TUBE AND YOKE ASSY, Includes ref nos 3, 4, 5, 11 and 15, Rockwell standard

1шт.

2

103883

PIPE PLUG,Slotted, Headless, 1/8" NPT

PLUG, PIPE, Slotted, Headless, 1/8" NPT

6шт.

3

116561H

WASHER, retainer, mechanics

4шт.

3

935881R1

WASHER, splined, Rockwell standard

4шт.

4

116562H

WASHER, felt, mechanics

2шт.

4

935880R1

WASHER, felt, Rockwell standard

2шт.

5

31437V

RETAINER

2шт.

6

574406R91

SHAFT AND YOKE ASSY, mechanics

2шт.

6

935879R91

SHAFT AND YOKE ASSY, Includes ref no. 11, Rockwell standard

2шт.

7

38012H

LOCK PLATE

16шт.

38027H

BOLT

SCREW, lock plate

16шт.

8

206967R91

BEARING

16шт.

9

38014HA

WASHER, cork

16шт.

10

206968R91

SPIDER ASSY

4шт.

11

136512HB

KIT

SPIDER ASSY, Includes ref nos 8, 9 and 10

4шт.

12

574409R1

SCREW, knuckle

4шт.

13

80710

LUBE NIPPLE,1/8” – 27 Dryseal PTF

NIPPLE, LUBE, 1/8"-27 x .66 lg

2шт.

14

574408R1

WASHER, main drive knuckle bolt

4шт.

15

574407R1

YOKE, mechanics

4шт.

15

654733R1

YOKE, Rockwell standard

4шт.

16

571186R1

SHAFT

final drive pinion

2шт.

17

631410R1

CAP, final drive pinion shaft

2шт.

18

631411R1

SHIM, final drive pinion shaft and wheel brake, .003

4шт.

18

634412R1

SHIM, final drive pinion shaft and wheel brake, .005

4шт.

18

634413R1

SHIM, final drive pinion shaft and wheel brake, .010

8шт.

19

384386R91

OIL SEAL,42.7mm ID x 63.7mm OD x 8.33mm Thk

Oil, Final Drive Pinion Shaft 1.752" ID x 2.503" OD x .689

4шт.

20

567847R1

BEARING, CUP,76.22mm OD x 17.46mm W

CUP, bearing inner

4шт.

21

567848R91

CONE

bearing inner

4шт.

22

567760R1

PINION, wheel brake shaft, 16-T

4шт.

23

618023R91

BEARING ASSY,34.93mm ID x 18.2mm W

CONE, outer bearing

4шт.

24

618024R1

BEARING CUP,65.113mm OD x 13.97mm W

Outer

4шт.

25

567879R1

RING

SNAP RING, final drive pinion shaft and wheel brake

4шт.

26

571192R1

SHAFT, final drive housing upper pivot

2шт.

27

571191R1

BUSHING

upper pivot

4шт.

28

588621R11

HOUSING W/BUSHING AND CUP ASSY, final drive, Includes ref nos 24 & 27

2шт.

7/16 X 3-3/4 MACH BOLT W/NUT

4шт.

7/16 LOCK WASHER

4шт.

29

61991R91

BREATHER,1/8"-27 NPT, Short, w/washer

ASSY, oil

2шт.

30

569513R1

GEAR, final drive, 85-T

2шт.

31

ST963

CUP ASSY.

CUP, bearing outer

2шт.

32

ST2073

TAPERED BEARING,2.625" ID x 4.4375" OD x 1.1875"

CONE, bearing outer

2шт.

33

593916R91

OIL SEAL

OIL SEAL, final drive outer bearing

2шт.

34

588622R11

SHAFT W/BOLT ASSY, final drive, Includes ref. no. 36

2шт.

35

563472R1

NUT, wheel hub

20шт.

36

565130R3

BOLT,3/4" - 16 x 2 5/8", Class 8

wheel hub

20шт.

37

631512R1

SPACER, final drive gear

2шт.

38

ST863

BEARING CUP,93.22mm OD x 23.81mm W

CUP, bearing

2шт.

39

ST2051

TAPERED BEARING,1.75" ID x 3.6718" OD x 1.1875"

CONE, bearing

2шт.

40

569562R1

WASHER, final drive shaft bearing thrust

2шт.

41

73177R1

NUT

final drive shaft bearing

2шт.

1/8 X 1-3/4 COTTER PIN

2шт.

42

571194R1

GASKET, final drive shaft inner bearing cup

2шт.

43

571193R1

CAP, final drive shaft inner bearing

2шт.

7/16 X 1-1/4 CAP SCREW

10шт.

7/16 LOCK WASHER

10шт.

44

631558R1

BOLT,Hex, 1/2" - 13 x 1 1/4", Gr 8

SCREW, 1/2 X 1-1/4 CAP

20шт.

1/2 LOCK WASHER

20шт.

45

LOCKWIRE, main drive knuckle bolt, 18 in. long, Order from bulk stock

4шт.

46

357101R1

PLUG

CAP, wheel brake housing

2шт.

47

571187R1

SHAFT, wheel brake pinion

2шт.

48

571204R1

HOUSING, final drive brake

2шт.

3/8 X 1/2 CAP SCREW

2шт.

7/16 - 20UNF X 4 CAP SCREW

10шт.

7/16 - 20UNF NUT

10шт.

3/8 LOCK WASHER

2шт.

7/16 LOCK WASHER

10шт.

49

369064R92

BRAKE

ASSY, disc, Composed of

1шт.

369079R92

PLATE

DISC, middle

2шт.

369080R91

DISC

actuating

1шт.

369237R1

LINK

YOKE

1шт.

369238R1

BOLT,3/8" - 24 x 1 3/8", HT

STUD

2шт.

357116R1

SPRING

3шт.

16028R1

BALL

5шт.

3/8 - 24UNF JAM NUT

2шт.

50

631409R11

ADAPTER W/PIN ASSY, brake housing

2шт.

141279

DOWEL,1/2" x 3/4"

1/2 X 3/4 DOWEL PIN

2шт.

51

217-442

PLUG,3/4" - 14

3/4 pipe

4шт.

52

571195R1

SHAFT, final drive housing lower pivot

2шт.

53

567754R1

GASKET

final drive

2шт.

54

571188R91

PAN W/TUBE, final drive housing

2шт.

3/8 X 3/4 CAP SCREW

24шт.

3/8 LOCK WASHER

24шт.

55

217-442

PLUG,3/4" - 14

3/4 PIPE

2шт.

56

634729R91

CYLINDER BLOCK

CYLINDER ASSY, wheel brake

1шт.

1/4 X 1 CAP SCREW

4шт.

1/4 LOCK WASHER

4шт.

129290H

EXCITER

WASHER, copper

2шт.

56

634974R91

KIT

service package wheel brake cylinder

1шт.

57

354630R1

NUT

pull rod adjusting, 7/16 - 20UNF

2шт.

58

571197R1

BRACKET, brake lower support

1шт.

1/4 X 1 CAP SCREW

8шт.

1/4 LOCK WASHER

8шт.

59

357043R1

CLEVIS,3/8" - 24

brake pull rod

2шт.

82663H

PIN

7/16 X 1-3/8 ROD END PIN

2шт.

3/32 X 3/4 COTTER PIN

2шт.

60

571199R1

ROD, brake lower

2шт.

425-157

JAM NUT,Jam, 7/16"-20, G5

4шт.

61

381699R1

BOOT

brake housing

2шт.

62

634329R1

LEVER, wheel brake

2шт.

138145

CLEVIS PIN,3/4" x 1.910"

3/4 X 2-3/64 ROD END PIN

2шт.

1/8 X 1-1/4 COTTER PIN

2шт.

63

62506HB

SPRING, brake lever return

2шт.

64

566436R1

CLIP

return spring

2шт.

3/8 X 1/2 CAP SCREW

2шт.

3/8 LOCK WASHER

2шт.

Выбрано товаров: 108