Запчасти Case IH 403 (167) - SIDE LEVELING CYLINDER (35) - HYDRAULIC SYSTEMS

Схема запчастей Case IH 403 - (167) - SIDE LEVELING CYLINDER (35) - HYDRAULIC SYSTEMS
41
35
8
3
42
27
26
36
45
17
33
31
44
19
37
15
13
25
21
39
9
29
32
28
5
4
30
14
6
40
31
10
16
19
11
22
23
29
20
1
43
2
34
24
28
12
24
1
18
7
30
38
FIT
1:1
100%

Артикул

Название

Примечание

Количество

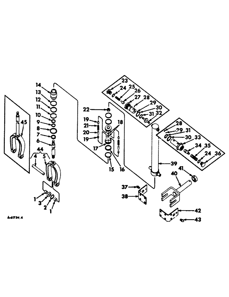
583894R92

CYLINDER W/YOKE ASSY, side leveling, Includes ref nos 2, 3, 6 thru 32, 35, 36 and 39

1шт.

1

574754R1

SPACER, cylinder yoke pin

2шт.

2

575030R1

SNAP RING

1шт.

3

294883R92

BUSHING

BEARING ASSY

1шт.

4

574753R1

PIN, cylinder yoke

1шт.

1/4 X 2 COTTER PIN

2шт.

5

574752R1

YOKE, cylinder, Order 584012R91 yoke and rod assy, ref no. 44

1шт.

6

574794R1

ROD, piston, Order 584012R91 yoke and rod assy, ref no. 44

1шт.

7

560058R91

SEAL ASSY, LH

1шт.

8

573697R1

BEARING LOCK NUT

piston rod bearing

1шт.

9

529440R1

WASHER

WASHER, piston rod backup

1шт.

10

259771R1

O-RING,0.21" Thk x 1.725" ID, -327, Cl 5, 75 Duro

piston

1шт.

11

573696R1

LOCK RING, piston rod bearing

1шт.

12

573056R1

WASHER, piston rod bearing backup

1шт.

13

354836R1

O-RING,0.139" Thk x 3.234" ID, -236, Cl 5, 75 Duro

piston rod bearing

1шт.

14

574792R1

BEARING, piston rod

1шт.

15

361012R1

WASHER

piston outer backup

2шт.

15

587643R1

WASHER, piston outer backup

2шт.

16

352216R1

O-RING,0.21" Thk x 3.1" ID, -338, Cl 5, 75 Duro

piston outer

2шт.

17

574793R91

PISTON ASSY, Serviced in pairs

2шт.

18

254954R1

O-RING,0.139" Thk x 1.046" ID, -215, Cl 5, 75 Duro

piston inner

2шт.

19

574796R91

POPPET ASSY

4шт.

20

574797R1

SLEEVE

2шт.

21

574789R1

SPRING

lockout

2шт.

22

691547R1

NUT

1 in.

1шт.

23

574791R1

PLUG, slotted

1шт.

24

350429R1

O-RING,0.103" Thk x 0.612" ID, -114, Cl 5, 75 Duro

cage plug

2шт.

25

574789R1

SPRING

locknut

1шт.

26

574788R1

VALVE POPPET

POPPET

1шт.

27

574790R1

CAGE

1шт.

28

19315R1

PIN, ROLL

1/16 x 1/4

2шт.

29

17005R1

BALL,5/32" Dia

steel, 5/32

2шт.

30

283401R1

O-RING

cage

2шт.

31

369908R1

O-RING,0.103" Thk x 0.799" ID, -117, Cl 5, 75 Duro

thermal relief cage

2шт.

32

574787R91

PISTON ASSY.

PISTON ASSY

2шт.

33

169142C91

LOCK VALVE

POPPET AND CARTRIDGE ASSY, Includes ref. no. 34

1шт.

34

VALVE, Order 169142C91 poppet and cartridge assy

1шт.

35

587146R1

SPRING, thermal relief

1шт.

36

9410359

PLUG

3/4

1шт.

37

109461

LUBE NIPPLE,1/8"-27 x .66 lg

NIPPLE, LUBE, , Not included in cylinder assy 1/8"-27 x .66 lg

2шт.

38

574758R1

CLAMP, cylinder trunnion yoke outer

1шт.

1/2 X 1-1/4 MACH BOLT W/NUT

3шт.

1/2 X 1-1/2 MACH BOLT W/NUT

4шт.

1/2 LOCK WASHER

7шт.

39

574795R91

BARREL ASSY

1шт.

40

574755R91

YOKE, cylinder trunnion

1шт.

2-17/32 X 3-1/4 X 16 GA WASHER

1шт.

41

574760R1

COLLAR, cylinder trunnion yoke retaining

1шт.

1/8 X 1 COTTER PIN

1шт.

3/8 X 3/4 DLD. PIN

1шт.

42

574759R1

CLAMP, cylinder trunnion yoke inner

1шт.

1/2 X 1-1/4 MACH BOLT W/NUT

3шт.

1/2 LOCK WASHER

3шт.

43

332040

LUBE NIPPLE,90 Degree, 1/8" NPT x .84" lg

FITTING, 1/8 90 deg. elbow lubrication, Not included in cylinder assy

1шт.

44

584012R91

YOKE AND ROD ASSY, cylinder, optional for 588285R91 yoke and rod assy

1шт.

45

588285R91

YOKE AND ROD ASSY, cylinder, optional for 584012R91 yoke and rod assy

1шт.

617940R1

PIN,5/16" x 1 3/4", Coiled

1шт.

Выбрано товаров: 57