Запчасти Case IH 303 (409) - C-221 ENGINE, 3-9/16 X 3-11/16, ALTERNATOR GENERATOR, VOLTAGE REGULATOR AND CONNECTIONS (10) - ENGINE

Схема запчастей Case IH 303 - (409) - C-221 ENGINE, 3-9/16 X 3-11/16, ALTERNATOR GENERATOR, VOLTAGE REGULATOR AND CONNECTIONS (10) - ENGINE
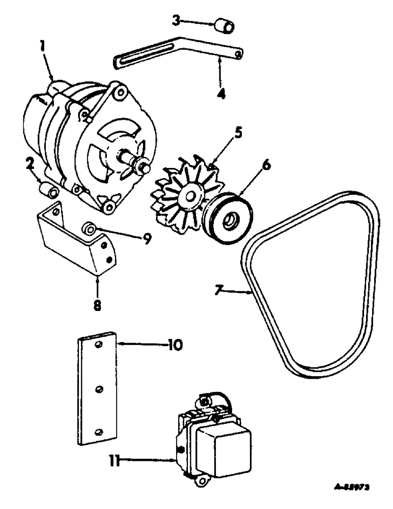
6
10
8
9
1
11
4
7
2
3
5
FIT
1:1
100%

Артикул

Название

Примечание

Количество

1

1100750

SPARE PART ALTERNATOR GENERATOR ASSY, 393820R91, Order 1100791 alternator generator assy, 397091R91, For components see list of parts under details of alternator generator

1шт.

1

103806A1R

REMAN-ALTERNATOR

Remanufactured Alternator, 12 volt 60 ampere

1шт.

1

103806A1C

CORE-ALTERNATOR

Return Number

1шт.

1

103805A1R

REMAN-ALTERNATOR

Remanufactured Alternator, 12 volt 55 ampere

1шт.

1

103805A1C

CORE-ALTERNATOR

Return Number

1шт.

120614

NUT,Hex, #10 - 32

NUT, #10-32

1шт.

225-14112

NUT,#12-24

12-24 C-Z hex. mach screw

1шт.

179819

BOLT,Hex, 5/16" - 18 x 1 1/8", Gr 5

BOLT, Hex, 5/16"-18 x 1 1/8", G5

1шт.

120217

LOCK WASHER,#10

WASHER, LOCK, #10

1шт.

492-11012

LOCK WASHER,#12

Washer, Lock, #12

1шт.

103320

LOCK WASHER,5/16"

WASHER, LOCK, 5/16"

1шт.

557264R1

WASHER

WASHER, 11/32 x 3/4 x 11 ga

1шт.

1

1100791

GENERATOR

ALTERNATOR GENERATOR ASSY, 397091R91, For components see list of parts under details of alternator generator

1шт.

121743

CHAIN,#12 - 24

12-24 C-Z hex. mach screw

1шт.

121744

ANGLE

Washer, Lock, #12

1шт.

120614

NUT,Hex, #10 - 32

NUT, #10-32

1шт.

120217

LOCK WASHER,#10

WASHER, LOCK, #10

1шт.

433115

BOLT,Hex, 3/8" - 16 x 4 1/4", Gr 5

SCREW, 8/8-16 x 4-1/4 C-Z hex-hd cap

1шт.

120382

LOCK WASHER,Helical Spring, 3/8"

WASHER, LOCK, 3/8"

1шт.

120377

NUT,3/8" - 16, Gr 5

NUT, 3/8"-16, G5

1шт.

2

384993R1

SPACER

SPACER, alternator generator mounting bracket, long

1шт.

3

371108R1

SPACER,3/8" Pipe x .844"

SPACER, alternator generator brace, LP gas only, gasoline, Serial no. 49992 & above

1шт.

4

384994R1

BRACE

BRACE, alternator generator, gasoline, Serial no. 49991 & below

1шт.

179850

BOLT,Hex, 3/8" - 16 x 2 3/4", Gr 5

SCREW, 3/8-16 x 2-3/4 hex-hd cap

1шт.

103321

LOCK WASHER,3/8"

WASHER, LOCK, 3/8"

1шт.

4

371107R2

SUPPORT

BRACE, alternator generator, LP gas, gasoline, Serial no. 49992 & above

1шт.

186283

BOLT,Hex, 3/8" - 16 x 3 1/2", Gr 5

SCREW, 3/8-16 x 3-1/2 hex-hd cap

1шт.

5

1940994

FAN

FAN, alternator generator

1шт.

6

1961291

PULLEY

PULLEY, alternator generator

1шт.

7

393415R1

BELT

BELT, Alternator & water pump

1шт.

8

384991R1

SUPPORT

BRACKET, alternator generator mounting

1шт.

102635

NUT,3/8"-16, G5

NUT, 3/8"-16, G5

1шт.

179820

BOLT,Hex, 5/16" - 18 x 1 1/4", Gr 5

BOLT, Hex, 5/16"-18 x 1 1/4", G5

1шт.

433114

BOLT,Hex, 3/8" - 16 x 4 1/4", Gr 5

SCREW, 3/8-16 x 4-1/4 hex-hd cap

1шт.

103320

LOCK WASHER,5/16"

WASHER, LOCK, 5/16"

1шт.

103321

LOCK WASHER,3/8"

WASHER, LOCK, 3/8"

1шт.

9

384992R1

SPACER

SPACER, alternator generator mounting bracket, short

1шт.

10

393841R1

SPARE PART BRACKET, voltage regulator mounting

1шт.

938017R1

FLANGE NUT,Flg, USR, 5/16"-18

NUT, 5/16-18 whiz lock

1шт.

179818

BOLT,Hex, 5/16" - 18 x 1", Gr 5

BOLT, Hex, 5/16"-18 x 1", G5, Full Thd

1шт.

173127

SPARE PART WASHER, 5/16 int-ext tooth lock Ext-Int Tooth, 5/16"

1шт.

11

1119513

VOLTAGE REGULATOR

REGULATOR ASSY, voltage, 336410R91, Composed of

1шт.

1958151

COVER

1шт.

1962733

SCREW

SCREW, cover

2шт.

1119507

GOVERNOR

REGULATOR

1шт.

1965398

SHOCK BRACKET PACKAGE

1шт.

938016R1

FLANGE NUT,Flg, USR, 1/4"-20

NUT, 1/4-20 whiz lock

2шт.

413-412

BOLT,Hex, 1/4" - 20 x 3/4", Gr 5

BOLT, Hex, 1/4"-20 x 3/4", G5, Full Thd

2шт.

Выбрано товаров: 48