Запчасти Case IH 303 (414) - C-221 ENGINE, 3-9/16 X 3-11/16, ELECTRICAL SYSTEM, WIRING DIAGRAM COMBINE SERIAL NO. 9248 AND ABOVE (10) - ENGINE

Схема запчастей Case IH 303 - (414) - C-221 ENGINE, 3-9/16 X 3-11/16, ELECTRICAL SYSTEM, WIRING DIAGRAM COMBINE SERIAL NO. 9248 AND ABOVE (10) - ENGINE
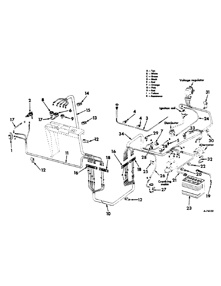
9
16
31
10
28
7
17
22
25
26
12
18
24
34
27
4
12
12
29
33
32
15
2
13
19
30
16
3
21
18
28
20
1
11
4
23
6
8
5
14
17
FIT
1:1
100%

Артикул

Название

Примечание

Количество

1

366317R91

IGNITION SWITCH

SWITCH ASSY, push button starting

1шт.

120611

NUT,#10 - 32

10-32 C-Z sq mach screw

2шт.

100751

SCREW,Slotted Rd Hd, #8-32 x 1/2"

8-32 x 1/2 slt-rd-hd mach

1шт.

132903

ADAPTER

SCREW, 10-32 x 7/16 C-Z slt-rd-hd mach

2шт.

120217

LOCK WASHER,#10

WASHER, LOCK, #10

2шт.

615226R1

WASHER

1-1/32 x 1-1/2 x 22 ga

2шт.

2

365522R91

IGNITION SWITCH

SWITCH ASSY, ignition, Key type

1шт.

365502R1

NUT

switch mounting

1шт.

112871

SCREW, 6-32 x 5/16 slt-rd-hd mach

2шт.

125793

LOCK, Int Tooth, 13/16"

1шт.

118872

DECAL

WASHER, no. 6 light lock

2шт.

3

564534R91

CABLE

ASSY, choke, gasoline

1шт.

3

588063R91

CABLE

ASSY, choke, LP gas

1шт.

4

362127R1

CLIP

choke cable

2шт.

5

665016R91

TEMPERATURE SENDER

UNIT ASSY, water temperature sending

1шт.

221-89

REDUCER,Hex, 1/2" x 3/8" NPT

BUSHING, 1/2 x 3/8 reducer

1шт.

6

939262R91

GAUGE ASSY.

GAUGE ASSY, water temperature

1шт.

7

665014R91

SENDER UNIT

UNIT ASSY, oil pressure sending

1шт.

8

939263R91

GAUGE ASSY.

GAUGE ASSY, oil pressure

1шт.

9

154818C91

GAUGE ASSY.

GAUGE ASSY, charge indicator, Optional with 264431R91

1шт.

9

264431R91

AMMETER

GAUGE ASSY, charge indicator, Optional with 154818C91

1шт.

10

154829C91

HARNESS ASSY, cable

1шт.

11

154828C91

HARNESS ASSY, starter and starter switch cable

1шт.

12

362120R1

CLAMP,9.53mm ID, 10.32mm Bolt Hole, P Type

CLIP, cable harness

10шт.

13

140582

CLAMP

CLIP, cable harness

1шт.

14

140571

CLIP

cable harness

1шт.

15

154855C91

HARNESS ASSY, instrument gauge cable

1шт.

16

565481R91

BAR

BLOCK ASSY, four terminal junction

2шт.

100779

BOLT,Rd Hd, #12 - 24 x 3/4"

SCREW, 12-24 x 3/4 slt-rd-hd mach

4шт.

103102

NUT, 12-24 sq mach screw

4шт.

106498

LOCK WASHER,#12

Washer, Lock, #12

4шт.

17

565553R91

CABLE ASSY, switch and gauge

2шт.

18

300559R91

BLOCK

ASSY, three terminal junction

2шт.

100779

BOLT,Rd Hd, #12 - 24 x 3/4"

SCREW, 12-24 x 3/4 slt-rd-hd mach

4шт.

103102

NUT, 12-24 sq mach screw

4шт.

106498

LOCK WASHER,#12

Washer, Lock, #12

4шт.

19

629029R92

NEG BATTERY CABLE

CABLE ASSY, Serial Range: battery-ground

1шт.

179856

BOLT,Hex, 7/16" - 14 x 3/4", Gr 5

SCREW, 7/16-14 x 3/4 hex-hd cap

1шт.

103322

LOCK WASHER,7/16"

WASHER, LOCK, 7/16"

1шт.

61252H

WASHER

15/32 x 3/4 x 11 ga

1шт.

20

140571

CLIP

closed

1шт.

17411R1

BOLT,Hex, 5/16"-18 X 3/4", G2

5/16-18 x 3/4 hex-hd

1шт.

9635082

NUT,5/16" - 18, Gr 5

5/16-18 hex.

1шт.

103320

LOCK WASHER,5/16"

WASHER, LOCK, 5/16"

1шт.

21

632106R91

CABLE

ASSY, battery to cranking motor

1шт.

22

362120R1

CLAMP,9.53mm ID, 10.32mm Bolt Hole, P Type

CLIP, battery cable

1шт.

23

365861R91

BATTERY, Prestolite HS11-60 12 volt

1шт.

24

368267R91

CABLE

ASSY, coil to distributor primary

1шт.

25

362127R1

CLIP

fuel pump cable

1шт.

26

632095R91

CABLE ASSY, fuel pump, gasoline engines

1шт.

27

631259R91

PUMP

ASSY, fuel, gasoline engines only, Bendix, For components see list of parts under details of fuel pump

1шт.

28

384559R1

CLIP

main cable harness, On crankcase oil pan RH side

2шт.

29

358986R1

CABLE CLIP

CLIP, main cable harness, On crankcase RH upper tapped hole

1шт.

179879

BOLT,Hex, 1/2" - 13 x 3/4", Gr 5

1шт.

103323

LOCK WASHER,1/2"

WASHER, LOCK, 1/2"

1шт.

30

362123R1

CLIP

cable harness, On governor housing upper RH tapped hole

1шт.

31

370383R1

CLIP

cable harness, On RH water outlet housing screw

1шт.

32

385006R91

CABLE ASSY, Serial Range: alternator-ground

1шт.

33

362120R1

CLAMP,9.53mm ID, 10.32mm Bolt Hole, P Type

CLIP, cable harness, On alternator adjustment bolt

1шт.

34

393836R91

HARNESS

ASSY, main cable

1шт.

Выбрано товаров: 60