Запчасти Case IH 303 (046) - HYDROSTATIC DRIVE, TRANSMISSION PARTS (21) - TRANSMISSION

Схема запчастей Case IH 303 - (046) - HYDROSTATIC DRIVE, TRANSMISSION PARTS (21) - TRANSMISSION
9
6
2
1
10
4
7
8
3
5
FIT
1:1
100%

Артикул

Название

Примечание

Количество

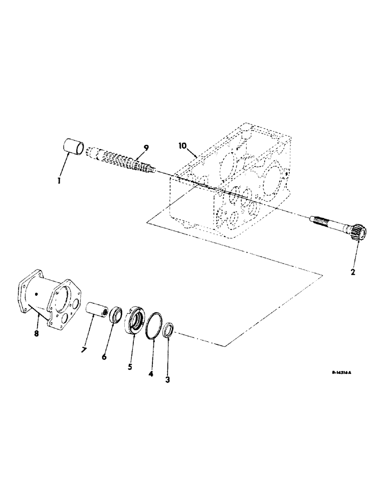
1

389434R1

BUSHING, intermediate shaft left

1шт.

2

389439R1

SHAFT, input pinion

1шт.

3

938294R91

OIL SEAL,32.89mm ID x 54.08mm OD x 8mm Thk

ASSY, input shaft left bearing oil

1шт.

4

379447R1

RING

input pinion shaft bearing cap square seal

1шт.

5

389443R1

CAP, input pinion shaft bearing

1шт.

379446R1

SCREW,Hex, 3/8" - 16 x 1 3/8", W/ Nylon Pellet

3/8 x 1-3/8 cap w/nylon pellet

3шт.

6

389440R91

BEARING ASSY,31.75mm ID x 72mm OD x 17mm W

input shaft outer ball

1шт.

7

389441R1

COUPLING

transmission input

1шт.

8

389442R1

HOUSING, motor adapter

1шт.

873462R1

BOLT,Spcl, Hex, 7/16" - 14 x 1 1/4", w/ Nylon Pellet

SCREW, 7/16 x 1-1/4 cap w/nylon pellet

7шт.

103026

NUT,3/8"-24, G5

9шт.

9

SHAFT ASSY, transmission intermediate, Refer to axle transmission for listing

1шт.

10

CASE, transmission, Refer to axle transmission for listing

1шт.

Выбрано товаров: 13