Запчасти Case IH 303 (038) - AXLE TUBE, FINAL DRIVE AND WHEEL BRAKES (25) - FRONT AXLE SYSTEM

Схема запчастей Case IH 303 - (038) - AXLE TUBE, FINAL DRIVE AND WHEEL BRAKES (25) - FRONT AXLE SYSTEM
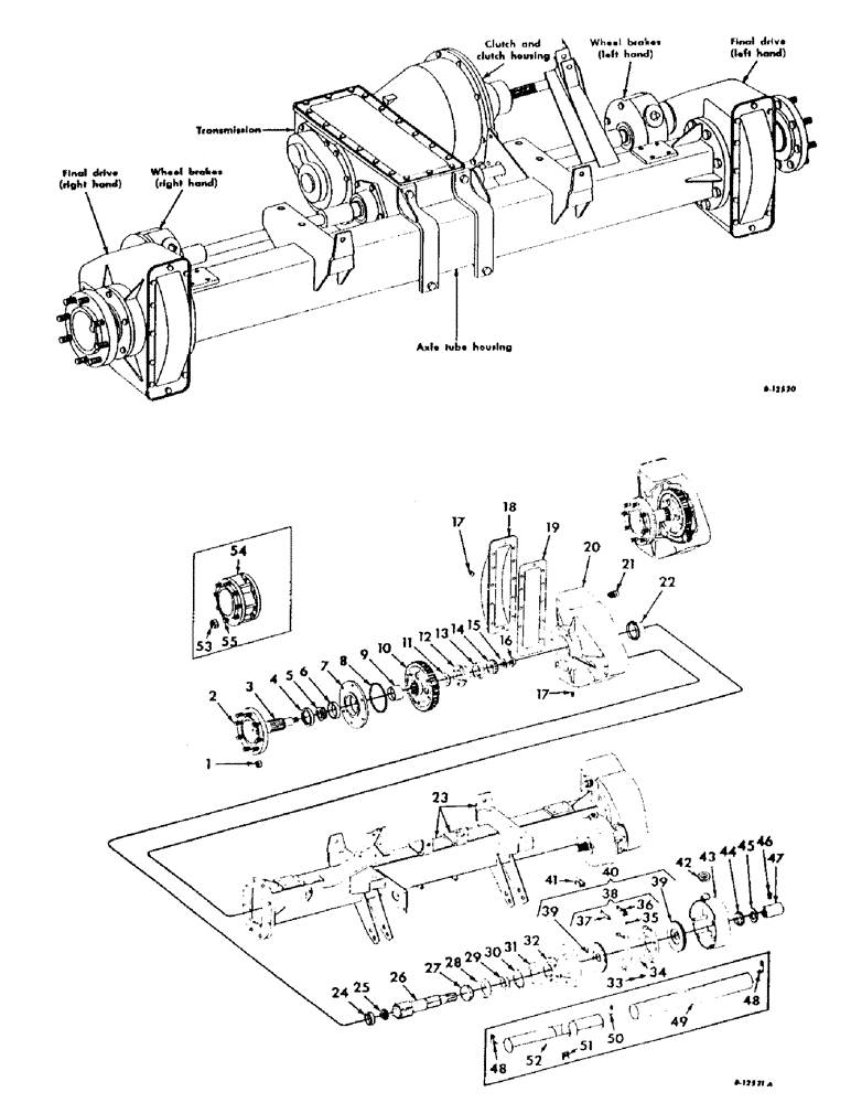
10
19
36
35
25
54
40
32
9
16
20
3
30
53
8
39
43
5
22
13
4
2
50
55
21
44
49
52
31
27
42
24
45
46
29
1
18
48
17
17
39
48
33
7
23
15
47
34
28
38
26
41
12
14
37
11
51
6
FIT
1:1
100%

Артикул

Название

Примечание

Количество

1

554480R1

WHEEL NUT

5/8-18UNF wheel bolt

16шт.

2

566206R2

BOLT,5/8" - 18 x 2.38", Class 8

wheel

16шт.

3

385945R1

SHAFT

final drive

2шт.

PIN, 1/8 x 2-1/2 cot.

1шт.

4

380185R91

OIL SEAL

OIL SEAL, final drive outer bearing cage

2шт.

5

ST2073

TAPERED BEARING,2.625" ID x 4.4375" OD x 1.1875"

CONE ASSY, final drive shaft outer bearing

2шт.

6

13363D

TAPERED BEARING

CUP, final drive shaft outer bearing

2шт.

7

583236R1

CAGE, final drive outer bearing, Serial no. 9427 & below

2шт.

7

395674R1

CAGE, final drive outer brg, Serial no. 9428 & above

2шт.

7/16 x 1-1/4 cap screw

12шт.

7/16 lockwasher

12шт.

8

252741R1

O-RING

final drive housing

2шт.

9

380282R1

SPACER, final drive shaft outer

2шт.

10

379504R11

GEAR

ASSY, final drive

2шт.

373109R1

RIVET, final drive gear

6шт.

11

379505R1

SPACER

final drive gear inner

2шт.

12

583237R1

CAGE, final drive inner bearing

2шт.

297330R1

BOLT

3/8 x 1 nylock cap screw

6шт.

13

130503H

BEARING CUP

CUP, final drive shaft inner bearing

2шт.

14

62923R91

ROLLER BEARING

CONE ASSY, final drive shaft inner bearing

2шт.

15

589765R1

WASHER

final drive shaft

2шт.

16

73177R1

NUT

final drive shaft

2шт.

17

217-442

PLUG,3/4" - 14

3/8 sq-hd pipe

4шт.

18

587078R91

PAN ASSY.

PAN ASSY, final drive housing

2шт.

3/8 x 3/4 cap screw

12шт.

3/8 lockwasher

12шт.

19

587655R1

GASKET

final drive housing pan

2шт.

20

379500R1

HOUSING, final drive LH

1шт.

20

379501R1

HOUSING, final drive RH

1шт.

21

61991R91

BREATHER,1/8"-27 NPT, Short, w/washer

final drive housing oil

2шт.

22

583238R1

PLATE

CAP, final drive shaft inner bearing

2шт.

23

633692R92

AXLE, less transmission, brakes, wheels and tires

1шт.

23

153410C91

AXLE, less transmission, brakes, wheels and tires, For hydrostatic ground drive

1шт.

54700R1

DOWEL

axle end flange

4шт.

1/2 x 1-1/2 cap screw

2шт.

1/2 x 1-3/4 cap screw

1шт.

1/2 x 2 cap screw

1шт.

1/2 x 6-1/2 cap screw

2шт.

5/8 X 1-1/2 cap screw

2шт.

115553

LOCK WASHER,Int Tooth, 5/8"

WASHER, LOCK, Int Tooth, 5/8"

4шт.

17/32 x 1 x 16 Ga washer

3шт.

24

618024R1

BEARING CUP,65.113mm OD x 13.97mm W

Final drive pinion shaft outer

2шт.

25

618023R91

BEARING ASSY,34.93mm ID x 18.2mm W

CONE, final drive pinion shaft outer bearing

2шт.

26

376461R2

SHAFT

final drive pinion

2шт.

27

56934D

ROLLER BEARING,2.1663" ID x 3.8125" OD x 0.8268"

CONE, final drive pinion shaft inner bearing

2шт.

28

105497H

BEARING CUP,96.85mm OD x 15.77mm W

CUP, final drive pinion shaft inner bearing

2шт.

29

380186R91

OIL SEAL

OIL SEAL, brake adapter

2шт.

30

317923R1

O-RING,0.139" Thk x 3.609" ID, -239, Cl 5, 75 Duro

brake adapter

2шт.

31

376467R1

SHIM

brake adapter, light

4шт.

32

379506R1

ADAPTER, brake

2шт.

141279

DOWEL,1/2" x 3/4"

1/2 x 3/4 dowel pin

2шт.

376465R1

7/16 x 1-1/4 nylock cap screw

10шт.

33

354627R1

SPRING

4шт.

34

16028R1

BALL

7/8 steel chrome

10шт.

34

16028R1

BALL

7/8 steel chrome

8шт.

35

354642R1

STUD

actuating disc

4шт.

5/16 - 24 UNF jam nut

4шт.

36

354640R91

LINK

actuating

2шт.

37

354641R1

LINK

actuating plain

2шт.

38

368293R91

PLATE

DISC ASSY, actuating

2шт.

39

567989R92

DISC

ASY, middle

4шт.

40

574966R92

BRAKE ASSY, wheel

2шт.

41

357043R1

CLEVIS,3/8" - 24

YOKE, brake operating

2шт.

16618R1

CLEVIS PIN,7/16" x 1.190"

7/16 x 1-15/16 dld pin

2шт.

3/32 x 5/8 cotter pin

2шт.

42

381699R1

BOOT

wheel brake

2шт.

43

368296R3

CASE

HOUSING, wheel brake

2шт.

7/16 x 3-1/4 cap screw

10шт.

7/16 nut

10шт.

13/32 x 1-1/4 x 11 GA washer

12шт.

44

379508R1

CAGE, brake housing dirt seal

2шт.

45

282543R91

OIL SEAL

brake housing dirt

2шт.

46

937589R1

SCREW,Set, 7/16" - 14 x 5/8", Steel

axle drive shaft sleeve set

4шт.

47

573957R1

COUPLING

SLEEVE, axle drive shaft

4шт.

48

568810R1

CLIP, axle final drive shaft shield inner, rice

6шт.

15/32 x 1 x 11 GA washer

6шт.

49

588804R1

SHIELD, axle final drive shaft RH, rice

1шт.

440-1258

SCREW,Cross Pan Hd, 1/4"-20 x 1/2"

1/4 x 1/2 slt-rd-hd mach screw

4шт.

1/4 lockwasher

4шт.

50

634978R1

CLIP, axle final drive shaft shield, rice

6шт.

575807R1

WASHER

13/32 x 1 x 11 GA washer

3шт.

51

564791R1

SPRING NUT

1/4 speed, rice

1шт.

52

5888802R1

SHIELD, final drive shaft LH, rice, For machines with main wheel tires

1шт.

440-1258

SCREW,Cross Pan Hd, 1/4"-20 x 1/2"

1/4 x 1/2 slt-rd-hd mach screw

3шт.

1/4 lockwasher

3шт.

53

554480R1

WHEEL NUT

5/8 - 18 UNF wheel bolt, grain

8шт.

54

654676R11

SPACER W/BOLT AND NUT ASSY, RH main wheel, Includes ref. nos. 53 and 55, grain

1шт.

55

566206R2

BOLT,5/8" - 18 x 2.38", Class 8

wheel spacer, grain

8шт.

Выбрано товаров: 88