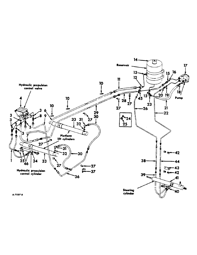
Запчасти Case IH 303 (158) - PLATE LIFT AND PROPULSION CONTROL, HYDRAULIC DIAGRAM, POWER STEERING (35) - HYDRAULIC SYSTEMS

Схема запчастей Case IH 303 - (158) - PLATE LIFT AND PROPULSION CONTROL, HYDRAULIC DIAGRAM, POWER STEERING (35) - HYDRAULIC SYSTEMS
27
19
35
39
40
1
27
32
18
26
33
42
5
21
29
43
3
3
27
28
15
32
10
37
27
24
13
13
3
23
9
16
20
11
6
38
27
46
4
2
41
14
8
33
31
7
3
30
40
34
17
3
27
44
10
42
22
12
30
31
10
36
45
25
FIT
1:1
100%

Артикул

Название

Примечание

Количество

1

574499R91

HOSE ASSY, propulsion control cylinder, Serial no. 1567 to 7277, For use with propulsion control cylinder, 574475R91

2шт.

1

939480R91

HOSE

ASSY, propulsion control cylinder, For use with propulsion control cylinder, 387864R91

2шт.

2

629349R1

HYD CONNECTOR,7/16"-20, 37 Degree x 3/4"-16, O-Ring

CONNECTOR, propulsion control

2шт.

3

570828R1

O-RING,0.087" Thk x 0.644" ID, -908, Cl 6, 90 Duro

propulsion drive and platform lift valve

3шт.

4

156201C91

HYDRAULIC VALVE

VALVE ASSY, propulsion drive and platform lift, For components see list of parts under details of propulsion drive and platform lift valve

1шт.

5

574478R1

UNION

CONNECTOR, return tube

1шт.

6

628436R11

TUBE ASSY, front return, grain tank 0.625" OD, 77.88, 4" Length

1шт.

6

654730R11

TUBE ASSY, front return, bagger

1шт.

7

628437R91

HOSE

ASSY, front pressure

1шт.

8

9410203

HYD CONNECTOR,3/4"-16, 37 Degree x 3/4"-16, O-Ring

CONNECTOR, platform lift tube

1шт.

9

628434R11

TUBE W/NUT AND SLEEVE ASSY, platform lift cylinder 1" OD, 39.56, 11.68" Length

1шт.

10

567895R2

CLIP, tube

3шт.

11

628440R91

HOSE ASSY, platform lift return

1шт.

12

633300R91

TEE, reservoir return

1шт.

13

368269R1

O-RING,0.116" Thk x 0.924" ID, -912, Cl 6, 90 Duro

reservoir connector

2шт.

14

633382R91

RESERVOIR ASSY, hydraulic oil, For components see list of parts under details of hydraulic reservoir

1шт.

15

9410202

HYD CONNECTOR,9/16"-18, 37 Degree x 9/16"-18, O-Ring

CONNECTOR, pump pressure

1шт.

16

364839R1

O-RING,0.078" Thk x 0.468" ID, -906, Cl 6, 90 Duro

6-1, 90 Duro, .468" ID x .078" Thk, pump pressure connector

1шт.

17

633294R91

PUMP ASSY, hydraulic, For components see list of parts under details of hydraulic pump

1шт.

18

368269R1

O-RING,0.116" Thk x 0.924" ID, -912, Cl 6, 90 Duro

pump suction hose

1шт.

19

364885R1

O-RING,0.097" Thk x 0.755" ID, -910, Cl 6, 90 Duro

pump pressure connector

1шт.

20

587578R1

CONNECTOR, ELEC

CONNECTOR, pump pressure

1шт.

21

628438R92

HOSE ASSY, suction

1шт.

22

628933R11

TUBE W/NUT AND SLEEVE ASSY, power steering pressure upper

1шт.

23

9410979

ELBOW,90 Degree, 1 1/16"-12, 37 Degree x 1 1/16"-12, O-Ring

reservoir suction

1шт.

24

9403402

REDUCER,37 Degree, 5/8" x 1/4" Tube

reservoir return tee, Serial no. 501 to 2750

1шт.

25

9403529

TUBE NUT,37 Degree, 7/8"-14, Type B

NUT, reservoir return tee, Serial no. 501 to 2750

1шт.

26

628934R11

TUBE W/NUT AND SLEEVE ASSY, power steering return upper 0.375" OD, 28.25, 17" Length

1шт.

27

587501R2

CLAMP

CLIP, tube

6шт.

5/16 x 3/4 mach bolt w/nut

5шт.

5/16 lockwasher

5шт.

28

633302R11

TUBE W/NUT AND SLEEVE ASSY, upper pressure 1" OD, 30.5, 9.75" Length

1шт.

29

654729R11

TUBE W/NUT AND SLEEVE, front pressure, bagger

1шт.

30

587582R91

HOSE ASSY.

HOSE ASSY, platform lift cylinder

2шт.

31

9410977

ELBOW,90 Degree, 3/4"-16, 37 Degree x 3/4"-16, O-Ring

platform lift cylinder hose

2шт.

32

570828R1

O-RING,0.087" Thk x 0.644" ID, -908, Cl 6, 90 Duro

platform cylinder lift elbow

2шт.

33

570263R91

CYLINDER ASSY, platform hydraulic lift, Optional for 570251R91 cylinder assy, grain machines, Not for machines equipped with 18.4 in. tires, For components see list of parts under details of platform hydraulic lift cylinder

2шт.

33

570251R91

CYLINDER ASSY, platform hydraulic lift, Optional for 570263R91 cylinder assy, grain machines, Not for machines equipped with 18.4 in. tires, For components see list of parts under details of platform hydraulic lift cylinder

2шт.

33

574016R91

CYLINDER ASSY, platform hydraulic lift, Optional for 570252R91 cylinder assy, For machines equipped with 18.4 in. and 23.1 in. tires, For components see list of parts under details of platform hydraulic lift cylinder

2шт.

33

570252R91

CYLINDER ASSY, platform hydraulic lift, Optional for 574016R91 cylinder assy, For machines equipped with 18.4 in. and 23.1 in. tires, For components see list of parts under details of platform hydraulic lift cylinder

2шт.

34

574475R91

CYLINDER ASSY, propulsion control, For components see list of parts under details of hydraulic propulsion cylinder, Order 387864R91 cylinder assy, (2) hose assys, 939480R91 and (2) o-rings, 364839R1

1шт.

34

387864R91

CYLINDER ASSY, propulsion control, For components see list of parts under details of hydraulic propulsion cylinder

1шт.

35

105422

ELBOW UNION

ELBOW, For use with propulsion control cylinder, 574475R91

1шт.

36

631848R11

TUBE W/NUT AND SLEEVE ASSY, platform lift cylinder lower 1" OD, 31.38, 4.87" Length

1шт.

37

583799R1

ANCHOR, platform cylinder lower tube clip

1шт.

38

627538R11

TUBE W/NUT AND SLEEVE ASSY, power steering lower return 0.375" OD, 46.06" Length

1шт.

39

653909R91

HOSE ASSY, power steering tube to steering cylinder, For use with cylinder assy, 629266R92, Serial no., Serial Range: 501--

2шт.

39

587575R1

HOSE ASSY, power steering tube to steering cylinder, For use with cylinder assy, 574041R92 or 935156R92

2шт.

40

364839R1

O-RING,0.078" Thk x 0.468" ID, -906, Cl 6, 90 Duro

6-1, 90 Duro, .468" ID x .078" Thk, steering cylinder

2шт.

41

574041R92

CYLINDER BLOCK

CYLINDER AND VALVE ASSY, steering, For components see list of parts under details of hydraulic cylinder, For use with hose assy, 587575R91, Ross

1шт.

41

629266R92

CYLINDER

AND VALVE ASSY, steering, For components see list of parts under details of hydraulic cylinder, For use with hose assy, 653909R91, Monroe, Serial no., Serial Range: 501-4806

1шт.

41

935166R92

CYLINDER AND VALVE ASSY, steering, For components see list of parts under details of hydraulic cylinder, For use with hose assy, 587575R91, Monroe, Serial no. 4807 & above

1шт.

42

589980R2

CLIP

power steering tube

5шт.

1/4 nut

3шт.

113957

SCREW,Sl Rnd Hd, 1/4" - 20 x 3/4"

1/4 x 3/4 slt-rd-hd screw

3шт.

1/4 lockwasher

3шт.

43

628190R1

SUPPORT, power steering tube clip

1шт.

44

627538R11

TUBE W/NUT AND SLEEVE ASSY, power steering lower pressure 0.375" OD, 46.06" Length

1шт.

45

654801R1

REDUCER, reservoir return tee, Serial no., Serial Range: 2751-7277

1шт.

46

364839R1

O-RING,0.078" Thk x 0.468" ID, -906, Cl 6, 90 Duro

6-1, 90 Duro, .468" ID x .078" Thk, propulsion control cylinder, for use with propulsion control cylinder, 387864R91

2шт.

Выбрано товаров: 0