Запчасти Case IH 303 (165) - HYDRAULIC RESERVOIR, FOR HYDROSTATIC GROUND DRIVE (35) - HYDRAULIC SYSTEMS

Схема запчастей Case IH 303 - (165) - HYDRAULIC RESERVOIR, FOR HYDROSTATIC GROUND DRIVE (35) - HYDRAULIC SYSTEMS
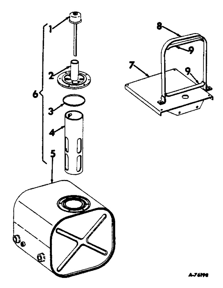
6
1
9
2
5
7
8
4
3
9
FIT
1:1
100%

Артикул

Название

Примечание

Количество

1

159857C91

BREATHER, cap and dipstick

1шт.

2

155676C91

LID ASSY

1шт.

120361

NUT,Hex Mach Screw, #10 - 24

6шт.

120217

LOCK WASHER,#10

WASHER, LOCK, #10

6шт.

3

574013R1

GASKET, cover

1шт.

4

154673C91

CARTRIDGE ASSY

1шт.

5

BODY ASSY, reservoir, Order reservoir assy, 154748C91

1шт.

6

154748C92

RESERVOIR ASSY, hydraulic oil

1шт.

7

153273C91

SUPPORT ASSY, hyd oil reservoir

1шт.

17446R1

BOLT,3/8" - 16 x 1 1/4", Gr 2

3/8 x 1-1/4 hex-hd mach

2шт.

102635

NUT,3/8"-16, G5

2шт.

103321

LOCK WASHER,3/8"

WASHER, LOCK, 3/8"

2шт.

8

150747C1

STRAP, reservoir hold down

2шт.

17471R1

BOLT,Hex, 3/8" - 16 x 1 1/2"

3/8 x 1-1/2 hex-hd mach

4шт.

102635

NUT,3/8"-16, G5

4шт.

103321

LOCK WASHER,3/8"

WASHER, LOCK, 3/8"

4шт.

9

PAD, reservoir hold down strap, Order cotton webbing 1/8 x 1 x 17-1/2 in. long

2шт.

Выбрано товаров: 0