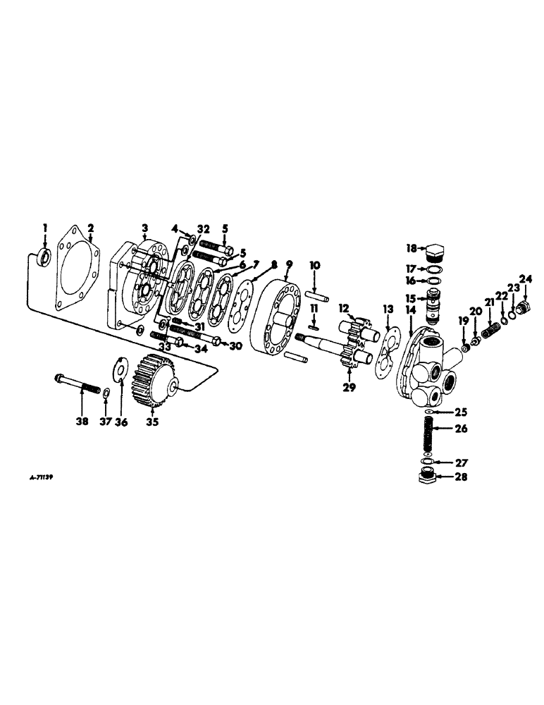
Запчасти Case IH 303 (174) - PLATFORM HYDRAULIC LIFT PUMP, SERIAL NO. 7278 AND ABOVE (35) - HYDRAULIC SYSTEMS

Схема запчастей Case IH 303 - (174) - PLATFORM HYDRAULIC LIFT PUMP, SERIAL NO. 7278 AND ABOVE (35) - HYDRAULIC SYSTEMS
14
26
32
30
1
38
9
13
22
37
20
17
25
15
11
16
33
3
28
10
5
18
27
23
31
35
5
34
29
7
6
12
8
36
4
19
21
24
2
FIT
1:1
100%

Артикул

Название

Примечание

Количество

150104C91

PUMP ASSY, gear, Includes ref. nos. 1, 2, 3, 6 thru 29, 31, 32, 33 and 35 thru 38

1шт.

125-10003

NUT,3/8"-16, G5, LH

3/8 nut, LH thread

1шт.

632019R1

LOCK WASHER,3/8"

L.H. 3/8"

1шт.

Q5035

WASHER

17/32 x 1 x 16 ga washer

1шт.

1

636628R91

SEAL

shaft

1шт.

2

632851R1

GASKET

flange

1шт.

3

632848R91

PLATE ASSY, front

1шт.

4

565832R1

WASHER

hydraulic pump mounting bolt

2шт.

5

313756R1

BOLT (SPREADER),Pan, M8 x 18mm

BOLT, hydraulic pump mounting

2шт.

6

NOT SERVICED SEPARATELY

1шт.

7

NOT SERVICED SEPARATELY

1шт.

8

NOT SERVICED SEPARATELY

1шт.

9

NOT SERVICED SEPARATELY

1шт.

10

NOT SERVICED SEPARATELY

1шт.

11

628965R1

KEY

1шт.

12

633295R91

GEAR W/SHAFT AND SNAP RING ASSY, idler

1шт.

13

NOT SERVICED SEPARATELY

1шт.

14

NOT SERVICED SEPARATELY

1шт.

15

NOT SERVICED SEPARATELY

1шт.

16

310943R1

RING

O-RING, 1/16 x 11/16

3шт.

17

364879R1

O-RING,0.103" Thk x 0.862" ID, -118, Cl 5, 75 Duro

3/32 x 7/8

1шт.

18

632857R1

PLUG, 1-14NF hex

1шт.

19

NOT SERVICED SEPARATELY

1шт.

20

152776C1

VALVE POPPET

POPPET

1шт.

21

632843R1

SPRING

relief valve

1шт.

22

180375R1

SHIM, relief valve

1шт.

23

355966R1

O-RING,0.424" ID x 0.103" Width

3/32 x 7/16

1шт.

24

632842R1

PLUG, 9/16 hex

1шт.

25

NOT SERVICED SEPARATELY

1шт.

26

NOT SERVICED SEPARATELY

1шт.

27

350429R1

O-RING,0.103" Thk x 0.612" ID, -114, Cl 5, 75 Duro

3/32 x 5/8

1шт.

28

632858R1

PLUG, 3/4-16NF hex

1шт.

29

NOT SERVICED SEPARATELY

1шт.

30

NOT USED

1шт.

31

371523R1

SPRING

check

2шт.

32

NOT SERVICED SEPARATELY

1шт.

33

17007R1

BALL

7/32 steel

2шт.

34

NOT USED

1шт.

35

631180R1

GEAR

hydraulic pump

1шт.

36

NOT USED

1шт.

37

180375R1

WASHER, copper crush

8шт.

38

632873R1

BOLT, 5/16 x 2-1/2 12 point hex-hd

6шт.

38

633299R1

SCREW, 5/16 x 2-1/2 12 point cap

2шт.

654324R91

PACKAGE

KIT ASSY, major seal repair, Consists of

1шт.

SPRINGS

2шт.

SEAL, diaphragm

1шт.

DIAPHRAGM

1шт.

GASKET, back-up

1шт.

GASKET, protector

1шт.

PLATE

1шт.

SEAL, shaft

1шт.

GASKET, flange

1шт.

O-RING 3/12 x 7/16

1шт.

O-RING, 3/32 x 5/8

1шт.

BALL, steel

2шт.

O-RING, 1/8 x 5/16

1шт.

WASHERS

8шт.

654325R91

KIT ASSY, back plate repair, Consists of

1шт.

PLUG, 9/16-18UNF hex

1шт.

SLEEVE AND SPPOL ASSY

1шт.

DISC

1шт.

SPRING, spools

1шт.

O-RING, 3/32 x 7/16

1шт.

O-RING, 3/32 x 5/8

1шт.

O-RING, 1/16 x 11/16

3шт.

O-RING, 3/32 x 7/8

1шт.

SHIM

1шт.

PLUG, hex

2шт.

POPPET

1шт.

SEAT

1шт.

SPRING, relief valve

1шт.

PLATE

1шт.

WASHER

1шт.

Выбрано товаров: 73