Запчасти Case IH 303 (109) - STEERING GEAR CASE, ROSS GEAR (41) - STEERING

Схема запчастей Case IH 303 - (109) - STEERING GEAR CASE, ROSS GEAR (41) - STEERING
7
12
18
11
9
6
14
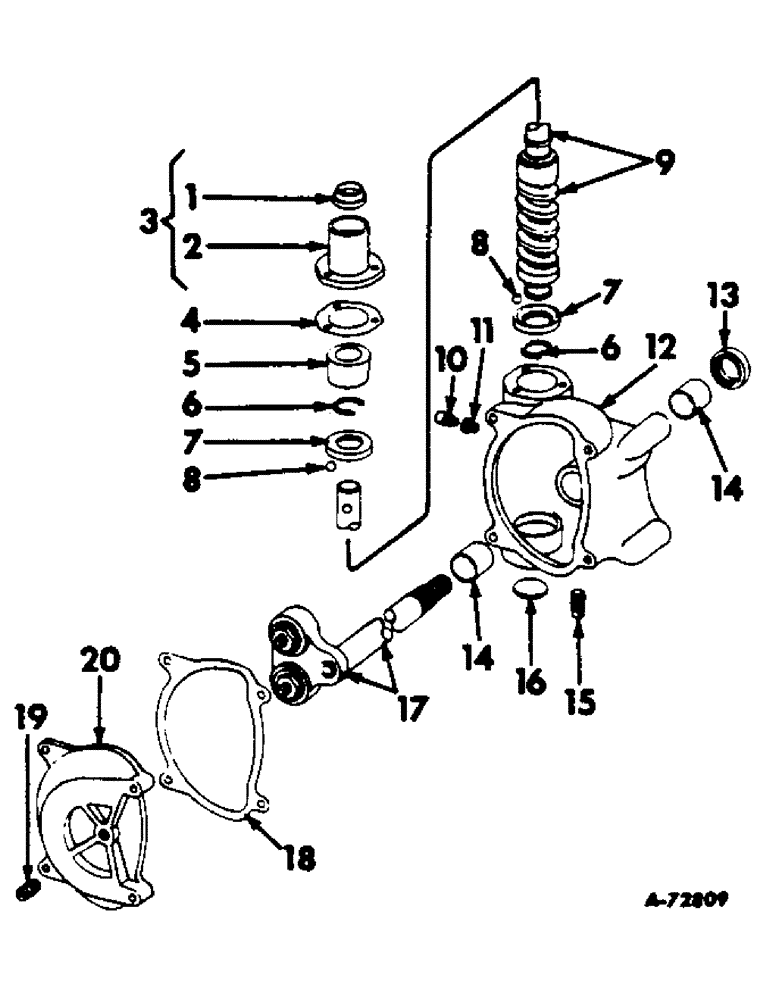
1
2
15
5
7
3
17
8
20
16
14
10
13
8
4
19
6
FIT
1:1
100%

Артикул

Название

Примечание

Количество

633745R91

CASE ASSY, steering gear, Includes ref. nos. 1 thru 20

1шт.

1

560237R91

OIL SEAL ASSY

1шт.

2

COVER, upper housing, Order 634432R91 cover assy

1шт.

3

634432R91

COVER W/SEAL ASSY, upper housing

1шт.

4

90614H

SHIM, .002 in.

1шт.

4

90615H

SHIM, .003 in.

1шт.

4

90616H

SHIM, .004 in.

1шт.

5

169551R1

SPACER

1шт.

6

634876R1

SNAP RING

2шт.

7

169952R1

CUP, ball

2шт.

8

11115V

BALL

5/16 dia

20шт.

9

634875R91

CAM AND SHAFT ASSY, Includes ref. nos. 6, 7 and 8

1шт.

10

112877

ADAPTER,1/4" NPT Male x 1/8" NPT Fem

BUSHING

1шт.

11

110891H

BREATHER,1/8"-27 NPT, Short, w/washer

1шт.

12

63474R91

HOUSING W/BUSHING, plug and seal assy, steering gear, Includes ref. nos. 13, 14 and 16

1шт.

13

85928R91

OIL SEAL

1шт.

14

68002HB

BUSHING

2шт.

15

9617020

PLUG,1/4" - 18 x 0.48"

1/4 Hex Socket

1шт.

16

172558

PLUG,Exp, 1 1/4"

1-1/4 expanding

1шт.

17

LEVER SHAFT ASSY, Order 633745R91 case assy

1шт.

3/4-16UNF jam nut

1шт.

3/4 lockwasher

1шт.

18

169958R1

GASKET, side cover

1шт.

19

50443H

ADJUSTMENT SCREW

adjusting

1шт.

20

169953R11

COVER W/SCREW ASSY, side, Includes ref. no. 19

1шт.

5/16 x 3/4 cap screw

3шт.

37564HA

WASHER

21/64 x 9/16 washer

1шт.

Выбрано товаров: 27