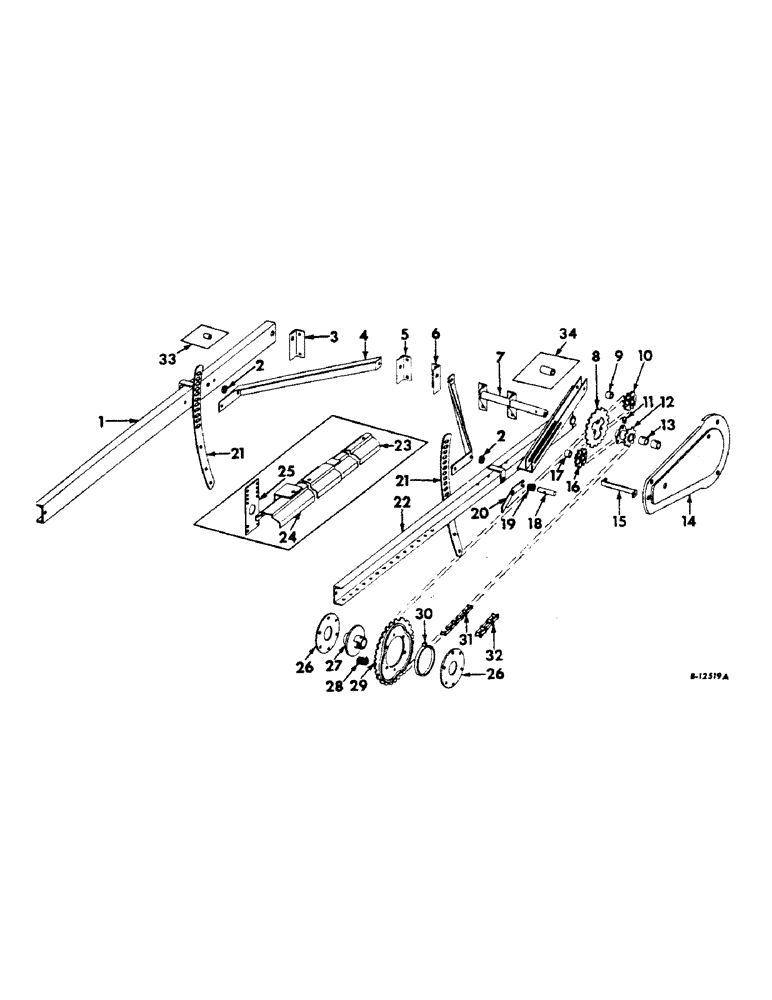
Запчасти Case IH 303 (028) - REEL SUPPORT ARMS AND DRIVE, REEL DRIVE SHIELD ATTACHMENT (58) - ATTACHMENTS/HEADERS

Схема запчастей Case IH 303 - (028) - REEL SUPPORT ARMS AND DRIVE, REEL DRIVE SHIELD ATTACHMENT (58) - ATTACHMENTS/HEADERS
12
14
30
6
2
2
8
29
28
18
17
16
23
33
32
26
22
26
27
3
21
4
34
25
13
15
19
10
9
7
1
31
24
11
21
5
20
FIT
1:1
100%

Артикул

Название

Примечание

Количество

1

633186R91

CHANNEL W/BRACKET AND PAD, reel RH, Not for use with hydraulic reel drive, Serial no., Serial Range: 501-2750

1шт.

1

936008R92

CHANNEL W/BRACKET AND PAD, reel RH, Serial no. 2751 & above

1шт.

2

M76945

SPACER, reel arm bracket

4шт.

3

564865R1

BRACKET, reel arm anchor RH

1шт.

3/8 x 1 crg bolt w/nut

1шт.

3/8 x 1-1/4 crg bolt w/nut

1шт.

1/2 x 1 dld mach bolt

1шт.

425-128

SLOTTED NUT,1/2"-13, G5

1/2 slt nut

1шт.

1/8 x 1 cotter pin

1шт.

3/8 lockwasher

2шт.

4

936010R1

BRACE, reel arm, 10 ft., 12 ft., 13 ft. and 14 ft.

2шт.

1/2 x 1 dld mach bolt

2шт.

1/2 x 1-1/2 mach bolt w/nut

2шт.

1/2 x 2-1/4 mach bolt w/nut

1шт.

425-128

SLOTTED NUT,1/2"-13, G5

1/2 slt nut

2шт.

1/8 x 1 cotter pin

2шт.

1/2 lockwasher

3шт.

17/32 x 1 x 16 GA washer

1шт.

5

564937R1

PIVOT, reel arm bearing RH

1шт.

5/16 x 3/4 crg bolt w/nut

2шт.

5/16 lockwasher

2шт.

6

564936R1

PIVOT, reel arm bearing LH

1шт.

5/16 x 3/4 crg bolt w/nut

2шт.

5/16 lockwasher

2шт.

7

564848R91

SHAFT W/BRACKET, reel arm pivot

1шт.

3/8 x 3/4 crg bolt w/nut

2шт.

3/16 x 1-1/4 cotter pin

1шт.

3/8 lockwasher

2шт.

1-1/32 x 1-3/4 x 16 GA washer

6шт.

8

569018R1

SPROCKET ASSY.

SPROCKET, idler driven, 16T, slow speed

1шт.

8

569019R1

NO LONGER SERVICED

SPROCKET, idler driven, 14T, intermediate speed

1шт.

8

569020R1

SPROCKET ASSY.

SPROCKET, idler driven, 12T, fast speed, For use with grain

1шт.

8

588771R2

SPROCKET ASSY.

SPROCKET, idler driven, 19T, standard for rice, special for grain

1шт.

9

567991R1

SPACER

reel idler sprocket

1шт.

10

564989R91

DRIVE SPROCKET

SPROCKET ASSY, reel drive chain idler, 9T

1шт.

11

109461

LUBE NIPPLE,1/8"-27 x .66 lg

NIPPLE, LUBE, 1/8"-27 x .66 lg

1шт.

12

569017R1

SPROCKET ASSY.

SPROCKET, reel drive idler, 8T

1шт.

13

NOT USED THIS APPLICATION

1шт.

14

564931R1

SHIELD, reel drive

1шт.

5/16 x 1/2 mach bolt w/nut

1шт.

5/16 x 3/4 mach bolt w/nut

1шт.

5/16 lockwasher

2шт.

11/32 x 3/4 x 16 GA washer

1шт.

15

564946R1

BRACKET, drive shield

1шт.

16

564989R91

DRIVE SPROCKET

SPROCKET ASSY, reel drive tightener, 9T

1шт.

17

569665R1

SPACER

reel tightener sprocket

1шт.

18

654441R1

PIN, reel adjusting latch, Serial no. 9427 & below, grain, Serial no. 9428 & above

2шт.

1/8 x 1 cotter pin

2шт.

17/32 x 1 x 16 GA washer

2шт.

17/32 x 1 x 11 GA washer

2шт.

19

T7761/2

SPRING, reel arm adjusting latch, Serial no. 9427 & below, grain, Serial no. 9428 & above

2шт.

20

564861R1

LEVER, reel adjusting latch, Serial no. 9427 & below, grain, Serial no. 9428 & above

2шт.

118004H

5/16 - 24NF x 1-3/4 cap screw

2шт.

5/16 - 24NF nut

4шт.

21

564933R1

SECTOR, reel adjusting, Serial no. 9427 & below, grain, Serial no. 9428 & above

2шт.

5/16 x 3/4 crg bolt w/nut

6шт.

5/16 lockwasher

6шт.

22

633185R91

CHANNEL W/BRACKET AND PAD, reel LH, Not for use with hydraulic reel drive, Serial no., Serial Range: 501-2750

1шт.

22

936007R92

CHANNEL W/BRACKET AND PAD, reel LH, Not for use with hydraulic reel drive, Serial no. 2751 & above

1шт.

23

569599R91

SHIELD W/GUIDE AND SUPPORT, reel drive rear, reel drive shield att

1шт.

24

569596R91

SHIELD W/GUIDE AND SUPPORT, reel drive front, reel drive shield att

1шт.

3/8 x 1 crg bolt w/nut

2шт.

3/8 lockwasher

2шт.

13/32 x 1 x 16 GA washer

2шт.

25

632622R1

PLATE, reel drive shield front support, reel drive shield att

1шт.

3/8 x 3/4 mach bolt w/nut

2шт.

3/8 lockwasher

2шт.

26

569436R1

PLATE

friction clutch clamp

2шт.

5/16 x 2 mach bolt w/nut

3шт.

5/16 lockwasher

3шт.

11/32 x 1 x 16 GA waher

3шт.

27

633173R1

HUB

friction clutch

1шт.

7/16 x 2-/34 cd-pltd mach bolt w/nut

2шт.

7/16 cd-pltd lockwasher

2шт.

28

568243R1

SPRING

friction clutch

3шт.

29

570032R1

SPROCKET ASSY.

SPROCKET, reel shaft, 29T

1шт.

29

935676R1

SPROCKET, reel shaft, 35T, For use with machine equipped with hydraulic reel drive chain

1шт.

30

570029R1

BAND

friction clutch

1шт.

31

CHAIN, reel drive roller, Use 110 links of 1-1/4 extended pitch stock roller chain, agricultural, from a 10 ft. roll marked 569089R91, (1) connecting link, 456980R91 and (1) offset connecting link, 456929R91

1шт.

31

456979R91

CHAIN LINK

LINK, reel drive chain roller, 1-1/4 extended pitch agricultural, standard for rice, special for grain

1шт.

31

456980R91

CHAIN LINK

LINK, reel drive chain connecting, 1-1/4 extended pitch agricultural, standard for rice, special for grain

1шт.

CHAIN, reel drive extension roller, For use with pickup reel 16 ft., 18 ft. and 20 ft., Use 19 links of 1-1/4 extended pitch stock roller chain, agricultural, from a 10 ft. roll marked 569089R91, (1) connecting link, 456980R91 and (2) offset connecting links, 456929R91

1шт.

33

NOT USED THIS APPLICATION

1шт.

34

NOT USED THIS APPLICATION

1шт.

Выбрано товаров: 84