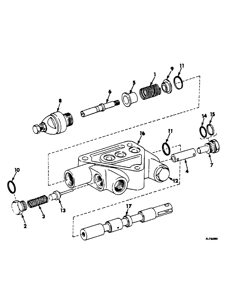
Запчасти Case IH 303 (220) - PLATFORM AUTOMATIC CONTROL ATTACHMENT LIFT VALVE, SERIAL NO. 9427 AND BELOW (58) - ATTACHMENTS/HEADERS

Схема запчастей Case IH 303 - (220) - PLATFORM AUTOMATIC CONTROL ATTACHMENT LIFT VALVE, SERIAL NO. 9427 AND BELOW (58) - ATTACHMENTS/HEADERS
3
11
12
10
16
1
17
5
6
8
4
13
14
11
9
2
7
15
FIT
1:1
100%

Артикул

Название

Примечание

Количество

936897R91

VALVE ASSY, lift

1шт.

1

588353R1

SPRING

spool centering

1шт.

2

588347R1

PLUG

1шт.

3

574789R1

SPRING

lockout

1шт.

4

588352R1

PLUNGER

lockout

1шт.

5

937195R1

SPRING WASHER

spool spring

1шт.

6

937197R1

SCREW,1/4" - 20 x 2-5/16"

spool spring

1шт.

7

150075C91

PLUG ASSY

1шт.

8

937198R91

CAP

assy

1шт.

9

937194R1

SPRING WASHER

spool spring

1шт.

10

252739R1

O-RING,0.103" Thk x 0.487" ID, -112, Cl 5, 75 Duro

1/2 x 11/16 x 3/32

1шт.

11

252707R1

O-RING,0.103" Thk x 0.75" ID, -116, Cl 5, 75 Duro

3/4 x 15/16 x 3/32

2шт.

12

9410359

PLUG

ASSY, For valve, 936897R91

1шт.

13

937199R91

KIT ASSY, poppet, Consists of

1шт.

252707R1

O-RING,0.103" Thk x 0.75" ID, -116, Cl 5, 75 Duro

3/32 x 3/4 ID

2шт.

252739R1

O-RING,0.103" Thk x 0.487" ID, -112, Cl 5, 75 Duro

3/32 x 1/2 ID

1шт.

150082C1

WASHER, backup, Serial no. 9427 & below

1шт.

14

310925R1

O-RING,0.103" Thk x 0.75" ID, -116, Cl 5, 75 Duro

3/4 x 15/16 x 3/32

1шт.

15

150082C1

WASHER, backup

1шт.

16

BODY, Order valve assy, 936897R91

1шт.

17

SPOOL, Order valve assy, 936897R91

1шт.

Выбрано товаров: 21