Запчасти Case IH 303 (263) - PLATFORM SUPPORT STAND (58) - ATTACHMENTS/HEADERS

Схема запчастей Case IH 303 - (263) - PLATFORM SUPPORT STAND (58) - ATTACHMENTS/HEADERS
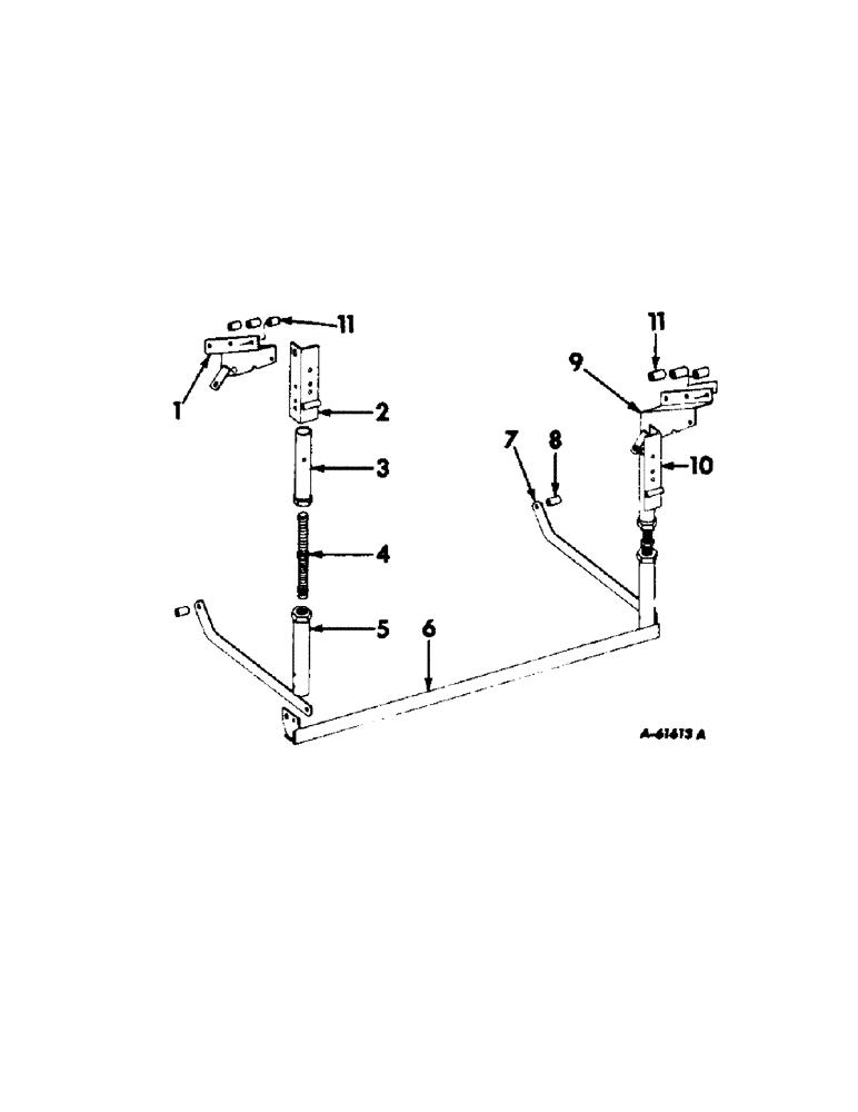
7
1
6
9
3
11
4
10
2
11
5
8
FIT
1:1
100%

Артикул

Название

Примечание

Количество

1

627074R92

PLATE W/PIN, pivot LH

1шт.

1/2 x 2-3/4 C-Z mach bolt w/nut

2шт.

1/2 x 4-3/4 C-Z mach bolt w/nut

1шт.

3/16 x 1-1/4 cot pin

1шт.

1/2 C-Z lockwasher

3шт.

575813R1

WASHER

25/32 x 1-1/4 x 11 ga washer

1шт.

2

627071R92

PIVOT W/KEEPER, LH

1шт.

7/16 x 2-1/4 C-Z mach bolt w/nut

2шт.

1/2 x 3-1/4 C-Z mach bolt w/nut

1шт.

7/16 C-Z lockwasher

2шт.

1/2 C-Z lockwasher

1шт.

17/32 x 1 x 11 ga washer

1шт.

3

589746R11

PIPE W/NUT, upper support

1шт.

4

589748R11

SCREW W/NUT, adjusting

2шт.

5

589747R11

PIPE W/NUT, lower support

2шт.

6

589749R91

ANGLE W/PLATE, base, Not for machines equipped w/automatic platform control att

1шт.

6

154964C91

ANGLE ASSY, base, For machines equipped w/automatic platform control att

1шт.

3/8 x 2-1/4 C-Z mach bolt w/nut

4шт.

3/8 C-Z lockwasher

4шт.

7

589752R1

STRAP, tie

2шт.

1/2 x 4-1/4 dld mach bolt w/nut

2шт.

3/32 x 1-1/4 cot pin

2шт.

3/16 x 1-1/4 cot pin

2шт.

Q1332

PIN

1/2 x 1-1/8 dld pin

2шт.

17/32 x 1 x 11 ga washer

4шт.

114505

JAM NUT,Jam, 1/2"-13, G5

2шт.

8

565625R1

SPACER, Not for machines equipped w/automatic platform control att

2шт.

8

154963C1

SPACER, For machines equipped w/automatic platform control att

2шт.

9

627075R92

PLATE W/PIN, pivot RH

1шт.

1/2 x 2-3/4 C-Z mach bolt w/nut

2шт.

1/2 x 4-3/4 C-Z mach bolt w/nut

1шт.

3/16 x 1-1/4 cot pin

1шт.

1/2 C-Z lockwasher

3шт.

575813R1

WASHER

25/32 x 1-1/4 x 11 ga washer

1шт.

10

627072R92

PIVOT W/KEEPER, RH

1шт.

7/16 x 2-1/4 mach bolt w/nut

2шт.

1/2 x 3-1/4 mach bolt w/nut

1шт.

7/16 lockwasher

2шт.

1/2 lockwasher

1шт.

17/32 x 1 x 11 ga washer

1шт.

11

PO22905

SPACER

pivot plate, For machines equipped w/automatic platform control att

6шт.

Выбрано товаров: 41