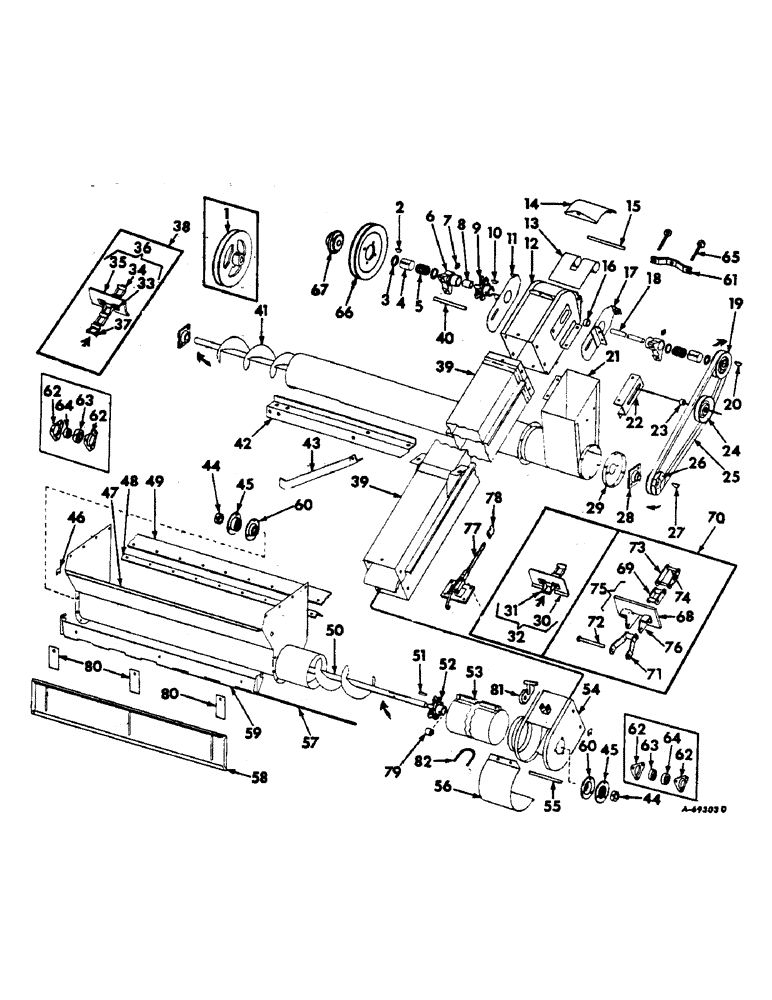
Запчасти Case IH 303 (090) - TAILINGS ELEVATOR AND DRIVE CHAIN FLIGHT, STEEL, SPECIAL (66) - THRESHING

Схема запчастей Case IH 303 - (090) - TAILINGS ELEVATOR AND DRIVE CHAIN FLIGHT, STEEL, SPECIAL (66) - THRESHING
68
29
8
53
43
37
81
54
50
67
77
62
65
60
76
58
18
47
15
13
39
55
72
63
62
69
10
74
12
5
59
52
17
70
24
1
3
46
40
73
23
78
21
63
22
41
49
36
9
34
75
56
71
62
11
16
60
38
2
19
66
64
61
51
62
4
44
44
20
82
27
48
80
30
31
7
6
33
64
80
28
14
39
26
35
25
79
45
45
42
32
57
FIT
1:1
100%

Артикул

Название

Примечание

Количество

1

633198R1

SHEAVE, elevator driven, Serial no. 7277 & below

1шт.

5/16 jam nut

2шт.

102883

SET SCREW

5/16 x 3/4 cup-pt set screw

2шт.

2

NLS

NO LONGER SERVICED

1/4 x 1 Woodruff

1шт.

3

631734R91

OIL SEAL

OIL SEAL, bearing box

4шт.

4

631735R1

SLEEVE CYLINDER

RACE, outer

2шт.

5

562708R91

BEARING ASSY,0.875" ID x 1.378" OD x 1.75"

roller

2шт.

6

631704R1

HOUSING

BOX, bearing

2шт.

5/16 x 1/2 cap screw

4шт.

5/16 lockwasher

4шт.

7

109461

LUBE NIPPLE,1/8"-27 x .66 lg

NIPPLE, LUBE, 1/8"-27 x .66 lg

2шт.

8

553855R1

SPACER

tailings elevator headshaft

1шт.

9

1811K

SPROCKET ASSY.

SPROCKET, elevator conveyor chain, 6T

2шт.

1/8 x 3/4 cotter pin

1шт.

Q1329

HEADED PIN,1/4" x 1 3/4"

1/4 x 1-3/4 dld pin

1шт.

10

113782

KEY

1/4 x 1 Woodruff

1шт.

11

631699R91

SUPPORT

BRACKET W/NUT, elevator chain tightener LH

1шт.

5/16 x 6 crg bolt w/nut

1шт.

7/16 nut

2шт.

5/16 lockwasher

2шт.

Q399

WASHER

11/32 x 1 x 16 ga washer

2шт.

12

627325R92

HEAD ASSY, tailings elevator

1шт.

1/4 x 1/2 crg bolt w/nut

2шт.

1/4 x 3/4 crg bolt w/nut

2шт.

3/8 x 1-1/4 mach bolt w/nut

1шт.

3/8 nut

1шт.

1/4 lockwasher

4шт.

3/8 lockwasher

1шт.

PO10532

WASHER

13/32 x 1-1/4 x 11 ga washer

1шт.

13

564459R1

SHIELD

elevator headshaft

1шт.

14

564962R91

DOOR W/CLIP, tailing elevator head

1шт.

1/4 x 1-1/4 crg bolt

1шт.

935735R1

WING NUT

1/4 wing nut

1шт.

1/4 lockwasher

1шт.

615009R1

WASHER

17/64 x 3/4 x 16 ga wsher

1шт.

15

564458R1

PIN, tailings elevator head door hinge

1шт.

16

NOT USED

1шт.

17

631700R91

SUPPORT

BRACKET W/NUT, elevator chain tightener RH

1шт.

18

628112R1

SHAFT

HEADSHAFT, tailings elevator

1шт.

576402R1

29/32 x 1-3/4 x 22 ga washer

2шт.

VC649

WASHER

29/32 x 1-3/4 x 16 ga washer

9шт.

19

632830R1

PULLEY

SHEAVE, tailings delivery auger drive

1шт.

5/16 jam nut

2шт.

102883

SET SCREW

5/16 x 3/4 sq-hd cup-pt set screw

2шт.

20

NLS

NO LONGER SERVICED

1/4 x 1 Woodruff

1шт.

21

627285R91

DOWNSPOUT ASSY, tailings delivery

1шт.

5/16 x 3/4 mach bolt w/nut

6шт.

5/16 lockwasher

6шт.

22

627323R1

BRACKET, tailings delivery auger drive belt tightener sheave

1шт.

1/4 x 1/2 crg bolt w/nut

2шт.

1/4 lockwasher

2шт.

23

NOT USED

1шт.

24

161430C91

PULLEY

SHEAVE ASSY, tailings delivery auger drive belt tightener

1шт.

1/2 x 2-1/4 crg bolt w/nut

1шт.

1/2 lockwasher

1шт.

PO10535

WASHER

17/32 x 1-1/4 x 11 ga washer

3шт.

P83536

17/32 x 1-1/4 x 11 ga sq washer

2шт.

25

627297R1

V-BELT,0.63" W

Tailings delivery auger drive 0.63" W

1шт.

26

633282R1

SHEAVE

tailings auger driven

1шт.

5/16 jam nut

1шт.

102883

SET SCREW

5/16 x 3/4 sq-hd cup-pt set screw

1шт.

27

112139

WOODRUFF KEY,#A, 1/4" x 7/8"

KEY, 1/4 x 7/8 woodruff

1шт.

28

631527R91

BALL BEARING

ball

2шт.

5/16 x 3/4 crg bolt w/nut

2шт.

5/16 x 1-1/4 crg bolt w/nut

4шт.

5/16 lockwasher

4шт.

29

631693R1

WASHER

END, tailings delivery downspout tube RH

1шт.

1/4 x 1/2 mach bolt w/nut

6шт.

1/4 lockwasher

6шт.

30

FLIGHT, elevator chain, steel, Order flight assy, 557008R91, ref. no. 32, For use with no. 55 steel chain, elevator chain flight special

1шт.

30

FLIGHT, elevator chain, steel, order flight assy, 934451R91, ref. no. 32, For use with no. 62 steel chain, elevator chain flight special

1шт.

31

55SE

LINK

attaching, steel, For use with no. 55 steel chain, elevator chain flight special

1шт.

31

62SH-1

LINK, attaching, steel, For use with no. 62 steel chain, elevator chain flight special

1шт.

32

557008R91

CONVEYOR

FLIGHT W/ATTACHING LINK, steel, For use with no. 55 steel chain, elevator chain flight special

1шт.

32

936451R91

FLIGHT W/ATTACHING LINK, steel, For use with no. 62 steel chain, elevator chain flight special

1шт.

104096

RIVET,But Hd, 5/16" x 5/8"

5/16 x 5/8 rd-hd rivet

1шт.

33

55SE

LINK

attaching, steel

1шт.

34

NLS

NO LONGER SERVICED

LINK, plain, steel

1шт.

35

564154R1

FLIGHT, tailings elevator conveyor chain

1шт.

21360K

RIVET

5/16 x 1/2 oval-hd rivet

62шт.

36

568228R91

CONVEYOR

FLIGHT W/LINKS, tailings elevator

1шт.

36

557008R91

CONVEYOR

FLIGHT W/ATTACHING LINK, tailings elevator, steel, bean special, Serial no. 9428 & above

1шт.

21360K

RIVET

5/16 x 1/2 oval-hd rivet

1шт.

37

55COL

LINK

coupler, steel

1шт.

38

628599R91

CHAIN (AG)

CHAIN W/FLIGHT ASSY, tailings, elevator conveyor, Serial no. 9427 & below, grain, windrow special and rice, Serial no. 9428 and above

1шт.

38

152214C91

CHAIN ASSY, tailings elevator conveyor, bean, Serial no. 9428 & above

1шт.

39

627944R91

CASING W/BOTTOM AND SIDES, tailings elevator, Serial no. 7277 & below

1шт.

39

938770R91

HOUSING ASSY, tailings elevator, Serial no. 7278 & above

1шт.

5/16 x 1/2 crg bolt w/nut

12шт.

623416R1

1/2 x 4-3/4 cap screw

2шт.

1/2 nut

6шт.

5/16 lockwasher

12шт.

Q399

WASHER

11/32 x 1 x 16 ga washer

12шт.

Q5035

WASHER

17/32 x 1 x 16 ga washer

4шт.

40

564451R1

SPACER, elevator head

1шт.

41

627301R91

AUGER W/SHAFT, tailings delivery

1шт.

42

627968R1

SUPPORT, tailings elevator lower

1шт.

3/8 x 3/4 crg bolt w/nut

1шт.

3/8 x 1 crg bolt w/nut

3шт.

3/8 lockwasher

4шт.

43

628995R1

BRACE, tailings elevator support front

1шт.

3/8 x 1 mach bolt w/nut

1шт.

3/8 lockwasher

1шт.

44

565618R11

RETAINER

COLLAR W/SET SCREW ASSY, locking

2шт.

83-1316

SET SCREW,Hex Soc, 5/16"-18 x 3/8"

5/16 x 3/8 cup-pt set screw, Serial no. 9427 & below

2шт.

45

565617R91

BALL BEARING

ball, Serial no. 9427 & below

2шт.

46

628535R1

SHIM

auger bearing shield

24шт.

47

628077R1

TROUGH ASSY, tailings, Serial no. 9427 & below

1шт.

47

154264C91

TROUGH ASSY, tailings, Serial no. 9428 & above

1шт.

5/16 x 3/4 crg bolt w/nut

3шт.

3/8 x 1 crg bolt w/nut

8шт.

1/4 nut

9шт.

113957

SCREW,Sl Rnd Hd, 1/4" - 20 x 3/4"

1/4 x 3/4 slt-rd-hd mach screw

9шт.

1/4 lockwasher

9шт.

5/16 lockwasher

3шт.

3/8 lockwasher

3шт.

48

628428R1

STRIP, tailings auger trough seal

1шт.

49

628431R1

SEAL, tailings auger trough

1шт.

50

628064R91

AUGER W/SHAFT, tailings, Serial no. 9427 & below

1шт.

50

153041C91

AUGER ASSY, tailings, Serial no. 9428 & above

1шт.

DO12898

29/32 x 1-1/2 x 16 ga washer

2шт.

51

Q10

KEY,1/4" Sq x 1 3/8"

1/4 x 1/4 x 1-3/8 straight

1шт.

52

1811K

SPROCKET ASSY.

SPROCKET, elevator conveyor chain, 6T

1шт.

1/8 x 3/4 cotter pin

1шт.

Q1329

HEADED PIN,1/4" x 1 3/4"

1/4 x 1-3/4 dld pin

1шт.

53

627390R91

CLAMP

EXTENSION W/TIE, tailings auger trough, Not bean special

1шт.

53

628648R91

CLAMP

EXTENSION W/TIE, tailings auger trough, bean special

1шт.

1/4 nut

4шт.

1276056C1

SELF-TAP SCREW,Cross Pan Hd, 1/4" x 1 1/4"

1/4 x 1-1/4 slt-rd-hd mach screw

4шт.

1/4 lockwasher

4шт.

54

570248R91

BOOT W/HINGE, tailings elevator, grain, Serial no. 9427 & below

1шт.

54

570294R91

BOOT W/HINGE, tailings elevator, rice, Serial no. 9427 & below

1шт.

54

153004C91

BOOT ASSY, tailings elevator, grain, windrow special and bean, Serial no., Serial Range: 9428-11764

1шт.

54

157144C91

BOOT ASSY, tailings elevator, grain windrow special and bean, Serial no. 11764 & above

1шт.

54

153007C91

BOOT ASSY, tailings elevator, rice, Serial no., Serial Range: 9428-11764

1шт.

54

157145C91

BOOT ASSY, tailings elevator, rice, Serial no. 11764 & above

1шт.

1/4 x 1-1/4 crg bolt

1шт.

935735R1

WING NUT

1/4 wing nut

1шт.

1/4 lockwasher

1шт.

615009R1

WASHER

17/64 x 3/4 x 16 ga washer

1шт.

55

564457R1

PIN, elevator boot door hinge, grain

1шт.

55

569365R1

PIN, elevator boot door hinge, rice

1шт.

56

564963R91

DOOR

W/CLIP, elevator boot, grain, Serial no. 9427 & below

1шт.

56

568969R91

DOOR W/CLIP, elevator boot, rice, Serial no. 9427 & below

1шт.

56

567918R91

DOOR W/CLIP, elevator boot, bean, Serial no. 9427 & below

1шт.

56

152786C91

DOOR ASSY, elevator boot, grain and windrow special, Serial no., Serial Range: 9428-11765

1шт.

56

156236C1

DOOR, elevator boot, grain and windrow special, Serial no. 11764 & above

1шт.

56

153000C91

DOOR, elevator boot, rice, Serial no., Serial Range: 9428-11764

1шт.

56

157146C1

DOOR, elevator boot, rice, Serial no. 11764 & above

1шт.

56

153002C91

DOOR, elevator boot, bean, Serial no., Serial Range: 9428-11764

1шт.

56

157169C1

DOOR, elevator boot, bean, Serial no. 11764 & above

1шт.

1/4 x 1-1/4 crg bolt

1шт.

935735R1

WING NUT

1/4 wing nut

1шт.

1/4 lockwasher

1шт.

615009R1

WASHER

17/64 x 3/4 x 16 ga washer

1шт.

57

20048K

ROD, tailings trough extension hinge, Serial no. 9427 & below

1шт.

5/16 x 3/4 crg bolt w/nut

6шт.

5/16 lockwasher

6шт.

58

628075R1

DOOR, tailings auger trough, Serial no. 9427 & below

1шт.

58

154266C1

DOOR, tailings auger trough, Serial no. 9428 & above

1шт.

935735R1

WING NUT

1/4 wing nut

1шт.

59

628075R91

EXTENSION W/END, tailings auger trough door, Serial no. 9427 & below

1шт.

1/4 x 3/4 crg bolt

3шт.

935735R1

WING NUT

1/4 wing nut

3шт.

1/4 lockwasher

3шт.

615009R1

WASHER

17/64 x 3/4 x 16 ga washer

3шт.

60

589281R1

BRACKET

SHIELD, auger bearing, Serial no. 9427 & below

2шт.

60

589389R1

CYLINDER END CAP

SHIELD, auger bearing, Serial no. 9428 & above

2шт.

61

936546R1

STRAP, tailings elevator conveyor chain tightener bolt, Serial no. 4804 & above

1шт.

62

571424R1

FLANGE

tailings auger bearing, Serial no. 9428 & above

2шт.

63

564991R91

BEARING

ball, Serial no. 9428 & above

2шт.

64

658006R11

COLLAR

W/SET SCREW ASSY, locking

2шт.

83-1254

SET SCREW,Hex Soc, 1/4"-20 x 1/4"

1/4 x 1/4 cup-pt set screw, Serial no. 9428 & above

2шт.

65

611421R1

BOLT,Hex, 7/16" - 14 x 3 1/2", Full Thd

elevator conveyor chain tightener

2шт.

7/16 C-Z nut

2шт.

66

939241R11

PULLEY ASSY.

PULLEY ASSY, elevator driven, Serial no. 7278 & above

1шт.

67

939278R1

HUB

elevator driven pulley, Serial no. 7278 & above

1шт.

18474R1

BOLT,Hex, 5/16" - 18 x 1", Gr 2

5/16 x 1 C-Z mach bolt w/nut

4шт.

114502

JAM NUT,Jam, 5/16"-18, G5

2шт.

102883

SET SCREW

5/16 x 3/4 cup-pt set screw

2шт.

80681

LOCK WASHER,5/16"

WASHER, LOCK, 5/16"

4шт.

68

NOT USED

1шт.

69

NOT USED

1шт.

70

NOT USED

1шт.

71

NOT USED

1шт.

72

NOT USED

1шт.

73

NOT USED

1шт.

74

NOT USED

1шт.

75

NOT USED

1шт.

76

NOT USED

1шт.

77

152789C91

CLAMP ASSY, elevator boot door, Serial no. 9428 & above

1шт.

1/4 x 1/2 C-Z crg bolt w/nut

4шт.

1/4 C-Z lockwasher

4шт.

78

152792C1

GRIP, elevator boot door clamp, Serial no. 9428 & above

1шт.

79

584964R1

SPACER,1 1/8" Tube x 3/4"

tailings auger shaft, Serial no. 9428 & above

1шт.

80

154263C1

SEAL

tailings auger trough door, Serial no. 9428 & above

1шт.

1/4 x 1/2 crg bolt w/nut

3шт.

1/4 lockwasher

3шт.

615009R1

WASHER

17/64 x 3/4 x 16 ga washer

3шт.

81

155909C1

LATCH

elevator boot door, Serial no. 11764 & above

1шт.

Q3512

HEADED PIN,1/4" x .859"

PIN, 1/4 x 1 std hd dld

1шт.

103384

COTTER PIN,1/8" x 3/4"

Pin, Split (Cotter), 1/8" x 3/4"

1шт.

82

664360R1

BOLT,U, 1/4" - 20 x 69.65"

elevator boot door U, Serial no. 11764 & above

1шт.

20244R1

LOCK NUT,1/4"-20

NUT, 1/4 hex w/nylon insert

2шт.

Выбрано товаров: 204