Запчасти Case IH 303 (351) - BD-220 ENGINE, 3-9/16 X 3-11/16, AIR CHUTE, RADIATOR AND CONNECTIONS (10) - ENGINE

Схема запчастей Case IH 303 - (351) - BD-220 ENGINE, 3-9/16 X 3-11/16, AIR CHUTE, RADIATOR AND CONNECTIONS (10) - ENGINE
9
18
25
4
6
21
25
13
22
5
7
16
4
2
4
14
15
20
1
20
11
17
10
19
3
20
4
12
4
25
20
23
24
25
8
FIT
1:1
100%

Артикул

Название

Примечание

Количество

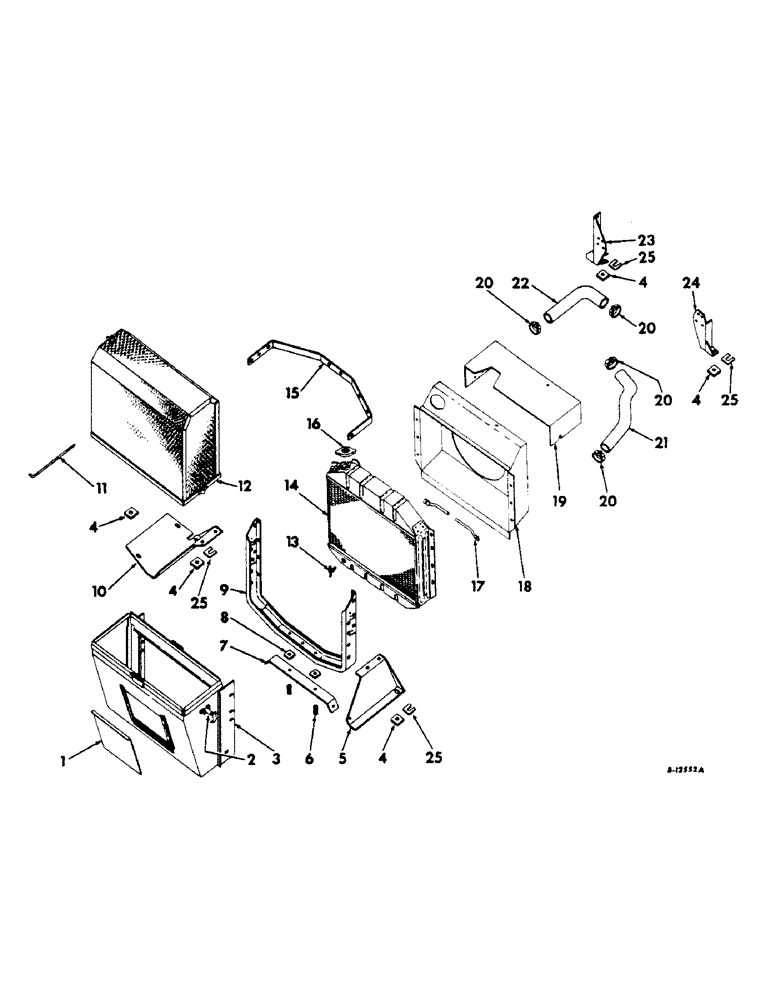
1

274733R1

DOOR, air chute

1шт.

2

353443R91

LATCH ASSY.

LATCH ASSY, air screen

1шт.

113356

RIVET,Tr Hd, 3/16" x 3/8"

3/16 x 3/8 oval-hd rivet

2шт.

3

316448R91

CHUTE ASSY, air

1шт.

277059R1

CLIP, screen

2шт.

111543R91

3/8NF speed grip nut

6шт.

182716

3/8NF x 3/4 cap screw

6шт.

Q1597

WASHER

13/32 x 3/4 x 16 ga washer

6шт.

4

633222R1

INSULATOR BLOCK

PAD, support

5шт.

5

377743R11

BRACKET ASSY, front support LH

1шт.

102639

NUT,5/8"-11, G5

1шт.

13-1022

BOLT,Hex, 5/8" - 11 x 1-3/8", Gr 5, Full Thd

5/8 x 1-3/8 cap screw

1шт.

271560

PANEL,Hex, 5/8" - 11 x 1 3/4", Gr 5

1шт.

103325

LOCK WASHER,5/8"

WASHER, LOCK, 5/8"

2шт.

6

67205D

SPRING

radiator mounting bolt

2шт.

7

316406R1

SUPPORT, radiator

1шт.

102635

NUT,3/8"-16, G5

2шт.

NLS

NO LONGER SERVICED

2шт.

103321

LOCK WASHER,3/8"

WASHER, LOCK, 3/8"

2шт.

8

312458R1

PAD, radiator mounting

2шт.

9

274715R92

SUPPORT ASSY, radiator

1шт.

279625R1

RADIATOR MOUNTING BOLT

2шт.

69981R1

LOCK NUT,3/8"-16, GB

3/8 ELASTIC STOP NUT

2шт.

Q1505

WASHER

13/32 x 1 x 16 ga washer

4шт.

10

377744R11

BRACKET ASSY, front support RH

1шт.

102635

NUT,3/8"-16, G5

5/8 nut

1шт.

271557

DEFLECTOR,Hex, 5/8" - 11 x 1 3/8", Gr 5

5/8 x 1-3/8 cap screw

1шт.

271560

PANEL,Hex, 5/8" - 11 x 1 3/4", Gr 5

1шт.

103325

LOCK WASHER,5/8"

WASHER, LOCK, 5/8"

2шт.

11

316458R1

PIN, air screen hinge

1шт.

103374

COTTER PIN,3/32" x 1"

Pin, Split (Cotter), 3/32" x 1"

1шт.

12

316457R91

SCREEN ASSY, air

1шт.

126032

WING NUT,3/8"-16

3/8 wing nut

1шт.

Q1505

WASHER

13/32 x 1 x 16 ga washer

1шт.

13

144569

COCK, DRAIN

COCK, radiator drain

1шт.

14

316428R92

RADIATOR ASSY, 1962, Order radiator, 384148R91 and cover, 384199R1

1шт.

14

384148R91

RADIATOR ASSY, 1963 & since

1шт.

181333

BOLT,Hex, 5/16" - 24 x 5/8", Gr 5

6шт.

103320

LOCK WASHER,5/16"

WASHER, LOCK, 5/16"

6шт.

Q397

WASHER

11/32 x 3/4 x 16 ga washer

6шт.

15

377763R1

BRACE, radiator

1шт.

110579R91

NUT

5/16NF speed grip nut

2шт.

179817

BOLT,Hex, 5/16" - 18 x 7/8", Gr 5, Full Thd

2шт.

181339

BOLT,Hex, 5/16" - 24 x 1", Gr 5

2шт.

103320

LOCK WASHER,5/16"

WASHER, LOCK, 5/16"

4шт.

16

118029R91

RADIATOR CAP

CAP, radiator

1шт.

17

73043R1

ROD, radiator support tie

1шт.

425-115

NUT,5/16"-24, G5

2шт.

181336

BOLT,Hex, 5/16" - 24 x 3/4", Gr 5

2шт.

103320

LOCK WASHER,5/16"

WASHER, LOCK, 5/16"

2шт.

18

316438R11

SHROUD ASSY, fan

1шт.

19

316478R1

COVER, radiator, 1962

1шт.

19

384199R1

COVER, radiator, 1963 & since

1шт.

9635082

NUT,5/16" - 18, Gr 5

5/16 nut

1шт.

179816

BOLT,Hex, 5/16" - 18 x 3/4", Gr 5

2шт.

103320

LOCK WASHER,5/16"

WASHER, LOCK, 5/16"

2шт.

20

274088R91

HOSE CLAMP,2.25/3.13 Type F Worm

CLAMP, radiator hose

4шт.

21

316434R1

RADIATOR HOSE,2.00" ID x 10.80", SAE 20R4,CLASS SC

2.00" ID x 10.80", SAE 20R4, Class SC, Outlet

1шт.

22

377754R1

RADIATOR HOSE,2.00" ID x 10.20"

Inlet 2.00" ID x 10.20"

1шт.

23

276115R12

SUPPORT ASSY, rear RH

1шт.

24

276114R11

SUPPORT ASSY, rear LH

1шт.

25

570012R1

SHIM, engine support

4шт.

Выбрано товаров: 62