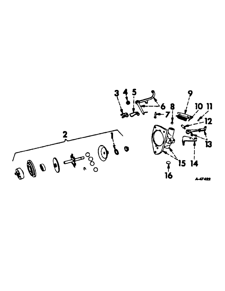
Запчасти Case IH 303 (354) - BD-220 ENGINE, 3-9/16 X 3-11/16, GOVERNOR AND CONNECTIONS (10) - ENGINE

Схема запчастей Case IH 303 - (354) - BD-220 ENGINE, 3-9/16 X 3-11/16, GOVERNOR AND CONNECTIONS (10) - ENGINE
7
1
12
6
3
10
15
14
4
13
9
11
16
8
5
2
FIT
1:1
100%

Артикул

Название

Примечание

Количество

313900R91

GOVERNOR ASSY

1шт.

1

276237R91

BEARING, thrust

1шт.

2

276228R91

UNIT ASSY, centrifugal

1шт.

3

277161R1

FORK

1шт.

4

276239R91

OIL SEAL

1шт.

5

277162R1

SPRING, bumper

1шт.

6

277163R91

LEVER ASSY, governing

1шт.

443013

1/8 x 5/8, type 3, groove pin

1шт.

277169R1

CLUTCH LEVER WASHER

1шт.

7

277166R1

SCREW, adjusting

1шт.

8

103883

PIPE PLUG,Slotted, Headless, 1/8" NPT

PLUG, PIPE, Slotted, Headless, 1/8" NPT

1шт.

9

277168R1

ROD, manual lever shut-off

1шт.

10

312824R1

SPRING

governor

1шт.

11

277170R1

CLIP, clutch lever shaft

1шт.

12

277167R1

PIN, manual lever

1шт.

13

276227R91

LEVER, manual assy

1шт.

14

276229R1

BRACKET, manual lever

1шт.

15

277160R91

BODY ASSY

1шт.

277164R1

No. 8 x 1/4 special self-tapping binding head screw

2шт.

16

172531

PLUG,Exp, 3/4"

3/4 expansion

1шт.

Выбрано товаров: 20