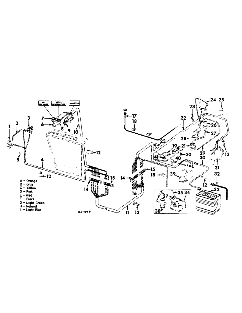
Запчасти Case IH 303 (365) - BD-220 ENGINE, 3-9/16 X 3-11/16, ELECTRICAL SYSTEM, WIRING DIAGRAM (10) - ENGINE

Схема запчастей Case IH 303 - (365) - BD-220 ENGINE, 3-9/16 X 3-11/16, ELECTRICAL SYSTEM, WIRING DIAGRAM (10) - ENGINE
15
37
15
12
16
27
19
31
33
8
11
14
1
34
20
3
12
23
25
5
32
2
22
14
18
38
12
39
41
35
23
21
12
10
41
18
30
12
24
17
40
28
7
4
6
29
36
9
26
FIT
1:1
100%

Артикул

Название

Примечание

Количество

1

366317R91

IGNITION SWITCH

SWITCH ASSY, push button starting

1шт.

120611

NUT,#10 - 32

No. 10-32NF sq nut

2шт.

100751

SCREW,Slotted Rd Hd, #8-32 x 1/2"

No. 8 x 1/2 slt-rd-hd mach screw

1шт.

132903

ADAPTER

No. 10-32 x 7/16 C-Z slt-rd-hd mach screw

2шт.

120217

LOCK WASHER,#10

WASHER, LOCK, #10

2шт.

615226R1

WASHER

1-1/32 x 1-1/2 x 22 ga washer

2шт.

2

565553R91

CABLE ASSY, ignition switch to starter switch

1шт.

3

365522R91

IGNITION SWITCH

SWITCH ASSY, ignition, key type

1шт.

365502R1

NUT

switch mounting

1шт.

125793

LOCK, Int Tooth, 13/16"

1шт.

112871

No. 6 x 5/16 slt-rd-hd screw

1шт.

118872

DECAL

No. 6 lockwasher

1шт.

4

629442R91

HARNESS ASSY, starter and starter switch

1шт.

5

140582

CLAMP

CLIP, closed

1шт.

5

140571

CLIP

cable

1шт.

17411R1

BOLT,Hex, 5/16"-18 X 3/4", G2

5/16 x 3/4 mach bolt

1шт.

9635082

NUT,5/16" - 18, Gr 5

5/16 nut

1шт.

103320

LOCK WASHER,5/16"

WASHER, LOCK, 5/16"

1шт.

6

565553R91

CABLE ASSY, oil pressure gauge to water temperature gauge

1шт.

7

629031R91

GAUGE

ASSY, oil pressure

1шт.

8

629032R91

GAUGE

ASSY, water temperature

1шт.

9

269467R92

INDICATOR

GAUGE ASSY, charge indicator

1шт.

10

632107R91

HARNESS ASSY, instrument gauge cable

1шт.

11

629441R91

HARNESS W/FUSE ASSY, cable

1шт.

12

362120R1

CLAMP,9.53mm ID, 10.32mm Bolt Hole, P Type

CLIP, open

1шт.

13

NOT USED

1шт.

14

565481R91

BAR

BLOCK ASSY, four terminal

2шт.

103102

No. 12 sq nut

4шт.

100779

BOLT,Rd Hd, #12 - 24 x 3/4"

No. 12 x 3/4 slt-rd-hd screw

4шт.

106498

LOCK WASHER,#12

Washer, Lock, #12

4шт.

15

300559R91

BLOCK

ASSY, junction three terminal

2шт.

103102

No. 12 sq nut

4шт.

100779

BOLT,Rd Hd, #12 - 24 x 3/4"

No. 12 x 3/4 slt-rd-hd screw

3шт.

100781

No. 12 x 1 slt-rd-hd screw

1шт.

106498

LOCK WASHER,#12

Washer, Lock, #12

4шт.

16

223-31

FUSE,10 Amp, Type 3AG

30 amp, cartridge type

1шт.

17

564534R91

CABLE

ASSY, choke, Optional for 634522R91 cable, gasoline engines

1шт.

17

634522R91

CONTROL

CABLE ASSY, choke, Optional for 564534R91 cable, gasoline engines

1шт.

17

588063R91

CABLE

ASSY, choke, LP gas engines

1шт.

18

362127R1

CLIP

choke and fuel pump cable

1шт.

19

665014R91

SENDER UNIT

UNIT ASSY, oil pressure sending

1шт.

20

665016R91

TEMPERATURE SENDER

UNIT ASSY, water temperature

1шт.

221-89

REDUCER,Hex, 1/2" x 3/8" NPT

1/2 x 3/8 reducing bushing

1шт.

21

DISTRIBUTOR ASSY, For components see list of parts under details of distributor

1шт.

22

379392R91

HARNESS ASSY, cable

1шт.

23

362121R1

CLIP

cable harness, on push rod cover screw

2шт.

24

REGULATOR ASSY, voltage, For components see list of parts under details of voltage regulator

1шт.

25

370383R1

CLIP

cable harness, on RH water outlet housing mounting bolt

1шт.

26

368839R91

COIL

ASSY, ignition

1шт.

27

NOT SERVICED SEPARATELY

1шт.

28

368573R91

RESISTOR

ignition coil

1шт.

29

368267R91

CABLE

coil to distributor primary

1шт.

30

632106R91

CABLE

ASSY, battery to starting motor

1шт.

31

GENERATOR ASSY, For components see list of parts under details of generator

1шт.

32

629029R91

CABLE

ASSY, Serial Range: battery-ground

1шт.

179856

BOLT,Hex, 7/16" - 14 x 3/4", Gr 5

7/16 x 3/4 cap screw

1шт.

103322

LOCK WASHER,7/16"

WASHER, LOCK, 7/16"

1шт.

61252H

WASHER

15/32 x 3/4 x 11 ga washer

1шт.

33

365861R91

BATTERY, Prestolite HS11-60, 12 volt

1шт.

34

631760R91

ELECTRICAL WIRE

CABLE ASSY, fuel pump ground, gasoline engines, For use with 631321R92 fuel pump assy, Combine Serial no., Serial Range: 501-2750

1шт.

35

632096R91

CABLE ASSY, fuel pump, gasoline engines, For use with 631321R92 fuel pump asy, Combine Serial no., Serial Range: 501-2750

1шт.

36

631321R92

PUMP ASSY, fuel, gasoline engines, order kit assy, 935366R91 listed under fuel pump service kit

1шт.

37

629826R91

CABLE ASSY, fuel pump, gasoline engines, For use with 631259R91 fuel pump assy, Serial no. 4807 & above

1шт.

38

631259R91

PUMP

ASSY, fuel, gasoline engines, For components see list of parts under details of fuel pump Bendix

1шт.

39

MOTOR ASSY, cranking, For components see list of parts under details of cranking motor

1шт.

40

358986R1

CABLE CLIP

CLIP, cable harness, on cranking motor drive housing upper mounting bolt

1шт.

41

NOT USED

1шт.

Выбрано товаров: 67