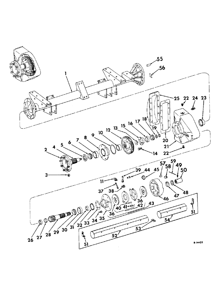
Запчасти Case IH 315 (B-02) - POWER TRAIN, AXLE, TUBE, FINAL DRIVE AND WHEEL BRAKES (03) - POWER TRAIN

Схема запчастей Case IH 315 - (B-02) - POWER TRAIN, AXLE, TUBE, FINAL DRIVE AND WHEEL BRAKES (03) - POWER TRAIN
42
44
47
11
14
7
39
25
38
22
36
58
51
4
46
49
35
31
17
28
43
5
27
30
16
55
19
10
53
32
15
1
13
22
52
3
21
9
36
34
8
54
20
37
6
50
45
12
23
51
48
40
26
33
18
57
56
59
24
29
2
41
FIT
1:1
100%

Артикул

Название

Примечание

Количество

1

159668C92

AXLE ASSY, main

1шт.

20197R1

BOLT,Hex, 5/8"-11 x 1", G8, Full Thd

5/8 x 1 C-Z hex-hd type 4

2шт.

161068R1

BOLT,Spcl, Hex, 5/8" - 11 x 1 1/2"

5/8 x 1-1/2 C-Z hex-hd type 4

4шт.

20198R1

BOLT,Hex, 5/8" - 11 x 1 7/8", Gr 8

5/8 x 1-7/8 C-Z hex-hd type 4

9шт.

20199R1

BOLT,Hex, 5/8" - 11 x 2 1/2", Gr 8

5/8 x 2-1/2 C-Z hex-hd type 4

1шт.

124589

BALL STUD,Hex, 5/8" - 11 x 2", Gr 5

5/8 C-Z hex.

2шт.

19508R1

LOCK NUT,5/8"-11, GB

NUT, 5/8 ESNA stop

4шт.

20328R1

COTTER PIN,3/16" x 1 1/2"

3/16" x 1 1/2"

2шт.

469805R1

BOLT,Hex, 5/8" - 11 x 2", Gr 8

SCREW, 5/8 x 2 type 4 C-Z hex-hd cap

2шт.

20611R1

BOLT,Hex, 5/8" - 11 x 2 1/4", Gr 8

SCREW, 5/8 x 2-1/4 type 4 C-Z hex-hd cap

2шт.

426-1040

BOLT,Hex, 5/8" - 11 x 2-1/2", Gr 8

SCREW, 5/8 x 2-1/2 C-Z hex-hd cap

2шт.

586811R1

WASHER

2шт.

492-11062

BEARING WASHER,5/8"

WASHER, LOCK, 5/8"

4шт.

115553

LOCK WASHER,Int Tooth, 5/8"

WASHER, LOCK, Int Tooth, 5/8"

4шт.

21793R1

WASHER

21/32 x 1-1/4 x 7 ga C-Z

8шт.

589068R1

WASHER

21/32 x 1-1/4 x 11 ga C-Z

1шт.

479814

PAD

WASHER, 1/32 x 1-1/4 x 3/16 hardened

10шт.

21742R1

WASHER

1-1/32 x 1-1/2 x 22 ga C-Z

1шт.

2

566206R2

BOLT,5/8" - 18 x 2.38", Class 8

wheel

16шт.

3

554480R1

WHEEL NUT

wheel bolt

16шт.

4

385945R1

SHAFT

final drive

2шт.

5

380185R91

OIL SEAL

OIL SEAL, final drive outer bearing cage

2шт.

6

ST2073

TAPERED BEARING,2.625" ID x 4.4375" OD x 1.1875"

CONE ASSY, final drive shaft outer bearing

2шт.

7

13363D

TAPERED BEARING

CUP, final drive shaft outer bearing

2шт.

8

395674R1

CAGE, final drive outer bearing

2шт.

179860

BOLT,Hex, 7/16" - 14 x 1 1/4", Gr 5

SCREW, 7/16 x 1-1/4 hex-hd cap

12шт.

175778H1

ADAPTER

WASHER, 7/16 med lock

12шт.

9

606922R1

O-RING, 5-3/4 x 6 x 1/8 glass 5

2шт.

10

380282R1

SPACER, final drive shaft outer

2шт.

11

357043R1

CLEVIS,3/8" - 24

YOKE, brake operating

2шт.

NLS

NO LONGER SERVICED

PIN, 3/32 x 5/8 cotter

2шт.

16618R1

CLEVIS PIN,7/16" x 1.190"

PIN, 7/16 x 1-15/16 drilled

1шт.

12

379504R11

GEAR

ASSY, final drive

2шт.

373109R1

RIVET, final drive gear

12шт.

13

379505R1

SPACER

final drive gear inner

2шт.

14

297330R1

BOLT

SCREW, 3/8 x 1 cap

8шт.

15

583237R1

CAGE, final drive inner beaking

2шт.

16

ST987

BEARING CUP

BEARING, drive shaft inner cup

2шт.

17

ST2118

TAPERED BEARING,1.75" ID x 3.27" OD x 0.9375"

BEARING ASSY, final drive shaft inner cone

2шт.

18

589765R1

WASHER

final drive shaft

2шт.

19

73177R1

NUT

final drive shaft

2шт.

103391

COTTER PIN,1/8" x 2 1/2"

Pin, Split (Cotter), 1/8" x 2 1/2"

2шт.

20

587655R1

GASKET

final drive housing pan

2шт.

21

379501R1

HOUSING, final drive left

1шт.

21

379500R1

HOUSING, final drive right

1шт.

22

444592

PLUG,Sq Hd, 1/4"-14 NPTF

3/4 auto-sq-hd pipe

4шт.

23

583238R1

PLATE

CAP, final drive shaft inner bearing

2шт.

24

61991R91

BREATHER,1/8"-27 NPT, Short, w/washer

final drive housing oil

2шт.

25

587078R91

PAN ASSY.

PAN ASSY, final drive housing

2шт.

179837

BOLT,Hex, 3/8" - 16 x 3/4", Gr 5

24шт.

103321

LOCK WASHER,3/8"

WASHER, LOCK, 3/8"

24шт.

26

618024R1

BEARING CUP,65.113mm OD x 13.97mm W

Final drive pinion shaft outer

2шт.

27

618023R91

BEARING ASSY,34.93mm ID x 18.2mm W

BEARING ASSY, final drive pinion shaft outer cone

2шт.

28

376461R2

SHAFT

final drive pinion

2шт.

29

56934D

ROLLER BEARING,2.1663" ID x 3.8125" OD x 0.8268"

ASSY, final drive pinion shaft inner cone

2шт.

30

105497H

BEARING CUP,96.85mm OD x 15.77mm W

BEARING, final drive pinion shaft inner cup

2шт.

31

380186R91

OIL SEAL

OIL SEAL, brake adapter

2шт.

32

317923R1

O-RING,0.139" Thk x 3.609" ID, -239, Cl 5, 75 Duro

3-5/8 x 3-7/8 x 1/8

2шт.

33

376467R1

SHIM

brake adapter .007, Used as required

1шт.

33

405627R1

SHIM

brake adapter .003, Used as required

1шт.

34

376814R1

BOLT,Hex, 7/16" - 14 x 1 1/8", Gr 5, W/ Nylon Pellet

SCREW, 7/16 x 1-1/8 hex-hd cap

10шт.

35

383758R11

ADAPTER ASSY, brake LH

1шт.

35

383757R11

ADAPTER ASSY, brake RH

1шт.

141279

DOWEL,1/2" x 3/4"

PIN, 1/2 x 3/4 dowel

2шт.

36

567989R92

DISC

ASSY, middle

2шт.

37

354641R1

LINK

actuating plain, 5/16 jam nut

2шт.

38

354642R1

STUD

2шт.

39

354640R91

LINK

actuating yoke

1шт.

40

16028R1

BALL

7/8 dia

4шт.

41

354627R1

SPRING

ext

2шт.

42

368293R91

PLATE

DISC ASSY, actuating, Includes ref nos. 37 thru 41

1шт.

43

574966R92

BRAKE ASSY, wheel, 6 in. Includes ref nos. 36 thru 42

2шт.

44

16618R1

CLEVIS PIN,7/16" x 1.190"

PIN, 7/16 x 1-15/16 dld

2шт.

45

357044R1

INSULATOR

BOOT, brake housing

2шт.

46

384984R1

HOUSING, wheel brake left

1шт.

46

368296R3

CASE

HOUSING, wheel brake right

1шт.

271500

SOCKET

7/16 hex

5шт.

179871

BOLT,Hex, 7/16" - 14 x 3 1/4", Gr 5

SCREW, 7/16 x 3-1/4 hex-hd cap

1шт.

179872

BOLT,Hex, 7/16" - 14 x 3 1/2", Gr 5

SCREW, 7/16 x 3-1/2 hex-hd cap, Used on right brake housing

1шт.

47

379508R1

CAGE, brake housing dirt seal

2шт.

48

282543R91

OIL SEAL

brake housing dirt

2шт.

49

937589R1

SCREW,Set, 7/16" - 14 x 5/8", Steel

final drive shaft sleeve

4шт.

50

573957R1

COUPLING

SLEEVE, pinion and connecting shaft, final drive shaft shield attach, Includes ref nos. 51 thru 54

4шт.

51

568810R1

CLIP, final drive shaft shield

6шт.

NLS

NO LONGER SERVICED

7/16-20 C-Z hex.

6шт.

181682

BEARING ASSY,1.63" ID x 2.75" OD

SCREW, 7/16-20 x 4 C-Z hex-hd cap

6шт.

20803R1

WASHER

13/32 x 1 x 11 ga C-Z

6шт.

21763R1

WASHER

15/32 x 3/4 x 11 ga C-Z

6шт.

21029R1

WASHER

15/32 x 1 x 11 ga C-Z

6шт.

52

606634R1

SHIELD, final drive shaft LH

1шт.

85700996

SCREW,Phillips Drive, Pan HD, 1/4" - 20 x 1/2"

1/4 x 1/2 C-Z rd-slt-hd mach

2шт.

53

564791R1

SPRING NUT

final drive shaft shield

6шт.

492-11025

LOCK WASHER,1/4"

WASHER, LOCK, 1/4"

6шт.

54

606635R1

SHIELD, final drive shaft RH

1шт.

85700996

SCREW,Phillips Drive, Pan HD, 1/4" - 20 x 1/2"

1/4 x 1/2 C-Z rd-slt-hd mach

4шт.

55

54700R1

DOWEL

BUSHING, axle end flange dowel

4шт.

56

935915R1

SHIM,33.02mm OD x 0.38mm Thk

main axle to transmission adapter

4шт.

57

104939

CORK, in brake housing

2шт.

58

1017950R1

CAP, 3/8 tapered plastic closure

4шт.

59

WIRE, final drive shaft screw locking, Order 11-1/4 x .042 in zinc or galvanized from bulk stock

1шт.

Выбрано товаров: 100