Запчасти Case IH 315 (B-13) - POWER TRAIN, MAIN AXLE EXTENSION (03) - POWER TRAIN

Схема запчастей Case IH 315 - (B-13) - POWER TRAIN, MAIN AXLE EXTENSION (03) - POWER TRAIN
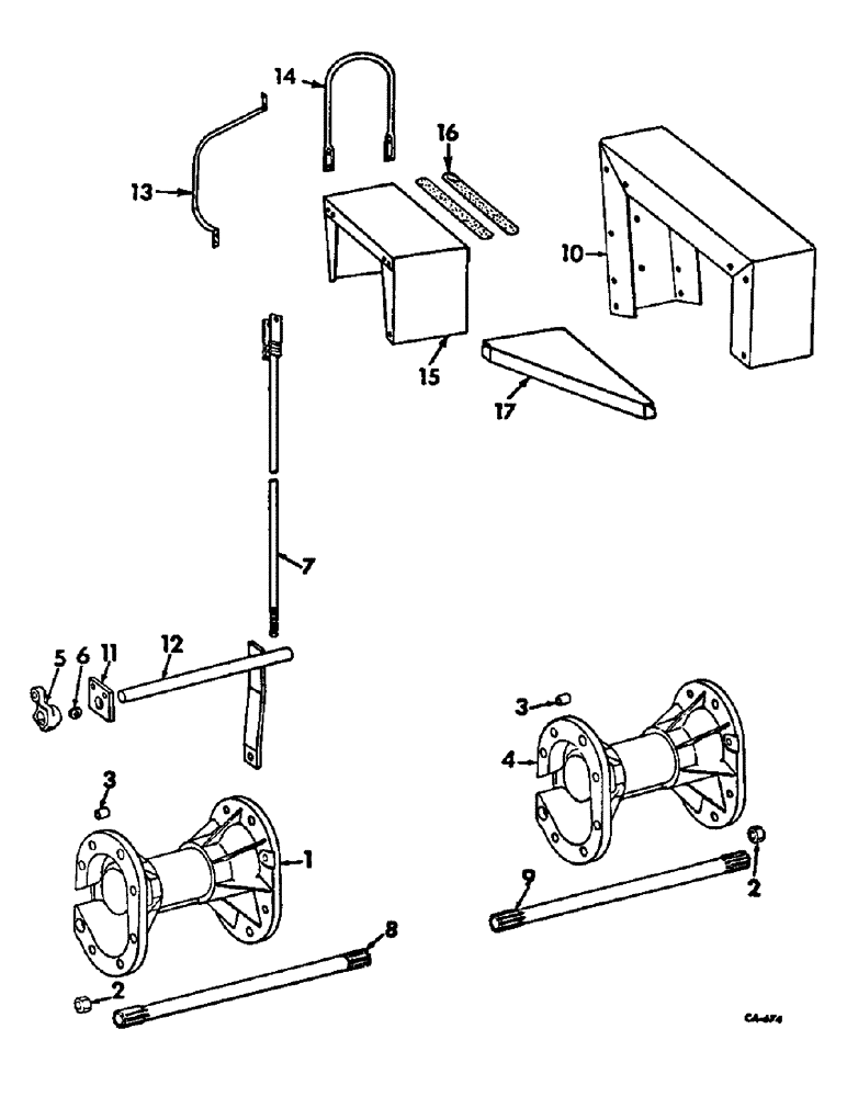
3
7
3
11
5
14
15
6
17
13
9
1
2
12
4
10
8
16
2
FIT
1:1
100%

Артикул

Название

Примечание

Количество

1

163644C91

EXTENSION ASSY, main axle LH

1шт.

432695R1

BOLT,Hex, 5/8" - 11 x 1 3/4", Gr 8

5/8 x 1-3/4 type 4 C-Z hex-hd

1шт.

20611R1

BOLT,Hex, 5/8" - 11 x 2 1/4", Gr 8

5/8 x 2-1/4 type 4 C-Z hex-hd

6шт.

492-11062

BEARING WASHER,5/8"

WASHER, LOCK, 5/8"

7шт.

2

629358R1

NUT

main axle extension

14шт.

3

54700R1

DOWEL

BUSHING, axle end flange dowel

8шт.

4

163645C91

EXTENSION ASSY, main axle RH

1шт.

432695R1

BOLT,Hex, 5/8" - 11 x 1 3/4", Gr 8

5/8 x 1-3/4 type 4 C-Z hex-hd

1шт.

20611R1

BOLT,Hex, 5/8" - 11 x 2 1/4", Gr 8

5/8 x 2-1/4 type 4 C-Z hex-hd

6шт.

492-11062

BEARING WASHER,5/8"

WASHER, LOCK, 5/8"

7шт.

5

156856C1

ARM, left brake outer

1шт.

18780R1

BOLT,Hex, 3/8"-16 x 1 3/4", G2

3/8 x 1-3/4 C-Z hex-hd mach

1шт.

120377

NUT,3/8" - 16, Gr 5

1шт.

120382

LOCK WASHER,Helical Spring, 3/8"

WASHER, LOCK, 3/8"

1шт.

6

28459KA

WASHER

WASHER, left brake rockshaft key

1шт.

7

156852C91

YOKE ASSY, right brake

1шт.

121222

COTTER PIN,3/32" x 3/4"

PIN, SPLIT (COTTER), 3/32" x 3/4"

1шт.

21881R1

CLEVIS PIN

PIN, 3/8 x 1 C-Z rod end

1шт.

8

156854C1

SHAFT, output connecting LH

1шт.

9

156855C1

SHAFT, output connecting RH

1шт.

10

158704C1

SPACER, operators platform, Required for 18-26 tires, As desired for 15-26 tires

1шт.

11

614275R1

BAR, support

1шт.

18495R1

BOLT,Hex, 3/8" - 16 x 1 1/4", Gr 2

3/8 x 1-1/4 C-Z hex-hd mach

2шт.

120377

NUT,3/8" - 16, Gr 5

2шт.

120382

LOCK WASHER,Helical Spring, 3/8"

WASHER, LOCK, 3/8"

2шт.

12

156849C91

SHAFT ASSY, left brake lock

1шт.

137204

COTTER PIN,1/8" x 1 1/2"

PIN, SPLIT (COTTER), 1/8" x 1 1/2"

2шт.

591715R1

WASHER

1-1/32 x 1-1/2 x 16 ga C-Z

1шт.

13

159737C1

RAIL, ladder extension hand, operators cab, w/23.1/18-26 main wheel tires

1шт.

13

159736C1

RAIL, ladder extension hand, operators cab, w/16.9/14-26 or 18.4/15-26 main wheel tires and 3 row corn head for 40 in. rows

1шт.

18767R1

BOLT,Hex, 5/16"-18 x 2", G2

5/16 x 2 C-Z hex-hd mach

2шт.

18495R1

BOLT,Hex, 3/8" - 16 x 1 1/4", Gr 2

3/8 x 1-1/4 C-Z hex-hd mach

2шт.

120376

NUT,5/16"-18, G5

2шт.

120377

NUT,3/8" - 16, Gr 5

2шт.

80681

LOCK WASHER,5/16"

WASHER, LOCK, 5/16"

2шт.

120382

LOCK WASHER,Helical Spring, 3/8"

WASHER, LOCK, 3/8"

2шт.

619855R1

WASHER

11/32 x 3/4 x 16 ga C-Z

2шт.

14

159740C1

RAIL, ladder extension hand, not operators cab, for 23.1/18-26 main wheel tires

1шт.

14

158705C1

RAIL, ladder extension hand, not operators cab, for 16.9/14-26 or 18.4/15-26 main wheel tires and 3 row corn head for 40 in. row

1шт.

18495R1

BOLT,Hex, 3/8" - 16 x 1 1/4", Gr 2

3/8 x 1-1/4 C-Z hex-hd mach

1шт.

120377

NUT,3/8" - 16, Gr 5

1шт.

120382

LOCK WASHER,Helical Spring, 3/8"

WASHER, LOCK, 3/8"

1шт.

15

154120C91

EXTENSION ASSY, operators platform, For 16.9/14-26 or 18.4/15-26 main wheel tires and 3 row corn heads for 40 inch rows

1шт.

18474R1

BOLT,Hex, 5/16" - 18 x 1", Gr 2

5/16 x 1 C-Z hex-hd mach

1шт.

18778R1

SCREW,Hex, 3/8"-16 x 3/4", G2

BOLT, 3/8 x 3/4 C-Z hex-hd mach

6шт.

18494R1

BOLT,Hex, 3/8" - 16 x 1", Gr 2

3/8 x 1 C-Z hex-hd mach

2шт.

120376

NUT,5/16"-18, G5

4шт.

120377

NUT,3/8" - 16, Gr 5

8шт.

80681

LOCK WASHER,5/16"

WASHER, LOCK, 5/16"

4шт.

120382

LOCK WASHER,Helical Spring, 3/8"

WASHER, LOCK, 3/8"

8шт.

178372R1

WASHER

13/32 x 1-1/4 x 16 ga C-Z

6шт.

16

155615C1

TREAD, deck extension, For 16.9/14-26 or 18.4/15-26 main wheel tires and 3 row corn head for 40 inch rows

2шт.

17

163562C1

SHEET, fill, For 16.9/14-26 or 18.4/15-26 main wheel tires and 3 row corn head for 40 inch rows

1шт.

18778R1

SCREW,Hex, 3/8"-16 x 3/4", G2

BOLT, 3/8 x 3/4 C-Z hex-hd mach

6шт.

120377

NUT,3/8" - 16, Gr 5

6шт.

120382

LOCK WASHER,Helical Spring, 3/8"

WASHER, LOCK, 3/8"

6шт.

178372R1

WASHER

13/32 x 1-1/4 x 16 ga C-Z

6шт.

Выбрано товаров: 57