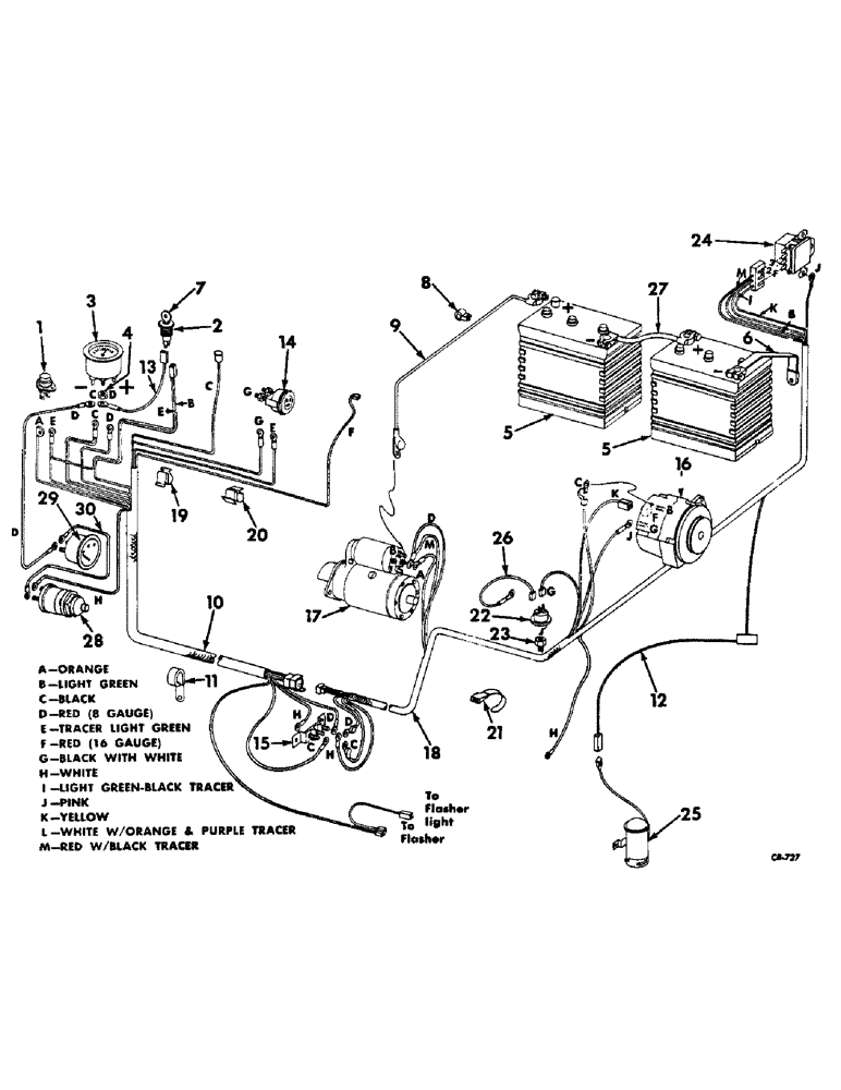
Запчасти Case IH 315 (G-04) - ELECTRICAL SYSTEM, MAIN WIRING DIAGRAM, FOR DIESEL ENGINE (06) - ELECTRICAL SYSTEMS

Схема запчастей Case IH 315 - (G-04) - ELECTRICAL SYSTEM, MAIN WIRING DIAGRAM, FOR DIESEL ENGINE (06) - ELECTRICAL SYSTEMS
30
4
23
5
22
3
28
5
27
18
20
24
8
17
21
19
7
29
15
11
13
1
16
12
2
10
14
26
9
25
FIT
1:1
100%

Артикул

Название

Примечание

Количество

1

393516R91

SWITCH

ASSY, push button starting, Optional for 366317R91 switch

1шт.

1

366317R92

IGNITION SWITCH

SWITCH ASSY, push button starting, Optional for 393516R91 switch

1шт.

134530

NUT,Hex, #6 - 32

2шт.

120611

NUT,#10 - 32

no. 10-32 C-Z sq

2шт.

132903

ADAPTER

SCREW, no. 10-32 x 7/16 C-z slt-rd hd mach.

2шт.

120217

LOCK WASHER,#10

WASHER, LOCK, #10

2шт.

2

403562R1

IGNITION SWITCH

SWITCH W/KEYS, ignition, Includes ref no. 7

1шт.

3

154818C91

GAUGE ASSY.

AMMETER ASSY

1шт.

4

365502R1

NUT

13/16-20 NEF hex

1шт.

125793

LOCK, Int Tooth, 13/16"

1шт.

5

391546R91

BATTERY, 6-volt, Prestolite I-A92

2шт.

6

629029R92

NEG BATTERY CABLE

CABLE ASSY, battery ground

1шт.

18494R1

BOLT,Hex, 3/8" - 16 x 1", Gr 2

3/8 x 1 C-Z hex-hd mach.

1шт.

120377

NUT,3/8" - 16, Gr 5

1шт.

120382

LOCK WASHER,Helical Spring, 3/8"

WASHER, LOCK, 3/8"

1шт.

619856R1

WASHER

13/32 x 1 x 16 ga C-Z

1шт.

7

382458R2

KEY

ignition switch

1шт.

8

362120R1

CLAMP,9.53mm ID, 10.32mm Bolt Hole, P Type

CLIP, electrical cable

3шт.

9

632106R91

CABLE

ASSY, battery to starting motor

1шт.

10

165802C91

HARNESS ASSY, main cable front

1шт.

11

362126R1

CLIP

7шт.

12

632095R91

CABLE ASSY, fuel pump

1шт.

13

153583C91

CABLE ASSY, Serial Range: ammeter-switch

1шт.

14

389871R91

GAUGE

INDICATOR ASSY, air restriction

1шт.

15

378336R91

BLOCK

ASSY, junction

1шт.

18653R1

BOLT,Hex, 1/4" - 20 x 1/2", Gr 2

1/4 x 1/2 C-Z hex-hd mach

2шт.

120375

NUT,Hex, 1/4" - 20, Gr 5

2шт.

492-11025

LOCK WASHER,1/4"

WASHER, LOCK, 1/4"

2шт.

16

ALTERNATOR ASSY, For components see list of parts under details of alternator

1шт.

17

MOTOR ASSY, cranking, For components see list of parts under details of cranking motor

1шт.

18

405793R1

HARNESS ASSY, cable

1шт.

399470R1

BOOT

INSULATOR TERMINAL COVER BOOT

3шт.

19

164788C1

CLIP, air restriction indicator cable

1шт.

20

164789C1

CLIP, air restriction indicator cable

1шт.

21

702093C1

CABLE TIE

STRAP, tie

8шт.

22

389682R91

SWITCH

electric air cleaner vacuum

1шт.

23

389908R91

ADAPTER

ASSY, vacuum switch

1шт.

24

REGULATOR ASSY, voltage, For components see list of parts under details of voltage regulator

1шт.

25

PUMP ASSY, 12-volt negative ground fuel, Refer to Eng-5 parts catalog

1шт.

26

377120R92

CABLE ASSY, electric air cleaner switch ground

1шт.

27

259171R91

CABLE

ASSY, Serial Range: battery-battery

1шт.

28

271179R91

SWITCH

ASSY, glow plug

1шт.

29

378352R91

METER

ASSY, glow plug

1шт.

30

588052R91

CABLE ASSY, glow plug, Serial Range: meter-switch

1шт.

Выбрано товаров: 44