Запчасти Case IH 315 (F-30) - HYDRAULICS SYSTEM, STEERING CYLINDER, OPTIONAL FOR 654631R91 CYLINDER (07) - HYDRAULIC SYSTEM

Схема запчастей Case IH 315 - (F-30) - HYDRAULICS SYSTEM, STEERING CYLINDER, OPTIONAL FOR 654631R91 CYLINDER (07) - HYDRAULIC SYSTEM
10
11
9
2
5
4
1
8
7
7
3
4
6
FIT
1:1
100%

Артикул

Название

Примечание

Количество

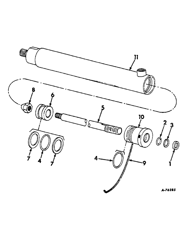
397689R91

CYLINDER ASSY, hydraulic power steering

1шт.

1

566103R91

OIL RESERVOIR

SEAL, rod wiper oil

1шт.

2

21433R1

O-RING,0.103" Thk x 0.674" ID, -115, Cl 6, 90 Duro

11/16 x 7/8 x 3/32

1шт.

3

397695R1

BACK-UP RING

WASHER, back-up

1шт.

4

343909R1

O-RING,0.139" Thk x 1.484" ID, -222, Cl 6, 90 Duro

1-1/2 x 1-3/4 x 1/8

2шт.

5

397696R1

ROD

piston hydraulic cylinder

1шт.

6

397697R1

PISTON

hydraulic cylinder

1шт.

7

397698R1

BACK-UP RING

WASHER, piston back-up

2шт.

8

9415991

NUT, 7/16 hex. lock

1шт.

9

388849R1

SPRING

RETAINER, cylinder end

1шт.

10

397694R1

HEAD, rod end hydraulic cylinder

1шт.

11

397690R1

BODY, cylinder

1шт.

Выбрано товаров: 12