Запчасти Case IH 315 (F-31) - HYDRAULICS SYSTEM, PLATFORM HYDRAULIC LIFT PUMP (07) - HYDRAULIC SYSTEM

Схема запчастей Case IH 315 - (F-31) - HYDRAULICS SYSTEM, PLATFORM HYDRAULIC LIFT PUMP (07) - HYDRAULIC SYSTEM
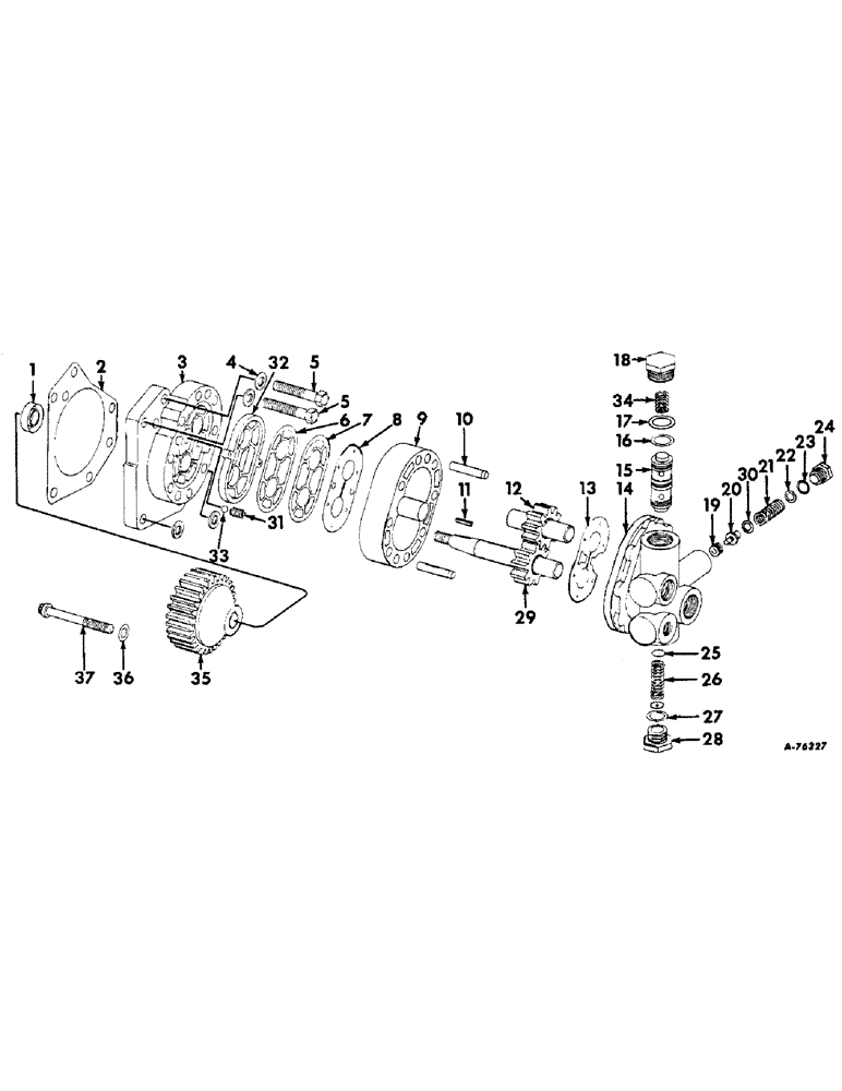
6
1
11
30
33
3
22
21
27
31
17
7
14
10
18
5
8
9
34
29
5
16
2
36
23
20
26
37
15
13
12
24
25
32
19
35
4
28
FIT
1:1
100%

Артикул

Название

Примечание

Количество

150104C92

PUMP ASSY, gear, Includes ref nos. 1, 2, 3, 6 thru 34

1шт.

20729R1

NUT,3/8"-16, G5, LH

3/8 hex LH thread

1шт.

632019R1

LOCK WASHER,3/8"

L.H. 3/8"

1шт.

178373R1

WASHER

17/32 x 1 x 16 ga C-Z

1шт.

1

SEAL, shaft, Not serviced separately order kit 169499C91

1шт.

2

632851R1

GASKET

flange

1шт.

3

PLATE ASSY, front, Not serviced separately order kit 150104C92 pump assy

1шт.

4

565832R1

WASHER

hyd pump mounting bolt

2шт.

5

313756R1

BOLT (SPREADER),Pan, M8 x 18mm

BOLT, hyd pump mounting

2шт.

6

GASKET, protector, Not serviced separately order 169499R91 kit assy

1шт.

7

GASKET, back-up, Not serviced separately order 169499R91 kit assy

1шт.

8

DIAPHRAGM, Not serviced separately order 169499R91 kit assy

1шт.

9

BODY ASSY, Not serviced separately order 150104C92 pump assy

1шт.

10

PIN, dowel, Not serviced separately

1шт.

11

KEY, Not serviced separately

1шт.

12

GEAR ASSY, idler, Not serviced separately order 150104C92 pump assy

1шт.

13

PLATE, thrust, Not serviced separately order 169499C91 kit assy

1шт.

14

PLATE, Not serviced separately order 150104C92 pump assy

1шт.

15

SLEEVE AND SPOOL ASSY, Not serviced separately order 654325R92 kit assy

1шт.

16

O-RING, 1/16 x 11/16 ID, Not serviced separately order 654325R92 kit assy

1шт.

17

O-RING, 3/32 x 7/8 ID, Not serviced separately order 169499C91 kit assy

1шт.

18

PLUG, 1-14 NF, Not serviced separately order 654325R92 kit assy

1шт.

19

SEAT, Not serviced separately order 654325R92 kit assy

1шт.

20

POPPET, Not serviced separately order 654325R92 kit assy

1шт.

21

SPRING, relief valve, Not serviced separately order 654325R92 kit assy

1шт.

22

SHIM, relief valve, Not serviced separately order 654325R92 kit assy

1шт.

23

O-RING, 3/32 x 7/16 ID, Not serviced separately order 169499C91 kit assy

1шт.

24

PLUG, 9/16 hex, Not serviced separately order 654325R92 kit assy

1шт.

25

DISC, Not serviced separately order 654325R92 kit assy

1шт.

26

SPRING, spool, Not serviced separately order 654325R92 kit assy

1шт.

27

O-RING, 3/32 x 5/8 ID, Not serviced separately order 169499C91 kit assy

1шт.

28

PLUG, 3/4 hex, Not serviced separately order 654325R92 kit assy

1шт.

29

GEAR AND SHAFT ASSY, drive, Not serviced separately order 150104C92 pump assy

1шт.

30

SHIM, Not serviced separately order 654325R92 kit assy

1шт.

31

SPRING, check, Not serviced separately order 169499C91 kit assy

1шт.

32

SEAL, diaphragm, Not serviced separately order 169499C91 kit assy

1шт.

33

BALL, 7/32 steel, Not serviced separately order 169499C91 kit assy

1шт.

34

SPRING, sleeve, Not serviced separately order 654325R92 kit assy

1шт.

35

631180R1

GEAR

hydraulic pump

1шт.

36

180375R1

WASHER, copper crush

8шт.

37

632873R1

SCREW, 5/16 x 2-1/2 12 point cap

6шт.

37

633299R1

SCREW, 5/16 x 2-1/8 12 point cap

2шт.

169499C91

KIT

ASSY, seal repair, Consists of

1шт.

371523R1

SPRING

S

2шт.

383533R1

SEAL

1шт.

371551R1

DIAPHRAGM

1шт.

371553R1

GASKET, back-up

1шт.

381155R1

GASKET, protector

1шт.

395933R1

PLATE

1шт.

636628R91

SEAL

shaft

1шт.

632851R1

GASKET

flange

1шт.

355966R1

O-RING,0.424" ID x 0.103" Width

3/32 x 7/16 ID

1шт.

350429R1

O-RING,0.103" Thk x 0.612" ID, -114, Cl 5, 75 Duro

3/32 x 7/8 ID

1шт.

17007R1

BALL

steel 7/32

2шт.

O-RING

1шт.

364879R1

O-RING,0.103" Thk x 0.862" ID, -118, Cl 5, 75 Duro

3/32 x 7/8 ID

1шт.

654325R92

KIT ASSY, back plate repair, Consists of

1шт.

632842R1

PLUG, 9/16 hex.

1шт.

SLEEVE AND SPOOL

1шт.

DISC

1шт.

SPRING, spool

1шт.

355966R1

O-RING,0.424" ID x 0.103" Width

3/32 x 7/16 ID

1шт.

350429R1

O-RING,0.103" Thk x 0.612" ID, -114, Cl 5, 75 Duro

3/32 x 5/8 ID

1шт.

310943R1

RING

O-RINGS, 1/16 x 11/16 ID

3шт.

364879R1

O-RING,0.103" Thk x 0.862" ID, -118, Cl 5, 75 Duro

3/32 x 7/8 ID

1шт.

394655R1

WASHER

SHIM

1шт.

673493R1

PLUG, hex

1шт.

673494R1

PLUG, hex

1шт.

POPPET

1шт.

SEAT

1шт.

SPRING SPOOL

1шт.

632843R1

SPRING

relief valve

1шт.

673495R1

SPRING

1шт.

PLATE, back

1шт.

WASHER

1шт.

Выбрано товаров: 75