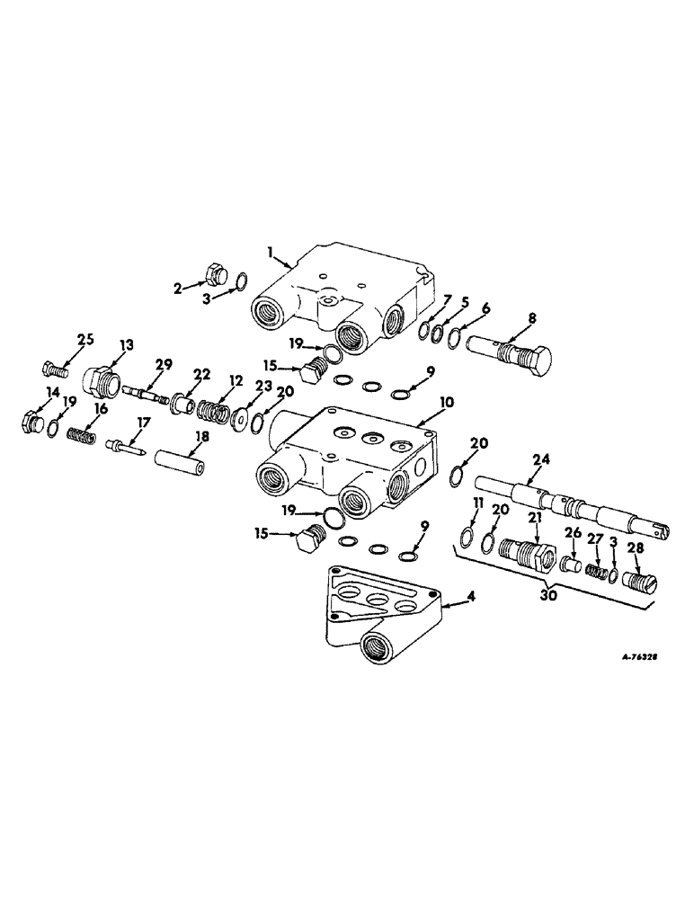
Запчасти Case IH 315 (F-38) - HYDRAULICS SYSTEM, PLATFORM LIFT VALVE, FOR HYDROSTATIC GROUND DRIVE (07) - HYDRAULIC SYSTEM

Схема запчастей Case IH 315 - (F-38) - HYDRAULICS SYSTEM, PLATFORM LIFT VALVE, FOR HYDROSTATIC GROUND DRIVE (07) - HYDRAULIC SYSTEM
10
5
20
22
19
28
14
30
1
11
24
18
15
8
12
19
6
3
3
9
20
25
19
20
23
4
7
17
15
9
2
13
27
26
21
29
16
FIT
1:1
100%

Артикул

Название

Примечание

Количество

159441C92

VALVE ASSY, one spool control

1шт.

1

587569R1

PLATE, port

1шт.

426444

BOLT,Hex, 5/16" - 18 x 3 1/4", Gr 5

SCREW, 5/16 x 3-1/4 cap

3шт.

103320

LOCK WASHER,5/16"

WASHER, LOCK, 5/16"

3шт.

2

588347R1

PLUG, hex.

1шт.

3

252739R1

O-RING,0.103" Thk x 0.487" ID, -112, Cl 5, 75 Duro

3/32 x 1/2

2шт.

4

PLATE, end, Not serviced separately order 159441C92 valve assy

1шт.

5

587585R1

WASHER

backup

1шт.

6

252707R1

O-RING,0.103" Thk x 0.75" ID, -116, Cl 5, 75 Duro

3/32 x 9/16

1шт.

7

350429R1

O-RING,0.103" Thk x 0.612" ID, -114, Cl 5, 75 Duro

1шт.

8

167447C91

VALVE

ASSY, relief, 1750 psi, Includes ref nos. 5, 6, and 7

1шт.

9

587579R1

O-RING

1/16 x 3/4 ID

6шт.

10

159376C91

VALVE

ASSY, four-way, Includes ref nos. 11 thru 30

1шт.

11

169240R1

O-RING

3/32 x 9/16

1шт.

12

588353R1

SPRING

spool centering

1шт.

13

937198C91

CAP ASSY

1шт.

14

159801C1

PLUG

hex.

1шт.

15

9410359

PLUG

hex.

2шт.

16

159382C1

SPRING

lockout

1шт.

17

159380C91

VALVE

POPPET ASSY

1шт.

18

159379C1

PLUNGER

lockout

1шт.

19

350429R1

O-RING,0.103" Thk x 0.612" ID, -114, Cl 5, 75 Duro

3шт.

20

252707R1

O-RING,0.103" Thk x 0.75" ID, -116, Cl 5, 75 Duro

3/32 x 9/16

3шт.

21

159381C1

PLUG, hex.

1шт.

22

937195R1

SPRING WASHER

spool spring

1шт.

23

937194R1

SPRING WASHER

spool spring

1шт.

24

SPOOL, Order valve assy 159376C91

1шт.

25

181336

BOLT,Hex, 5/16" - 24 x 3/4", Gr 5

1шт.

114493

JAM NUT,Jam, 5/16"-24, G5

1шт.

26

387436R1

TAPPET

PLUNGER, check

1шт.

27

387437R1

SPRING

check

1шт.

28

PLUG, sltd, Not serviced separately order plug assy 159803C91

1шт.

29

937197R1

SCREW,1/4" - 20 x 2-5/16"

spool spring

1шт.

30

159803C91

VALVE

PLUG ASSY, Includes ref nos. 3, 11, 20, 21, 26, 27 and 28

1шт.

159383C91

PACKAGE

KIT ASSY, seal repair, For 159376C91 valve assy, Consists of

1шт.

321956R1

GASKET

O-RING

1шт.

352221R1

O-RING,0.103" Thk x 0.549" ID, -113, Cl 5, 75 Duro

1шт.

252739R1

O-RING,0.103" Thk x 0.487" ID, -112, Cl 5, 75 Duro

1шт.

310925R1

O-RING,0.103" Thk x 0.75" ID, -116, Cl 5, 75 Duro

3шт.

159380C91

VALVE

POPPET ASSY

1шт.

159645C91

SEAL

KIT ASSY, port plate o-ring repair, Consists of

1шт.

252739R1

O-RING,0.103" Thk x 0.487" ID, -112, Cl 5, 75 Duro

1шт.

321956R1

GASKET

O-RING

1шт.

310925R1

O-RING,0.103" Thk x 0.75" ID, -116, Cl 5, 75 Duro

1шт.

587585R1

WASHER

back-up

1шт.

161139C91

KIT ASSY, major seal repair, For 159441C92 valve, Consists of

1шт.

159383C91

PACKAGE

KIT ASSY

1шт.

159645C91

SEAL

KIT ASSY

1шт.

KIT ASSY

1шт.

574069R1

O-RING,0.750" ID x .062"

3шт.

350429R1

O-RING,0.103" Thk x 0.612" ID, -114, Cl 5, 75 Duro

2шт.

Выбрано товаров: 51