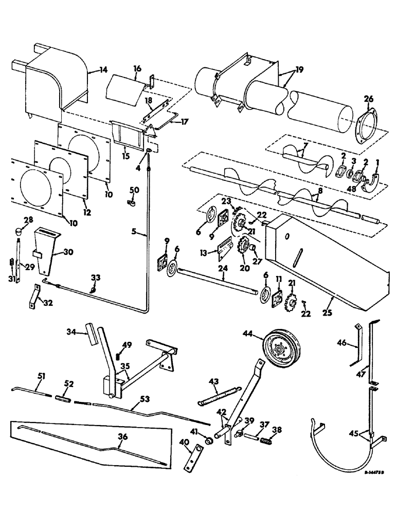
Запчасти Case IH 315 (T-05) - GRAIN HOPPER AND BAGGER, GRAIN TANK LOADING AUGER, DIVIDER CONTROL AND DRIVE Grain Tank

Схема запчастей Case IH 315 - (T-05) - GRAIN HOPPER AND BAGGER, GRAIN TANK LOADING AUGER, DIVIDER CONTROL AND DRIVE Grain Tank
43
45
16
46
33
1
40
2
49
10
20
13
5
39
15
38
22
2
30
12
8
29
19
17
32
41
52
10
42
47
11
6
31
21
25
18
26
14
35
9
53
6
48
23
36
6
44
3
51
22
37
7
28
34
50
21
9
27
24
FIT
1:1
100%

Артикул

Название

Примечание

Количество

1

151708C1

RETAINER, loading auger divider

1шт.

12872R1

BOLT,Short NK, 5/16"-18 x 1", G2, Full Thd

CARRIAGE, Short NK, 5/16"-18 x 1", G2, Full Thd

3шт.

120376

NUT,5/16"-18, G5

3шт.

80681

LOCK WASHER,5/16"

WASHER, LOCK, 5/16"

3шт.

2

612031R1

FLANGED BEARING

loading auger divider

2шт.

18474R1

BOLT,Hex, 5/16" - 18 x 1", Gr 2

5/16 x 1 C-Z hex-hd mach

2шт.

120376

NUT,5/16"-18, G5

2шт.

80681

LOCK WASHER,5/16"

WASHER, LOCK, 5/16"

2шт.

3

564991R91

BEARING

ASSY, loading auger divider housing ball

1шт.

4

606534R1

SWIVEL, grain divider control

1шт.

445535

SCREW, 1/4-28 x 3/8 C-Z slt-hdls set f-pt

1шт.

16559R1

WASHER,1/4"

17/64 x 5/8 x .036 C-Z

1шт.

5

606535R91

CABLE ASSY, grain distributor control, Not raised distributor auger

1шт.

112726

COTTER PIN,1/16" x 1/2"

PIN, SPLIT (COTTER), 1/16" x 1/2"

1шт.

6

151781C1

RETAINER, brg shield

3шт.

12653R1

BOLT (SPREADER),Short NK, 1/4"-20 x 3/4", G2

BOLT, 5/16 x 3/4 C-Z sq-nk crg

6шт.

120376

NUT,5/16"-18, G5

6шт.

80681

LOCK WASHER,5/16"

WASHER, LOCK, 5/16"

6шт.

7

152950C91

AUGER ASSY, grain tank loading LH

1шт.

19689R1

PIN,1/4" x 1 1/4", Coiled

1шт.

8

152946C91

AUGER ASSY, grain tank loading RH

1шт.

20340R1

COTTER PIN,1/4" x 1 1/2"

Pin, Split (Cotter), 1/4" x 1 1/2"

2шт.

21714R1

WASHER

29/32 x 1-1/2 x 11 ga C-Z

1шт.

9

631527R91

BALL BEARING

ASSY, grain tank loading auger ball

2шт.

10

168518C1

SEAL, loading tube pressure plate, Not raised distributor auger

1шт.

18764R1

HARDWARE,Hex, 5/16"-18 x 3/4", G2

BOLT, 5/16 x 3/4 znd hex-hd mach

10шт.

120376

NUT,5/16"-18, G5

10шт.

80681

LOCK WASHER,5/16"

WASHER, LOCK, 5/16"

10шт.

619855R1

WASHER

11/32 x 3/4 x 16 ga C-Z

10шт.

11

584300R91

BEARING ASSY,0.883" ID x 2.8125" OD x 1.25"

ASSY, grain tank loading auger drive shaft ball

1шт.

12

168518C1

SEAL, loading tube pressure plate, Not raised distributor auger

1шт.

18474R1

BOLT,Hex, 5/16" - 18 x 1", Gr 2

5/16 x 1 C-Z hex-hd mach

2шт.

120376

NUT,5/16"-18, G5

2шт.

80681

LOCK WASHER,5/16"

WASHER, LOCK, 5/16"

2шт.

106969R1

WASHER

11/32 x 1-1/4 x 16 ga C-Z

2шт.

13

168509C1

BRACKET, loading auger drive chain

1шт.

16897R1

CARRIAGE BOLT,Short Nk, 5/16" - 18 x 3/4", Gr 2, Full Thd

BOLT, 5/16 x 3/4 C-Z sq-nk crg

2шт.

120376

NUT,5/16"-18, G5

2шт.

80681

LOCK WASHER,5/16"

WASHER, LOCK, 5/16"

2шт.

21870R1

WASHER

17/64 x 3/4 x 16 ga C-Z

1шт.

14

155781C91

DOWNSPOUT ASSY, grain elevator

1шт.

15

155826C91

GATE ASSY, grain distributor LH

1шт.

21870R1

WASHER

17/64 x 3/4 x 16 ga C-Z

1шт.

16

155827C91

GATE ASSY, grain distributor RH

1шт.

21870R1

WASHER

17/64 x 3/4 x 16 ga C-Z

1шт.

17

155789C1

ROD, grain divider door

1шт.

112726

COTTER PIN,1/16" x 1/2"

PIN, SPLIT (COTTER), 1/16" x 1/2"

2шт.

18

155855C1

STRIP, hinge rod guide

1шт.

18626R1

CARRIAGE BOLT,Short Sq Nk, 1/4" - 20 x 1/2", Gr 2

BOLT, 1/4 x 1/2 C-Z sq-nk crg

2шт.

120375

NUT,Hex, 1/4" - 20, Gr 5

2шт.

492-11025

LOCK WASHER,1/4"

WASHER, LOCK, 1/4"

2шт.

19

151752C92

TUBE ASSY, loading

1шт.

18764R1

HARDWARE,Hex, 5/16"-18 x 3/4", G2

BOLT, 5/16 x 3/4 C-Z hex-hd mach

2шт.

120376

NUT,5/16"-18, G5

2шт.

80681

LOCK WASHER,5/16"

WASHER, LOCK, 5/16"

2шт.

619855R1

WASHER

11/32 x 3/4 x 16 ga C-Z

2шт.

20

565336R91

BEARING

SPROCKET, grain tank loading auger drive chain tightener, 11 T

1шт.

18709R1

BOLT,Short NK, 1/2"-13 x 2 3/4", G2

1/2 x 2-3/4 C-Z sq-nk crg

1шт.

120378

NUT,Hex, 1/2" - 13, Gr 5

NUT, 1/2"-13, G5

1шт.

120384

WASHER,1/2"

LOCK, 1/2"

1шт.

178374R1

WASHER

17/32 x 1-1/4 x 16 ga C-Z

1шт.

607896R1

SQ HOLE WASHER,17/32" x 1 1/4" x .120", Sq Hole

17/32 sq x 1-1/4 x 11 ga C-Z

1шт.

21

935000R1

SPROCKET, loading auger drive, 12 T

2шт.

124818

JAM NUT,Hex, 1/4" - 20, Gr 5

2шт.

127796

SET SCREW,Sq Hd, 1/4"-20 x 3/4"

Cup Pt Sq Hd, 1/4"-20 x 3/4"

2шт.

22

112139

WOODRUFF KEY,#A, 1/4" x 7/8"

KEY, 1/4 x 7/8 Woodruff A

2шт.

23

CHAIN, grain tank loading auger, Use 71 links from 10 ft roll marked 569088R91, one connecting link 457113R91 and two offset connecting links 457114R91

1шт.

24

152901C2

SHAFT, grain tank loading drive

1шт.

25

152905C91

SHIELD ASSY, distributor auger drive lower, Not raised distributor auger

1шт.

26

614982R1

FLANGE, loading pipe end

1шт.

18673R1

CARRIAGE BOLT,Short Sq Nk, 5/16" - 18 x 1/2", Gr 2

BOLT, 5/16 x 1/2 C-Z sq-nk crg

3шт.

120376

NUT,5/16"-18, G5

3шт.

80681

LOCK WASHER,5/16"

WASHER, LOCK, 5/16"

3шт.

619855R1

WASHER

11/32 x 3/4 x 16 ga C-Z

3шт.

27

576248R1

SPACER, chain drive tightener sprocket

1шт.

28

611976R1

KNOB, control handle

1шт.

29

606533R1

HANDLE, loading auger divider control

1шт.

20736R1

BOLT, 3/8 x 2 C-Z dld hex-hd mach

1шт.

425-126

SLOTTED NUT,3/8"-16, G5

NUT, 3/8 C-Z slt hex

1шт.

121222

COTTER PIN,3/32" x 3/4"

PIN, SPLIT (COTTER), 3/32" x 3/4"

1шт.

187988

COTTER PIN,3/16" x 1 1/4"

PIN, SPLIT (COTTER), 3/16" x 1 1/4"

1шт.

469668R1

WASHER

13/32 x 3/4 x 16 ga C-Z

2шт.

30

154233C91

SECTOR ASSY, loading auger divider

1шт.

120361

NUT,Hex Mach Screw, #10 - 24

2шт.

436732

SCREW,Slotted Pan Hd, #10-24 x 1/2"

10-24 x 1/2 C-Z slt-pan-hd mach

2шт.

120217

LOCK WASHER,#10

WASHER, LOCK, #10

2шт.

31

611420R1

SPRING

handle

1шт.

32

606537R1

BRACE, grain divider sector

1шт.

18764R1

HARDWARE,Hex, 5/16"-18 x 3/4", G2

BOLT, 5/16 x 3/4 C-Z hex-hd mach

1шт.

120376

NUT,5/16"-18, G5

1шт.

80681

LOCK WASHER,5/16"

WASHER, LOCK, 5/16"

1шт.

33

140568

CLAMP

CLIP, no. 5 5/16 x 5/16 closed

1шт.

18653R1

BOLT,Hex, 1/4" - 20 x 1/2", Gr 2

1/4 x 1/2 C-Z hex-hd mach

1шт.

120375

NUT,Hex, 1/4" - 20, Gr 5

1шт.

492-11025

LOCK WASHER,1/4"

WASHER, LOCK, 1/4"

1шт.

34

938885R1

GRIP

unloader auger control lever

1шт.

35

164667C91

LEVER ASSY, unloader

1шт.

12872R1

BOLT,Short NK, 5/16"-18 x 1", G2, Full Thd

CARRIAGE, Short NK, 5/16"-18 x 1", G2, Full Thd

4шт.

18778R1

SCREW,Hex, 3/8"-16 x 3/4", G2

BOLT, 3/8 x 3/4 C-Z hex-hd mach

1шт.

120376

NUT,5/16"-18, G5

4шт.

120377

NUT,3/8" - 16, Gr 5

1шт.

80681

LOCK WASHER,5/16"

WASHER, LOCK, 5/16"

4шт.

120382

LOCK WASHER,Helical Spring, 3/8"

WASHER, LOCK, 3/8"

1шт.

469668R1

WASHER

13/32 x 3/4 x 16 ga C-Z

1шт.

36

152018C1

ROD, unloader drive control, Serial no 700 and below

1шт.

271501

SOCKET

NUT, 7/16 C-Z hex

2шт.

18481R1

COTTER PIN,3/16" x 1"

PIN, SPLIT (COTTER), 3/16" x 1"

1шт.

37

567996R1

SPACER, unloader control and trunnion

1шт.

38

360626R2

SPRING

unloader control rod trunnion

1шт.

39

152913C1

PIVOT, unloader control rod

1шт.

18481R1

COTTER PIN,3/16" x 1"

PIN, SPLIT (COTTER), 3/16" x 1"

1шт.

608701R1

WASHER

21/32 x 1-1/4 x 16 ga C-Z

3шт.

40

152025C11

BAR ASSY, unloader pivot, Includes ref no 41

1шт.

18684R1

BOLT,Sht Sq Nk, 3/8" - 16 x 1 1/4", Gr 2

3/8 x 1-1/4 C-Z hex-hd mach

2шт.

120377

NUT,3/8" - 16, Gr 5

2шт.

120382

LOCK WASHER,Helical Spring, 3/8"

WASHER, LOCK, 3/8"

2шт.

41

606936R1

PIVOT ASSY.

BUSHING, rockshaft variator linkage

1шт.

42

152022C91

LEVER ASSY, unloader drive idler

1шт.

217973

COTTER PIN,1/4" x 1 1/4"

Pin, Split (Cotter), 1/4" x 1-1/4"

3шт.

43

610598R1

SPRING, idler pulley return

1шт.

44

565441R91

BEARING

PULLEY ASSY, unloader drive belt idler, 8-3/4 OD, 21/32 brg bore

1шт.

18824R1

BOLT,Hex, 5/8"-11 x 2 1/2", G2

5/8 x 2-1/2 C-Z hex-hd mach

1шт.

124589

BALL STUD,Hex, 5/8" - 11 x 2", Gr 5

5/8 C-Z hex

1шт.

492-11062

BEARING WASHER,5/8"

WASHER, LOCK, 5/8"

1шт.

45

152030C91

GUIDE ASSY, unloader belt

1шт.

18778R1

SCREW,Hex, 3/8"-16 x 3/4", G2

BOLT, 3/8 x 3/4 C-Z hex-hd mach

2шт.

120377

NUT,3/8" - 16, Gr 5

2шт.

120382

LOCK WASHER,Helical Spring, 3/8"

WASHER, LOCK, 3/8"

2шт.

46

153199C1

BRACE, unloader belt upper front

1шт.

12872R1

BOLT,Short NK, 5/16"-18 x 1", G2, Full Thd

CARRIAGE, Short NK, 5/16"-18 x 1", G2, Full Thd

2шт.

120376

NUT,5/16"-18, G5

2шт.

80681

LOCK WASHER,5/16"

WASHER, LOCK, 5/16"

2шт.

619855R1

WASHER

11/32 x 3/4 x 16 ga C-Z

2шт.

47

158694C1

BRACE, belt guide upper rear

1шт.

16897R1

CARRIAGE BOLT,Short Nk, 5/16" - 18 x 3/4", Gr 2, Full Thd

BOLT, 5/16 x 3/4 C-Z sq-nk crg

1шт.

18685R1

CARRIAGE BOLT,Short Sq Nk, 3/8" - 16 x 1 1/2", Gr 2

BOLT, 3/8 x 1-1/2 C-Z sq-nk crg

1шт.

18494R1

BOLT,Hex, 3/8" - 16 x 1", Gr 2

3/8 x 1 C-Z hex-hd mach

1шт.

120376

NUT,5/16"-18, G5

1шт.

120377

NUT,3/8" - 16, Gr 5

2шт.

80681

LOCK WASHER,5/16"

WASHER, LOCK, 5/16"

1шт.

120382

LOCK WASHER,Helical Spring, 3/8"

WASHER, LOCK, 3/8"

2шт.

619856R1

WASHER

13/32 x 1 x 16 ga C-Z

3шт.

48

658006R11

COLLAR

W/SET SCREW, brg lkg

1шт.

83-1254

SET SCREW,Hex Soc, 1/4"-20 x 1/4"

SCREW, 1/4 x 1/4 hex-soc-hd cup-pt set

1шт.

49

59807D

SPRING, loading control handle

1шт.

50

362120R1

CLAMP,9.53mm ID, 10.32mm Bolt Hole, P Type

CLIP, grain distributor control cable

1шт.

51

163538C1

LINK, unloader control rod

1шт.

18481R1

COTTER PIN,3/16" x 1"

PIN, SPLIT (COTTER), 3/16" x 1"

1шт.

52

606579R1

TURNBUCKLE

1шт.

53

163539C1

ROD, unloader control

1шт.

NLS

NO LONGER SERVICED

NUT, 7/16 C-Z hex

3шт.

120383

LOCK WASHER,Helical Spring, 7/16"

WASHER, LOCK, 7/16"

3шт.

893862R1

WASHER

15/32 x 1-1/4 x 11 ga C-Z

2шт.

Выбрано товаров: 153