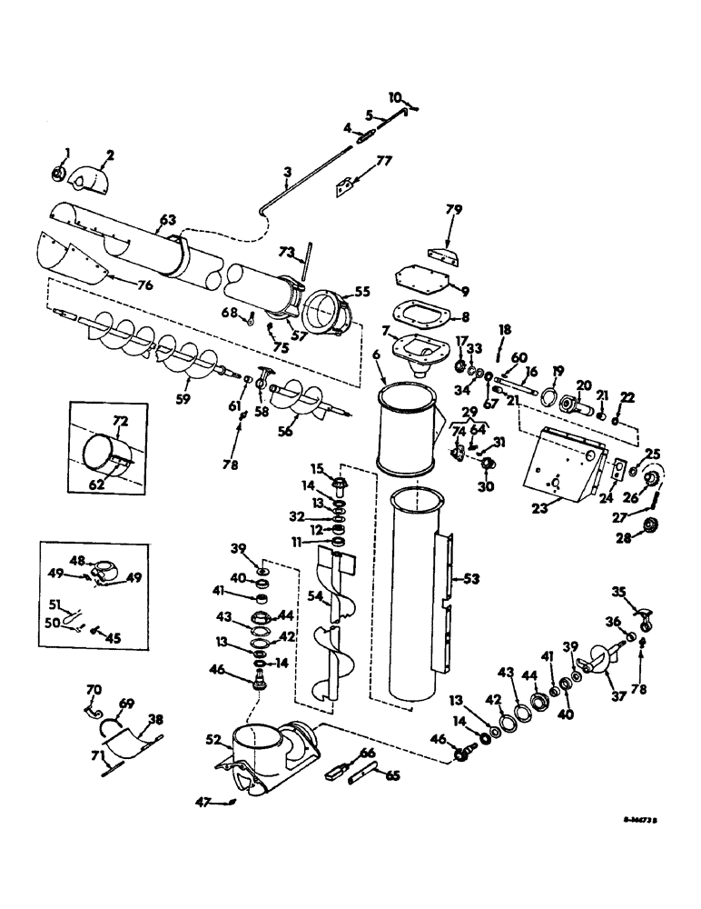
Запчасти Case IH 315 (T-08) - GRAIN HOPPER AND BAGGER, GRAIN TANK UNLOADER AND DRIVE Grain Tank

Схема запчастей Case IH 315 - (T-08) - GRAIN HOPPER AND BAGGER, GRAIN TANK UNLOADER AND DRIVE Grain Tank
58
39
5
8
31
76
23
55
14
73
59
33
41
63
48
38
74
13
79
39
45
49
44
20
14
24
17
40
25
66
42
19
57
69
43
18
50
16
49
26
29
28
42
12
44
1
46
52
64
61
11
70
46
35
13
68
27
7
65
40
3
22
78
75
43
62
32
2
53
47
36
51
10
77
54
60
34
56
15
71
13
9
14
30
21
41
78
37
6
67
21
4
72
FIT
1:1
100%

Артикул

Название

Примечание

Количество

1

564851R91

BALL BEARING,1.002" ID x 3.75" OD x 0.9"

ASSY, upper unloader auger outer ball

1шт.

2

155888C1

BRACKET, upper unloader tube plate

1шт.

16897R1

CARRIAGE BOLT,Short Nk, 5/16" - 18 x 3/4", Gr 2, Full Thd

BOLT, 5/16 x 3/4 C-Z sq-nk crg

3шт.

18763R1

BOLT,Hex, 5/16" - 18 x 1/2", Gr 2

5/16 x 1/2 C-Z hex-hd mach

3шт.

120376

NUT,5/16"-18, G5

6шт.

80681

LOCK WASHER,5/16"

WASHER, LOCK, 5/16"

6шт.

619855R1

WASHER

11/32 x 3/4 x 16 ga C-Z

2шт.

3

153421C1

ROD, unloader tube, 10-ft, 13-ft and 14-ft platforms, Serial no, Serial Range: 501-2297

1шт.

3

167098C1

ROD, unloader tube outer, 16-ft platform serial no 701 to 2297, 10-ft, 13-ft, 14-ft and 16-ft platform serial no 2298 and above

1шт.

120238

JAM NUT,Jam, 1/2"-13, G5

1/2 C-Z hex hd jam

1шт.

20601R1

WASHER

17/32 x 1-1/4 x 11 ga C-Z

1шт.

4

628698R1

TURNBUCKLE

unloader rod

1шт.

5

155886C1

ROD, unloader inner, 10-ft, 13-ft and 14-ft platforms, Serial no, Serial Range: 501-2297

1шт.

5

167097C1

ROD, unloader tube inner, 16-ft platform serial no 701 to 2297, 10-ft, 13-ft, 14-ft and 16-ft platform serial no 2298 and above

1шт.

192462

NUT, 1/2 C-Z LH thread

1шт.

6

155850C1

ELBOW, unloader upper

1шт.

7

151700C11

HOUSING ASSY, unloader tube upper gear, Includes nos 11 and 12

1шт.

8

151709C1

GASKET, upper unloader

1шт.

9

151706C1

COVER, upper unloader housing

1шт.

120376

NUT,5/16"-18, G5

6шт.

180075

BOLT,Hex, 5/16" - 18 x 5/8", Gr 5

SCREW, 5/16 x 5/8 C-Z hex-hd cap

4шт.

180081

BOLT,Hex, 5/16"-18 x 1 1/4", G5

5/16-18 x 1-1/4 C-Z hex-hd cap

4шт.

180083

BOLT,Hex, 5/16" - 18 x 1 1/2", Gr 5

SCREW, 5/16 x 1-1/2 C-Z hex-hd cap

2шт.

80681

LOCK WASHER,5/16"

WASHER, LOCK, 5/16"

10шт.

10

610784R1

SPLIT PIN/SAFETY PIN,2.4mm OD x 60.345mm OAL

PIN, qa cot.

1шт.

11

607145R91

OIL SEAL

unloader upper gear housing

1шт.

12

607148R91

ROLLER BEARING,1.375" ID x 1.7505" OD x 1"

unloader bevel gear needle

1шт.

13

607147R1

WASHER

RACE, unloader auger bevel gear thrust

3шт.

14

607146R91

THRUST BEARING,35.04mm ID x 51.99mm OD x 1.98mm W

ASSY, unloader auger bevel gear thrust needle

3шт.

15

155895C91

GEAR ASSY, unloader auger bevel upper

1шт.

16

153896C1

SHAFT, unloader drive upper

1шт.

20340R1

COTTER PIN,1/4" x 1 1/2"

Pin, Split (Cotter), 1/4" x 1 1/2"

1шт.

591715R1

WASHER

1-1/32 x 1-1/2 x 16 ga C-Z

4шт.

21885R1

WASHER

1-1/32 x 2 x 16 ga C-Z

4шт.

17

155896C1

GEAR, unloader auger upper

1шт.

18

153897C1

PIN, upper unlaoder drive shaft

1шт.

648002

KNIFE

1/8" x 3/4"

2шт.

19

153647C1

GASKET, upper unloader drive

3шт.

20

155851C11

HOUSING ASSY, upper unloader drive shaft, Includes ref no 21

1шт.

18764R1

HARDWARE,Hex, 5/16"-18 x 3/4", G2

BOLT, 5/16 x 3/4 C-Z hex-hd mach

3шт.

80681

LOCK WASHER,5/16"

WASHER, LOCK, 5/16"

3шт.

21

574940R91

NEEDLE BEARING,Needle, 25.39mm ID x 33.35mm OD x 25.4mm W

BEARING ASSY, unloader drive needle

2шт.

22

311994R91

SEAL, upper unloader drive oil

1шт.

23

159252C91

SECTION ASSY, upper unloader elbow

1шт.

17351R1

CARRIAGE BOLT,Short Sq Nk, 3/8" - 16 x 1", Gr 2

BOLT, 3/8 x 1 C-Z sq-nk crg

4шт.

120377

NUT,3/8" - 16, Gr 5

4шт.

120382

LOCK WASHER,Helical Spring, 3/8"

WASHER, LOCK, 3/8"

4шт.

464623R1

WASHER

21/32 x 1-1/2 x 11 ga C-Z

1шт.

24

152063C1

BAR, housing support

1шт.

12686R1

CARRIAGE BOLT,Sq Nk, 1/2" - 13 x 1/2", Gr 2, Full Thd

BOLT, CARRIAGE, Short NK, 1/2"-13 x 1 1/2", G2, Full Thd

1шт.

120378

NUT,Hex, 1/2" - 13, Gr 5

NUT, 1/2"-13, G5

1шт.

120384

WASHER,1/2"

LOCK, 1/2"

1шт.

178374R1

WASHER

17/32 x 1-1/4 x 16 ga C-Z

1шт.

25

564558R1

WASHER, unloader drive thrust

1шт.

26

153895C91

SPROCKET ASSY, upper unloader driven 14T

1шт.

27

CHAIN, upper unloader, Use 51 links from 10 ft roll marked 1791D and one connecting link 1310D

1шт.

191598

PIN, 3/64 x 308 ext prong cotter

2шт.

28

565442R91

SPROCKET

unloader lower drive tightener 17-T

1шт.

17148R1

BOLT,Short NK, 1/2"-13 x 2 1/4", G2

1/2 x 2-1/4 C-Z sq-nk crg

1шт.

120378

NUT,Hex, 1/2" - 13, Gr 5

NUT, 1/2"-13, G5

1шт.

120384

WASHER,1/2"

LOCK, 1/2"

1шт.

178374R1

WASHER

17/32 x 1-1/4 x 16 ga C-Z

3шт.

607896R1

SQ HOLE WASHER,17/32" x 1 1/4" x .120", Sq Hole

17/32 sq x 1-1/4 x 11 ga C-Z

1шт.

29

155932C92

BEARING

ASSY, upper unloader auger inner ball

1шт.

30

156905C91

SPROCKET ASSY, upper unloader driven 12T

1шт.

31

126-124

WOODRUFF KEY,#15, 1/4" x 1", HT

KEY, 1/4 x 1 Woodruff 15

1шт.

32

156654C1

WASHER, unloader auger gear

2шт.

33

306970R1

RACE

RACE, unloader drive thrust needle brg

1шт.

34

634832R1

WASHER

RACE, unloader drive thrust needle brg

1шт.

35

168496C11

SUPPORT ASSY, upper unloader auger, Includes ref no 36

1шт.

18474R1

BOLT,Hex, 5/16" - 18 x 1", Gr 2

5/16 x 1 C-Z hex-hd mach

2шт.

120376

NUT,5/16"-18, G5

2шт.

619855R1

WASHER

11/32 x 3/4 x 16 ga C-Z

2шт.

36

166461C1

BUSHING

unloader auger support

1шт.

37

152058C91

AUGER ASSY, lower unloader LH extension

1шт.

615281R1

WASHER

1-11/32 x 2-1/2 x 16 ga

2шт.

38

151707C1

DOOR, unloader elbow cleanout

1шт.

39

606712R1

SQ HOLE WASHER

lower unloader auger thrust

2шт.

40

607145R91

OIL SEAL

bevel gear oil

2шт.

41

607148R91

ROLLER BEARING,1.375" ID x 1.7505" OD x 1"

ASSY, unloader auger bevel gear needle

2шт.

42

155873C1

GASKET, unloader auger bevel gear .005

1шт.

43

155874C1

GASKET, unloader auger bevel gear .020

1шт.

44

154733C11

HUB ASSY, unloader auger bevel gear, Includes ref nos 40 and 41

2шт.

21035R1

HEX SOC SCREW,5/16"-18 x 1"

6шт.

80681

LOCK WASHER,5/16"

WASHER, LOCK, 5/16"

6шт.

45

161121C1

BOLT, lower unloader gear housing lub, Serial no 734 and below

1шт.

46

155870C91

GEAR ASSY, lower unloader auger bevel

2шт.

47

109461

LUBE NIPPLE,1/8"-27 x .66 lg

NIPPLE, LUBE, , PTF 1/8"-27 x .66 lg

1шт.

48

158792C1

HOUSING, lower unloader gear, Serial no 734 and below

1шт.

49

936589R1

SHIM, unloader tube lower elbow, .036, Serial no 734 and below

2шт.

50

10961D

BOLT, unloader tube lower elbow-dld hd, Serial no 734 and below

1шт.

120384

WASHER,1/2"

LOCK, 1/2"

2шт.

51

WIRE, lock 9 x .042 no 19 B.W.G., Serial no 734 and below, Order from bulk stock

1шт.

52

163469C2

ELBOW, unloader tube lower

1шт.

16897R1

CARRIAGE BOLT,Short Nk, 5/16" - 18 x 3/4", Gr 2, Full Thd

BOLT, 5/16 x 3/4 C-Z sq-nk crg

3шт.

18764R1

HARDWARE,Hex, 5/16"-18 x 3/4", G2

BOLT, 5/16 x 3/4 C-Z hex-hd mach

6шт.

18474R1

BOLT,Hex, 5/16" - 18 x 1", Gr 2

5/16 x 1 C-Z hex-hd mach

4шт.

120376

NUT,5/16"-18, G5

13шт.

80681

LOCK WASHER,5/16"

WASHER, LOCK, 5/16"

13шт.

53

152064C91

PIPE ASSY, vertical unloader

1шт.

18474R1

BOLT,Hex, 5/16" - 18 x 1", Gr 2

5/16 x 1 C-Z hex-hd mach

6шт.

120376

NUT,5/16"-18, G5

6шт.

80681

LOCK WASHER,5/16"

WASHER, LOCK, 5/16"

6шт.

54

152068C91

AUGER ASSY, vertical unloader

1шт.

55

158793C1

HINGE, unloader tube inner

1шт.

18494R1

BOLT,Hex, 3/8" - 16 x 1", Gr 2

3/8 x 1 C-Z hex-hd mach

1шт.

18779R1

BOLT,Hex, 3/8"-16 x 1 1/2", Gr 2

3/8 x 1-1/2 C-Z hex-hd mach

5шт.

120377

NUT,3/8" - 16, Gr 5

6шт.

120382

LOCK WASHER,Helical Spring, 3/8"

WASHER, LOCK, 3/8"

6шт.

56

152952C91

AUGER ASSY, upper unloader lower

1шт.

125158

SLOTTED NUT,5/8"-11, G5

NUT, 5/8 C-Z slt hex

1шт.

137204

COTTER PIN,1/8" x 1 1/2"

PIN, SPLIT (COTTER), 1/8" x 1 1/2"

1шт.

464623R1

WASHER

21/32 x 1-1/2 x 11 ga C-Z

1шт.

591715R1

WASHER

1-1/32 x 1-1/2 x 16 ga C-Z

5шт.

57

151702C2

HINGE, unloader tube

1шт.

271501

SOCKET

NUT, 7/16 C-Z hex

8шт.

106900

RIVET,Truss Hd, 1/4" x 3/4"

8шт.

180149

LOCK SCREW,Hex, 7/16" - 14 x 1 1/2", Gr 5

SCREW, 7/16 x 1-1/2 C-Z hex-hd cap

8шт.

120383

LOCK WASHER,Helical Spring, 7/16"

WASHER, LOCK, 7/16"

8шт.

58

168495C11

SUPPORT ASSY, lower unloader auger extension, Includes ref no 61

1шт.

17351R1

CARRIAGE BOLT,Short Sq Nk, 3/8" - 16 x 1", Gr 2

BOLT, 3/8 x 1 C-Z sq-nk crg

2шт.

120377

NUT,3/8" - 16, Gr 5

2шт.

120382

LOCK WASHER,Helical Spring, 3/8"

WASHER, LOCK, 3/8"

2шт.

59

152081C91

AUGER ASSY, upper unloader, 10-ft, 13-ft and 14-ft platforms

1шт.

59

165581C91

AUGER ASSY, upper unloader, 16-ft platform

1шт.

60

126-124

WOODRUFF KEY,#15, 1/4" x 1", HT

KEY, 1/4 x 1 Woodruff 15

3шт.

61

166461C1

BUSHING

unloader auger support

1шт.

62

150666C1

ANGLE, unloader tube bumper pad, hydrostatic ground drive

1шт.

18494R1

BOLT,Hex, 3/8" - 16 x 1", Gr 2

3/8 x 1 C-Z hex-hd mach

2шт.

120377

NUT,3/8" - 16, Gr 5

2шт.

120382

LOCK WASHER,Helical Spring, 3/8"

WASHER, LOCK, 3/8"

2шт.

63

152074C92

TUBE ASSY, upper unloader, 10-ft, 13-ft and 14-ft platforms

1шт.

63

165579C92

TUBE ASSY, upper unloader, 16-ft platform

1шт.

NLS

NO LONGER SERVICED

NUT, 7/16 C-Z hex

8шт.

180149

LOCK SCREW,Hex, 7/16" - 14 x 1 1/2", Gr 5

SCREW, 7/16 x 1-1/2 C-Z hex-hd cap

8шт.

120383

LOCK WASHER,Helical Spring, 7/16"

WASHER, LOCK, 7/16"

8шт.

64

219-37

LUBE NIPPLE,45 Degree Elbow, 1/4" - 28 NPTF

FITTING, 1/4-28 NS 45 deg lub

1шт.

65

154306C1

BAR, grain hopper locking handle

1шт.

648002

KNIFE

1/8" x 3/4"

1шт.

690693R1

PIN

1/2 x 1 slt spring

1шт.

21889R1

HEADED PIN,3/8" x 1"

PIN, 3/8 x 1 C-Z std-hd

1шт.

66

633469R1

YOKE, grain hopper locking

1шт.

18779R1

BOLT,Hex, 3/8"-16 x 1 1/2", Gr 2

3/8 x 1-1/2 C-Z hex-hd mach

1шт.

124829

JAM NUT,Hex, 3/8" - 16, Gr 5

1шт.

17044R1

LOCK NUT,3/8"-16, GB

NUT, 3/8-16 ESNA stop

1шт.

619856R1

WASHER

13/32 x 1 x 16 ga C-Z

1шт.

67

368372R91

THRUST BEARING

ASSY, unloader drive thrust needle

1шт.

68

159355C1

BOLT,1/2" - 13 x 3"

EYE BOLT, unloader tube latch

1шт.

120378

NUT,Hex, 1/2" - 13, Gr 5

NUT, 1/2"-13, G5

2шт.

18481R1

COTTER PIN,3/16" x 1"

PIN, SPLIT (COTTER), 3/16" x 1"

1шт.

21890R1

PIN, 5/8 x 1-3/4 C-Z std-hd

1шт.

20601R1

WASHER

17/32 x 1-1/4 x 11 ga C-Z

1шт.

69

155900C1

BOLT,1/4" - 20 x 4.24" W x 1.12" L

auger clean out door

1шт.

20244R1

LOCK NUT,1/4"-20

NUT, 1/4-20 ESNA stop

2шт.

70

155909C1

LATCH

unloader auger clean out door

1шт.

648002

KNIFE

1/8" x 3/4"

1шт.

21242R1

HEADED PIN

PIN, 1/4 x 1-3/4 C-Z std-hd

1шт.

71

155929C1

PIN, cleanout door pivot

1шт.

648002

KNIFE

1/8" x 3/4"

2шт.

72

159164C1

PAD, unloader tube bumper, hydrostatic ground drive

1шт.

18475R1

BOLT,Hex, 5/16" - 18 x 1 1/4", Gr 2

5/16 x 1-1/4 C-Z hex-hd mach

6шт.

120376

NUT,5/16"-18, G5

6шт.

125158

SLOTTED NUT,5/8"-11, G5

NUT, 5/8 slt hex

1шт.

80681

LOCK WASHER,5/16"

WASHER, LOCK, 5/16"

6шт.

73

151705C1

PIN, unloader tube hinge

1шт.

18481R1

COTTER PIN,3/16" x 1"

PIN, SPLIT (COTTER), 3/16" x 1"

1шт.

608701R1

WASHER

21/32 x 1-1/4 x 16 ga C-Z

2шт.

74

625020R91

BALL BEARING,25.4mm ID x 52mm OD x 15mm W

BEARING, assy upper unloader auger inner ball

1шт.

16888R1

HARDWARE,Short NK, 5/16"-18 x 1 1/4", G2

BOLT, 5/16 x 1-1/4 C-Z sq-nk crg

3шт.

120376

NUT,5/16"-18, G5

3шт.

80681

LOCK WASHER,5/16"

WASHER, LOCK, 5/16"

3шт.

134238R1

WASHER

11/32 x 1 x 16 ga C-Z

6шт.

75

219-8

LUBE NIPPLE,1/4" - 28 NPTF

FITTING, 1/4-27 PTF str lub

1шт.

76

163629C1

DOWNSPOUT, unloader

1шт.

18764R1

HARDWARE,Hex, 5/16"-18 x 3/4", G2

BOLT, 5/16 x 3/4 C-Z hex-hd mach

6шт.

120376

NUT,5/16"-18, G5

6шт.

80681

LOCK WASHER,5/16"

WASHER, LOCK, 5/16"

6шт.

619855R1

WASHER

11/32 x 3/4 x 16 ga C-Z

6шт.

77

167096C1

RETAINER, unloader tube rod, 16-ft platform serial no 701 to 2297, 10-ft, 13-ft, 14-ft and 16-ft platform serial no 2298 and above

1шт.

18508R1

CARRIAGE BOLT,Short Nk, 3/8" - 16 x 3/4", Gr 2, Full Thd

BOLT, 3/8 x 3/4 C-Z sq-nk crg

2шт.

120377

NUT,3/8" - 16, Gr 5

2шт.

120382

LOCK WASHER,Helical Spring, 3/8"

WASHER, LOCK, 3/8"

2шт.

78

127743

LUBE NIPPLE,65 Degree, 1/8" NPT x 1.20" lg

FITTING, 1/8-27 PTF 65 deg angle lub 1.19 in long

2шт.

79

154286C1

REINFORCEMENT, upper elbow cover

1шт.

Выбрано товаров: 184