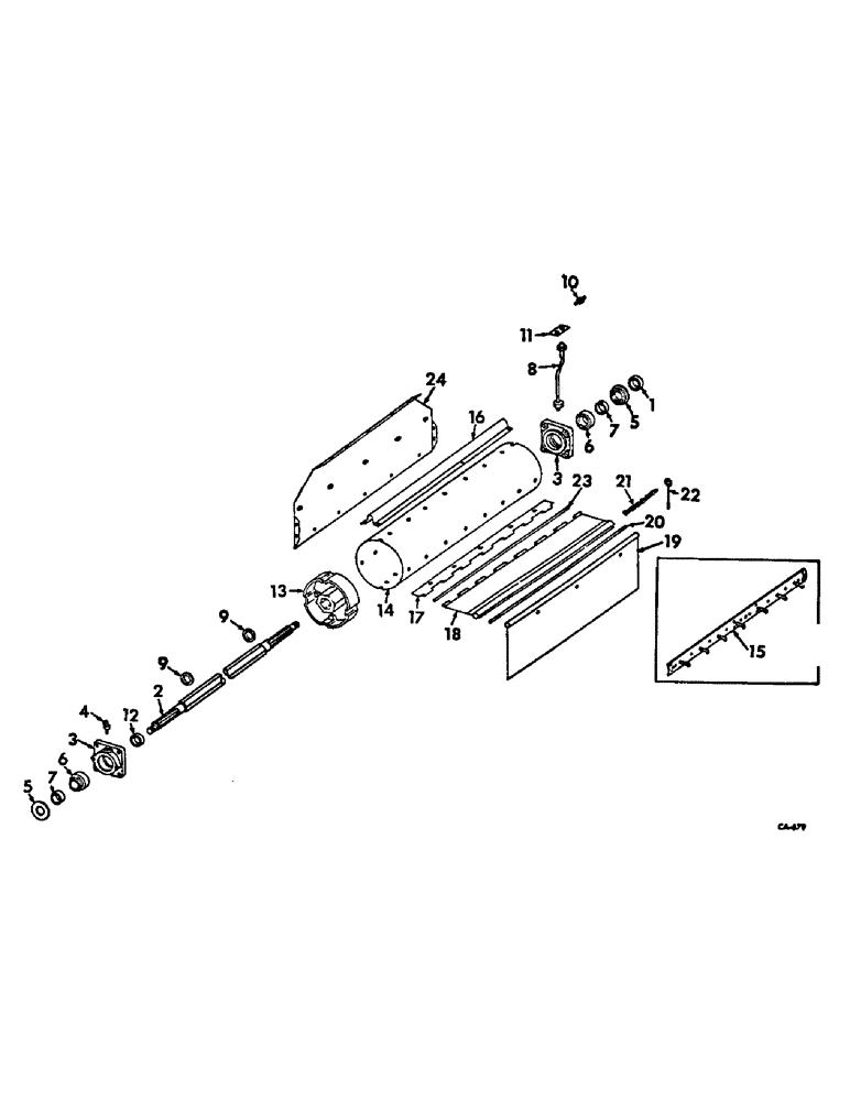
Запчасти Case IH 315 (R-15) - SEPARATOR, CYLINDER BEATER Separation

Схема запчастей Case IH 315 - (R-15) - SEPARATOR, CYLINDER BEATER Separation
16
5
11
1
24
22
3
20
5
14
4
9
8
6
9
19
15
17
10
6
3
7
13
23
21
18
12
2
7
FIT
1:1
100%

Артикул

Название

Примечание

Количество

1

150124C1

SPACER, cylinder drive sprocket

1шт.

2

151723C11

SHAFT W/SLEEVE, cylinder beater

1шт.

20290R1

LOCK NUT,1"-14, G5

NUT, 1/4 nylon insert

1шт.

936727R1

WASHER,26.16mm ID x 56.9mm OD x 6.35mm Thk

1-1/32 x 2-1/4 x 1/4

1шт.

577129R1

WASHER

1шт.

609836R1

WASHER

1-3/32 x 1-3/4 x 16 ga C-Z

3шт.

21907R1

WASHER, 1-1/32 x 2 x 22 C-Z

2шт.

22801R1

WASHER

1-17/32 x 2 x 16 ga C-Z

3шт.

3

939620R11

HOUSING ASSY, cylinder beater bearing, Includes ref nos 5 and 6

2шт.

120378

NUT,Hex, 1/2" - 13, Gr 5

NUT, 1/2"-13, G5

8шт.

120384

WASHER,1/2"

LOCK, 1/2"

8шт.

4

80717

LUBE NIPPLE,45 Degree, 1/8" NPT x 7/8" lg

FITTING, 1/8-27 PTF 45 deg lub

1шт.

5

939624R91

SEAL

SEAL ASSY, cylinder beater bearing housing

2шт.

6

939621R91

BEARING

ASSY, cylinder beater ball

2шт.

7

939932R11

COLLAR

W/SET SCREW, locking

2шт.

102592

SET SCREW,Hex Skt, 3/8" - 16 x 3/8"

SCREW, 3/8 x 3/8 hex soc-hd cup-pt

2шт.

8

937770R91

HOSE ASSY, cylinder beater RH brg lub

1шт.

144574

RIGID TUBE

NUT, 1/8 pipe lock

1шт.

9

160191C2

WASHER

beater shaft

2шт.

10

16964R91

FITTING

1/4-28 90 deg angle lub

1шт.

11

606373R1

PLATE

BAR, cylinder beater RH bearing lub hose

1шт.

12

629713R1

SPACER

RING, cylinder beater LH

1шт.

13

152448C1

HUB, cylinder beater

3шт.

14

163626C91

TUBE ASSY, cylinder beater

1шт.

15

152085C91

BAR ASSY, cylinder beater 8 pin, special, edible bean

2шт.

15

152086C91

BAR ASSY, cylinder beater 9 pin, special, edible bean

1шт.

180124

BOLT,Hex, 3/8" - 16 x 1 1/4", Gr 5

SCREW, 3/8 x 1-1/4 znd hex-hd cap

6шт.

138542

LOCK WASHER,Int Tooth, 3/8"

WASHER, LOCK, Int Tooth, 3/8"

6шт.

16

152089C1

REINFORCEMENT, cylinder beater pin, Serial no, Serial Range: 501-700

4шт.

16

163695R1

BLADE, cylinder beater, grain and rice, Serial no 701 and above

4шт.

113-206

BOLT,Hex, 3/8" - 16 x 3/4", Gr 5, Full Thd

3/8 x 3/4 znd hex-hd cap

24шт.

138542

LOCK WASHER,Int Tooth, 3/8"

WASHER, LOCK, Int Tooth, 3/8"

24шт.

469668R1

WASHER

13/32 x 3/4 x 16 ga C-Z

24шт.

17

152459R1

HINGE, beater flap upper

1шт.

16897R1

CARRIAGE BOLT,Short Nk, 5/16" - 18 x 3/4", Gr 2, Full Thd

BOLT, 5/16 x 3/4 C-Z sq-nk crg

5шт.

120376

NUT,5/16"-18, G5

5шт.

80681

LOCK WASHER,5/16"

WASHER, LOCK, 5/16"

5шт.

18

152455C91

CLIP ASSY, beater flap lower

1шт.

19

152458C11

FLAP ASSY, beater

1шт.

20

937025R1

ROD, beater flap

1шт.

21

H59561

CHAIN, beater flap adjusting

1шт.

18565R1

BOLT, 1/4 x 1-1/4 znd hex-hd mach

1шт.

120375

NUT,Hex, 1/4" - 20, Gr 5

1шт.

80682

LOCK WASHER,1/4"

Washer, Lock, 1/4"

1шт.

21870R1

WASHER

17/64 x 3/4 x 16 ga C-Z

1шт.

22

H59564

PIN

beater flap adjusting

1шт.

23

583779R1

ROD, beater flap hinge

1шт.

24

152709C11

SECTION ASSY, cylinder beater front

1шт.

12872R1

BOLT,Short NK, 5/16"-18 x 1", G2, Full Thd

CARRIAGE, Short NK, 5/16"-18 x 1", G2, Full Thd

5шт.

120376

NUT,5/16"-18, G5

5шт.

Выбрано товаров: 50