Запчасти Case IH 503 (049) - AXLE TUBE, FINAL DRIVE AND WHEEL BRAKES (25) - FRONT AXLE SYSTEM

Схема запчастей Case IH 503 - (049) - AXLE TUBE, FINAL DRIVE AND WHEEL BRAKES (25) - FRONT AXLE SYSTEM
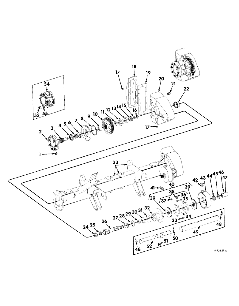
24
47
43
7
38
28
23
26
8
53
51
2
22
52
16
48
13
48
49
1
44
20
5
21
17
42
54
45
39
18
40
4
41
3
14
50
39
17
9
6
37
10
34
19
33
55
25
30
46
31
15
36
32
11
29
27
12
35
FIT
1:1
100%

Артикул

Название

Примечание

Количество

1

554480R1

WHEEL NUT

5/8-18UNF wheel bolt, Not for power adjusted wheel, Serial no. 1645 and below

16шт.

1

364450R1

SPECIAL NUT

NUT, 5/8-18UNF wheel bolts, For power adjusted wheels, Serial no. 1645 and below, For all combines serial no. 1646 and above

16шт.

2

379510R2

BOLT,5/8" - 18 x 3 1/16"

wheel

8шт.

3

385945R1

SHAFT

final drive, Not power adjusted wheels or track, Serial no. 1645 and below

2шт.

3

404070R1

SHAFT, final drive, For power adj. wheels or track, Serial no. 1645 and below, For all combines serial no. 1646 and above

2шт.

103391

COTTER PIN,1/8" x 2 1/2"

Pin, Split (Cotter), 1/8" x 2 1/2"

1шт.

4

380185R91

OIL SEAL

OIL SEAL, final drive outer bearing cage, Not tracks, Serial no. 6234 and below

1шт.

4

567816R91

SEAL

OIL SEAL, final drive outer bearing cage, Track, Serial no. 6234 and below

2шт.

4

404489R91

OIL SEAL,83.57mm ID x 127.1mm OD x 11.89mm Thk

OIL SEAL, outer bearing cage, All combines serial no. 6235 and above

2шт.

5

ST2157

TAPERED BEARING,3.035" ID x 4.8126" OD x 1.3"

CONE ASSY, final drive outer brg

1шт.

6

ST985

CUP

final drive outer bearing

1шт.

7

583236R1

CAGE, final drive outer bearing, Serial no 4765 and below

1шт.

7

395674R1

CAGE, final drive outer bearing, Serial no., Serial Range: 4766-6234

2шт.

7

404077R1

CAGE, final drive outer bearing, Serial no. 6235 and above

1шт.

179860

BOLT,Hex, 7/16" - 14 x 1 1/4", Gr 5

SCREW, 7/16-14 x 1-1/4 hex-hd cap

6шт.

103322

LOCK WASHER,7/16"

WASHER, LOCK, 7/16"

6шт.

8

606922C1

O-RING,0.139" Thk x 5.734" ID, -256, Cl 5, 75 Duro

final drive housing, Replaces 252741R1

1шт.

9

380282R1

SPACER, final drive shaft outer, Serial no. 6234 and below

2шт.

9

404071R1

BUSHING

SPACER, final drive shaft outer, Serial no. 6235 and above

2шт.

10

384101R91

GEAR ASSY, final drive

2шт.

373109R1

RIVET, final drive gear

6шт.

11

379505R1

SPACER

final drive gear inner, Not power adjusted wheels or track, Serial no. 1645 and below

1шт.

11

379512R1

SPACER, final drive gear inner, For power adjusted wheels or track, Serial no. 1645 and below, All combines serial no., Serial Range: 1646-6234

2шт.

11

404074R1

SPACER

SPACER, final drive gear inner, All combines serial no. 6235 and above

1шт.

12

583237R1

CAGE, final drive inner bearing, Not power adjusted wheels or track, Serial no. 1645 and below

2шт.

12

376459R1

CAGE, final drive inner bearing, For power adjusted wheels or track, Serial no. 1645 and below, All combines serial no., Serial Range: 1646-6234

1шт.

12

404075R1

RETAINER, final drive inner brg, All combines serial no. 6235 and above

1шт.

297330R1

BOLT

SCREW, 3/8-16 x 1 hex-hd nylok

8шт.

13

130503H

BEARING CUP

CUP, final drive shaft inner bearing, Not power adjusted wheels or tracks, Serial no. 1645 and below

2шт.

13

22365V

BEARING CUP,3.6718" OD x 0.93"

CUP, final drive shaft inner bearing, For power adjusted wheels or track, Serial no. 1645 and below, For all machines serial no. 1645 to 6287

2шт.

13

ST863

BEARING CUP,93.22mm OD x 23.81mm W

CUP, final drive shaft inner bearing, Serial no. 6288 and above

1шт.

14

62923R91

ROLLER BEARING

CONE ASSY, final drive shaft inner bearing, Not power adjusted wheels or tracks, Serial no. 1645 and below

1шт.

14

85971H

BEARING

CONE ASSY, final drive shaft inner bearing, For power adjusted wheels or track, Serial no. 1645 and below, For all machines serial no., Serial Range: 1645-6287

2шт.

14

ST2122

BEARING ASSY,52.39mm ID x 30.16mm W

CONE ASSY, final drive shaft inner, Serial no. 6288 and above

1шт.

15

589765R1

WASHER

final drive shaft, Serial no. 6234 and below

2шт.

15

404076R1

WASHER

final drive shaft, Serial no. 6235 and above

1шт.

16

528935R1

NUT

final drive shaft, Serial no. 6234 and below, Replaces 73177R1

2шт.

16

393756R1

NUT

final drive shaft, Serial no. 6235 and above

2шт.

103391

COTTER PIN,1/8" x 2 1/2"

Pin, Split (Cotter), 1/8" x 2 1/2"

1шт.

17

444592

PLUG,Sq Hd, 1/4"-14 NPTF

3/4-14 auto-sq-hd pipe

4шт.

18

587078R91

PAN ASSY.

PAN ASSY, final drive housing

2шт.

179837

BOLT,Hex, 3/8" - 16 x 3/4", Gr 5

12шт.

103321

LOCK WASHER,3/8"

WASHER, LOCK, 3/8"

12шт.

19

587655R1

GASKET

final drive housing pan

2шт.

20

379500R1

HOUSING, final drive LH

1шт.

20

379501R1

HOUSING, final drive RH

1шт.

21

61991R91

BREATHER,1/8"-27 NPT, Short, w/washer

final drive housing oil

2шт.

22

404158R1

CAP

final drive shaft bearing, Replaces 583238R1

2шт.

23

633473R91

AXLE, less transmission, brakes, wheels and tires, Not track, Not hydrostatic ground drive

1шт.

23

633472R91

AXLE, less transmission, brakes, wheels and tires, track, Not hydrostatic ground drive

1шт.

23

150752C91

AXLE ASSY, less transmission, brakes and tires, For hydrostatic ground drive, Not tracks, Serial nos 3055 through 3072 and 3251 and above

1шт.

23

150753C91

AXLE ASSY, less transmission, brakes and tires, For hydrostatic ground drive, Tracks, Serial nos 3055 through 3072 and 3251 and above

1шт.

54700R1

DOWEL

axle end flange

4шт.

17475R1

BOLT, 5/8 x 1-1/2 hex-hd mach

2шт.

102639

NUT,5/8"-11, G5

2шт.

427566

BOLT,Hex, 1/2"-13 x 1 1/2", G8, Full Thd

SCREW, 1/2 x 1-1/2 C-Z hex-hd cap

2шт.

9406829

HEX SOC SCREW,1/2" - 13 x 3 1/2"

SCREW, 1/2 x 3-1/2 C-Z hex-hd cap

2шт.

589781R1

SCREW, 5/8 x 1-1/2 hex-hd cap

4шт.

589742R1

SCREW, 5/8 x 1-3/4 hex-hd cap

12шт.

103323

LOCK WASHER,1/2"

WASHER, LOCK, 1/2"

2шт.

103325

LOCK WASHER,5/8"

WASHER, LOCK, 5/8"

18шт.

138549

LOCK WASHER,Int Tooth, 1/2"

WASHER, LOCK, Int Tooth, 1/2"

2шт.

115553

LOCK WASHER,Int Tooth, 5/8"

WASHER, LOCK, Int Tooth, 5/8"

4шт.

16038R1

WASHER

17/32 x 1 x 11 ga

2шт.

24

618024R1

BEARING CUP,65.113mm OD x 13.97mm W

Final drive pinion shaft outer

2шт.

25

618023R91

BEARING ASSY,34.93mm ID x 18.2mm W

CONE, final drive pinion shaft outer bearing

2шт.

26

376461R2

SHAFT

final drive pinion

2шт.

27

56934D

ROLLER BEARING,2.1663" ID x 3.8125" OD x 0.8268"

CONE, final drive pinion shaft inner bearing

2шт.

28

105497H

BEARING CUP,96.85mm OD x 15.77mm W

CUP, final drive pinion shaft inner bearing

2шт.

29

380186R92

OIL SEAL

OIL SEAL, brake adapter

2шт.

30

317923R1

O-RING,0.139" Thk x 3.609" ID, -239, Cl 5, 75 Duro

brake adapter

2шт.

31

376467R1

SHIM

brake adapter, light

4шт.

32

379506R1

ADAPTER, brake

2шт.

141279

DOWEL,1/2" x 3/4"

1/2 X 3/4 DOWEL PIN

2шт.

376465R1

7/16 X 1-1/4 NYLOCK CAP SCREW

10шт.

33

357116R1

SPRING

6шт.

34

16028R1

BALL

7/8 STEEL CHROME

10шт.

35

354642R1

STUD

actuating disc

4шт.

5/16 - 24 UNF JAM NUT

4шт.

36

357114R91

LINK

actuating

2шт.

37

357113R1

LINK

actuating plain

2шт.

38

366182R91

DISC

ASSY, actuating

2шт.

39

321162R91

DISC

ASSY, middle

4шт.

40

321163R91

BRAKE ASSY, wheel

2шт.

41

357043R1

CLEVIS,3/8" - 24

YOKE, brake operating

2шт.

16618R1

CLEVIS PIN,7/16" x 1.190"

PIN, 7/16 x 1-15/16 dld

1шт.

107762

WASHER,3/32" x 5/8"

PIN, SPLIT, (COTTER), 3/32" x 5/8"

1шт.

42

381699R1

BOOT

wheel brake

2шт.

43

574914R2

HOUSING

wheel brake

2шт.

179873

BOLT,Hex, 7/16" - 14 x 3 3/4", Gr 5

4шт.

NLS

NO LONGER SERVICED

7/16-14 hex

5шт.

PO10535

WASHER

17/32 ID x 1-1/4 OD x 11 ga

6шт.

186292

BOLT,Hex, 7/16" - 14 x 4 1/4", Gr 5

SCREW, 7/16-14 x 4-1/4 hex-hd cap

1шт.

496-21047

WASHER

.469 x .922 x .051 znd

2шт.

44

NOT USED

1шт.

45

380637R91

SEAL,44.45mm ID x 66.72mm OD x 5.08mm Thk

brake housing dirt

2шт.

46

937589R1

SCREW,Set, 7/16" - 14 x 5/8", Steel

axle drive shaft sleeve set

4шт.

47

573957R1

COUPLING

SLEEVE, axle drive shaft

4шт.

48

568810R1

CLIP, axle final drive shaft shield inner, rice

6шт.

15/32 X 1 X 11 GA WASHER

6шт.

49

588805R1

SHIELD, axle final drive shaft RH, Rice machines with main wheel tires

1шт.

49

628913R1

SHIELD, final drive shaft RH, Track

1шт.

440-1258

SCREW,Cross Pan Hd, 1/4"-20 x 1/2"

1/4 X 1/2 SLT-RD-HD MACH SCREW

4шт.

1/4 LOCK WASHER

4шт.

50

634978R1

CLIP, axle final drive shaft shield, rice

6шт.

575807R1

WASHER

13/32 X 1 X 11 GA WASHER

3шт.

51

564791R1

SPRING NUT

1/4 speed, rice

6шт.

52

628910R1

SHIELD, final drive shaft LH, For track

1шт.

440-1258

SCREW,Cross Pan Hd, 1/4"-20 x 1/2"

1/4 X 1/2 SLT-RD-HD MACH SCREW

3шт.

1/4 LOCK WASHER

3шт.

53

554480R1

WHEEL NUT

5/8-18 UNF wheel bolt, Grain

8шт.

54

654676R11

SPACER W/BOLT AND NUT ASSY, RH main wheel, Includes ref nos 53 and 55, grain

1шт.

55

566206R2

BOLT,5/8" - 18 x 2.38", Class 8

wheel spacer, grain

8шт.

441553

STUD, tap end 5/8-11 x 2.75 lg

6шт.

Выбрано товаров: 114