Запчасти Case IH 503 (227) - HYDRAULIC REEL DRIVE CHAIN REDUCTION, DIAGRAM, WITH HYDROSTATIC GROUND DRIVE (35) - HYDRAULIC SYSTEMS

Схема запчастей Case IH 503 - (227) - HYDRAULIC REEL DRIVE CHAIN REDUCTION, DIAGRAM, WITH HYDROSTATIC GROUND DRIVE (35) - HYDRAULIC SYSTEMS
63
67
54
53
13
48
6
20
29
8
32
23
34
25
52
22
5
21
9
46
6
65
57
6
51
26
11
9
62
5
5
47
5
53
15
42
56
7
21
5
64
40
6
30
7
4
19
12
9
39
28
7
5
26
68
5
24
43
60
6
59
5
17
45
9
6
9
16
44
33
37
9
36
61
40
2
4
3
54
20
1
56
9
27
9
9
35
49
7
9
7
66
50
5
5
31
55
58
38
6
41
18
FIT
1:1
100%

Артикул

Название

Примечание

Количество

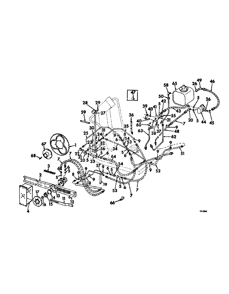
1

935676R1

SPROCKET, reel driven, 35-T

1шт.

5/16 X 1 C-Z MACH BOLT W/NUT

6шт.

80681

LOCK WASHER,5/16"

WASHER, LOCK, 5/16"

6шт.

2

935657R91

ARM W/HUB, reel LH

1шт.

3

CHAIN, reel drive roller, Use 65 links of 1-1/2 extended pitch agricultural type roller chain from a 10 ft roll marked 569090R91, 5 connecting links 587368R91, One offset connecting link 567008R91 and 4 roller links 567006R91

1шт.

4

935939R91

BRACKET ASSY, reel drive motor mounting

1шт.

18496R1

BOLT,Hex, 1/2"-13 x 1 1/2", G2

1/2 x 1-1/2 C-Z hex-hd

4шт.

18458R1

BOLT,Hex, 5/8"-11 x 1 3/4", G2, Full Thd

5/8 x 1-3/4 C-Z hex-hd

2шт.

120378

NUT,Hex, 1/2" - 13, Gr 5

NUT, 1/2"-13, G5

4шт.

280374

NUT,Hex, 5/8" - 11, Gr 5

5/8 C-Z hex.

2шт.

120384

WASHER,1/2"

LOCK, 1/2"

4шт.

492-11062

BEARING WASHER,5/8"

WASHER, LOCK, 5/8"

2шт.

19399R1

PIN, 5/16 x 5/8 roll

1шт.

5

364885R1

O-RING,0.097" Thk x 0.755" ID, -910, Cl 6, 90 Duro

3/4 x 15/16 x 3/32

12шт.

6

481352R1

HYD CONNECTOR,3/4"-16, 37 Degree x 7/8"-14, O-Ring

CONNECTOR, 7/16

7шт.

7

587582R91

HOSE ASSY.

HOSE ASSY, hydraulic

4шт.

8

935688R11

PIPE ASSY, reel drive upper

1шт.

9

587501R2

CLAMP

CLIP, hydraulic tube

1шт.

9

277889R1

CLIP, hydraulic tube

1шт.

12872R1

BOLT,Short NK, 5/16"-18 x 1", G2, Full Thd

CARRIAGE, Short NK, 5/16"-18 x 1", G2, Full Thd

2шт.

12474R1

BOLT, 5/16 x 1 hex-hd

2шт.

120376

NUT,5/16"-18, G5

4шт.

80681

LOCK WASHER,5/16"

WASHER, LOCK, 5/16"

4шт.

10

634733R91

HYDRAULIC MOTOR

MOTOR ASSY, hydraulic reel drive, For components see list of parts under details of hydraulic motors

1шт.

113-206

BOLT,Hex, 3/8" - 16 x 3/4", Gr 5, Full Thd

3/8 x 3/4 C-Z hex-hd cap

4шт.

120382

LOCK WASHER,Helical Spring, 3/8"

WASHER, LOCK, 3/8"

4шт.

11

935667R1

BRACKET, reel drive motor support

1шт.

12

516316R1

SPACER

reel left arm

1шт.

13

935674R1

HUB, reel drive sprocket

1шт.

14

27073H

RING, drive sprocket snap

1шт.

15

658200R91

BEARING

reel drive sprocket ball

1шт.

16

935668R1

HUB, reel drive sprocket brg

1шт.

18849R1

BOLT

7/8 x 2-3/4 C-Z hex-hd

1шт.

425-1014

NUT,7/8"-9, G5

NUT, 7/8"-9, G5

1шт.

131047

WASHER,7/8"

7/8"

1шт.

619373R1

WASHER

29/32 x 2 x 7 ga

2шт.

17

935677R1

SPROCKET, reel drive, 14-T

1шт.

18779R1

BOLT,Hex, 3/8"-16 x 1 1/2", Gr 2

3/8 x 1-1/2 C-Z hex-hd

6шт.

120377

NUT,3/8" - 16, Gr 5

1шт.

120382

LOCK WASHER,Helical Spring, 3/8"

WASHER, LOCK, 3/8"

1шт.

18

935687R11

TUBE ASSY, reel drive lower

1шт.

19

628562R1

SUPPORT, crossover tube clip

1шт.

20

936450R91

ELBOW,90 Degree, 3/4"-16, 37 Degree x 7/8"-14, O-Ring

2шт.

21

570828R1

O-RING,0.087" Thk x 0.644" ID, -908, Cl 6, 90 Duro

for 1/2 in. OD tubing

2шт.

22

9410977

ELBOW,90 Degree, 3/4"-16, 37 Degree x 3/4"-16, O-Ring

1шт.

23

939671R91

MOUNTING ASSY, control handle

1шт.

18673R1

CARRIAGE BOLT,Short Sq Nk, 5/16" - 18 x 1/2", Gr 2

BOLT, 5/16 x 1/2 C-Z sq-nk crg

1шт.

12872R1

BOLT,Short NK, 5/16"-18 x 1", G2, Full Thd

CARRIAGE, Short NK, 5/16"-18 x 1", G2, Full Thd

2шт.

120376

NUT,5/16"-18, G5

3шт.

80681

LOCK WASHER,5/16"

WASHER, LOCK, 5/16"

3шт.

24

939672R91

TUBE ASSY, reel drive flow divider to return tee

1шт.

25

939679R91

TUBE ASSY, reel drive flow divider to feeder hose

1шт.

26

296247R1

O-RING,16-1, 90 Duro, 1.171" ID x .116" Thk

for 1 in. OD tubing

2шт.

27

939708R91

HANDLE ASSY, flow divider control

1шт.

103376

PIN

3/32 x 1-1/2 cot.

1шт.

28

634980R1

STOP, flow control valve handle

1шт.

120375

NUT,Hex, 1/4" - 20, Gr 5

1шт.

492-11025

LOCK WASHER,1/4"

WASHER, LOCK, 1/4"

1шт.

29

939928R1

GRIP, flow control valve handle

1шт.

30

935702R11

TUBE ASSY, reel drive flow divider relief valve return

1шт.

31

9402982

TEE,3/4"-16, 37 Degree

3/4-16

1шт.

32

939681R1

BRACKET, reel drive flow divider support

1шт.

413-436

BOLT,Hex, 1/4" - 20 x 2-1/4", Gr 5

SCREW, 1/4 x 2-1/4 C-Z hex-hd cap

2шт.

120375

NUT,Hex, 1/4" - 20, Gr 5

2шт.

492-11025

LOCK WASHER,1/4"

WASHER, LOCK, 1/4"

2шт.

33

175338C91

DIVIDER ASSY, reel drive flow, For components see list of parts under details of flow divider

1шт.

34

939680R91

TUBE ASSY, platform lift return to reel drive return

1шт.

35

939677R91

TUBE ASSY, reel drive to tee return

1шт.

36

935642R1

BRACKET, hydraulic tube clip holder on operator platform

1шт.

37

9410976

ELBOW,90 Degree, 9/16"-18, 37 Degree x 9/16"-18, O-Ring

1шт.

38

364839R1

O-RING,0.078" Thk x 0.468" ID, -906, Cl 6, 90 Duro

6-1, 90 Duro, .468" ID x .078" Thk, for 3/8 OD tubing

1шт.

39

154987C1

STRAP, steering flow divider pad

1шт.

40

U13039

SPACER

steering flow divider mount

1шт.

41

570830R91

DIVIDER ASSY, flow, For components see list of parts under details of flow divider

1шт.

42

9410204

HYD CONNECTOR,7/8"-14, 37 Degree x 7/8"-14, O-Ring

CONNECTOR, 7/8-14

1шт.

43

154989C91

HOSE ASSY, flow, Serial Range: divider-pump

1шт.

44

154680C92

PUMP

ASSY, hyd., For components see list of parts under details of hydraulic pump

1шт.

45

9410981

ELBOW,90 Degree, 1 5/16"-12, 37 Degree x 1 5/16"-12, O-Ring

1-5/16-12 90 deg

1шт.

46

154683C91

HOSE ASSY, suction 38 in.

1шт.

47

Y14504

SPACER, oil filter mount

2шт.

180130

BOLT,Hex, 3/8" - 16 x 2", Gr 5

SCREW, 3/8 x 2 C-Z hex-hd cap

2шт.

120382

LOCK WASHER,Helical Spring, 3/8"

WASHER, LOCK, 3/8"

2шт.

48

154997C91

TUBE ASSY, pump to flow divider upper

1шт.

49

9410981

ELBOW,90 Degree, 1 5/16"-12, 37 Degree x 1 5/16"-12, O-Ring

1-5/16-12 90 deg

1шт.

50

154992C91

TUBE ASSY, steering flow, Serial Range: divider-reservoir

1шт.

51

939676R91

TUBE ASSY, pump to flow divider lower

1шт.

52

151456C91

TUBE ASSY, platform lift front return

1шт.

53

395150R91

COUPLING, QUICK, FEM

COUPLING ASSY, self-sealing female

2шт.

54

395149R1

QUICK MALE COUPLING

COUPLING ASSY, self-sealing male

2шт.

55

935036R91

ELBOW

90 deg

1шт.

56

634762R1

COLLAR, control valve

1шт.

103386

COTTER PIN,1/8" x 1 1/4"

Pin, Split (Cotter), 1/8" x 1 1/4"

1шт.

17132R1

LOCK PIN,1/4" x 1", Slotted

PIN, 1/4" x 1", Slotted

1шт.

57

567711R1

STRIP, hyd tube clip holder

1шт.

180077

BOLT,Hex, 5/16" - 18 x 3/4", Gr 5

SCREW, 5/16 x 3/4 C-Z hex-hd cap

2шт.

120376

NUT,5/16"-18, G5

2шт.

80681

LOCK WASHER,5/16"

WASHER, LOCK, 5/16"

2шт.

58

333934R1

ELBOW,90 Degree, 9/16"-18, 37 Degree x 3/8"-18, NPTF

90 degree

1шт.

12672R1

BOLT

5/16 x 1 C-Z sq-nk crg

1шт.

120376

NUT,5/16"-18, G5

1шт.

80681

LOCK WASHER,5/16"

WASHER, LOCK, 5/16"

1шт.

59

939688R1

ANGLE, control support

1шт.

12672

SIDE PLATE

BOLT, 5/16 x 1 C-Z sq-nk crg

1шт.

120376

NUT,5/16"-18, G5

1шт.

60

9410978

ELBOW,90 Degree, 7/8"-14, 37 Degree x 7/8"-14, O-Ring

90 deg

1шт.

61

364885R1

O-RING,0.097" Thk x 0.755" ID, -910, Cl 6, 90 Duro

for 5/8 OD tubing

1шт.

62

154990C91

TUBE ASSY, flow, Serial Range: divider-valve

1шт.

63

155032C91

TUBE ASSY, flow divider to platform lift pressure

1шт.

64

321321R91

HOSE ASSY, reel drive flow divider upper, 15 in.

1шт.

65

154748C92

RESERVOIR, oil

1шт.

66

633125R2

CLAMP

CLIP

1шт.

67

154985C91

HUB ASSY, reel driven sprocket, For use w/Harrison pickup reel, Reel driven sprocket attachment, Serial no 4766 and above

1шт.

124829

JAM NUT,Hex, 3/8" - 16, Gr 5

2шт.

184635

3/8 X 1 C-Z SQ-HD CUP-PT SET SCREW

1шт.

68

586879R1

KEY

5/16 x 2 sq-parrell, For use w/Harrison pickup reel, Reel driven sprocket attachment, Serial no 4766 and above

1шт.

Выбрано товаров: 0