Запчасти Case IH 503 (211) - STEERING VALVE, SERIAL NO 2431 AND ABOVE (41) - STEERING

Схема запчастей Case IH 503 - (211) - STEERING VALVE, SERIAL NO 2431 AND ABOVE (41) - STEERING
15
21
16
10
5
13
17
7
12
14
19
9
2
4
1
6
4
3
20
1
11
8
18
2
FIT
1:1
100%

Артикул

Название

Примечание

Количество

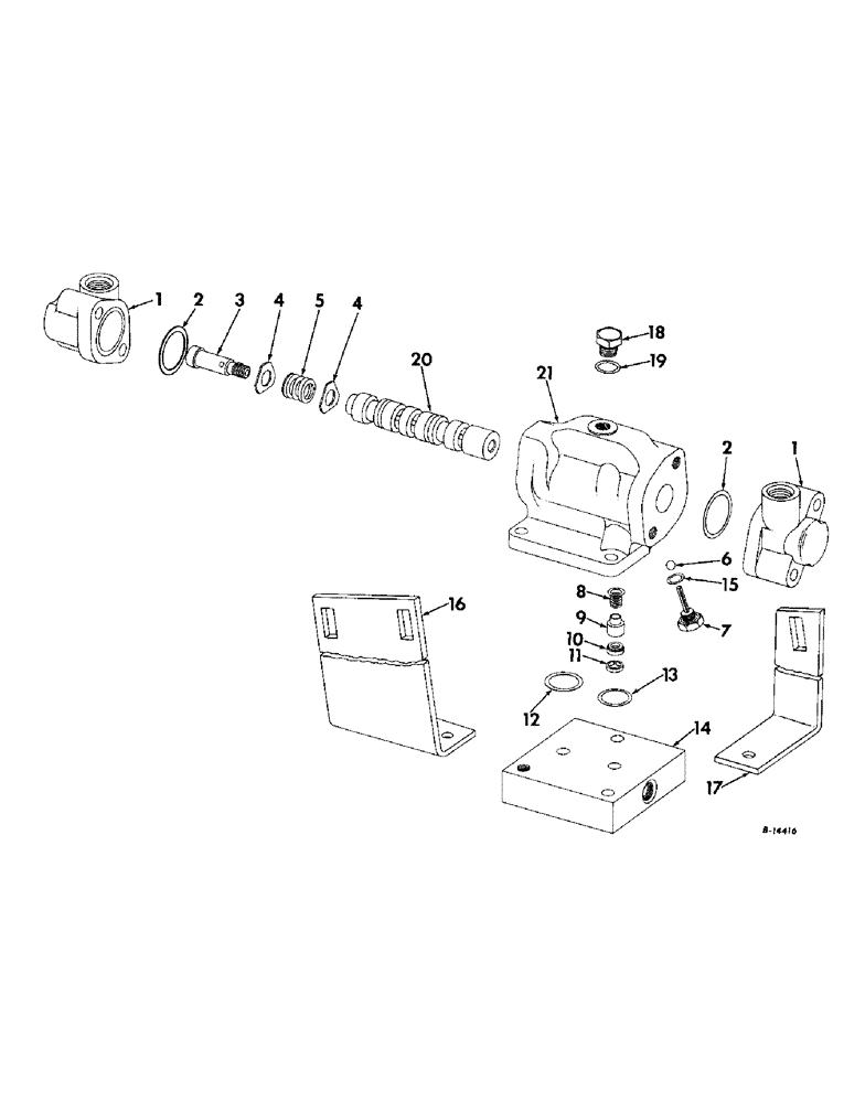
396726R91

LOCK VALVE

VALVE ASSY, steering, Includes ref nos. 1 through 11

1шт.

NLS

NO LONGER SERVICED

1шт.

17521R1

BOLT,Hex, 3/8" - 16 x 2", Gr 2

3/8 x 2 hex-hd mach

2шт.

102635

NUT,3/8"-16, G5

2шт.

103321

LOCK WASHER,3/8"

WASHER, LOCK, 3/8"

3шт.

1

379894R1

CAP

end

2шт.

2

387088R1

SEALING RING,1.237" ID x 0.103" Width

SEAL, end cap

2шт.

3

379896R1

SCREW,3/8" - 24, Drilled, W/ Nylon Pellet

spring centering

1шт.

4

379897R1

WASHER

centering screw

2шт.

5

395754R1

SPRING

valve centering

1шт.

6

16008R1

BALL,1/4" Dia, Steel

1/4 diameter

1шт.

7

379901R91

PLUG

ASSY

1шт.

8

382125R1

SPRING

pressure check

1шт.

9

382126R1

NO LONGER SERVICED

VALVE, check

1шт.

10

379810R1

SEAL

ball seat

1шт.

11

382127R1

WASHER

SPACER, check valve

1шт.

12

362796R1

O-RING,0.924" ID x 0.103" Width

1шт.

13

369908R1

O-RING,0.103" Thk x 0.799" ID, -117, Cl 5, 75 Duro

1шт.

14

633383R1

BLOCK, hydrostatic steering valve mounting

1шт.

15

379795R1

O-RING,0.064" Thk x 0.301" ID, -903, Cl 6, 90 Duro

3-1, .301" ID x .064" Thk, Boss plug

1шт.

16

938881R1

BRACKET, steering valve LH

1шт.

17351R1

CARRIAGE BOLT,Short Sq Nk, 3/8" - 16 x 1", Gr 2

BOLT, 3/8 x 1 C-Z crg

2шт.

120377

NUT,3/8" - 16, Gr 5

2шт.

120382

LOCK WASHER,Helical Spring, 3/8"

WASHER, LOCK, 3/8"

2шт.

17

938882R1

BRACKET, steering valve RH

1шт.

17351R1

CARRIAGE BOLT,Short Sq Nk, 3/8" - 16 x 1", Gr 2

BOLT, 3/8 x 1 C-Z crg

1шт.

120377

NUT,3/8" - 16, Gr 5

1шт.

120382

LOCK WASHER,Helical Spring, 3/8"

WASHER, LOCK, 3/8"

1шт.

379795R1

O-RING,0.064" Thk x 0.301" ID, -903, Cl 6, 90 Duro

3-1, .301" ID x .064" Thk, Boss plug

1шт.

18

9410357

PLUG

o-ring boss

1шт.

20

SPOOL, Not serviced separately order 396726R91 valve assy

1шт.

21

BODY, Not serviced separately order 396726R91 valve assy

1шт.

379793R91

O-RING

SERVICE PACKAGE, Consists of

1шт.

379810R1

SEAL

ball, seat

1шт.

387088R1

SEALING RING,1.237" ID x 0.103" Width

SEAL, valve, end

2шт.

19

369384R1

O-RING,0.072" Thk x 0.414" ID, -905, Cl 6, 90 Duro

5-1, 90 Duro, .414" ID x .072" Thk, Boss plug

1шт.

369384R1

O-RING,0.072" Thk x 0.414" ID, -905, Cl 6, 90 Duro

5-1, 90 Duro, .414" ID x .072" Thk, Boss plug

1шт.

Выбрано товаров: 37