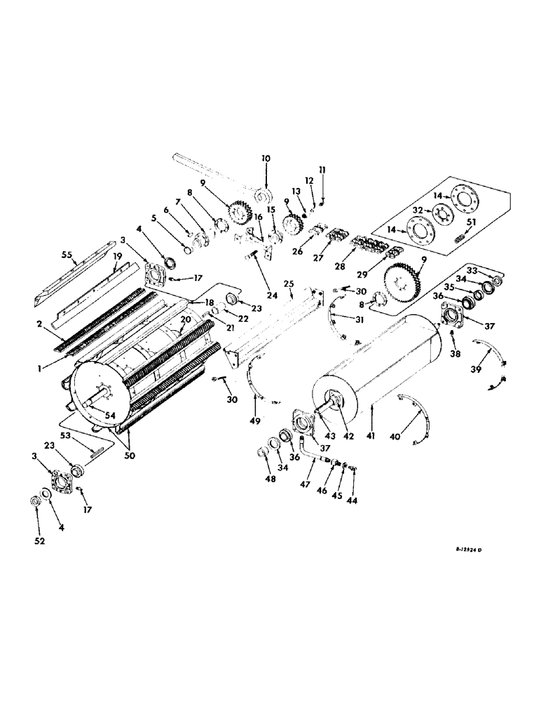
Запчасти Case IH 503 (072) - CYLINDER, DRIVE AND SLIP CLUTCH AND CYLINDER BEATER (66) - THRESHING

Схема запчастей Case IH 503 - (072) - CYLINDER, DRIVE AND SLIP CLUTCH AND CYLINDER BEATER (66) - THRESHING
19
26
29
7
52
55
35
9
3
4
45
34
13
43
14
23
2
54
21
37
23
10
47
41
40
32
17
37
20
33
9
31
28
48
34
1
5
18
50
16
14
11
38
53
42
3
15
22
30
39
9
51
36
44
6
8
12
27
4
17
24
30
36
8
49
25
46
FIT
1:1
100%

Артикул

Название

Примечание

Количество

1

654253R91

BAR

SET OF CYLINDER BARS, RH, grain

1шт.

When one cylinder bar becomes damaged, the cylinder bar directly across from the damaged one must also be replaced in order to maintain proper cylinder balance.

1шт.

1

935691R91

SET OF CYLINDER BARS, RH, rice

1шт.

When one cylinder bar becomes damaged, the cylinder bar directly across from the damaged one must also be replaced in order to maintain proper cylinder balance.

1шт.

181388

BOLT

7/16 X 9/16 CAP SCREW

1шт.

When one cylinder bar becomes damaged, the cylinder bar directly across from the damaged one must also be replaced in order to maintain proper cylinder balance.

1шт.

103322

LOCK WASHER,7/16"

WASHER, LOCK, 7/16"

1шт.

When one cylinder bar becomes damaged, the cylinder bar directly across from the damaged one must also be replaced in order to maintain proper cylinder balance.

1шт.

2

654252R91

BAR

SET OF CYLINDER BARS LH, grain

1шт.

When one cylinder bar becomes damaged, the cylinder bar directly across from the damaged one must also be replaced in order to maintain proper cylinder balance.

1шт.

2

935690R91

SET OF CYLINDER BARS LH, rice

1шт.

When one cylinder bar becomes damaged, the cylinder bar directly across from the damaged one must also be replaced in order to maintain proper cylinder balance.

1шт.

181388

BOLT

7/16 X 9/16 CAP SCREW

1шт.

When one cylinder bar becomes damaged, the cylinder bar directly across from the damaged one must also be replaced in order to maintain proper cylinder balance.

1шт.

103322

LOCK WASHER,7/16"

WASHER, LOCK, 7/16"

1шт.

When one cylinder bar becomes damaged, the cylinder bar directly across from the damaged one must also be replaced in order to maintain proper cylinder balance.

1шт.

3

629688R11

HOUSING

W/BEARING AND SEAL ASSY, cyl bearing, Includes ref nos. 4 and 23, Serial no. 2430 and below

2шт.

3

939623R11

HOUSING

ASSY, cyl shaft bearing, Includes ref nos. 4 and 23, Serial no. 2431 and above

2шт.

4

631705R91

SEAL

cyl bearing, Serial no. 2430 and below

2шт.

4

939624R91

SEAL

SEAL ASSY, cyl bearing, Serial no. 2431 and above

2шт.

5

631405R1

SPACER, cyl shaft

1шт.

6

117998

WOODRUFF KEY,#G, 3/8" x 1 1/2", HT

KEY, 3/8 x 1-1/3 Woodruff, Serial no. 3250 and below

1шт.

6

Q29

KEY, 3/8 x 3/8 x 5-1/2 sq parallel, Serial no. 3251 and above 3/8" Sq x 5 1/2"

1шт.

7

629690R1

HUB

cyl drive

1шт.

5/16 JAM NUT

2шт.

106837

SET SCREW,Sq Hd, 5/16"-18 x 3/4"

5/16 X 3/4 SQ-HD SET SCREW

2шт.

8

631836R1

SPACER, cyl sprocket

2шт.

9

569201R2

PINION

SPROCKET, 20-T, double, grain

1шт.

9

569580R2

SPROCKET ASSY.

SPROCKET, 30-T, double, rice

1шт.

9

569582R2

SPROCKET, 48-T, double, special

1шт.

3/8 C-Z NUT

8шт.

897520R1

BOLT,Hex, 3/8" - 16 x 2 3/4", Gr 8

3/8 X 2-3/4 C-Z CAP SCREW

8шт.

9

569200R2

DRIVE SPROCKET

SPROCKET, 25-T, double

1шт.

3/8 C-Z NUT

6шт.

20153R1

BOLT,Hex, 3/8" - 16 x 1 1/2", Gr 8

3/8 X 1-1/2 C-Z CAP SCREW

16шт.

454467

BOLT,Hex, 3/8" - 16 x 1 3/4", Gr 8

3/8 X 1-3/4 C-Z CAP SCREW, rice

8шт.

3/8 C-Z LOCK WASHER

8шт.

9

569202R2

DRIVE SPROCKET

SPROCKET, 43-T, double

1шт.

142680

SHAFT

3/8 X 2-1/2 C-Z CAP SCREW

8шт.

9

627884R1

SPROCKET ASSY.

SPROCKET, 22-T, double

1шт.

180130

BOLT,Hex, 3/8" - 16 x 2", Gr 5

3/8 X 2 C-Z CAP SCREW

4шт.

3/8 C-Z LOCK WASHER

4шт.

575810R1

WASHER

21/32 X 1-1/2 X 16 GA WASHER

3шт.

Q1594

WASHER,41/64" x 1 1/2" x .105", Sq Hole

21/32 X 1-1/2 X 12 GA WASHER

1шт.

10

MC75811

BAR W/HANDLE ASSY, cyl rocking, Serial no 4765 and below

1шт.

10

156259C91

BAR ASSY, cylinder rocking, Serial no 4766 and above

1шт.

11

332040

LUBE NIPPLE,90 Degree, 1/8" NPT x .84" lg

FITTING, 1/8 90 elbow lub

1шт.

12

578607R1

SLEEVE CYLINDER

SLEEVE, cyl chain tightener sprocket

1шт.

13

577006R91

NEEDLE BEARING,Needle, 22.2mm ID x 33.36mm OD x 38.1mm W

needle

1шт.

14

570607R1

PLATE, cyl shaft friction clutch outer, Cylinder slip clutch, special

2шт.

15

627885R11

HUB CAP

HUB W/BEARING ASSY, cyl drive chain tightener sprocket, includes ref. no. 13

1шт.

16

633507R91

BRACKET W/STIFFENER, cyl drive chain tightener

1шт.

454998

BOLT,Hex, 1/2" - 13 x 1", Gr 8

1/2 X 1 C-Z CAP SCREW W/NUT

1шт.

1/2 C-Z LOCK WASHER

1шт.

PO10532

WASHER

13/32 X 1-1/4 X 11 GA WASHER

1шт.

17

332040

LUBE NIPPLE,90 Degree, 1/8" NPT x .84" lg

FITTING, 1/8 90 elbow lub

2шт.

18

633523R1

BRACKET

SUPPORT, cylinder bar, Not for use with spike tooth cylinder

8шт.

5/16 X 5/8 B-HD RIVET

128шт.

19

653859R1

DEFLECTOR, cylinder front, Not for use with windrow special

1шт.

20

156391C2

HUB, cylinder

4шт.

1/2 X 2-3/4 CRG BOLT W/NUT

4шт.

1/2 LOCK WASHER

4шт.

104099

RIVET,But Hd, 5/16" x 1"

5/16 X 1 B-HD RIVET

24шт.

21

Q51

KEY,3/8" Sq x 2 1/2", Par

Not for use with spike tooth cylinder 3/8" Sq x 2 1/2", Par

1шт.

22

629692R1

SPACER, cylinder shaft bearing, Not spike tooth cylinder

1шт.

23

939621R91

BEARING

ASSY, cylinder shaft ball

2шт.

24

575280R1

BOLT (SPREADER)

BOLT, cylinder drive chain tightener sprocket

1шт.

5/8 NUT

1шт.

5/8 LOCK WASHER

1шт.

575810R1

WASHER

21/32 X 1-1/2 X 11 GA WASHER

3шт.

21/32 X 1-1/2 X 12 GA SQ-HOLE WASHER

1шт.

25

628004R92

DEFLECTOR ASSY, cylinder, Serial no. 6287 and below

1шт.

25

163623C91

DEFLECTOR ASSY, cylinder, Serial no. 6288 and above

1шт.

454997

O-RING,175mm ID x 8mm Width

1/2 X 7/8 C-Z CAP SCREW

3шт.

20171R1

BOLT,Hex, 1/2" - 13 x 1 1/8", Gr 8

1/2 X 1-1/8 C-Z CAP SCREW

2шт.

120384

WASHER,1/2"

LOCK, 1/2"

5шт.

557268R1

WASHER

17/32 X 3/4 X 16 GA WASHER

4шт.

26

569206R91

CHAIN LINK

LINK, connecting, 3/4 double pitch, grain

1шт.

27

570988R91

DRAG LINK

LINK, two pitch combination offset, 3/4 double pitch

1шт.

28

CHAIN, cylinder drive roller, Use 77 links from a 10-ft roll marked 1355D, 3 connecting links 569206R91 and 1 offset link 570988R91, grain

1шт.

28

CHAIN, cylinder drive roller, Use 80 links from a 10-ft roll marked 1355D, 2 roller links 1316D, 4 connecting links 569206R91 and 1 offset link 570988R91, rice

1шт.

29

1313D

CHAIN LINK

LINK, offset, 3/4 double pitch, rice

1шт.

30

634125R1

BOLT

EYEBOLT, cylinder stripper adjusting

2шт.

3/8 C-Z NUT

4шт.

31

631098R91

SHIELD W/BRACKET ASSY, cylinder beater front right, Serial no., Serial Range: 501-950

1шт.

32

568854R2

PLATE, cylinder drive friction clutch inner, Cylinder slip clutch, special

1шт.

33

631406R1

SPACER

cylinder beater shaft right

1шт.

34

631706R91

SEAL, cylinder beater bearing oil, Serial no. 2430 and below

2шт.

34

939627R91

SEAL

SEAL ASSY, cylinder shaft oil, Serial no. 2431 and above

1шт.

35

618032R11

COLLAR

W/SET SCREW ASSY, locking, 1 used, Serial no. 501 to 1470, 2 used, Serial no., Serial Range: 1471-2430

1шт.

102592

SET SCREW,Hex Skt, 3/8" - 16 x 3/8"

3/8 X 3/8 SOCKET-HD SET SCREW

1шт.

35

939934R11

BEARING

COLLAR W/SET SCREW, locking

2шт.

120596

3/8 X 3/8 SOCKET-HD SET SCREW, Serial no. 2431 and above

2шт.

36

632036R91

BALL BEARING,1.938" ID x 90 mm OD x 1.9375"

ball, Serial no. 2430 and below

2шт.

36

939626R91

BEARING

ball, Serial no. 2431 and above

1шт.

37

629716R11

HOUSING

W/BEARING AND SEAL, cylinder beater shaft bearing, Includes ref. nos. 34 and 36, Serial no. 2430 and below

2шт.

37

939625R11

CAGE

HOUSING ASSY, cylinder beater shaft bearing, Includes ref. nos. 34 and 36, Serial no. 2431 and above

2шт.

1/2 X 3-3/4 MACH BOLT

4шт.

936627R1

17/32 X 2 X 16 GA WASHER

4шт.

557268R1

WASHER

17/32 X 3/4 X 16 GA WASHER

4шт.

38

219-5

LUBE NIPPLE,1/8" - 27 NPTF

FITTING, 1/8 straight lubrication

1шт.

39

631102R91

SHIELD W/BRACKET ASSY, cylinder beater rear RH, Serial no., Serial Range: 501-950

1шт.

40

631101R91

SHIELD W/BRACKET ASSY, cylinder beater rear LH, Serial no., Serial Range: 501-950

1шт.

41

150690C91

BEATER ASSY, cylinder

1шт.

42

629712R1

SPACER

cylinder beater inner LH

1шт.

43

628132R11

SHAFT W/NUT ASSY, cylinder beater, Serial no. 1470 and below, Order service package 936716R91

1шт.

43

936716R91

PACKAGE

ASSY, cylinder beater and separator driven pulley, Serial no. 1470 and below, Consists of

1шт.

163445C11

SHAFT ASSY, cylinder beater

1шт.

936437R11

PULLEY, separator driven

1шт.

218216

WOODRUFF KEY,#V, 1/2" x 2 3/4", HT

KEY, 1/2 x 1-3/4 Woodruff

1шт.

163446C1

KEY

3/8 x 2-1/2 straight

1шт.

618032R11

COLLAR

W/SET SCREW ASSY

1шт.

102592

SET SCREW,Hex Skt, 3/8" - 16 x 3/8"

3/8 X 3/8 SET SCREW

1шт.

936727R1

WASHER,26.16mm ID x 56.9mm OD x 6.35mm Thk

1-1/32 X 2-1/4 X 1/4 WASHER

2шт.

43

163445C11

SHAFT ASSY, cylinder beater, Serial no. 1471 and above

1шт.

427651

SLOTTED NUT,1"-14, G5

1 SLT-HEX NUT

2шт.

1/8 X 2 COT. PIN

2шт.

632471R1

1-1/32 X 2 X 22 GA WASHER

2шт.

10619P

1-21/32 X 2-1/4 X 16 GA WASHER

4шт.

936727R1

WASHER,26.16mm ID x 56.9mm OD x 6.35mm Thk

1-1/32 X 2-1/4 X 14 GA WASHER

2шт.

Q1437

1-1/32 X 2-1/2 X 18 GA WASHER

4шт.

44

16964R91

FITTING

1/4 90 deg elbow lubrication

1шт.

45

581873R1

TUBE NUT,4.8 mm Length

cylinder beater bearing housing lubrication hose

1шт.

46

580255R1

ADAPTER

NIPPLE, cylinder beater bearing housing lubrication hose

1шт.

47

580260R91

HOSE,0.19" ID x 6.00"

Cylinder Beater Bearing Housing Lubrication 0.19" ID x 6.00"

1шт.

48

936211R1

SPACER, cylinder beater shaft outer LH, Serial no., Serial Range: 501-1470

1шт.

49

631097R91

SHIELD W/BRACKET ASSY, cylinder beater front LH, Serial no., Serial Range: 501-950

1шт.

50

633520R91

CYLINDER ASSY, less shaft, grain

1шт.

50

935647R91

CYLINDER ASSY, less shaft, rice

1шт.

3/8 X 1 MACH BOLT W/NUT, Used as reqd for balance

1шт.

3/8 X 1-1/4 MACH BOLT W/NUT, Used as reqd for balance

1шт.

7/16-20UNF X 9/16 CAP SCREW

72шт.

3/8 LOCK WASHER

1шт.

7/16 LOCK WASHER

1шт.

495-21044

WASHER,3/8"

13/32 X 1 X 16 GA WASHER

1шт.

51

M74156

SPRING

cylinder drive slip clutch, Cylinder slip clutch, special

8шт.

52

629724R11

COLLAR

COLLAR W/SET SCREW, locking

1шт.

102592

SET SCREW,Hex Skt, 3/8" - 16 x 3/8"

3/8 X 3/8 SOCKET-HD SET SCREW

1шт.

53

Q1432

KEY,3/8" Sq x 5", Par

3/8 x 3/8 x 5 straight, Not for use with spike tooth cylinder

1шт.

54

628062R11

SHAFT W/NUT ASSY, cylinder

1шт.

427651

SLOTTED NUT,1"-14, G5

1 - 14NS SLTD NUT

1шт.

1/8 X 2 COTTER PIN

1шт.

551179R1

1-1/32 X 2-1/4 X 22 GA WASHER

1шт.

10619P

1-21/32 X 2-1/4 X 16 GA WASHER

1шт.

936727R1

WASHER,26.16mm ID x 56.9mm OD x 6.35mm Thk

1-1/32 X 2-1/4 X 1/4 WASHER

1шт.

26712K

1-23/32 X 2-1/4 X 11 GA WASHER

1шт.

55

935698R91

DEFLECTOR W/BRACKET, cylinder cover dust

1шт.

3/8 X 1 CRG BOLT W/NUT

4шт.

3/8 LOCK WASHER

4шт.

Выбрано товаров: 149