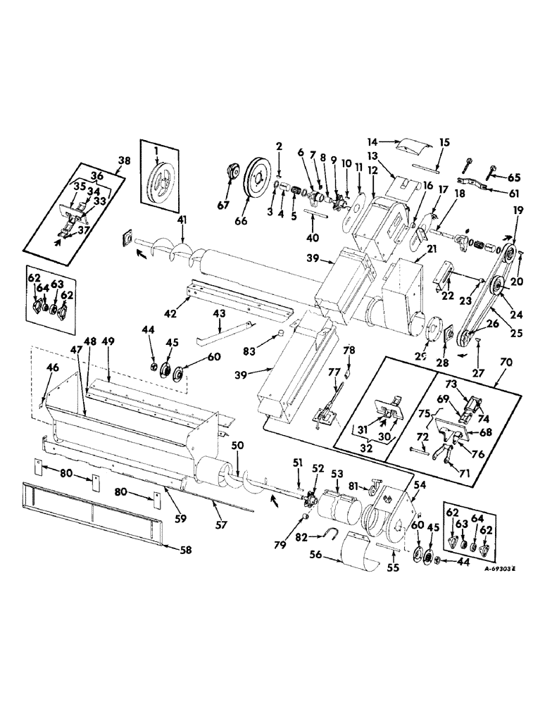
Запчасти Case IH 503 (103) - TAILINGS ELEVATOR AND DRIVE CHAIN AND STEEL FLIGHT, SPECIAL (66) - THRESHING

Схема запчастей Case IH 503 - (103) - TAILINGS ELEVATOR AND DRIVE CHAIN AND STEEL FLIGHT, SPECIAL (66) - THRESHING
11
27
41
15
75
64
63
80
77
9
8
31
44
44
76
82
24
5
35
2
16
45
23
59
6
65
26
78
46
68
62
81
43
56
36
80
54
18
12
28
17
20
51
1
62
29
3
62
22
66
39
55
62
60
73
70
83
53
40
52
33
30
21
14
10
45
58
74
71
50
72
19
34
57
79
38
37
48
25
69
63
64
42
67
60
61
4
47
13
49
39
32
7
FIT
1:1
100%

Артикул

Название

Примечание

Количество

1

633198R1

SHEAVE, elevator driven, Serial no. 2430 and below

1шт.

5/16 JAM NUT

2шт.

102883

SET SCREW

5/16 X 3/4 CUP-PT SET SCREW

2шт.

2

NLS

NO LONGER SERVICED

1/4 x 1 Woodruff

1шт.

3

631734R91

OIL SEAL

OIL SEAL, bearing box

4шт.

4

631735R1

SLEEVE CYLINDER

RACE, outer

2шт.

5

562708R91

BEARING ASSY,0.875" ID x 1.378" OD x 1.75"

roller

2шт.

6

631704R1

HOUSING

BOX, bearing

2шт.

5/16 X 1/2 CAP SCREW

4шт.

5/16 LOCK WASHER

4шт.

7

109461

LUBE NIPPLE,1/8"-27 x .66 lg

NIPPLE, LUBE, 1/8"-27 x .66 lg

2шт.

8

568675R1

SPACER,1 1/8" Tube x 1/2"

tailings elevator headshaft, inner

1шт.

9

629193R1

SPROCKET ASSY.

SPROCKET, elevator conveyor chain, 6-T, Serial no. 3250 and below

2шт.

9

150719C91

SPROCKET ASSY.

SPROCKET ASSY, elevator conveyor chain, 6-T, Serial no. 3251 and above

1шт.

1/8 X 3/4 COTTER PIN

1шт.

Q1329

HEADED PIN,1/4" x 1 3/4"

1/4 X 1-3/4 DLD PIN

1шт.

10

113782

KEY

1/4 x 1 Woodruff

1шт.

11

631699R91

SUPPORT

BRACKET W/NUT, elevator chain tightener LH

1шт.

5/16 X 6 CRG BOLT W/NUT

1шт.

7/16 NUT

2шт.

5/16 LOCK WASHER

2шт.

Q399

WASHER

11/32 X 1 X 16 GA WASHER

2шт.

12

627322R92

HOUSING

HEAD ASSY, tailings elevator

1шт.

1/4 X 1/2 CRG BOLT W/NUT

2шт.

1/4 X 3/4 CRG BOLT W/NUT

2шт.

3/8 X 1-1/4 MACH BOLT W/NUT

1шт.

3/8 NUT

1шт.

1/4 LOCK WASHER

4шт.

3/8 LOCK WASHER

1шт.

PO10532

WASHER

13/32 X 1-1/4 X 11 GA WASHER

1шт.

13

568676R1

SHIELD

elevator headshaft

1шт.

14

165489C1

DOOR

tailings elevator head

1шт.

1/4 X 1-1/4 CRG BOLT

1шт.

935735R1

WING NUT

1/4 WING NUT

1шт.

1/4 LOCK WASHER

1шт.

615009R1

WASHER

17/64 X 3/4 X 16 GA WASHER

1шт.

15

568672R1

PIN, tailings elevator head door hinge

1шт.

16

522077R1

SPACER

tailings elevator headshaft outer

1шт.

17

631700R91

SUPPORT

BRACKET W/NUT, elevator chain tightener RH

1шт.

18

627964R1

SHAFT

HEADSHAFT, tailings elevator

1шт.

576402R1

29/32 X 1-3/4 X 22 GA WASHER

2шт.

VC649

WASHER

29/32 X 1-3/4 X 16 GA WASHER

9шт.

19

632830R1

PULLEY

SHEAVE, tailings delivery auger drive

1шт.

5/16 JAM NUT

2шт.

102883

SET SCREW

5/16 X 3/4 SQ-HD CUP-PT SET SCREW

2шт.

20

NLS

NO LONGER SERVICED

1/4 x 1 Woodruff

1шт.

21

631696R91

DOWNSPOUT ASSY, tailings delivery

1шт.

5/16 X 3/4 MACH BOLT W/NUT

6шт.

5/16 LOCK WASHER

6шт.

22

627323R1

BRACKET, tailings delivery auger drive belt tightener sheaved

1шт.

1/4 X 1/2 CRG BOLT W/NUT

2шт.

1/4 LOCK WASHER

2шт.

23

NOT USED

1шт.

24

161430C91

PULLEY

SHEAVE ASSY, tailings delivery auger drive belt tightener

1шт.

1/2 X 2-1/4 CRG BOLT W/NUT

1шт.

1/2 LOCK WASHER

1шт.

PO10535

WASHER

17/32 X 1-1/4 X 11 GA WASHER

3шт.

M83536

WASHER

17/32 X 1-1/4 X 11 GA SQ WASHER

2шт.

25

627297R1

V-BELT,0.63" W

Tailings delivery auger drive 0.63" W

1шт.

26

633282R1

SHEAVE

tailings auger driven

1шт.

5/16 JAM NUT

1шт.

102883

SET SCREW

5/16 X 3/4 SQ-HD CUP-PT SET SCREW

1шт.

27

112139

WOODRUFF KEY,#A, 1/4" x 7/8"

KEY, 1/4 x 7/8 Woodruff

1шт.

28

631527R91

BALL BEARING

ball

2шт.

5/16 X 3/4 CRG BOLT W/NUT

2шт.

5/16 X 1-1/4 CRG BOLT W/NUT

4шт.

5/16 LOCK WASHER

4шт.

29

631693R1

WASHER

END, tailings delivery downspout tube RH

1шт.

1/4 X 1/2 MACH BOLT W/NUT

6шт.

1/4 LOCK WASHER

6шт.

30

FLIGHT, elevator chain, steel, Order flight assy 936291R91, Ref no. 32, Elevator chain flight special, Serial no. 3250 and below

1шт.

31

62SH-1

LINK, attaching, steel, For use with no. 62 steel chain, Elevator chain flight special, Serial no. 3250 and below

1шт.

32

936291R91

FLIGHT W/ATTACHING LINK, steel, Elevator chain flight special, Serial no. 3250 and below

1шт.

32

153299C91

CONVEYOR

FLIGHT, w/attaching link, steel, Special elevator chain flight, Serial no. 3251 and above

1шт.

104096

RIVET,But Hd, 5/16" x 5/8"

5/16 X 5/8 RD-HD RIVET

1шт.

33

62SH-1

LINK, attaching, steel, Serial no. 3250 and below

1шт.

34

62

LINK ASSY.

LINK, plain, steel, Serial no. 3250 and below

1шт.

35

632877R1

RUBBER FLIGHT

FLIGHT, tailings elevator conveyor chain, Serial no. 3250 and below

30шт.

558430R1

RIVET

5/16 X 19/32 OVAL-HD RIVET

60шт.

36

634707R91

RUBBER FLIGHT

FLIGHT W/LINKS, tailings elevator, Serial no., Serial Range: 501-950

1шт.

36

936290R91

CHAIN (AG)

FLIGHT W/LINKS, tailings elevator, Serial no., Serial Range: 951-3250

1шт.

21360K

RIVET

5/16 X 1/2 OVAL-HD RIVET

1шт.

37

62COL

LINK, coupler, steel, Serial no. 3250 and below

1шт.

38

632875R91

CHAIN W/FLIGHT ASSY, tailings elevator conveyor, Serial no., Serial Range: 501-950

1шт.

38

935921R91

CHAIN (AG)

CHAIN W/FLIGHT ASSY, tailings elevator conveyor, Serial no., Serial Range: 951-3250

1шт.

39

627942R91

CASING W/BOTTOM AND SIDES, tailings elevator, Serial no. 2430 and below

1шт.

39

938771R91

BODY

HOUSING ASSY, tailings elevator, Serial no. 2431 and above

1шт.

5/16 X 1/2 CRG BOLT W/NUT

12шт.

5/16 LOCK WASHER

12шт.

Q5035

WASHER

17/32 X 1 X 16 GA WASHER

4шт.

40

568673R1

PIPE

SPACER, elevator head

1шт.

41

627304R91

AUGER W/SHAFT, tailings delivery

1шт.

42

628996R1

SUPPORT, tailings elevator lower

1шт.

3/8 X 3/4 CRG BOLT W/NUT

1шт.

3/8 X 1 CRG BOLT W/NUT

3шт.

3/8 LOCK WASHER

4шт.

43

628995R1

BRACE, trailings elevator support front

1шт.

3/8 X 1 MACH BOLT W/NUT

1шт.

3/8 LOCK WASHER

1шт.

44

NOT USED

1шт.

45

NOT USED

1шт.

46

628535R1

SHIM

auger bearing shield

24шт.

47

628011R91

TROUGH ASSY, tailings, Serial no. 3250 and below

1шт.

47

154267C91

TROUGH ASSY, tailings, Serial no. 3251 and above

1шт.

5/16 X 3/4 CRG BOLT W/NUT

3шт.

3/8 X 1 CRG BOLT W/NUT

8шт.

1/4 NUT

9шт.

113957

SCREW,Sl Rnd Hd, 1/4" - 20 x 3/4"

1/4 X 3/4 SLT-RD-HD MACH SCREW

9шт.

1/4 LOCK WASHER

9шт.

5/16 LOCK WASHER

3шт.

3/8 LOCK WASHER

3шт.

48

628432R1

STRIP, tailings auger trough seal

1шт.

49

628429R1

SEAL, tailings auger trough

1шт.

50

628013R91

AUGER

W/SHAFT, tailings, Serial no. 3250 and below

1шт.

50

153045C91

AUGER W/SHAFT TAILINGS, Serial no. 3251 and above

1шт.

51

Q10

KEY,1/4" Sq x 1 3/8"

1/4 x 1/4 x 1-3/8 straight

1шт.

52

629193R1

SPROCKET ASSY.

SPROCKET, elevator conveyor chain, 6-T, Serial no. 3250 and below

1шт.

52

150719C91

SPROCKET ASSY.

SPROCKET ASSY, elevator conveyor chain, 6-T, Serial no. 3251 and above

1шт.

1/8 X 3/4 COTTER PIN

1шт.

Q1329

HEADED PIN,1/4" x 1 3/4"

1/4 X 1-3/4 DLD PIN

1шт.

53

627390R91

CLAMP

EXTENSION W/TIE, tailings auger trough, Not perforated

1шт.

1/4 NUT

4шт.

1276056C1

SELF-TAP SCREW,Cross Pan Hd, 1/4" x 1 1/4"

1/4 X 1-1/4 SLT-RD-HD MACH SCREW

4шт.

1/4 LOCK WASHER

4шт.

53

628648R91

CLAMP

EXTENSION ASSY, tailings auger trough, Perforated

1шт.

54

570793R91

BOOT W/HINGE, tailings elevator, grain, Serial no. 3250 and below

1шт.

54

570795R91

BOOT W/HINGE, tailings elevator, rice, Serial no. 3250 and below

1шт.

54

153025C91

BOOT ASSY, tailings elevator, grain, Serial no, Serial Range: 3251-4765

1шт.

54

156130C91

BOOT

ASSY, tailings elevator, grain, Serial no 4766 and above

1шт.

54

153027C91

BOOT ASSY, tailings elevator, rice, Serial no, Serial Range: 3251-4765

1шт.

54

156131C91

BOOT

ASSY, tailings elevator, rice, Serial no 4766 and above

1шт.

1/4 X 1-1/4 CRG BOLT

1шт.

935735R1

WING NUT

1/4 WING NUT

1шт.

1/4 LOCK WASHER

1шт.

615009R1

WASHER

17/64 X 3/4 X 16 GA WASHER

1шт.

55

568671R1

PIN

elevator boot door hinge, grain

1шт.

55

U17024

PIN

elevator boot door hinge, rice

1шт.

56

568666R91

DOOR W/CLIP, elevator boot, Grain and windrow special, Serial no. 3250 and below

1шт.

56

570659R91

DOOR ASSY, tailings elevator boot, Perforated, Serial no 3250 and below

1шт.

56

569576R91

DOOR W/CLIP, elevator boot, rice, Serial no. 3250 and below

1шт.

56

153015C91

DOOR ASSY, tailings elevator boot, Grain and windrow special, Serial no, Serial Range: 3251-4765

1шт.

56

153019C91

DOOR ASSY, tailings elevator boot, Perforated, Serial no, Serial Range: 3251-4765

1шт.

56

156909C1

DOOR

tailings elevator boot, Grain and windrow special, Serial no 4766 and above

1шт.

56

153017C91

DOOR ASSY, tailings elevator boot, rice, Serial no, Serial Range: 3251-4765

1шт.

56

156910C1

DOOR

tailings elevator boot, rice, Serial no 4766 and above

1шт.

1/4 X 1-1/4 CRG BOLT

1шт.

935735R1

WING NUT

1/4 WING NUT

1шт.

1/4 LOCK WASHER

1шт.

615009R1

WASHER

17/64 X 3/4 X 16 GA WASHER

1шт.

56

156911C1

DOOR

tailings elevator boot, Perforated, Serial no 4766 and above

1шт.

57

582693R1

ROD, tailings auger trough extension hinge, Serial no. 3250 and below

1шт.

5/16 X 3/4 CRG BOLT W/NUT

6шт.

5/16 LOCK WASHER

6шт.

58

628017R1

DOOR, tailings auger trough, Serial no. 3250 and below

1шт.

58

154269C1

DOOR, tailings auger trough, Serial no. 3251 and above

1шт.

59

628016R91

EXTENSION W/END, tailings auger trough door, Serial no. 3250 and below

1шт.

1/4 X 3/4 CRG BOLT

3шт.

935735R1

WING NUT

1/4 WING NUT

3шт.

1/4 LOCK WASHER

3шт.

615009R1

WASHER

17/62 X 3/4 X 16 GA WASHER

3шт.

60

NOT USED

1шт.

61

936554R1

STRAP

tailings elevator conveyor chain tightener bolt, Serial no. 1471 and above

1шт.

62

571424R1

FLANGE

tailings auger bearing

2шт.

5/16 X 3/4 CRG BOLT W/NUT

6шт.

5/16 LOCK WASHER

6шт.

63

564991R91

BEARING

tailings auger ball

2шт.

64

658006R11

COLLAR

W/SET SCREW ASSY, locking

2шт.

83-1254

SET SCREW,Hex Soc, 1/4"-20 x 1/4"

1/4 X 1/4 CUP-PT SET SCREW

2шт.

65

611421R1

BOLT,Hex, 7/16" - 14 x 3 1/2", Full Thd

elevator conveyor chain tightener

2шт.

7/16 C-Z NUT

2шт.

66

939241R11

PULLEY ASSY.

PULLEY ASSY, elevator driven, Serial no., Serial Range: 2431-6287

1шт.

67

939278R1

HUB

elevator driven pulley, Serial no. 2431 and above

1шт.

18474R1

BOLT,Hex, 5/16" - 18 x 1", Gr 2

5/16 X 1 C-Z MACH BOLT W/NUT

4шт.

114502

JAM NUT,Jam, 5/16"-18, G5

2шт.

102883

SET SCREW

5/16 X 3/4 CUP-PT SET SCREW

2шт.

80681

LOCK WASHER,5/16"

WASHER, LOCK, 5/16"

4шт.

68

152236C1

PADDLE

FLIGHT, elevator chain, roller chain, Serial no. 3251 and above

1шт.

69

631253R91

LINK

roller, roller chain, Serial no. 3251 and above

1шт.

70

152234C91

CONVEYOR

CHAIN W/FLIGHT ASSY, elevator, Serial no. 3251 and above

1шт.

71

588562R91

CHAIN LINK

LINK, offset, roller chain, Serial no. 3251 and above

1шт.

72

588563R1

PIN, offset link, roller chain, Serial no. 3251 and above

1шт.

73

937913R91

DRAG LINK

LINK, connecting, roller chain, Serial no. 3251 and above

1шт.

74

588565R1

AXLE PIN

PIN, connecting link, roller chain, Serial no. 3251 and above

1шт.

75

152237C91

PADDLE

FLIGHT W/LINK ASSY, elevator, roller chain, Serial no. 3251 and and above

1шт.

76

150722C91

LINK

ATTACHING, roller chain, Serial no. 3251 and above

1шт.

77

152789C91

CLAMP ASSY, elevator boot door, Serial no, Serial Range: 3251-4765

1шт.

1/4 X 1/2 C-Z CRG BOLT W/NUT

4шт.

1/4 C-Z LOCK WASHER

4шт.

78

152792C1

GRIP, elevator boot door clamp, Serial no, Serial Range: 3251-4765

1шт.

79

522077R1

SPACER

tailings auger shaft, Serial no. 3251 and above

1шт.

80

154263C1

SEAL

tailings auger trough door, Serial no. 3251 and above

1шт.

1/4 X 1/2 CRG BOLT W/NUT

3шт.

1/4 LOCKWASHER

3шт.

615009R1

WASHER

17/64 X 3/4 X 16 GA WASHER

3шт.

81

155909C1

LATCH

elevator boot door, Serial no 4766 and above

1шт.

103384

COTTER PIN,1/8" x 3/4"

Pin, Split (Cotter), 1/8" x 3/4"

1шт.

Q3512

HEADED PIN,1/4" x .859"

1/4 X 1 DLD PIN

1шт.

82

664360R1

BOLT,U, 1/4" - 20 x 69.65"

elevator boot door, Serial no 4766 and above

1шт.

20244R1

LOCK NUT,1/4"-20

1/4 NUT W/NYLON INSERT

2шт.

83

661116R1

SPACER, tailings elevator anchor

2шт.

179896

BOLT,Hex, 1/2" - 13 x 3 3/4", Gr 5

2шт.

12026R1

WASHER

17/32 X 1-1/4 X 16 GA WASHER

4шт.

PO10535

WASHER

17/32 X 1-1/4 X 11 GA WASHER

4шт.

102637

NUT,1/2"-13, G5

2шт.

103323

LOCK WASHER,1/2"

WASHER, LOCK, 1/2"

2шт.

Выбрано товаров: 205