Запчасти Case IH 503 (166) - GRAIN TANK UNLOADER AUGER DRIVE, RUBBER MAIN WHEELS NOT TRACK (80) - CROP STORAGE/UNLOADING

Схема запчастей Case IH 503 - (166) - GRAIN TANK UNLOADER AUGER DRIVE, RUBBER MAIN WHEELS NOT TRACK (80) - CROP STORAGE/UNLOADING
6
7
4
9
25
12
14
23
17
20
16
24
19
10
8
2
18
29
22
5
15
30
1
27
13
26
3
18
28
11
21
FIT
1:1
100%

Артикул

Название

Примечание

Количество

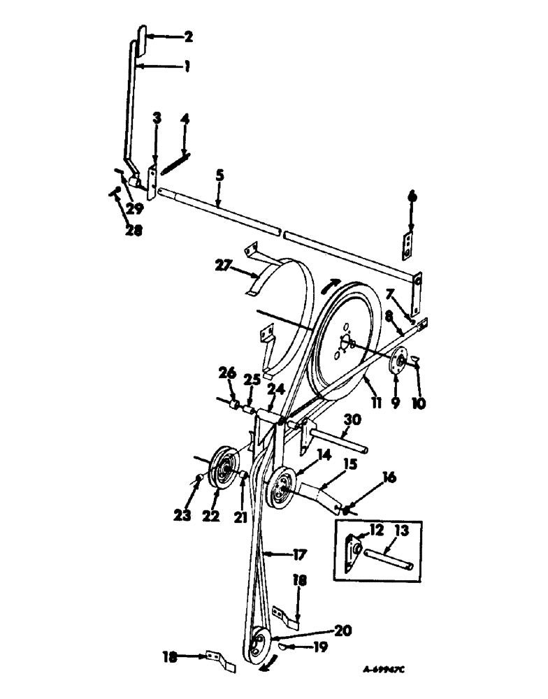
1

631658R91

LEVER W/HUB, unloader, Serial no. 2430 and below

1шт.

1

938883R91

LEVER ASSY, unloader control, Serial no. 2431 and above

1шт.

2

632519R1

GRIP

unloader control lever, Serial no. 2430 and below

1шт.

2

938885R1

GRIP

unloader control lever, Serial no. 2431 and above

1шт.

3

629561R1

BRACKET, unloader front control pipe LH

1шт.

3/8 X 1 MACH BOLT W/NUT

1шт.

3/8 LOCK WASHER

1шт.

4

580107R1

SPRING

unloader lever return

1шт.

3/16 X 1 COTTER PIN

1шт.

5

631656R91

PIPE W/SHAFT, unloader front control, Serial no. 2430 and below

1шт.

5

938898R91

PIPE ASSY, unloader front control, Serial no. 2431 and above

1шт.

3/16 X 1-3/4 COTTER PIN

1шт.

1-1/32 X 1-1/2 X 16 GA WASHER

8шт.

1-3/32 X 1-3/4 X 16 GA WASHER

4шт.

6

634308R1

PLATE, unloader front control pipe RH pivot

1шт.

3/8 X 1 CRG BOLT W/NUT

2шт.

3/8 LOCK WASHER

2шт.

13/32 X 1 X 16 GA WASHER

2шт.

7

556587R1

SPACER

unloader control rear pipe

1шт.

8

627909R91

PIPE W/STUD, unloader control rear

1шт.

3/8 X 1-1/4 MACH BOLT W/NUT

1шт.

5/8 NUT

2шт.

3/8 LOCK WASHER

1шт.

13/32 X 1 X 16 GA WASHER

1шт.

575810R1

WASHER

21/32 X 1-1/2 X 11 GA WASHER

2шт.

9

632539R1

INTAKE ASSY

HUB, unloader auger driven sheave

1шт.

5/16 X 1 MACH BOLT W/NUT

5шт.

5/16 LOCK WASHER

5шт.

10

117977

WOODRUFF KEY

KEY, 5/16 x 1 in. Woodruff

1шт.

11

22784KA

PULLEY

SHEAVE W/RING, unloader driven

1шт.

12

631324R92

PLATE W/HUB, unloader drive tightener sheave

1шт.

3/8 X 1 CRG BOLT W/NUT

2шт.

3/8 LOCK WASHER, Serial no. 501, Serial Range: -950

2шт.

13

631325R1

SHAFT, unloader drive tightener sheave pivot

1шт.

3/16 X 1-3/4 COTTER PIN

1шт.

1-1/32 X 1-1/2 X 16 GA WASHER, Serial no., Serial Range: 501-950

1шт.

14

154742C91

PULLEY

ASSY, unloader drive tightener sheave outer

1шт.

5/8 X 1-1/4 MACH BOLT W/NUT

1шт.

21/32 X 1-1/4 X 11 GA WASHER

7шт.

551177R1

WASHER

21/32 X 1-1/4 X 16 GA WASHER

2шт.

15

629542R1

SUPPORT, unloader pivot drive belt retainer

1шт.

16

574237R1

WASHER, unloader drive tightener pivot shaft

1шт.

17

559064R1

V-BELT,0.88" W

Unloader drive, Not for hydrostatic ground drive 0.88" W

1шт.

17

165676C1

V-BELT,0.88" W x 153.99" L

Grain Hopper Unloader Drive, For Hydrostatic Ground Drive 0.88" W x 153.99" L

1шт.

18

631344R1

GUIDE, unloader belt lower, Not for hydrostatic ground drive

2шт.

18

150680C1

STRAP, grain hopper unloader drive belt, For hydrostatic ground drive

1шт.

5/16 X 3/4 CRG BOLT W/NUT

4шт.

5/16 LOCK WASHER

4шт.

11/32 X 3/4 X 16 GA WASHER

4шт.

19

117977

WOODRUFF KEY

KEY, 5/16 x 1 in. Woodruff, Not for hydrostatic ground drive

1шт.

19

Q1443

KEY,5/16" Sq x 1 1/2", Par

5/16 x 1-1/2 sq, For hydrostatic ground drive

1шт.

20

627895R1

PULLEY

SHEAVE, unloader drive, Not for hydrostatic ground drive

1шт.

20

150669C1

PULLEY, grain hopper unloader drive, For hydrostatic ground drive

1шт.

21

575098R1

SPACER,16.7mm ID x 22.23mm OD x 15.9mm L

unloader drive tightener sheave

1шт.

22

570265R91

PULLEY

SHEAVE ASSY, unloader drive tightener inner

1шт.

23

576015R1

SPACER,7/8" Tube x 11/16"

unloader drive control rod pivot arm

1шт.

24

631332R91

ARM W/BUSHING ASSY, unloader drive tightener sheave, Includes ref. no. 25

1шт.

25

559317R1

BUSHING,25.55mm ID x 28.6mm OD x 38.1mm L

2шт.

26

583345R1

SPACER, unloader drive tightene sheave pivot shaft

1шт.

27

631336R91

GUIDE W/SUPPORT, unloader drive belt upper

1шт.

5/16 X 1/2 CRG BOLT W/NUT

2шт.

5/16 X 3/4 CRG BOLT W/NUT

2шт.

5/16 LOCK WASHER

4шт.

28

623167R1

BOLT, unloader control lever stop

1шт.

3/8 NUT

2шт.

29

Q26

KEY,1/4" Sq x 1 1/4", Par

1/4 x 1-1/4 square

1шт.

30

631324R92

SHAFT W/PLATE ASSY, unloader drive tightener shaft

1шт.

3/8 X 1 CRG BOLT W/NUT

2шт.

3/8 LOCK WASHER

2шт.

1-1/32 X 1-1/2 X 16 GA WASHER

8шт.

Выбрано товаров: 70